对冲火焰燃烧器几何结构对出口速度的影响研究毕业论文
2020-02-18 10:43:33
摘 要
燃烧是一个复杂的过程,对冲火焰作为一种基本的燃烧过程,是燃烧基础理论重要研究工具之一。流场较好的准一维特性可以减少燃烧过程的复杂性,便于研究碳烟的生成机理。因此需要深入探究对冲火焰燃烧器几何结构对出口流场影响的规律,对燃烧器的几何结构进行改进以提高出口速度的均匀性就有着重要的研究意义。
本文使用计算流体力学的软件CONVERGE对一对冲火焰燃烧器内部的流场进行了数值模拟,定义了分离比,即喷嘴的间距与喷嘴直径的比值,以空气作为流体探究了在分离比分别为0.5、1、2的情况下出口速度分布情况。另外,在保证相同分离比为1的情况下,探究了另一种锥形扩大管道的对冲火焰燃烧器的出口速度的分布情况。
研究的结果表明,随着分离比的增大,速度的均匀性越好,流场的准一维特性就越好,流场更加简单,更加有利于对冲火焰燃烧器对碳烟的生成机理进行研究。在同种的分离比条件下,锥形扩大管道的对冲火焰燃烧器的准一维特性要更好,出口速度分布更为均匀。
关键词:对冲火焰燃烧器;分离比;出口速度;准一维特性
Abstract
Combustion is a complicated process. As a basic combustion process, the counterflow flame is one of the important research tools of basic combustion theory. Better quasi-one-dimensional characteristic of the flow field can reduce the complexity of the combustion process and facilitate the study of the formation mechanism of soot. Therefore, it is necessary to deeply explore the rule of the influence of the geometric structure of the counterflow flame burner on the outlet flow field, and it is of great significance to improve the geometric structure of the burner to improve the uniformity of the outlet velocity.
This paper uses CONVERGE software contrived of computational fluid dynamics to perform numerical simulation of the flow field inside a contrived flame burner. It defines separation ratio, that is, the ratio of nozzle pitch to nozzle diameter. It takes air as a fluid to explore the outlet velocity distribution when separation ratio is 0.5, 1, 2 respectively. In addition, with the same separation ratio of 1, the outlet velocity distribution of the flame burner with another tapered expansion pipe was investigated.
The results show that with the increase of separation ratio, the better the velocity uniformity is, the better the quasi-one-dimensional characteristic of the flow filed are. Under the same separation ratio condition, the quasi-one-dimensional characteristic of the conical expansion tube of the counterflow flame burner are better, and the outlet velocity distribution is more uniform.
Key Words:Counterflow flame burner; Separation ratio; Exit velocity; Quasi one-dimensional characteristic
目 录
摘 要 I
Abstract II
第一章 引言 1
1.1选题的目的和意义 1
1.2国内外的研究现状 1
1.3研究的内容及方法 2
1.3.1基本内容与目的 2
1.3.2拟采用的技术方案和措施 3
第二章 对冲火焰燃烧器的基本知识 4
2.1对冲火焰的基本知识 4
2.1.1燃烧和火焰的定义 4
2.1.2预混火焰和扩散火焰 4
2.1.3对冲火焰 4
2.2对冲火焰燃烧器的结构 6
2.3对冲火焰燃烧器的应用 8
2.4均匀出口速度的必要性 8
2.5准一维特性 8
2.6本章小结 9
第三章 模型的建立与仿真工具的设定 10
3.1流体力学的基本知识 10
3.1.1理想流体与粘性流体 10
3.1.2牛顿流体与非牛顿流体 10
3.1.3可压缩与不可压缩流体 10
3.1.4层流与湍流 11
3.1.5边界层 11
3.1.6瞬态和稳态 12
3.2 CFD的基本概念 12
3.2.1 CFD的基本思想 12
3.2.2 CFD的一般流程 12
3.2.3残差与收敛 13
3.3流体力学的控制方程组 13
3.3.1质量守恒方程 13
3.3.2动量守恒方程 14
3.3.3能量守恒方程 14
3.3.4组分质量守恒方程 15
3.4控制方程的离散和求解 15
3.4.1有限体积法 16
3.4.2 PISO算法 16
3.4.3超松弛迭代法 17
3.5边界条件 17
3.5.1入口边界条件 17
3.5.2出口边界条件 18
3.5.3固体壁面边界条件 18
3.5.4对称边界条件 18
3.6 CONVERGE软件简介及工作流程 18
3.6.1前处理器 19
3.6.2求解器 19
3.6.3后处理器 19
3.7 CONVERGE的网格技术介绍 19
3.7.1网格切割技术 19
3.7.2网格控制技术 19
3.8相关设置 20
3.8.1流动设置(Materials) 21
3.8.2求解器的仿真参数设置(Simulation Parameters) 22
3.8.3边界条件设置(Boundary Conditions) 26
3.8.4初始条件设置(Initial Conditions) 28
3.8.5网格模型设置(Grid Control) 29
3.9本章小结 31
第四章 计算结果分析 32
4.1速度云图 32
4.2速度矢量图 34
4.3网格情况 35
4.3.1分离比=0.5的网格 35
4.3.2分离比=1的网格 36
4.3.3分离比=2的网格 37
4.4喷嘴出口处的速度曲线 38
4.5锥形燃烧器结构的计算结果 41
4.5.1速度云图 43
4.5.2速度矢量图 44
4.5.3网格情况 44
4.5.4喷嘴出口处的速度曲线 45
4.6本章小结 46
第五章 总结与展望 48
5.1全文总结 48
5.2研究展望 48
参考文献 51
致 谢 53
第一章 引言
1.1选题的目的和意义
汽车节能减排的任务迫在眼前,改善汽车的排放成为了现在我国汽车制造,研究和开发重要的一项任务。而在汽车整车排放中,其尾气排放要占到绝大多数,因此降低汽车尾气排放就成了减少排放的最关键的内容,而降低尾气排放中,最为关键的部分则是改善发动机的燃烧,从而减少燃烧后的碳烟等有害气体的含量,减少废气污染。因此,对基础燃烧进行深入地研究,将是降低汽车尾气排放污染物的含量,推进汽车节能减排的重要内容。
所以,大力发展和改进现有的燃烧技术,研究基础燃烧理论及燃烧的合理应用将成为一个重要的课题。特别是我国作为一个能耗大国,节能减排是我国当前和今后一个时期的首要任务。其主要措施就是提高能源利用率,改善燃烧工况,提高燃烧的效率等。因此,我国想要在节能减排上取得进展,就必须对燃烧理论基础及其应用做重点的研究。
层流对冲火焰作为一种基本的燃烧过程,是燃烧基础理论研究的常用工具之一,因此,深入研究对冲火焰燃烧器的流场的基本特性,掌握燃烧器几何结构对出口流场影响的规律,对燃烧基础理论研究具有重要指导意义和工程价值。
本次毕业论文所要研究的对冲火焰燃烧器几何结构对出口速度的影响,是对冲火焰燃烧器流场特性研究的最基本的内容之一,从而可以更加合理地设计对冲火焰燃烧器的几何结构,有利于燃烧基础理论的研究,对改善发动机的燃烧,为汽车节能减排做出贡献。
1.2国内外的研究现状
在国内,有关对冲火焰燃烧器内部流场的研究有很多。
李博等人[19]对对冲火焰流场的二维分布对层流火焰传播速度测量的影响进行了研究。通过使用了粒子图像测速法系统,来测量对冲火焰的速度场,然后得到沿着不同轴线的轴向速度分布,并以此推导出了层流火焰速度。研究发现,尽管对冲火焰比较全面地满足层流预棍火焰传播速度中严格定义的理想火焰,但由于其流场的二维分布仍可能会引起一定的误差,特别是在测量或者数据处理偏离中心线时,使得测量结果失真。测量过程中对于弱火焰,使用激光多普勒测速技术需要沿着中心线进行测量,而采用PIV法时则需要采用沿中心线的速度分布的方法来对数据结果进行处理。
俞吉[11]对甲烷/空气高压层流对冲火焰进行了详细的数值模拟,深入探讨了压力和应变率对层流对冲火焰的最高温度和火焰的宽度的影响,以及与总放热速率的关系。最后研究了湍流燃烧过程与当量比以及压力、入口旋流数等参数的关系。
黄伟鹏[15]对逆流对冲燃烧器几何参数对甲烷催化燃烧特性的影响进行了数值模拟的研究。通过数值模拟对逆流对冲燃烧器进行结构上的优化,研究了进气口宽度、下游段长度、下游段入口长度、下游段入口高度等因素对燃烧器燃烧特性的影响。结果表明,改变进气口宽度和下游段入口长度,对燃烧器的进气速度极限和甲烷转化率有显著的影响。
国外的学者关于该方面的研究也有很多。
Seshadri等人[21]通过实验的方法采用大直径喷嘴,验证了对冲火焰的仿真计算可以将二维轴对称对冲火焰简化为准一维火焰的简化理论的正确性。
Niemann等人[23]对层流逆流火焰实验的准确性进行了研究,发现逆流结构对于研究预混火焰、非预混火焰和部分预混火焰的结构是很有用的。通过理论分析、实验测量和轴对称计算等方法,解决了计算程序与假设不符的原因。最早结果表明,实验结果与塞流边界条件下的预测相差不超过5%。
Johnson等人[24]通过采用仿真计算来验证小喷嘴应用于对冲火焰模型的简化理论的正确性,通过对比不同的喷嘴直径和间距情况下的仿真结果,发现一维和二维的结果会由于喷嘴直径的减小而差异变大,会在喷嘴间距减小时结果之间的差距会变小。
Scribano等人[25]对雷诺数和几何结构对层流轴对称等温对流的影响进行了研究,探讨了大口径喷嘴条件下,不同的分离比喷嘴口在径向位置上的速度分布。发现雷诺数效应突出了壁面边界层对喷嘴内部流场的作用,并且随着分离比的减小,壁面边界层对喷嘴内部的影响逐渐变小。混合分数场、驻点处的应变和标量耗散率在很大程度上取决于分离比,而在较小程度上取决于雷诺数。
由此可见,通过对冲火焰燃烧器的流场进行测量和数值模拟的研究已经相对成熟。
1.3研究的内容及方法
1.3.1基本内容与目的
1、了解对冲火焰燃烧器的几何结构和研究用途,国内外相关研究现状。
2、 学习燃烧器的结构,使用三维建模软件构建不同对冲火焰燃烧器几何模型。
3、使用CFD软件对对冲火焰流场进行分析。
4、比较不同几何形状对冲燃烧器的出口速度分布的影响。
1.3.2拟采用的技术方案和措施
1、查阅关于对冲火焰燃烧器方面的文献资料,了解对冲火焰燃烧器的几何结构的最新研究进展。
2、查阅关于对冲火焰燃烧流场研究方面的文献资料,了解对冲火焰燃烧器在出口处速度不均匀的原因。
3、查阅对燃烧器的几何形状进行设计的先行研究,调整燃烧器的几何结果对喷嘴出口速度的影响使出口速度均匀,具有更好的准一维特性,简化燃烧计算过程,便于燃烧理论的研究。
4、通过阅读相关书籍和观看教学视频,认真学习三维建模软件Catia和CFD软件CONVERGE,联系相关教学实例熟悉各功能模块的操作。
5、利用Catia软件对对冲火焰燃烧器进行建模。并调整相关尺寸,分别构建不同对冲火焰燃烧器的几何模型。
6、采用CONVERGE软件对不同的几何结构的对冲火焰燃烧器的流场做CFD分析,使用EnSight软件对数据计算结果进行后处理。比较不同几何形状对冲燃烧器的出口速度分布的影响。
第二章 对冲火焰燃烧器的基本知识
2.1对冲火焰的基本知识
2.1.1燃烧和火焰的定义
燃烧定义为产生热并能同时产生光和热的剧烈氧化反应,所以说燃烧从本质上来说是一种氧化反应,但燃烧的过程不单单只是涉及到化学反应,也还涉及到流动、传质、传热等复杂的过程。火焰是指“可燃物质和助燃物之发生氧化反应时,释放光和热的现象”[3]。
2.1.2预混火焰和扩散火焰
燃烧根据反应物的混合状态可分为预混合火焰和扩散火焰,在预混火焰之中,燃料与氧化剂之间在发生化学反应之前就已经完全形成了混合的状态。而相对应的,扩散火焰则是在反应发生之前,燃料和氧化剂是分开的,而燃烧反应只发生在燃料和氧化剂的交界面之上。
2.1.3对冲火焰
对冲火焰即属于上述的扩散火焰的一种,对冲火焰一般是指由两种气体的反应物在空间中对向逆流地接触以后,在一定条件下发生的可燃物质与相应的助燃物质之间的氧化反应而产生的火焰。
这样的火焰系统基本符合准一维的要求,流场简单,简化了对燃烧进行研究的复杂性,适合用于研究火焰燃烧过程中复杂反应过程。对冲火焰的模型如下图所示:

图2.1 对冲火焰的几何模型
如上图中所示,模型上方为氧化剂的喷嘴出口,下方为燃料的喷嘴出口,中间的虚线表示火焰的滞止面,灰色的区域表示碳烟的生成区域。

图2.2 实验室的对冲火焰燃烧器设备
2.2对冲火焰燃烧器的结构
通常对冲火焰燃烧器是由两个同一轴线上对置的两个喷管组成。它包含有两个系统:喷嘴系统和反应物输送系统。本文所采用的对冲火焰燃烧器模型中,喷嘴系统包括燃烧器喷嘴气流保护装置两个部件,反应物输送系统包括输入管道、扩大管道两部件。本文所使用的对冲火焰燃烧器装配图及其内部剖面图如下:


图2.3 对冲火焰燃烧器装配图(左)和内部剖面图(右)
根据燃烧器内部结构的相关尺寸绘制了燃烧器内部流场的计算域,下图即为四分之一圆周的计算域图:

图2.4 对冲燃烧器四分之一圆周内部流场计算域图
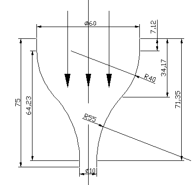
总体相关尺寸:如上图所示,从喷嘴口至顶端上部的距离为193毫米,,喷嘴口的半径为5毫米,连接管道的半径为30毫米,输送管道两段半径分别为10毫米和15毫米,输送管道入口处距离燃烧器的中轴线为50毫米。
波形喷嘴:在对燃烧器的喷嘴处进行设计的时候,需要考虑到使喷嘴出口处的燃料速度尽可能相等,采用了波形喷嘴(收缩喷嘴)的设计,合适的收缩段的设计可以在很大程度上减轻边界层效应。波形喷嘴的相关尺寸如示意图所示:

图2.5 波形喷嘴收缩曲线示意图
对冲火焰燃烧器结构设计的主要部分是气体喷嘴的结构选择和设计。传统的圆柱形喷管是最为普通且常见的气体喷管结构形式,由于结构简单,制造工序简易、成本较低,且通过成熟的技术可以使管体表面能够达到十分高的光滑度。
但即使物体表面的光滑度再高,也不存在完全光滑的表面,因此在这种传统的直管圆柱喷管的壁面处存在边界层效应。因此在对燃烧器喷嘴进行设计的时候,考虑到需要使喷嘴出口的轴向速度尽可能的相等,所以采用了波形喷嘴(收缩喷嘴)的设计,从而减薄边界层,减小了出口速度的不均匀度,使轴向速度尽可能的相等。
2.3对冲火焰燃烧器的应用
层流对冲火焰作为准一维的模型,运用于燃烧化学反应的机理研究可以大大简化研究的复杂性。现代社会人们对能源十分倚重,碳氢燃料则提供了绝大部分的能源,然而碳氢燃料的燃烧则不可避免地会产生碳烟颗粒,从而危害人类健康,也降低了能源的利用率。因而实验室使用对冲火焰燃烧器进行燃烧实验,可以探究碳烟生成的机理,以便在燃烧的过程中减少碳烟颗粒的生成,也能反映出发动机内部的碳烟生成过程,我国汽车的保有量庞大,因此对碳烟生成机理的研究,可以降低汽车的碳烟排放,同时提高碳氢燃料的利用率,从而为国家的节能减排事业做出大力的贡献。
2.4均匀出口速度的必要性
流场内的流动越简单,模拟起来也就越简单,同时二维的计算量也非常庞大,因此必须假设径向上没有影响。如果出口速度不均匀,就无法排除流场对后期研究燃烧机理的干扰,径向上温度不变化,组分的情况也不发生变化,而只有均匀的出口速度可以保证这样的情况。因此就必须使用具有均匀出口速度的对冲火焰燃烧器来对燃烧的机理进行研究。
2.5准一维特性
准一维是指对冲火焰燃烧器出口处的流场并非是完全一维的情况。在轴向的一维情况下,温度、组分的分布在径向上是均匀的,但速度不是均匀的,中间的径向速度是零,并且会随着距离中心轴向的距离的增大而增大。因此如果出口速度越均匀,就越接近一维的情况,故而称为准一维特性。
2.6本章小结
本章介绍了火焰和对冲火焰的基本知识。接着对对冲火焰燃烧器的基本组成结构以及喷嘴的相关尺寸,采用波形喷嘴而非直筒式喷嘴的必要性,以及对冲火焰燃烧器应用于碳烟生成机理研究的意义进行了说明。最后阐述了对冲火焰燃烧器出口速度均匀性的对燃烧机理研究的重要意义,和准一维特性的具体含义。
第三章 模型的建立与仿真工具的设定
3.1流体力学的基本知识
3.1.1理想流体与粘性流体
流体抵抗变形的能力称之为粘性。静止的流体是不能够承受剪切应力的,然而运动的流体相邻两层间却存在相对运动,即存在抵抗力,该抵抗力称为粘性应力。对于粘性较小的流体,它的相邻两层之间的相对运动速度较小,此时可忽略不计流体的粘性应力,称这样的流体即为所说的理想流体。相应的,相对运动速度较大不可忽略粘性应力的情况,这样的流体就称之为粘性流体。本文所需要进行计算的流体即为粘性流体。
3.1.2牛顿流体与非牛顿流体
粘性流体可以根据内摩擦剪切应力与速度变化率的关系的不同,被划分为牛顿流体或非牛顿流体。
牛顿内摩擦定律表述为:“流体的粘性切应力的大小与流体的粘度和速度梯度成正比”[9]。由牛顿内摩擦定律决定流体内摩擦力:
(3-1) | (3-1) |
该式中,为流速的增量,则是在法线方向上的距离增量,定义为流体的动力粘度,故而该式的物理意义为“流体内摩擦力等于动力粘度乘上在法线方向上随着距离变化的速度变化率”[2]。
以上是毕业论文大纲或资料介绍,该课题完整毕业论文、开题报告、任务书、程序设计、图纸设计等资料请添加微信获取,微信号:bysjorg。
相关图片展示:









