基于结构分析法的微混动力系统故障诊断策略研究毕业论文
2020-02-18 10:42:29
摘 要
汽车故障诊断是保证混合动力汽车连续运行、安全行驶的关键。电力驱动系统是微混动力汽车中的关键子系统,一个可靠并强大的故障诊断系统对检测运行过程中可能发生的各种故障至关重要。本文介绍了48V微混动力系统的工作原理和结构分析法的运用过程,在MATLAB/Simulink中建立48V微混动力系统仿真模型,针对48V微混动力系统中传感器常见故障模式进行分析,结合结构分析法(SA),设计出高效可靠的故障检测隔离系统(FDI),针对永磁同步电机驱动的48V微混动力系统提出了一种基于结构分析法的诊断策略。结构分析法使用数学矩阵表示的系统模型,使用几何图形的方式对模型中可能产生残差的地方进行冗余分析。结构分析法有助于对系统故障进行可检测性和可隔离性分析,相对传统的基于模型的诊断方法减少了观测值数量,从而简化了诊断算法,仿真结果验证了该诊断系统的有效性。本文表明,通过合理的设计残差,结构分析方法可以有效识别与隔离永磁同步电机驱动系统中的多种传感器故障。最后结合研究结果分析了结构分析法的可行性和有效性。
关键词:结构分析法;48V微混动力系统;PMSM电机;故障诊断
Abstract
Fault diagnosis is the key to ensure the continuous operation and safe driving of hybrid electric vehicles. Electric drive system is the key subsystem of micro-hybrid electric vehicle. A reliable and powerful fault diagnosis system is very important to detect all kinds of faults that may occur during operation. This paper proposes the principle of 48V micro hybrid system and structural analysis is introduced. Simulation model of 48V micro hybrid system is established to analyze the common failure modes of the sensors. Fault detection and isolation (FDI) system is designed based on structural analysis, which uses less residuals than traditional methods and simplify the diagnosis algorithm. This paper proposes a diagnostic strategy based on structural analysis for an electric vehicle driven by a permanent magnet synchronous machine (PMSM). Structural analysis analyzes the structural model represented by Incidence Matrix of a system, using graphical tools to find the analytic redundancy of the model where it is possible to generate residuals. Structural analysis is useful for pre-analysis of fault detectability and isolability properties without accurate knowledge of system parameters,which uses less residuals than traditional methods and simplify the diagnosis algorithm. Result of simulation verified the effectiveness of the FDI system. This paper shows that by properly selecting sequential residual generators, structural analysis approach is effective to identify and isolate multiple sensor faults in the PMSM drive system. Finally, the feasibility and validity of the structural analysis method are analyzed based on the research results.
Key Words:Structure analysis; 48V micro hybrid system; PMSM motor; Fault diagnosis
目 录
第1章 绪论 1
1.1 研究背景及意义 1
1.2 48V微混动力系统 1
1.3 结构分析法 2
1.4 基于结构分析法的微混动力系统故障诊断研究现状 2
1.5 研究内容及研究方法 3
第2章 48V微混动力系统简介 5
2.1 48V微混动力系统结构 5
2.2 48V微混动力系统工作原理 5
2.3 本章小结 7
第3章 48V微混动力系统故障模型建立 8
3.1 48V电池 8
3.2 BSG电机 8
3.3 能量转换器(DC/DC) 10
3.4 同步带传动 10
3.5 发动机阻力矩 11
3.6 故障分析和建模 11
3.7 本章小结 12
第4章 基于结构分析法的微混系统故障诊断 13
4.1 故障可检测性和可隔离性分析 14
4.1.1 故障可检测性(FD)分析 15
4.1.2 故障可隔离性(FI)分析 16
4.2 结构最小型超定方程集(MSO sets) 17
4.3 残差设计 18
4.3.1 MSO1 18
4.3.2 MSO2 19
4.3.3 MSO3 19
4.3.4 MSO4 20
4.3.5 MSO5 20
4.4 本章小结 21
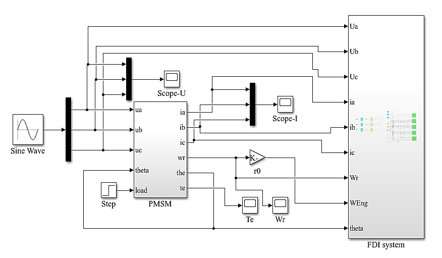
第5章 FDI系统设计与仿真分析 22
5.1 FDI系统仿真模型 22
5.2 仿真结果 24
5.3 结果分析与诊断策略 28
5.4 本章小结 29
第6章 总结与展望 30
6.1 总结 30
6.2 展望 30
参考文献 32
致谢 35
第1章 绪论
1.1 研究背景及意义
能源的快速消耗和环境污染问题的日渐严峻,纯燃油车向新能源汽车的过渡已经成为了如今全球的发展趋势,并且在我国的“十三五”规划中明确指出“推进交通运输低碳发展,实行公共交通优先,加强轨道交通建设,鼓励自行车等绿色出行。实施新能源汽车推广计划,提高电动车产业化水平”。但是目前纯电动车(Electric Vehicle,EV)的蓄电池等技术尚未完全成熟,仍然面临着诸多挑战和问题。因此,由传统的热动力源(汽油机、柴油机)和电动力源(电池和电动机)驱动的混合动力电动汽车(Hybrid Electric Vehicle,HEV)是一个相对合理的选择和发展方向。BSG(Belt-driven Starter/Generator:皮带传动起动/发电一体机)技术是混合动力系统中电油混合比例最小的技术之一,其具有改装难度小、成本较低、减排效果好等优点,因此得到了广泛的应用。
当然,电动和混合动力电动汽车(EV/HEV)中的电力驱动系统在行驶过程中可能会遇到严峻的工作条件,包括高温、频繁的启动和停止、过电压和过电流等。任何电气或电子部件的故障都会导致车辆出现严重问题。如性能下降、噪声和振动增加、操纵性能下降、安全系统故障等。因此,开发一个电力驱动系统的车载故障诊断系统,保证车辆在使用周期内安全可靠运行的高效、稳定的故障诊断系统是极为重要的。
本文针对48V微混动力系统,提出了一种基于模型的故障检测与隔离(Fault Detection and Isolation,FDI)系统来识别各种类型的传感器故障。该系统所用的结构分析法是一种基于解析冗余关系(Analytic Redundant Relation,ARR)的方法,通过图形的方式呈现最初由一组微分方程和代数方程描述的系统,我们可以很容易地找到解析冗余部分,该部分可用于故障检测和隔离,并依靠模型方程式的冗余关系来进行测试集的选择和残差生成器的制定,以此来确定每个故障检测的唯一性,达到对传感器故障的检测和隔离。
1.2 48V微混动力系统
48V微混动力系统作为从传统的12V电气平台到48V电气平台的过渡系统是未来的发展方向。48V微混动力系统的核心是BSG电机,搭载BSG电机的发动机可实现高转速启停、短时加速助力与制动能量回收功能。目前,对48V微混动力系统的研究集中在节油效果[1-6]、起动助力性能及其控制优化方面[7-10]。
在最近几年中,为了满足日益严格的排放法规和车载负载需求,博世、大陆、法雷奥等供应商提出了一种带有BSG电机的48V微混动力系统,发动机可实现高转速起停,并具有短时加速助力和制动能量回收功能。该系统可降低整车油耗10%~15%,并优化驾驶性和车辆NVH(Noise、Vibration、Harshness)性而成本增加在6000元以内,且开发难度低,是一种很有前景的方案。
1.3 结构分析法
结构分析法是一种基于模型的新型故障诊断方法。其根据系统模型可以快速分析复杂系统中故障的可检测性和可隔离性,设计观测值可实现系统故障的检测和隔离,它能有效地提高故障诊断的效率。
该方法利用图形工具对系统故障的可检测性和可隔离性进行评估,并可构建结构最小型超定方程集,用于序列残差的设计,实现故障的检测和隔离;同时也可用于容错控制的可重构性分析;也可进行传感器的布置方案设计,实现最优化的故障可隔离和可检测。该方法不依赖于系统模型具体的数值参数,只取决于系统的结构模型,能快速地分析复杂系统中的故障可诊断性和可隔离性,设计算法简单,可有效提高故障诊断效率以及避免故障误诊、漏诊。
相对于观测值数量较多且涉及大量矩阵运算的参数估计法、状态估计法和等价空间法,本文所建立的故障诊断系统,仅利用少量观测值实现48V微混动力系统的多个故障的检测与隔离,从而简化诊断算法,在保证诊断方法可靠性的基础上降低诊断系统的开发难度。结构分析法的优点是,无需准确了解系统内部参数和未知量便可快速高效的进行故障的可检测和可隔离性的判断。
1.4 基于结构分析法的微混动力系统故障诊断研究现状
如今在电力驱动系统故障诊断策略的开发方面,已经开展了大量的研究工作,其重点是电机和电力设备。实现故障诊断的方法大致有三种:基于知识的故障诊断方法、基于信号处理的故障诊断方法和基于模型的故障诊断方法。当系统模型不可用时,基于数据信号的方法很有用,但它们依赖于大量的数据集[11]。通过对定子电流测量应用信号处理技术,基于数据的方法在检测逆变器和电机内部故障方面取得了良好的效果[12-15]。但是,由于传感器故障而导致的测量不准确或不可检测可能导致错误的诊断结果。
另一方面,基于模型的方法有参数估计法,状态估计法,等价空间法。这三种诊断方法在原理上都利用不同观测值实现对应故障的检测,若上述方法应用于48V微混系统,复杂的系统模型会导致所设计的诊断算法十分繁琐,影响诊断效率,甚至造成误诊、漏诊。基于模型的诊断需要一个精确的数学模型来表示系统及其故障操作和故障模式。其优点包括对过程行为的深入了解、早期检测小故障的能力、闭环检测故障的能力、对未测量的干扰不敏感以及分析性地将故障彼此隔离的能力[16]。当传感器故障成为我们的研究重点时,基于模型的诊断策略是非常有效的。文献[17]讨论了电流传感器故障检测和隔离,文献[18]和[19]还解决了其他类型的传感器故障,包括电压和速度传感器故障。这些工作大多使用状态观测器,将测量的电流信号与估计的电流信号进行比较,以产生残差。基于观测器的FDI技术具有有效检测早期故障的优点。然而,它们依赖于一个精确的模型来描述系统行为,因此对建模误差和参数不确定性非常敏感。
基于模型的结构分析法最早由文献[20]提出,随后被国内外学者从DM分解(Dulmage-Mendelsohn decomposition)技术[21]、冗余分析[22]、容错控制设计[23]、最小超定方程集获取[24]、残差设计[25-29]方面不断改进,近几年来广泛应用于汽车诊断研究领域,文献[25] 使用含有混合因果关系的计算序列设计残差,运用于柴油汽车系统故障诊断研究;文献[26]将结构分析法运用于汽车发动机的故障检测和隔离,提出残差统计评价方法;文献[27]提出连续残差设计方法,在混合动力汽车中进行验证,但没有考虑电机内部传感器故障;文献[28]结合永磁同步电机的驱动模型推导出一套用于故障检测和隔离的方法,实现电动汽车的故障诊断,所建立的诊断系统观测值多,算法复杂;文献[29]使用基于模型的方法对一款6速变速器的传动系统进行了故障诊断系统设计。
1.5 研究内容及研究方法
本文主要研究的内容有:(1)查阅关于48V微混动力系统的相关文献,掌握48V微混动力系统的结构与主要失效形式;(2)分析系统及电机内部传感器的常见失效形式,并将故障参数化;(3)利用Matlab/Simulink仿真软件,建立48V微混动力系统模型;(4)查阅关于结构分析法的文献资料,了解其原理以及在汽车领域内的应用;(5)查阅微混动力系统故障诊断的相关文献,了解故障诊断的各种方法及策略;(6)基于结构分析法,利用Matlab/Simulink建立48V微混动力系统的故障诊断系统;(7)对建成的仿真模型进行试验,验证其可行性,初步确定诊断策略;(8)根据仿真结果,对产生的结果进行分析并制定诊断策略。
具体方案及措施包括:
(1)查阅关于48V微混动力系统的文献资料,学习48V微混动力系统结构和工作原理,了解微混动力系统的核心技术与关键部分,了解如今48V微混动力汽车的现状和发展前景,了解我国在混合动力汽车领域的发展现状,了解国际上关于混合动力汽车的最新研究进展。
(2)通过查阅相关文献,学习结构分析法的原理和方法步骤。并了解该方法在国内外的发展过程及应用方式。特别学习该方法在汽车故障诊断领域中的运用,熟悉并掌握结构分析法的应用步骤。
(3)通过阅读相关书籍和观看视频,认真学习Matlab/Simulink软件,练习相关例子熟悉Simulink模块的操作,通过软件建立微混动力系统模型,并用结构分析法确定诊断策略,进行仿真与分析。
本文将结构分析方法应用于48V微混动力驱动系统中,分析系统及电机内部传感器的常见失效形式,并将故障参数化,运用基于模型的结构分析法,设计少量观测值,制定高效可靠的诊断策略,在Matlab/Simulink中建立系统故障模型,对电流传感器、电压传感器、转速传感器以及转子位置传感器故障进行检测和隔离。仿真验证了诊断系统的有效性,也反映出结构分析法运用于复杂系统时的优势。
第2章 48V微混动力系统简介
2.1 48V微混动力系统结构
48V BSG混合动力系统中主要由48V BSG电机、发动机、能量转换器(DC/DC)、48V电池、12V蓄电池构成,如图2.1所示。

图2.1 48V BSG混合动力系统结构示意图
48V微混动力系统中,BSG电机接收来自逆变器的交流电源,通过皮带传动装置与发动机的前端相连接,为发动机提供起动和加速助力的动能,并且在发动机制动时实现能量回收;逆变器的功能则是将汽车上的48V直流电源的直流电转换为BSG电机所需的交流电;本文研究的48V电池选用的是锂离子电池,其作用是给BSG电机提供电能以及储存发动机制动时回收的能量;能量转换器(DC/DC)的作用在于维持系统内部电池电量的平衡,在48V电池和12V电池之间转换电能。并且,48V微混动力系统还保留了传统汽车上的12V启动电机,这保证了当48V电池电量过低或者环境温度过低时发动机仍然能够启动。
2.2 48V微混动力系统工作原理
48V微混动力系统可实现如下功能:
(1)加速助力(功率辅助)功能。
48V微混动力系统的一个重要的功能就是加速助力。传统汽车上的发动机在转速较低时,其转矩很低,响应时间长,导致汽车的加速性能较差。而BSG电机在转速较低时,转矩较大,响应迅速,能够很好的弥补发动机的缺点。当汽车在进行起步急加速或者低速爬高坡的时,发动机处在转速低负荷大的工况,在这种工况下的发动机燃油消耗率会非常高,而且排放性能会很差。48V微混动力系统中的BSG电机此时会派上用场,作为附加动力源来提供附加动力。同时,当汽车在爬高坡或者全负荷运行时,BSG电机提供的辅助功率可以降低发动机的负荷,使发动机的负荷不至于过高,从而达到了节能减排的目的。
(2)发动机快速起停功能。
48V微混动力系统内最重要的部件就是BSG电机,因为系统内部多了一个电机,使得发动机具有了两种的启动方式。第一种就是传统汽车上的原有方式,即常规启动。48V微混动力系统的工作原理与传统汽车相同。起动时,由12V启动机带动发动机曲轴旋转,将发动机拖动到300r/min左右,仍然远低于发动机怠速值,然后通过多喷油加浓混合气的方式来保证发动机顺利起动;第二种的启动方式就是利用BSG电机带动发动机运行,因为48V电机的转速和功率都要比12V电机的高很多,所以可以直接将发动机拖动到怠速转速再进行点火启动。这样ECU将会以理论空燃比进行喷油控制,不需要再多喷油加浓混合气,从而降低了油耗。另一方面,传统搭载12V启动机的汽车在停车熄火后,车内的空调系统将同时关闭,在道路拥挤,堵车严重的地方这是一个让人头疼的问题。但是在48V微混动力系统中,48V电池的电容量足以维持车内电气设备和空调的正常运行,并不会因为发动机的停止工作而停止。而且该系统具有良好的起动特性,可以保证随时启停的同时又保证了汽车的燃油经济性和排放性能。
(3)制动能量回收。
以上是毕业论文大纲或资料介绍,该课题完整毕业论文、开题报告、任务书、程序设计、图纸设计等资料请添加微信获取,微信号:bysjorg。
相关图片展示:









