基于仿真的船舶推进系统运行特性分析及优化毕业论文
2020-02-18 10:39:55
摘 要
本文主要是利用MATLAB/Simulink商业软件对船舶推进装置进行仿真分析。在对其仿真过程中,模型的建立是通过线性化数值计算模型对柴油机和船机桨进行仿真计算。而柴油机仿真模型的搭建,则是将涡轮增压柴油机仿真对象分成了柴油机本体、供油装置、进气管、排气管、涡轮增压器、空气冷却器以及集气器七大子模块。对于这七大子模块的仿真模型搭建,依照其边界条件各自得出其对应的线性定常动态方程,并引入无因次量,将各大子模块连接起来构建整个增压柴油机仿真模型。进行柴油机系统的仿真分析时,则是设定喷油量的阶跃变化为其输入量,得出柴油机各参数的动态响应曲线。而在船机桨模型中,依旧考虑其受力部分和转动部分的线性化模型,并以油门开度为其输入量,通过这两部分模型分析船舶的航速以及螺旋桨的转速随油门位置的变化曲线。
关键词:推进装置;线性模型;MATLAB/Simulink仿真
Abstract
This paper mainly uses MATLAB/Simulink commercial software to simulate and analyze the ship propulsion device. In the process of simulation, the model is built by linearized numerical model to simulate the diesel engine and ship propeller. In the process of building the simulation model of diesel engine, the simulation object of turbocharged diesel engine is divided into seven sub-modules: diesel engine body, oil supply device, intake pipe, exhaust pipe, turbocharger, air cooler and collector. For the simulation model construction of these seven sub-modules, the corresponding linear time-invariant dynamic equations are obtained respectively according to their boundary conditions, and dimensionless quantities are introduced to connect the sub-modules to build the whole simulation model of supercharged diesel engine. In the simulation analysis of diesel engine, the step change of fuel injection is set as its input, thus the dynamic response curve of diesel engine parameters is obtained. However, in the ship propeller model, the linearized model of the stressed part and the rotating part is still considered, and the throttle opening is taken as its input. Through these two part models, the ship speed and propeller speed change curve with the throttle position are analyzed.
Key words: propulsion system; linear model; MATLAB/Simulink
目 录
第1章 绪论 1
1.1 研究目的及意义 1
1.2 船舶推进动力装置系统综述 2
1.2.1 蒸汽轮机推进动力装置 2
1.2.2 燃气轮机推进动力装置 2
1.2.3 电力推进动力装置 2
1.2.4 核动力推进动力装置 2
1.2.5 柴油机推进动力装置 3
1.3 柴油机仿真国内外研究现状 3
1.3.1 零维模型 3
1.3.2 平均值模型 4
1.3.3 线性变参数法 5
1.4 本文主要研究内容和技术路线 5
第2章 船舶推进装置数学模型 6
2.1船机桨模型 6
2.1.1 机桨模型 6
2.1.2 船体航速模型 7
2.2增压柴油机的数学模型 8
2.2.1 柴油机本体计算模型 9
2.2.2 供油装置模型 10
2.2.3 进气管模型 11
2.2.4 排气管模型 12
2.2.5涡轮增压器模型 12
2.2.6 空气冷却器 13
2.2.7 集气器模型 14
第3章 推进系统仿真模型的建立 16
3.1 建模方法及建模工具 16
3.1.1 建模方法 16
3.1.2 建模工具 16
3.2 船机桨仿真 17
3.3 柴油机的仿真建模 18
3.3.1 发动机本体仿真 19
3.3.2 供油装置仿真 20
3.3.3 进气管仿真 20
3.3.4 排气管仿真 21
3.3.5 涡轮增压器仿真 21
3.3.6 空气冷却器仿真 22
3.3.7 集气器仿真 23
第4章 仿真结果与分析 24
4.1 船机桨仿真结果分析 24
4.2 柴油机的仿真结果分析 24
第5章 结论与展望 27
5.1 结论 27
5.2 展望 27
参考文献 28
致谢 30
第1章 绪论
本章部分主要是介绍船舶动力推进装置综述以及船舶推进装置仿真的研究意义,并就其仿真内容,介绍国内外的仿真研究现状以及他们所使用的研究方法及要点,对其仿真的技术路线进行相关介绍,并由此阐述论文的研究内容以及技术路线。
1.1 研究目的及意义
在当前的交通运输行业当中,船舶运输行业作为其一大支柱,带来经济效益的同时其影响越发受人关注。尤其在经济全球化的今天,海上运输是连接世界各国的一大重要途径。因而,在外界需求的推动下,船舶的性能需求从未中断过,而其中一大重点无疑是船舶的推进装置性能。这就使得船舶主机、传动设备以及螺旋桨的运行特性分析显得尤为重要。但是在传统的设计方案下,采用试验方法对船舶进行传动方案设计分析,其实验周期长,成本高,工作效率低,实行起来十分困难。
另外,对于船舶柴油机主机,虽然其热效率比汽油机更高,但是,在日益严峻的能源危机和环境污染问题这一大背景下,柴油机的油耗以及排放法规更加严格,人们对柴油机的各项性能指标也更加重视,从而不断推动柴油机的发展。直至今日,在其发展的一百多年以来,各项技术从新生走向成熟,如排气再循环技术(EGR)、高压共轨技术、涡轮增压技术以及柴油机的电子控制技术等。多种技术的融合使得柴油机系统日益完备的同时,其系统更为复杂,各类零部件的组装匹配也更为繁琐。并且多工况多参数的试验较为困难,临界工况下的试验不易进行等诸多不利因素对柴油机的试验研究造成许多阻碍,上述各类不利因素使得基于试验的柴油机开发研究这一传统技术手段难以进行。
基于以上的分析,船舶推进装置的计算仿真分析则显得尤为必要。伴随着计算机的发展,高效率、低成本的计算仿真技术已经在各种场合被越来越多的研究者加以运用。例如国外的Tadros M等人[1]利用对船用柴油机的仿真来计算氮氧化物和二氧化碳的排放,这对污染物的排放控制有着重大意义。由此可见,在柴油机的研发设计中,这类借助于仿真模型对柴油机的各类参数进行优化分析从而得出设计思路和设计方案的技术路线已成为柴油机设计优化的重要途径。
而对于本人来说,选择此课题是为了对大学生活的一个总结,在不断完成毕业设计的同时,进一步了解相关专业知识,学会对大学四年学到的知识灵活运用。在进行毕业设计的同时,能够让我初步接触计算机仿真这一技术手段,学习多种建模方法,从而对柴油机工作过程等专业知识有着更深的了解。此外,在仿真过程中得以学习MATLAB等仿真工具,对自己综合能力的提升有着很大的帮助。因此,希望借助此次的毕业设计,能够完成大学生涯的最后一次学习。
1.2 船舶推进动力装置系统综述
对于船舶动力装置,其主要任务是为船舶提供各种能量和使用这些能量,用以保证船舶的正常航行,确保其安全;并能够保障人员的正常生活,在此基础上能够完成各项作业等。作为船舶的心脏部位,船舶推进动力装置可谓是重中之重。对于现代船舶,其推进装置主要有柴油机推进动力装置、燃气轮机推进动力装置、电力推进动力装置、蒸汽推进动力装置以及核动力推进动力装置[2]。
1.2.1 蒸汽轮机推进动力装置
蒸汽轮机推进动力装置作为一种大型动力装置,其主要原理是通过以锅炉产生的蒸汽为工质,利用高温高压的蒸汽膨胀做功。具体来说,从锅炉出来的高压过热蒸汽通过喷嘴喷射到叶轮叶片上带动其旋转,即将工质的内能转化为动能,然后在转化为机械能。对于蒸汽轮机,其产生的功率大,叶轮转速稳定,运行可靠,曾在船舶当中广泛应用。但其质量尺寸大,燃油消耗率高,经济性差,所以逐步被取代。
1.2.2 燃气轮机推进动力装置
燃气轮机推进动力装置是以连续流动的气体为工质来带动叶轮高速旋转,是一种将燃料的能量转化为有用功的内燃式动力机械。燃气轮机尺寸质量小,单机功率大,并且就有良好的机动性,因而在水面舰艇中的应用较为广泛。但是其燃油消耗量大,燃气温度高,导致叶片所需材料要求高,造价昂贵且寿命短。另外,燃气轮机进、排气管尺寸大,难以布置。
1.2.3 电力推进动力装置
船舶电力推进系统装置一般是指电动机驱动螺旋桨来推动船舶运行的动力装置。电力推进装置操作灵活,机动性能好,特别适用于对机动性能要求高的船舶,如渡轮、拖船以及破冰船等。但其质量较大,存在中间损耗,且其维护需要较高水平的电气维护人员。
1.2.4 核动力推进动力装置
核动力装置是以原子核裂变所产生的巨大热能,通过工质推动汽轮机或燃气轮机的一种动力推进装置。核动力推进装置能以极少的燃料放出巨大的能力,续航力强,功率大,且不消耗空气,对潜艇有重大意义,一般用于军用。
1.2.5 柴油机推进动力装置
柴油机作为现代社会最为普遍的动力推进装置,无论在车辆还是船舶上都发挥着重大作用。现今,在船舶行业当中,所有的内河船舶以及沿海的中小型船舶中都是采用柴油机作为船舶推进的主机。而在远洋民船中,吨位大于2000 t的船舶有98%以上使用柴油机作为其主机。
对于柴油机而言,其不仅是热效率最高的热机,它的油耗率还要比蒸汽、燃气动力装置低得多,这就使得船舶的续航能力大幅度提升。同时,柴油机的质量较轻,具有良好的机动性。目前,在中大型民用船舶上所使用的柴油机主要有两大类,分别是大型低速柴油机和大功率中速柴油机。
1.3 柴油机仿真国内外研究现状
对于船舶动力装置的仿真,国内外都对其有大量的研究,在船舶螺旋桨推力与转矩的仿真中,张永三[3]利用MATLAB这一工具对船舶螺旋桨推力和扭矩计算模型进行仿真,以实现螺旋桨性能研究。而丁小强[4]则是对四桨推进的大型船舶进行了船舶航行阻力特性和螺旋推进特性的介绍,并对船机桨的匹配问题进行分析,最后在这些基础上对船舶的油耗进行了理论计算预测。现如今,随着智能船舶和智能柴油机理念的提出,各类新型船舶推进系统,如LNG船舶推进系统等也日益发展起来,对于其性能的分析优化,计算机仿真技术也有着很大的优势[5]。
而在船舶动力装置仿真中,一大主要部分则是对船舶主机也就是增压柴油机的仿真模拟,以下则是通过不同的研究方法重点介绍了增压柴油机的仿真研究现状。
1.3.1 零维模型
零维模型中的容积法又称充排法。在对大型低速柴油机工作过程建模与仿真中,王海燕和张均东等人[6]采用容积法建立了大型低速柴油机缸内工作过程的仿真模型,利用实测示功图对不同负荷下Vibe燃烧放热规律进行了数值模拟,并进行台架试验,将所得的试验数据与仿真所得结果进行数据对比,结果显示这两者基本吻合。因此,明确了这一计算仿真模型具有良好的精确度,可用于船舶推进系统的动态仿真。而在杨国豪的低速智能柴油机工作过程的建模与仿真研究中[7],则是对相关的容积法模型进行改进,其将柴油机的工作过程划分成在工况发生改变下的喷油和排气正时的动态变化,并以此建立了智能柴油机的数学计算模型,从多方面对智能柴油机的各性能方面进行了仿真研究分析。
在国外研究中,Cong Guan, Gerasimos Theotokatos和Hui Chen这一研究小组则是采用零维模型来分析二冲程增压柴油机[8]。在研究中,通过使用在MATLAB /Simulink构建的模块化零维发动机模型,研究了不使用涡轮增压器的情况下,大型二冲程船用柴油机的运行特性。并且在10%到50%的负荷下,全面研究了涡轮增压器停止运行时,缸内参数的变化,从而得出在部分负荷下涡轮增压器和鼓风机的最佳持续运行时间,以节省燃料消耗以及排放。
1.3.2 平均值模型
柴油机的平均值模型也是基于准稳态的非线性模型,在平均值模型中,将增压柴油机划分成了涡轮增压器、中冷器、进气管、排气管和缸内工作过程等多个仿真模块。对于柴油机中较为复杂的工作过程,平均值模型采用经验公式来计算,而对于较为简单清晰的物理过程则是用其相应的数学公式来表示。对于平均值模型,其重点是用柴油机工作过程中各状态参数的平均值来描述柴油机的运行特性[9]。
国内研究中,李瑞雪[10]为了提高模型的控制系统开发效率,对DEUTZ-BF6M1015型涡轮增压柴油机进行了仿真,用以研究平均值模型的理论建模。研究过程中,采用MATLAB/Simulink工具建立增压柴油机的仿真模型,将仿真结果和柴油机实验数据进行对比,以确定平均值模型的稳态工况仿真精度。另一方面,为了提高平均值模型对于动态工况的仿真精度,通过恒转速增扭的动态工况校核实验,来分析柴油机的典型参数对柴油机的动态影响。
同样是平均值模型,梁磊等人[11]则是通过这一模型对增压柴油机进行瞬态过程的仿真分析。研究过程中,对柴油机、废气涡轮增压器搭建了相关的热力学及动力学子模型,并将仿真结果与校核试验进行对比,明确该模型可以满足仿真所需要的实时性和精度,从而得出平均值模型可以方便快捷地对柴油机进行仿真模拟这一结论,
而王海燕等人[12]在对大型船用柴油机的建模与动态仿真中则考虑到平均值模型的缺陷,他们指出Hendricks所提出的平均值模型没有考虑动态过程中气缸的进气量与增压器压气机中空气流量的差别,这就使得模型中空燃比的计算存在一定的误差,所以作者提出动态平均值模型,通过动态平均值模型对柴油机进行仿真,其结果与实验数据进行比较从而确定其有更好的精度。
国外的Balding F等人[13]也认识到平均值模型以及零维模型的缺陷,他们则是将平均值模型和零维模型进行组合,并将此组合模型应用于大型四冲程船舶柴油机上。在仿真过程中,运用MATLAB/Simulink建立了一个平均值—零维组合模型,这一模型结合了平均值模型和零维模型的优点,使得其在较短的时间内得出发动机的性能参数,并且这一模型可以用于无法使用平均值模型的情况。
1.3.3 线性变参数法
在王海燕和张均东等人[14]的另一项研究中,以平均值模型作为为基础,对增压柴油机的各个子模型进行简化从而得到关于柴油机转速、排气管压力、压气机功率以及扫气压力这四个变量的状态空间模型,利用此模型进行仿真分析,并将仿真结果和平均值模型进行对比,明确模型的准确性与简单性,表明其可直接用于基于仿真模型控制算法的优化分析。
1.4 本文主要研究内容和技术路线
本文的主要仿真对象主要是6L16/24型船用中速柴油机,为了实现对船舶推进系统的仿真分析,根据柴油机的工作过程原理和船舶船机桨推进原理,利用MATLAB/Simulink软件建立满足仿真要求的系统仿真模型。

图1.1 推进装置仿真技术路线图
在本次对船舶柴油机推进装置的仿真中,对于柴油机的仿真模拟则是采用线性仿真模型。相较于容积法,虽然其模型精度高,但是模型较为复杂,实时性较差;而对于准稳态模型而言,虽然其实时性较好,但其建模精度取决于实验数据的多少,要想的到高精度则需要大量的试验数据[15]。因而本文采用线性化模型对柴油机进行仿真模拟,运用其实时性好、模型较为简单的优势进行研究分析。线性化模型主要是依据柴油机各子模块的边界条件及其仿真计算公式,对其计算模型进行线性化处理,得出其传递函数,进而在MATLAB/Simulink当中搭建起仿真模型。而对船舶航行仿真则是根据船舶推进的传动原理及计算公式,搭建船机桨的仿真系统,并与柴油机的仿真模型相结合,得出整个船舶推进装置的仿真模型[16]。
第2章 船舶推进装置数学模型
2.1船机桨模型
船机桨的工作过程主要是由主机通过传动装置带动螺旋桨旋转,进而产生推力。因而,在船机桨的推进原理中,由螺旋桨做回转运动产生推力,再由推力轴承承受螺旋桨产生的推力,进而推动船舶航行。
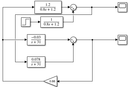
从船舶总体工况来看,当船舶处于稳定的航行工况时,其主机和螺旋桨都是处于相应的平衡工况点。而船舶位于一定航速时,对于主机、螺旋桨和船体这三者来说,它们之间有一定的平衡关系,即运动平衡、动力平衡和能量平衡,这三者则是按照自身的运行特性曲线,即船体有效马力曲线 、螺旋桨推进特性曲线和主机外特性曲线在稳定工况下运行。因此,在研究船舶的推进装置时,这三者的关系是需研究的重点[17]。而在船舶的仿真研究中,主要是讲其分成机桨模型和船体航速模型两大部分,具体的船机桨模型如图2.1所示。

以上是毕业论文大纲或资料介绍,该课题完整毕业论文、开题报告、任务书、程序设计、图纸设计等资料请添加微信获取,微信号:bysjorg。
相关图片展示:









