10000Nm3h螺纹槽管空气预热器设计毕业论文
2020-04-15 20:23:29
摘 要
在各种换热设备中,管壳式换热器有着不可比拟的优点,因此应用最为普遍。此次设计的是螺纹槽管预热器,它是管壳式换热器的一种,不同于其他的管壳式换热设备,它核心的交换热量的器件由光管换成了螺纹槽管,螺纹槽管对比于光管有着更好的换热能力,能有效加强换热。设计一款管壳式换热器包含热力、结构以及强度设计计算。根据原始数据,先进行热力计算,然后根据计算的内容对螺旋槽管进行选择,包括对根数的计算以及管径壁厚的选择。之后依据标准对支座、管箱、法兰、接管、拉杆、定距管等其他部件开始结构设计和强度计算。在所有计算工作做完之后,最后用AutoCAD画好总装配图,以及各个零件图。
关键词:管壳式换热器 螺纹槽管 设计
Design of Heat Exchanger with Threaded Groove Tubes
Abstract
Among various heat exchange equipments, shell-and-tube heat exchangers have incomparable advantages, so they are most commonly used. This design is a threaded tube preheater, which is a type of shell-and-tube heat exchanger. Unlike other shell-and-tube heat exchangers, the core heat exchange device is replaced by a light pipe. The tube and the threaded groove tube have better heat exchange capacity than the light pipe, and can effectively enhance heat exchange. Design a heat exchanger for the shell and tube containing thermal design, structural calculations and density.According to the original data, the thermal calculation is performed first, and then the spiral groove tube is selected according to the calculated content, including the calculation of the number of roots and the selection of the wall thickness of the pipe diameter. The structural design and strength calculations are then started according to the standard for other components such as bearings, pipe boxes, flanges, nozzles, tie rods, and distance pipes. After all the calculations have been done, finally draw the total assembly drawing and each part drawing with AutoCAD.
Key Words: shell-and-tube heat exchanger;Threaded grooved pipe;Design
目录
摘 要 I
Abstract II
目录 III
第一章 绪论 1
1.1 1
1.2 螺纹管 1
1.3 螺纹槽管壳式换热器 2
1.4 设计主要流程 2
第二章 热力计算 4
2.1 物性参数和传热量 4
2.1.1 传热量 4
2.1.2 4
2.1.3 4
2.1.4 5
2.1.5 流程安排 5
2.2 5
2.2.1 5
2.3 5
2.3.1 5
2.3.2 5
2.3.3 6
2.3.4 管束相关参数 6
2.3.5 壳体内径的确定 7
2.4 7
2.5 接管 8
2.5.1 8
2.5.2 9
2.6 拉杆 9
2.7 其他主要附件 9
第三章 换热器的热量校核 11
3.1 11
3.1.1 壳程对流换热系数 11
3.1.2 11
3.1.3 污垢热阻和管壁热阻 12
3.1.4 12
3.1.5 12
3.1.6 12
3.1.7 13
3.2 13
3.2.1 13
3.2.2 14
第四章 结构设计 16
4.1 16
4.2 管板结构设计 16
4.2.1 管子在管板上的排列 16
4.2.2 16
4.2.3 管孔表面粗糙度 16
4.2.4 管板上布置拉杆孔直径 16
4.2.5 17
4.2.6 管板的厚度 18
4.2.7 换热管与管板的连接 18
4.2.8 容器法兰(JB/T4700-4707-2000) 18
4.3 壳体直径的确定(查GB151-2014) 19
4.4 折流板结构设计(查GB151-2014) 19
4.5 拉杆及定距管 20
第五章 其它零部件的选择和布置 21
5.1接管的结构设计查《钢制管法兰、垫片、紧固件》 21
5.2 接管法兰 21
5.3 支座 22
5.4管箱 23
第六章 强度计算 25
6.1 热交换器所受的应力 25
6.1.1 压力引起的轴向力 25
6.1.2 壳侧截面积 25
6.1.3 25
6.1.4 25
6.1.5 管侧应力 25
6.2 温差应力 26
6.2.1 26
6.2.2 26
6.2.3 26
6.2.4 壳侧热流量及热流密度 26
6.2.5 管壳内壁温 26
6.2.6 管侧轴向力 26
6.2.7 27
6.2.8 27
6.2.9 27
6.3 拉脱力 27
6.4 许用应拉脱力 27
第七章 换热器主要结构尺寸和计算结果汇总 29
7.1 工艺参数汇总 29
7.2 物性参数汇总 29
7.3 结构参数汇总 29
第八章 结论 31
参考文献 32
致谢 34
第一章 绪论
1.1
。管壳式换热设备的优点有很多,其中制做简单,维修方便是其主要优点。但缺点也很明显,这里管式空气预热器的缺点也文献[1]在中被详细的提出,其中光管的传热系数比较低, 因而其所需要的传热面积就比较大,投资也就非常大是其最主要的缺点。当今一次能源的价格普遍上涨以及化工的飞速发展,使得换热器的投资比重不断加大,因此对换热器进行了大量的研究和技术升级。随着科技的进步,换热器一直在进行技术升级,一些高效的交换热量的设备不断出现。因此设计和选用的是否得当,对生产设备和操作费的降低都有很大的影响。但无论是哪种换热器,强度高、流动阻力小、传热效率高,低制造成本、安装便利仍然是判断换热器性能的标准。
随着传热技术的飞速进步,它的应用领域得到了极大的拓展。其中利用热交换器将多余的热量回收起来,可以为公司带来了巨大的经济效益。热交换广泛用于国民经济和工业生产。但随着新技术,新材料,新技术的发展,以及能源危机的不断出现,世界各国都想拥有一个有效和全面的石化工业。从这可以看出热交换器面对着严峻的挑战。换热器在能效、可靠性以及整个工厂的运作经济性中起着重要的角色。有时候甚至起着决定性的作用。
为了适应不同的工作环境和要求,还开发出了不同类型的换热器,它们有着各自的优势。本次设计的螺旋槽管换热器是一台非常高效的换热设备,它的核心器件螺纹槽管起着非常重要的作用。螺旋槽管是国际上公认的高效强化传热元件,其加工简单,强化效果显著而被广泛使用[2]。它不仅加工制作方便减少了投资,而且使传热效果明显提高,促进了锅炉稳定燃烧,提高了锅炉效率[3]使机组运行安全可靠,综合效益明显,而且维护方便,安全可靠。在文献[4]中和西北某热电厂8号锅炉[5]以及牡丹江第二发电厂100MW锅炉[6]中的空气预热器进行的改造应用过程中,实际证明了螺旋槽管换热器具有实际的非常好的应用效果。
1.2 螺纹管
螺旋槽管是一种传热性能好、积灰轻、漏风小、管壁温度高、占空间小的传热元件[7]。螺纹管的制成是在其外表面压制成螺旋槽,管内形成了螺旋线,破坏流动边界层,增强传热效应[7]。另外对于螺纹管的研究主要集中在对于螺纹管槽距的确定,对于螺纹管槽距的确定在文献[8]中做了比较详细的实验来进行模拟和推算,基于数值模拟理论对不同间距做出模型。除了对螺纹管槽距的研究,还有对螺纹管内流体流型的研究也比较重要,流体在管内流动,螺纹的哪些特性会对流体的流动换热存在影响,这是我们值得关心的问题。所以在文献[9]中主要研究了内螺纹的微通道对于气流泰勒流的影响,并做了详细的实验研究分析,实验表明螺纹的存在会加强管内扰动,增强传热。
以上是毕业论文大纲或资料介绍,该课题完整毕业论文、开题报告、任务书、程序设计、图纸设计等资料请添加微信获取,微信号:bysjorg。
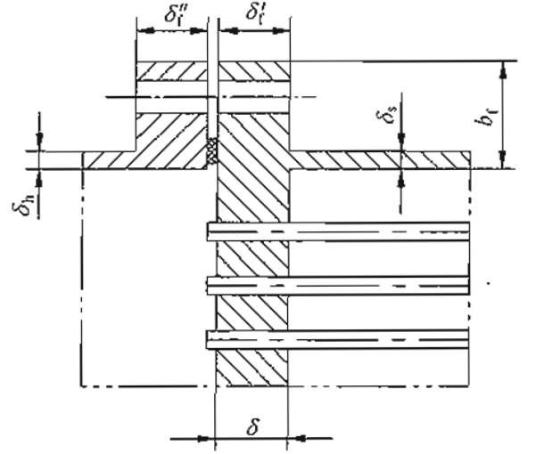
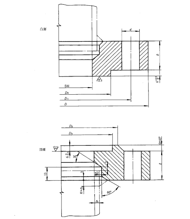
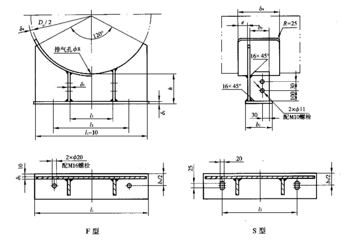
相关图片展示:







        
            
