表面涂层技术在船舶柴油机排气阀座制造中的应用研究毕业论文
2020-02-13 20:06:00
摘 要
本文主要介绍了利用热喷涂技术在船舶柴油机排气阀座制造过程中在其锥面和内孔面喷涂相应的涂层来提高排气阀座的使用性能。首先指出了排气阀座在工作过程中常出现的失效形式并分析了它的失效机理,然后制定了排气阀座的制造工艺,最后重点介绍了本次设计的排气阀座两个关键部位的两种耐磨防腐涂层的制备过程,确定两种涂层的使用材料、涂层结构、两种制备工艺、工艺过程参数及排气阀座锥面涂层的加工方法及参数。制备出的涂层增强了排气阀座在恶劣环境下的耐磨性和防腐性,大幅度的提高了排气阀座的使用寿命。
关键词:排气阀座;失效机理;排气阀座制造工艺;热喷涂技术;涂层设计及制备
Abstract
This paper mainly introduces the application of thermal spraying technology in the manufacture of exhaust valve seat of marine diesel engine by spraying the corresponding coating on its cone and inner hole surface to improve the performance of exhaust valve seat. This paper first points out the common failure forms of the exhaust valve seat in the working process and analyzes its failure mechanism, and then formulates the manufacturing technology of the exhaust valve seat. Finally, the preparation process of two kinds of wear-resistant and anticorrosive coatings in the two key parts of the exhaust valve seat is introduced, and the use materials, coating structure and two preparation processes of the two coatings are determined. Process parameters and processing methods and parameters of conical coating for exhaust valve seat. The prepared coating enhances the wear resistance and anticorrosion of the exhaust valve seat in harsh environment, and greatly improves the service life of the exhaust valve seat.
Keywords: exhaust valve seat; failure mechanism;exhaust valve seat manufacturing process; Thermal spraying technology; Coating design and preparation
目 录
第1章 绪论 1
1.1 引言 1
1.2 表面涂层制备目的及意义 1
1.3 耐磨防护涂层的国内外研究现状 1
1.4 本文的主要研究内容 2
1.5 本章小结 3
第2章 排气阀座失效机理分析 4
2.1 柴油机排气阀座的结构 4
2.2 柴油机排气阀座常用材料 4
2.3 排气阀座的失效机理分析 5
2.3.1 磨损 5
2.3.2 腐蚀 5
2.4 本章小结 6
第3章 柴油机排气阀座制造工艺制定 7
3.1 排气阀座的技术要求 7
3.1.1 位置精度 7
3.1.2 表面粗糙度 7
3.2 排气阀座制造工艺的制定 8
3.2.1 排气阀座制造工艺流程 8
3.2.2 零件表面预处理 8
3.2.3 喷涂 9
3.3 本章小结 9
第4章 排气阀座防腐耐磨涂层设计 10
4.1 涂层总体要求 10
4.2 涂层材料的选择 10
4.2.1 铁基合金 10
4.2.2 镍基合金 10
4.2.3 钴基合金 11
4.2.3 涂层采用的材料及其组成成分 11
4.3 涂层结构设计 11
4.4 本章小结 12
第5章 排气阀座涂层制备工艺的制定 13
5.1 热喷涂原理及特点 13
5.1.1 热喷涂原理 13
5.1.2 热喷涂特点 13
5.2 热喷涂方法 13
5.2.1 火焰喷涂 13
5.2.2 电弧喷涂 14
5.2.3 等离子喷涂及喷熔 14
5.2.4 爆炸喷涂 15
5.2.5 超音速火焰喷涂 15
5.2.6 冷喷涂 16
5.3 喷涂工艺过程参数 16
5.3.1 等离子喷熔过程参数选择 16
5.3.2 超音速火焰喷涂过程参数选择 16
5.4 本章小结 16
第6章 排气阀座涂层加工方法及参数的选择 18
6.1 制造成品排气阀座技术要求 18
6.2 车削加工参数确定 18
6.3 磨削加工参数确定 18
6.4 本章小结 19
第7章 结论 20
致 谢 21
参考文献 22
第1章 绪论
1.1 引言
排气阀座作为柴油机的关键零部件之一,在使用中,它的下沉量大小直接影响发动机性能。排气阀-排气阀座是柴油机中工作环境最恶劣苛刻的一对摩擦副,其中排气阀座受到的损害是复杂而恶劣的,首先在机器运行过程中排气阀头部的热量无法通过阀杆和导管传走,只能经过排气阀座进行冷却。通过阀座合锥面的散热量大约占总热量的75%,显然阀座要受炽热燃的高速吹刷,强烈受热。其次,排气阀座还要遭受来自于排气阀对其合锥面的冲击负荷。另外,排气阀座在高温下还会受到腐蚀性介质的腐蚀[1]。
排气阀座在机器运行中无时无刻都在被磨损和腐蚀,磨损和腐蚀是机械零件劣化和失效的主要原因,也是工业材料和能源损失的主要原因之一,材料的磨损实际上是由于机械作用或伴随一定的化学作用,使材料接触面不断损耗的现象,它将直接影响机器零件的功能稳定性和使用寿命。腐蚀和磨损不仅严重影响零件的使用性能,还降低了零件的使用寿命,造成难以估计的经济损失,并且在许多情况下,磨损和腐蚀造成的损坏是不容易被察觉的,因此,一些设备发生故障具有突发性,危险性极大,所以有效地控制和防止腐蚀与磨损是非常重要的[2]。
1.2 表面涂层制备目的及意义
现如今提高材料耐腐蚀性和耐磨性的方法有很多,主要包括对金属进行表面改性、通过添加合金元素来改善金属的性质、电化学保护、改善材料腐蚀环境以及表面润滑等。其中,表面涂层技术,即通过一定的工艺在材料表面获得具有良好和特定特殊性能的金属陶瓷涂层,是现如今材料防护技术的一个热点研究课题[3]。
表面涂层技术是表面工程技术中表面改性的重要手段。它采用特殊工艺在基体材料表面制备具有特殊电学、化学、光学、热学和机械性能的保护涂层,能实现各种表面的功能需求,在实际工程应用中,起到绝缘保护、抗摩擦耐磨损、耐腐蚀耐热、装饰和信息传递等作用,从而提高了产品的质量,降低了生产成本,减少资源和能源消耗,延长了产品的使用寿命[4]。
1.3 耐磨防护涂层的国内外研究现状
对于提高零件的防腐耐磨性能的途径很多,目前国内外的研究热点是运用表面涂层技术在零件的生产制造中利用相关具有耐磨损和耐腐蚀性能的材料在零件表面制备相应的涂层已达到提高零件在使用过程中能耐磨防腐的效果。
张英平等[5]以酚醛改性环氧树脂为基材,加入固体自润滑材料、硬质耐磨材料和添加剂,研制出一种耐磨防腐涂层。该涂层除具有良好的耐腐蚀性外,还具有优异的耐磨性、水润滑性和自润滑性,是抽油杆管等在恶劣腐蚀条件下工作的零件的一种理想的耐磨防腐涂层涂料。Klyatskina等人[6]采用悬浮等离子喷涂技术对Al2O3/TiO2陶瓷涂层进行了加工,研究了涂层成分对其摩擦学性能的影响。通过实验对比表明,添加了二氧化钛涂层的耐磨性明显要强于纯氧化铝陶瓷涂层,加入40% TiO2(W)后,干滑动耐磨性能提高2.6倍。分析表明,加入二氧化钛相有细化晶粒的作用,可获得具有较好的致密性和延展性的涂层,试验结果为提高材料的抗摩擦磨损性能提供了参考。肖一德等[7]采用热喷涂技术研究了Zn85Al耐腐蚀涂层在我国大气和水环境中对钢结构的防护性能。实验表明,热喷涂Zn85Al涂层具有较高的耐腐蚀性和较高的阴极保护性,由于添加了铝,硬度也明显高于镀锌表面,具有良好的表面保护性。Girolamo等人[8]在不锈钢基材上制备了以部分钇稳定氧化锆(YSZ)和锆酸镧(LZ)为涂层材料的热障陶瓷涂层。通过研究发现,多层热障涂层的整体性能优于纯YSZ热障涂层,其特点是显微硬度增加,热膨胀系数降低。虽然LZ(5.4Gpa)的显微硬度略低于YSZ(5.9Gpa),但其高温稳定性较好,热膨胀系数为YSZ的86%。
目前对于耐磨防腐涂层的主要采用的制备工艺有[9-12]火焰喷涂、电弧喷涂、等离子喷涂、激光熔覆、冷喷涂等,其中对于排气阀座的耐磨防腐涂层的的制备其制备工艺主要取决于涂层材料的特性,对于陶瓷涂层,应采用等离子喷涂工艺来制备涂层;对于合金材料,虽然可采用的工艺方法有等离子弧喷熔、钨极氩弧焊、激光熔敷、手工电弧堆焊及氧乙炔等,但目前再生产实践中主要采用等离子弧喷熔和氧乙炔火焰喷熔工艺[13]。
1.4 本文的主要研究内容
本次毕业设计论文的主要内容包括以下几点:
(1)船舶柴油机排气阀座失效机理分析:通过查阅文献了解柴油机排气阀座的各种失效形式,由它的失效形式分析出它的失效机理;
(2)船舶柴油机排气阀座制造工艺制定:排气阀座在制造过程中在保证它的各种精度的情况下,选择合适的刀具及适合的机床工艺,制定相关的制造工序;
(3)排气阀座防腐耐磨涂层设计:由排气阀座的失效机理确定所设计的涂层需要拥有的性能,明确涂层所需特性后选择合适的材料及涂层的结构来制备设计的涂层;
(4)排气阀座涂层制备工艺的制定:在满足涂层的性能要求的前提下选择工艺较简单,成本较低的涂层制造方法;
(5)排气阀座涂层加工方法及参数的选择:涂层的加工过程影响涂层质量,根据涂层的材料和特性选择合适的加工方法,并正确的选择热喷涂工艺参数。
柴油机排气阀座工作环境恶劣,所以在制造过程中必须保证它能够耐高温高压并且能够抗腐蚀,利用表面涂层技术制备出具有耐磨防腐特性的涂层,不仅能使排气阀座能够更好的适应其恶劣的工作环境,还能提高制造出的排气阀座的质量,并且还能很大程度上延长其使用寿命。
1.5 本章小结
本章开始先说明了排气阀座工作环境恶劣,由此指出了其主要失效形式,并且分析了失效的带来的危害,说明了制备表面涂层的目的和意义,并阐述了耐磨防腐涂层的国内外研究现状和本文的主要研究内容。
第2章 排气阀座失效机理分析
2.1 柴油机排气阀座的结构
排气阀座是柴油机中结构较为简单的一种零件,其形状为圆筒形如下图2-1,2-2所示,其内孔面是具有一定弧度的光滑壁面,外圆面为阶梯状结构,其大端与小端上皆有凹槽,排气阀座内水腔还有具有密封作用的O形橡胶圈,其安装在气缸盖中,与排气阀组成一队摩擦副,不同类型的柴油机排气阀座形状结构都基本相似,当柴油机运行过程中,排气阀需不断吸收来自气阀的冲击负荷,当排气阀关闭时,排气阀座还起到密封的作用。
![C:\Users\杨学文\Desktop\毕业设计\排气阀座资料\D}SC]]NV%%OG176$ZO0`UHV.png](http://www.biyelunwen.org/wp-content/uploads/2020/02/lw198_202021320533370.png)
图2-1 排气阀座实物图 图2-2 排气阀座结构图
2.2 柴油机排气阀座常用材料
我国柴油机阀座材料基本上为铸铁,其中多数为QT60-2稀土镁球墨铸铁与CuCrMo铸铁,除了以上两种铸铁外,还有少部分排气阀座采用的是高铬铸铁。铸铁作为一种常用工业合金,它具有优良的铸造性可用于制成复杂的零件,一般具有良好的切削加工性、耐磨性和消震性,并且价格低等优点。这些优点使它广泛运用于各行各业。
球墨铸铁是一种高强度铸铁材料,它通过球化和孕育处理得到球状石墨,这有效的提高了铸铁的各种机械性能,并且由于是球石墨是球状,金属基体受到的割裂作用变小,这可以大幅度增加基体的利用率。球磨铸铁与灰铸铁相比强度和硬度更高,所以用球墨铸铁制造的阀座耐磨性会比灰铸铁制造的跟高。
CuCrMo铸铁是一种合金铸铁,在它的组织成分中加入适量的Cu、Cr、Mo合金元素,这些合金元素的加入后产生了一些硬度很高的硬性合金碳化物相,这些硬性相使它的耐磨性得到很大的提升,与稀土镁球墨铸铁相比,CuCrMo铸铁的耐磨性跟高。
高铬铸铁是高铬白口抗磨铸铁的简称,是一种性能优良而受到特别重视白口铸铁,它有比合金钢高得多的耐磨性,比一般白口铸铁高得多的韧性、强度,同时它还兼有良好的抗高温和抗腐蚀性能,加之生产便捷、成本适中,而被誉为当代最优良的抗磨料磨损材料之一,但其切削加工困难,铸造性能差,同时脆性较大,这导致它不适合用作高速增压柴油机阀座的制造材料[14]。
2.3 排气阀座的失效机理分析
2.3.1 磨损
尽管内燃机的不断发展和改进,零部件的磨损仍然存在,阀门和阀座插入件工作的环境非常恶劣。在气缸内燃烧时,部件表面的温度可达500摄氏度左右。当阀门关闭后,在燃烧过程中产生第二负载时,阀门与阀座之间的座合面会受到初始冲击,使之产生压缩应力、弯曲应力和热应力,排气阀座是气缸盖上最容易磨损的部位[15]。排气阀座主要的磨损类型有:微动磨损、腐蚀磨损、磨料磨损、粘着磨损。
(1)微动磨损:由于柴油机运作产生的爆发压力,使气缸盖底部和阀门受到弹性变形,这种弹性变形造成阀座盘工作表面和阀座之间的“摩擦运动”。在爆炸压力作用下,阀门对阀座的压力可达50MPa,由此引起排气阀与阀座之间的微动摩擦[13]。
(2)腐蚀磨损:燃料的化学成分中含有大量的硫、钒钠等元素,燃烧产生的氧化物和这些氧化物形成的聚合物的熔点较低,一般在535℃左右,具有很强的腐蚀性。它能引起硫腐蚀,形成腐蚀磨损。当排气阀工作时,由于排气温度非常高,它们以液态附着在阀盘和阀座上,腐蚀气阀,造成阀面点蚀,密封性能恶化,造成漏气,严重时火焰通过,使阀座局部过热从而产生变形[13]。
(3)磨料磨损:柴油机工作在工作中时,燃烧产物、吸气灰尘等形成磨料,由此产生磨料磨损[13]。
(4)粘着磨损:排气阀座与气阀是一对工作条件恶劣的摩擦副,当机器在运行过程中,这两摩擦副不断相对运动,当出现以下情况时:当缸盖硬度和强度不满足要求;气阀与阀座硬度相差太大;气阀弹簧刚度达不到要求,使排气阀快速落阀,或气阀落阀后再次弹起,导致气阀与阀座拍击力增大;转阀机构不灵活,导致排气阀局部过热。
排气阀座则将会出现摩擦表面由于粘着现象而产生物料转移从而出现粘着磨损[16]。
2.3.2 腐蚀
柴油机运转时,燃烧室中的高温高压燃气直接会与排气阀座相接触,燃气中某些低熔点成分熔化并附着在其金属表面,在高温的作用下发生化学作用使排气阀座表面受到损坏而发生化高温腐蚀,并且当排气阀座与流动水流接触时还会发生穴蚀。
(1)高温腐蚀:当柴油机运行时,排气阀座会直接与燃烧室中的高温高压燃气直接接触,燃气燃烧时会产生高温,在高温的作用下,燃气中某些低熔点并且具有强氧化性的物质会熔化并且附着在排气阀与排气阀相接触的座合表面,这些物质会与排气阀座的座合表面的成分发生化学作用,从而会破坏排气阀座的座合面,这就导致了排气阀座产生高温腐蚀,随着高温腐蚀的不断发生,排气阀座座合面上逐渐产生大小不一的凹痕,当排气阀座表面越来越多的成分参与化学反应,这些凹痕会变得越来越大,最终会产生漏气,当漏气严重时,还会导致排气阀座的烧损[17,18]。
(2)穴蚀:穴蚀是零件与液体相对运动所产生的表面损伤,通常发生在气缸套上,通常,在闭式循环淡水冷却的柴油机中穴蚀由空泡腐蚀引起, 而在开式海水冷却的柴油机中则多由电化学腐蚀引起。气缸盖排气阀座穴蚀比较罕见,但其形成机理与气缸套相同,在比较严重的情况下,会直接导致气缸盖在镜面磨损比较小的条件下而被击穿,从而引起缸盖漏水,造成机器损坏,影响柴油机的寿命和可靠性[19]。
2.4 本章小结
本章先介绍了排气阀座的结构和采用材料,分析了排气阀座的主要失效形式及失效机理,对于其失效机理的分析为后文涂层设计提供理论基础。
第3章 柴油机排气阀座制造工艺制定
3.1 排气阀座的技术要求
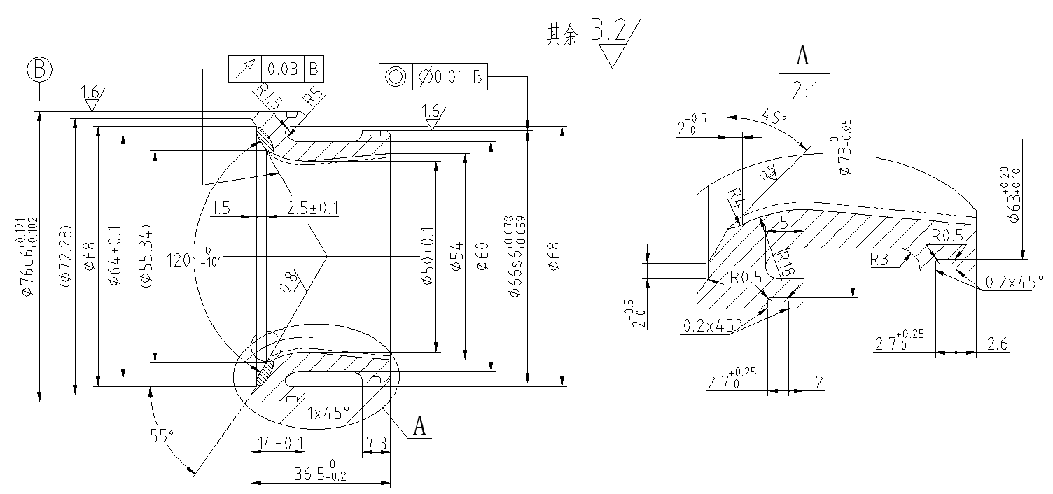
柴油机排气阀座相对于其他零件来说,结构比较简单,但其工作环境恶劣,为了保证它在的工作中能够起到正常的作用,所以在制造过程中必须满足它各个方面的技术要求,本次制造的排气阀座为160型柴油机排气阀座,其零件图如下图3-1所示。
![S27P`L7ZZBXKRJ`~]`[IBK2](http://www.biyelunwen.org/wp-content/uploads/2020/02/lw198_202021320533383.png)


