并联电池组中不一致电池内部电流分布规律的研究毕业论文
2020-04-12 09:01:20
摘 要
动力锂离子电池具有工作电压高,比能量高,充放电效率高,使用寿命长的优点。目前,它们被广泛应用于电动车领域。本文以磷酸铁锂电池为研究对象,对单体电池和并联电池组仿真模型进行研究。主要的工作如下:
(1)介绍电动汽车的发展趋势和电动汽车的动力电池的要求,动力锂离子蓄电池工作原理、结构和组成。
(2)选取单体电池Thevenin等效电路模型,并识别电池模型参数,通过Matlab/Simulink平台搭建单体电池Thevenin等效电路仿真模型。
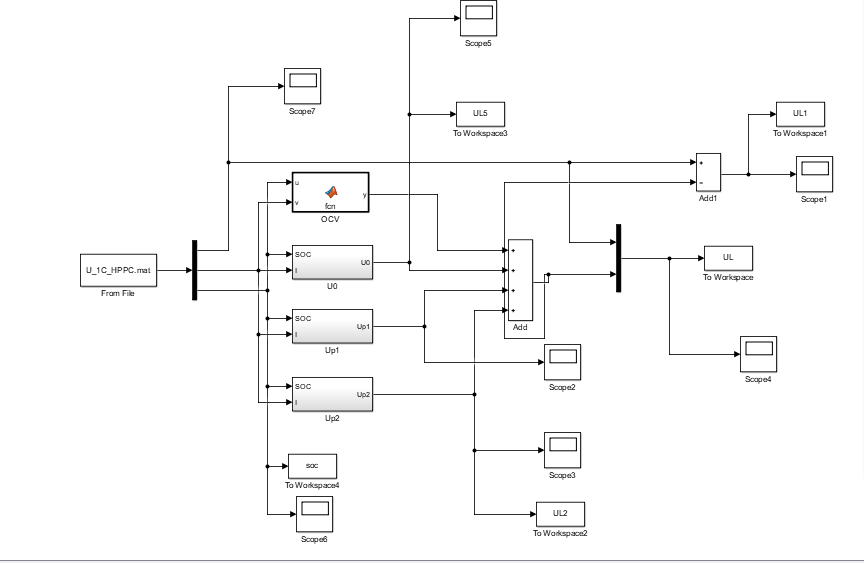
(3)分析了并联电池组的基本等效电路,根据单体电池的Simulink仿真模型和并联电池组的等效电路拓扑结构建立并联电池组仿真模型,通过识别并联的电池参数完成并联支路的欧姆内阻差异、并联支路起始SOC差异、并联支路容量差异的仿真分析。充电初期都是由不一致因素引起不平衡电流,充电末期都是多种因素耦合导致并联电池组支路电流不平衡。
关键词:锂离子电池;等效电路模型;单体电池;并联电池组;Matlab/Simulink;仿真模型;不一致
Abstract
Power lithium-ion batteries have the advantages of high working voltage, high specific energy, high charge and discharge efficiency, and long service life. At present, they are widely used in the field of electric vehicles. This paper uses lithium iron phosphate battery as the research object, and studies the simulation model of single battery and parallel battery. The main tasks are as follows:
1) The development trend of electric vehicles and the requirements of electric vehicles for power batteries are introduced. The working principle, structure and composition of power lithium ion batteries are introduced.
(2) The Thevenin equivalent circuit model of the single cell is selected, and the battery model parameters are identified. The equivalent circuit simulation model of the Thevenin cell is constructed through the Matlab/Simulink platform.
(3) Analyzed the basic equivalent circuit of the parallel battery, and established the parallel battery simulation model according to the Simulink simulation model of the cell and the equivalent circuit topology of the parallel battery, and the parallel resistance of the shunt was realized by identifying parallel battery parameters. Difference, parallel branch starting SOC difference, and the parallel branch capacity difference simulation analysis.In the initial stage of charging, unbalanced currents are caused by inconsistent factors. At the end of charging, the coupling of multiple factors causes the branch current of the parallel battery group to be unbalanced.
Keywords: Lithium-ion battery; equivalent circuit model; single battery ;parallel battery pack; Matlab/Simulink; simulation model;inconsistent
目录
第1章 绪论 1
1.1 前言 1
1.2研究的目的及意义 1
1.3国内外研究现状 2
1.4 研究内容 6
第2章 动力锂离子蓄电池 7
2.1概述 7
2.2锂离子蓄电池工作原理 7
2.3动力锂离子蓄电池的组成 9
2.3.1正极材料 9
2.3.2 负极材料 9
2.3.3 电解液 10
2.4本章小结 10
第3章 单体电池建模 11
3.1电池等效电路的工作原理 11
3.2电池模型参数识别 12
3.3单体电池模型仿真 14
3.4 本章小结 18
第4章 并联电池组建模与分析 19
4.1并联电池组建模 19
4.2并联电池组仿真分析 23
4.2.1并联支路内阻差异仿真分析 23
4.2.2并联支路起始SOC差异仿真分析 24
4.2.3并联支路容量差异仿真分析 25
4.3 并联电池组不平衡电流分析 25
4.3.1欧姆内阻和极化内阻不一致 26
4.3.2容量不一致 27
4.3.3初始SOC不一致 29
4.4本章小结 30
第5章 结论及展望 31
参考文献 32
致谢 34
第1章 绪论
1.1 前言
随着全球范围可再生能源的开发和应用,推动汽车电动化对于减少我国对传统能源的依赖、实现技术创新、自主品牌的实质性突破具有重大战略意义。电动汽车可以提高能源效率,降低对环境的污染,具有很大的经济和战略意义。动力电池作为电动汽车核心部件,也是发展电动汽车的技术瓶颈。蓄电池技术的研究成为电动汽车领域研究的核心之一,动力电池要求:高的功率密度、体积比能量、质量比能量;工作温度范围要宽;电池能够深度放电而不影响其寿命;安全可靠;寿命长;价格低等。常用的电动汽车动力电池有铅蓄电池、镍氢电池和锂离子电池,锂离子电池由于工作电压高、比能量高、循环寿命长、自放电率低、无记忆性、对环境无污染等优点,使得锂离子电池已成为主要的动力电池。
但在目前的电池制造技术条件下,动力锂离子电池的性能和寿命仍旧难以满足电动汽车的实际应用需求,尤其是单体电池串并联成组使用后,因为单体电池在生产、筛选成组、使用、维护等环节出现电池参数不一致,即电池组不一致性问题,由于电池的不一致性,大量电池串联和并联会使某个性能较差的电池制约整组电池的使用效率,如果管理不当,甚至会引起安全问题。同时,电池组的寿命影响因素较多,除温度,倍率,放电深度等影响单体电池的因素外,电池组还受到多因素的耦合作用。当复杂的外部环境及工况要求电池组使用在较宽的温度范围及充放电电流下时,电池的退化就会出现不一样的路径,进一步加重不一致的问题。
为了满足电动汽车容量需求,通常将单体电池并联使用,并联在一起的单体电池主要存在电流不平衡问题。但由于检测手段的缺失,并联电池组一般会当作一只大电池来处理,忽略其内部因电流不一致造成的衰退和安全问题。动力电池产量的大幅提高,对电池并联成组技术提出了新的挑战。
1.2研究的目的及意义
当电池并联连接时,支路电池内阻,SOC和容量差异将导致电池过充或过放电。对并联电池组准确建模,并且电池组的充电和放电特性精确地模拟以提供电池管理系统的电池组参数信息。有助于提高电池组的性能,使用效率,甚至延长使用寿命。
在本文中,实现了并联电池组建模和仿真分析。介绍并联电池组的拓扑结构。通过并联电池组建模完成并联支路内阻的差异,初始的SOC差异,电池容量的差异仿真分析。
1.3国内外研究现状
多电池组电池串联时提供高电压,并联时提供高容量,这为便携式电子设备提供了新的电源替代品。因此,提出了一种模拟方法来模拟具有并联和/或串联连接的电池系统的放电行为。使用所提出的模拟,可以在给定的放电电流下计算每个时间单元的电池组和单个电池的电压,放电容量和剩余容量。当串联电池中的其中一个电池的容量明显较低时,该电池在放电期间比其他电池更快地达到完全放电状态。并联两个不同容量电池的电池组的模拟电流分布表明,尽管电池组以恒定电流放电,但通过每个电池的电流既不是恒定的也不是与其容量成比例的。更高容量的电池承载更大的电流。在电压接近截止值的放电过程结束时观察到电流的显着变化。我们相信所提出的模拟方法可以扩展到任何数量和连接的任何容量的多个电池的电池组。
随着电子产品的便携性和功能性越来越强,单个电池不能再提供足够的能量。除了开发更高容量的新电池之外,智能管理电池组排列和使用的电池组也是一种替代方案。对于具有高功率密度和高能量密度的单个电池来说是一个巨大的挑战。因此,将高功率密度的电池并联连接至高能量密度的电池可以提供替代。这种布置在高功率放电期间比任何单个电池具有更好的放电性能和更高的放电效率。
多节电池组在电池串联时提供高电压,并联时并联时提供高容量。Fouchard和Taylor [7]研究了MOLICEL电池串联和并联放电行为。他们认为,在电池组的体积限制下,当电池串联连接时,可以实现更好的性能和更便宜的价格。但是,如果需要大的放电电流密度或更长的放电时间,电池可以更好地并联连接。 Schiffer等人研究了卫星上的并联电池组,并开发了一个软件程序来模拟在一个或多个电池性能不佳时对系统的影响。 Ban等人曾经提出,在放电过程开始时电池组的瞬时尖锐电压降会使整流器出现故障,甚至会在极端情况下停止整个电池组的功能。该团队还表示,当电池并联连接时,不仅电池组的寿命可能会延长,而且电压降更平滑可提高相邻电子元件的效率。
通常在并联电池组中,选择具有类似参数(类型,电阻和容量)的电池。对改进并联连接的不同类型电池的期望特性进行了研究。 Gan和Takeuchi将一个具有高放电能力的电池与并联的大容量电池连接起来;他们发现该连接具有比任何单个电池更好的放电性能和更好的放电效率。
以上是毕业论文大纲或资料介绍,该课题完整毕业论文、开题报告、任务书、程序设计、图纸设计等资料请添加微信获取,微信号:bysjorg。
相关图片展示:








        
            
