一种用于电磁搅拌的正交逆变电源设计毕业论文
2020-02-18 11:09:55
摘 要
本文主要研究设计了一种用于电磁搅拌器的正交逆变电源,随着时代的发展,传统的电磁搅拌用正交逆变电源其弊端和不足之处日益暴露出来,其主要的缺点问题包括电流的畸变率过大,直流侧的输出电压不平稳并且不易控制,电源功率因数低,精度要求不够。针对此问题本文的主要内容是研究设计了一种电路结构由电压型PWM整流器和两相三桥臂逆变电路构成的两相正交逆变电源,并对其组成结构和原理进行了阐述。
主要方法是在多种整流电路中进行对比选择最优化的电路结构,并对其改进,使用性能更好的功率管,用PWM控制技术对电路输出稳定控制。通过Matlab搭建仿真模型,分析波形图可以得出结论,选择此种电路能对输出电压进行平稳控制,达到预期目标。
关键词:电磁搅拌技术;连铸技术;整流电路;逆变电路;PWM
Abstract
The main purpose of this article is to develop and design a quadrature inverter power supply for electromagnetic stirring.With the development of the times,the drawbacks and shortcomings of the traditional electromagnetic stirring quadrature inverter power supply are increasingly exposed.The shortcoming problem is that the current has a large distortion rate,the output voltage on the DC side is not stable and is not well controlled,the power factor of the power supply is low,and the accuracy requirement is difficult to achieve high.The main content of this paper is to study and design a two-phase orthogonal inverter power supply with a circuit structure consisting of a voltage-type PWM rectifier and a two-phase three-bridge inverter circuit,and its structural composition is described.
The main method is to compare and optimize the circuit structure in a variety of rectifier circuits,and improve it.use a better performance power tube and use PWM control technology to control the output of the circuit stably.By using Matlab to build a simulation model and analyzing the waveform diagram,it can be concluded that this circuit can be used to smoothly control the output voltage to achieve the desired target.
Key words:electromagnetic stirring technology;continuous casting technology;rectifier circuit;inverter circuit;PWM
目 录
第1章绪论 1
1.1研究背景及其意义 1
1.2电磁连铸技术国内外研究现状 2
1.3变频电源国内外研究现状 3
1.4本文主要研究内容 4
第2章正交逆变电源的原理 5
2.1正交逆变电源的工作原理 5
2.2两相正交逆变电源的拓扑结构及其分析 6
2.3两相三桥臂逆变电路 7
2.4本章小结 10
第3章逆变电源设计方案及结构图 11
3.1主电路结构图 11
3.2PWM整流器数学模型建立 12
3.3电路设计和仿真结果 14
3.3.1三相PWM整流电路仿真设计图 14
3.3.2正交逆变电源仿真 15
3.4本章小结 17
第4章正交逆变电源装置设计 18
4.1直流侧电压设计 18
4.2滤波电感设计 18
4.3直流侧电容设计 19
4.4控制系统软件设计 19
4.5本章小结 20
总结 21
参考文献 22
致谢 24
第1章 绪论
1.1研究背景及其意义
在工业加工特殊钢材的领域内,连铸电磁搅拌技术一直扮演着重要的角色,其在加工过程中的不接触性,容易控制,调节范围广等特点,是提高钢材质量和成品率的重要条件。目前这项技术已经在国内外的冶金行业中得到广泛使用。
连铸技术,即为连续不间断的铸造,要实现这个过程对铸造技术要求非常高,在钢铁厂生产钢铁的过程中,模铸法和连续铸钢法是能够使铸造过程中钢水快速凝结成型的方法。连续铸钢法主要包括以下的几个步骤:先将装有精炼过的钢水送到回转台,回转台再将其送到固定的浇注位置,钢水被注入中间包,经过中间包后钢水在通过放水口到达下级装置结晶器中去[1]。结晶器是是使铸件成型的主要装置,结晶器里面的拉力机在对应震动装置的作用下使里面的钢水成型,然后输送出来,经过一段时间温度下降后,经过电磁搅拌,长度不一的版型就能成型了,连铸技术在节约资源,金属回收和提升铸件质量方面比传统方法要好得多[2]。
电磁搅拌技术是指在在电磁搅拌器的线圈中通以电流,利用电生磁的原理,产生交变磁场,钢水在磁场中产生感应电流,感应电流与原本就有的固定磁场相互作用,产生电磁力,电磁力是体积力,作用在钢水的体积单元上,可使钢水产生相对运动。其实质是通过在铸坯内产生洛伦兹力推动钢水运动,由此强化钢水的对流,传热和传质过程,从而控制铸坯的凝固过程[3]。电磁搅拌技术能够有效地提高铸坯的质量,而且其控制性能好,对于铸造过程中的热度过高,铸机对准不良等问题可以有效地解决。利用这项技术,大大增加连铸钢的可铸造选材范围。同时也极大提高了铸件拉出的速度和生产效率。所以说电磁搅拌技术对于连铸而言有着举足轻重的作用。
正交逆变电源属于特种工业变频电源。是电磁搅拌器的重要组成部分。电磁搅拌技术在连铸的运用过程中对电流的波形,频率,响应速度等参数要求很高,好的电源才能让机械更好运转,从而充分发挥电磁搅拌技术的优势。两相正交逆变电源的电路结构主要分为四个部分,电网侧交流电输入部分,整流电路部分,逆变电路部分,输出部分。传统的两相正交逆变器电源采用前级的三相桥式不可控整流器电路,并且有许多缺点,如低功率因数,谐波,污染严重到电力网等,该部分通常由两个单相逆变器桥的,并有许多开关器件,其通常是不可控的或半受控设备,这增加了成本和开关装置的功率损失大[4]。目前,国内两相正交逆变电源产品还只有少数厂家具有生产能力,大多数关于正交逆变电源的研究都停留在实验室研发和理论阶段。无论是在理论支持和实际生产中都有很多不足。相关产品的使用基本都依赖于国外进户,成本高价格昂贵。两相正交逆变电源的核心技术长期被国外所垄断,严重制约着我国特种钢材连铸的整体技术水平。两相正交逆变电源实现国产化是我们必须要解决的问题。设计开发经济实惠的两相正交逆变电源,利用更高性能的控制策略,提高电磁搅拌系统的稳定和高效是实现两相正交逆变电源国产化道路上至关重要的一步。
1.2电磁连铸技术国内外研究现状
电磁搅拌的原理是通过力的作用使铸坯凝固过程中的钢水流体改变,这种电磁力的产生不需要接触物体本身,绿色环保,可以使产品的质量得到显著提升。搅拌的效果受到多方面因素的影响,比如热度,作用位置,材料的种类等等。连铸电磁搅拌技术的发展是随着人们对产品的需求而不断改进的,第一个提出这种技艺的人是亨利,他是英国有名的钢铁大师,19世界50年代他通过对铸钢过程的反复思考和多年的经验相结合,提出将连铸技术用于钢水的铸造,他同时制造出了与之对应的转炉,在当时引发了强烈的反响[5]。位于他之后的德国人戴仑对现代连铸技术进行了改进,在原有的设备上又增加了结晶器,切割设备,冷却部分等一些设备,初期的连铸电磁搅拌技术也由此形成。
最早在1922年,美国的Mcneill申请了EMS控制凝固过程的专利。瑞典ASE公司在1948年制造出世界上第一台电磁搅拌器,用于电弧炼钢,其对于连铸电磁搅拌技术的传播有着重大意义,在连铸技术史上是浓墨重彩的一笔[6]。1952年德国的工程师用半工业连铸机实现了二冷区电磁搅拌,1973年在新日的一个炼钢厂里世界上第一台安装多冷段电磁搅拌器的板坯连铸机投产使用,1976年板坯连铸机结晶电磁搅拌器第一次用于德国的立式板坯连铸机上,1977年法国波特莱克公司为结晶电磁搅拌器注册商标。1981年NSC提出了旋转式结晶电磁搅拌技术,可以有效减少铸坯的气孔,提高表面光滑度[7]。20世纪80年代,电磁搅拌技术开始向纵深发展,为了提高碳钢的等轴晶率,减小偏移,以获得准确的铸造模型,人们开始尝试采用多段组合搅拌技术。日本川崎钢铁公司和瑞典的ABB公司共同开发了结晶器制动装置,并用于川崎工厂的铸造机上[8]。1994年加拿大LS公司首次采用双线圈电磁搅拌,作用力更大搅拌更加充分,对于碳钢的纯度和合金钢的质量有显著提高。到21世纪,电磁搅拌技术的发展趋于稳定,期间多模式电磁技术和复合磁场等技术开始出现。电磁搅拌技术起源于西欧,20世纪60至70年代,日本和欧洲一些国家因为工业的快速发展对钢材的质量有了更高的要求,连铸电磁搅拌技术随之不断得到发展。
中国的连铸电磁搅拌技术起步较之其他地区要晚得多,大概在70年代末探索才开始进行。在初期了解到现有的理论和技术,并进行了大量的实验和总结。我们对拥有的电磁搅拌技术有很好的理解。1979年,上海重型机械厂首次采用电磁搅拌和液压传动电炉。然后,在众多设计院校,大学和工厂的研究人员的不懈努力下,电磁搅拌技术不断发展。1982年,首钢和中国科学院联合开发了一种行波磁力搅拌器,于1984年安装在一台大型连铸机上进行测试[9]。1986年,武汉钢厂引入了两种新型电磁搅拌装置,分别来自日本和德国并投产使用。20世纪80年代到90年代我们对已经掌握的技术进行了消化吸收,并在此基础上开始尝试自己创新。同时开发了很多与之相关的电磁搅拌技术装置而和技术,到21世纪至今我国的电磁搅拌技术不断创新和发展。一大批科研基地和投产公司涌现出,经过先人们几十年的努力,我们国家在电磁连铸技术方面的短板终于有所弥补,一大批在此行业有着丰富经验的技术人员出现,2004年宝钢引进了结晶器电磁搅拌技术开创了我国板坯连铸的先例,2008年宝钢自主研发的高效辊式搅拌器投产运行[10]。
电磁搅拌技术在铸钢工业里的优越性和对改善钢材质量的显著效果使之从一开始就得到世界各国的积极认可和投产使用。经过多年的发展,人们对其研究还在不断深入和探索。
1.3变频电源国内外研究现状
所谓变频电源就是将电网输送来的交流电经过整流器变成直流电在经过逆变器换成交流电,与初始输入相比起来频率波形等参数有所变化,使之输出为满足人们特定要求的正弦波,这就是常说的变频电源。变频电源的频率和电压更加稳定,很接近理想电源。在欧美等发达国家变频电源已经作为其标标准电源得到应用和推广,因为其优越的供电环境,电子器件的性能得到极大的提升。最早在20世纪60年代末期变频电源开始出现,一经问世就受到电力行业的极大关注,其体积小,损耗小等特点使得它迅速在各行业被大量使用[11]。
变频电源在20世纪80年代的日本得到很好的应用,那个时候主要是小型仪表电源。在之后一段时间内被引进中国大陆。那个时候的变频电源因为受制于当时人们的技术还很粗糙,性能也一般,效率相当低。现阶段因为市场的需求,原有的产品功率无法满足,人们开始寻求大功率的供电电源。根据当时的技术条件和电子设备,主要开展了两条道路的开发[12]。一方面,保持晶体类型的方式没有改变,多机并联用于扩展。还有一种就是多级串联,使功率器件模块化,提升效率。
在工业生产过程中,消费量过大,功率晶体模块变频方法响应慢,功率受限,工作电压低,耐受电压不高且输出波形质量不满足要求。这两种方法产生的电源产品的功率仍不能满足日益增长的需求,因此当大功率负载需要变频测试时,电机用于拖动发电机来满足。电机在电机后面拖动的方式在使用过程中会磨损,从而导致效率转换问题。后来参考美国技术,用SCR当做逆变器,该方法生产的电源功率大,可满足客户的使用需求,最好更换电机并拖动发电机。但是其在转换过程中会产生很大的噪音一般人很难忍受,这使其一系列产品因此而无法长久生存发展下去。后来随着技术的发展,IGBT开始出现,这种复合管有着GTR和MOS管开关速度快,耐受电压强等优点,在各个领域得到广泛运用[13],用IGBT作为变频电源的开关控制管使得制造出大功率的变频电源成为可能。
1.4本文主要研究内容
第1章,介绍了选题的研究背景和研究意义,然后对电磁连铸技术的国内外研究现状和变频电源发展历史和国内外研究现状做了介绍。
第2章,对正交逆变电源的工作原理和两相正交逆变点电源的电路拓扑架构做了一些介绍。对三相电压型整流电路结构和PWM整流技术的特点进行了阐述。然后对两相三桥逆变电路和波形以及做了简要说明,用公式等对其原理做出简介。
第3章,首先介绍了逆变电源的整个电路设计图。然后建立了PWM整流器数学模型,得出其完全解耦控制模型图。接下来是电路仿真部分,分别对三相电压型PWM电路和正交逆变电源电路进行了仿真建模并运行得出相应波形图。
第4章,主要是对逆变电源的硬件装置进行设计,对其组成结构进行说明。对其直流侧电压,滤波电感和直流侧电容的参数值设定做出了说明。并对其控制系统的软件部分进行了设计,画出了其流程图。
第2章正交逆变电源的原理
2.1正交逆变电源的工作原理
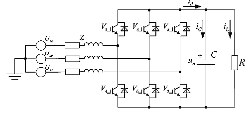
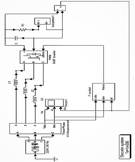
传统的两相正交逆变电源的原理图如图2.1所示。传统的两相正交逆变电源通常采用一个不可控三相整流桥和两个单相逆变桥及其输出电感构成的两相正交逆变器。前级不可控整流桥用来提供直流电,储存能量。后级两相正交逆变器由两个单相逆变桥构成,每个单相逆变桥均含有4个功率开关器件和一个输出电感,两个单相逆变桥共用直流侧电容[14]。

图2.1传统两相正交逆变电源
此电路结构原理简单,三相不可控整流电路是三相电路中使用最频繁,最基本的电路,所以在前期人们设计时采用的时这种电路,当对应桥臂上的二极管导通后可以将交流电转化为直流电,输出端连接一个电容有稳压和滤波的作用。但是三相桥式不可控整流电路的缺点也很明显,开关器件简单,所以控制输出效果也不太好,会使输出电流有很大的纹波出现,而且会使交流侧的电流产生畸变,输出中有部分谐波的存在,谐波的危害有很多,会在传输元件上产生谐波损耗,降低电网中设备的效率,如果谐波的数量巨大还会让元件产生大量热量,使得器件的使用寿命大大缩减,严重时引发火灾。谐波也会导致在通讯系统中产生电磁干扰,导致信息混乱,无法准确传达。后级的逆变电路采用的是两个单相逆变器,可以直接将三相直流电转化为两相交流电,原理简单,但是器件过多,成本很高,而且逆变效果也不好。
两相正交逆变电源的负载是电磁搅拌器,电磁搅拌器的作用是形成磁场,但一般的电源无法直接给其供电工作,它需要大功率低频的正交逆变电源才能正常工作。整个工业铸造过程中,有着众多的设备,而电磁搅拌器的位置则不是固定的,它可以根据要求条件的不同安装在各个设备环节。位置安装得好就能使得相关器件发挥出最高的效率。根据连铸机冶金过程中的电磁搅拌器,大致有以下几种模式:结晶器电磁搅拌器(MEMS),效果是:提高铸造速度,提高表面质量,清洁表面凝固气泡和夹杂物,有利于减少过热的影响,提高钢水的清洁度,改善板坯的内部结构,增加等轴晶比等;凝固端电磁搅拌器(FEMS),主要作用是:减少中心偏析,减少或消除中心松动和中心收缩孔;二冷区电磁搅拌器(SEMS),其作用是:消除柱状枝晶之间的搭桥,减少或消除中心松散和中心收缩孔,扩展等轴晶区减少中心偏析和内部电弧夹杂物的积累。其中,结晶器的电磁搅拌是最广泛使用的。搅拌器安装在模具的铜管外面[15]。方圆空白MEMS基于旋转磁场的搅拌器;固化端电磁搅拌用于生产高碳钢,高合金钢等。
2.2两相正交逆变电源的拓扑结构及其分析
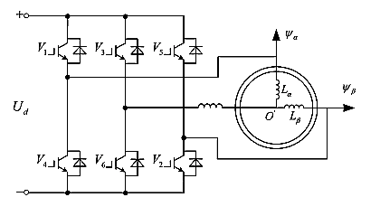
两相正交逆变电源主要由四部分构成,分别为交流输入部分,三相整流部分,三相逆变部分,交流输出部分。其中整流和逆变部分是整个电路的核心关键部分。关于整流和逆变电路有很多种设计和结构方式。以前的两相正交逆变电源用的是三相不可控整流电路,开关控制器件为二极管,因此不可控,逆变电路采用的是单相逆变电路,因为要两相输出,所以用了两个单相逆变电路。构成了正交逆变电源的主要结构图。这种设计很好想到,但是其性能却很难达到要求。所以这种电路一直存在着弊端。随着技术的发展和电磁搅拌用的电源要求的不断提高,PWM整流器开始运用到整流电路中,可控制型的开关器件IGBT代替不可控的二极管被广泛运用。两相三桥。两相半桥等逆变电路也逐渐取代单相逆变电路的地位。PWM整流电路所具有的优越性比传统电路高出不少。主要由以下几点:
(1)能够使输出为正弦波且波形质量好得多。
(2)功率因数得到极大改善。
(3)PWM整流电路既可以工作在整流状,从电网吸收能量,也可以工作在有源逆变状态,向电网释放能量,实现了能量的双向传输。
(4)具有更好的动态控制响应。
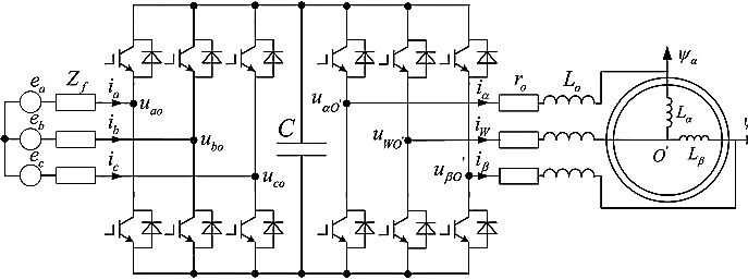
PWM整流电路有多种分类方式,其最基本的分类方式是按照直流侧储能方式的不同将其分为电压型和电流型PWM整流电路其中电压型PWM整流电路应用较多,尤其在大容量场合,多采用三相桥式电压型PWM整流电路。三相桥式电压型PWM整流电路如图2.2所示,作为最基本的PWM整流电路,应用最广[16]。

以上是毕业论文大纲或资料介绍,该课题完整毕业论文、开题报告、任务书、程序设计、图纸设计等资料请添加微信获取,微信号:bysjorg。
相关图片展示:







您可能感兴趣的文章
- 一种确定磁探针集总电路参数的标定方法外文翻译资料
- 一种人体可接触的大气压低温等离子体射流装置研究(适合电气B方向)毕业论文
- 氩氧中大气压DBD放电特性研究(适合电气B方向)毕业论文
- 大气压氩等离子体射流放电影响因素的仿真研究(适合浦电气B方向)毕业论文
- 含氧高活性均匀DBD改性聚合物薄膜研究(适合浦电气B方向)毕业论文
- 反应器结构对气液两相DBD放电特性的比较(适合浦电气B方向)毕业论文
- 南京某公司研发楼电气设计毕业论文
- 金帆北苑地块经济适用住房——02栋商住楼电气设计(适用于浦电气1004~06A方向学生)毕业论文
- 扬州人武部大楼电气设计毕业论文
- 金帆北苑地块经济适用住房——04栋商住楼电气设计(适用于浦电气1004~06A方向学生)毕业论文


