变频电缆卷筒PLC控制系统设计毕业论文
2020-02-18 11:09:52
摘 要
随着大中型起重机械装置的设备用电量的不断增加,供电方式是一个比较大的问题,摩擦电缆在户外条件下不适用,传输线路数量有限,不能实现自动化操作的多线传输;挂缆方式在长距离的移动供电中经常会拉断电缆,电缆卷筒相比以上两种方式有更多优势,成为目前起重器械中普遍且受欢迎的装置。
从工业飞速发展到现在,起重机械需要走行更远的距离,导致电缆卷盘的内外层半径相差数倍甚至有可能更大,这对恒定扭力的输出提出了更大的考验。由于磁偶合器的绕组力矩在外电缆卷边力有一定要求的前提下几乎是恒定的,内电缆应能承受外电缆三倍以上的张力,对于某些张力较小种类的电缆,容易造成损坏。采用变频方式控制的电缆卷筒可以在很多种情况下使电缆的张力保持恒定,这就是最新一代的产品,变频式电缆卷筒。
本次设计将通过对变频电缆卷筒PLC控制系统的整体系统概念和每个控制单元在整体中实现了什么样的作用,对变频电缆卷筒PLC控制系统进行分析和简单的设计。
仿真结果表明,通过PLC控制系统,变频电缆卷筒可以适应自动启动停止以及自动调速的效果,可以广泛应用与工业生产当中。
关键词:变频器;电缆卷筒;PLC控制系统;软件控制
Abstract
With the increasing power consumption of equipment for large and medium-sized lifting appliances, the power supply method is a relatively large problem. The friction cable is not suitable under outdoor conditions, the number of transmission lines is limited, and multi-line transmission of automatic operation cannot be realized; The cable method often pulls off the cable in the long-distance mobile power supply. The cable reel has more advantages than the above two methods, and has become a popular and popular device in the current lifting equipment.
From the rapid development of the industry to the present, the hoisting machinery needs to travel a farther distance, which may cause the inner and outer radii of the cable reel to differ by a factor of several times, which is a greater test for the output of the constant torque. Since the winding torque of the magnetic coupling is almost constant under the premise that the external cable crimping force has certain requirements, the inner cable should be able to withstand more than three times the tension of the outer cable, and it is easy to cause damage to some cables with smaller tension. Cable reels controlled by variable frequency control can keep the tension of the cable constant in many situations. This is the latest generation of products, variable frequency cable reels.
This design will analyze and design the inverter cable reel PLC control system through the overall system concept of the variable frequency cable reel PLC control system and the role of each control unit in the whole.
The simulation results show that the inverter cable reel can adapt to the effects of automatic start and stop and automatic speed regulation through the PLC control system, which can be widely used in industrial production.
Key words: frequency converter; cable reel; PLC control system; software control
目 录
第1章 绪论 1
1.1 变频式电缆卷筒的主要工作对象 1
1.2 变频式电缆卷筒的整体构成 2
1.3 小结 3
第2章 变频电缆卷筒各控制单元的原理 4
2.1 变频器的控制方法及选型 4
2.2 光电编码器的作用 5
2.3 制动器的作用 5
2.4 PLC的选型 5
2.5 电机的选型 5
2.6 小结 5
第3章 PLC控制系统的原理 6
3.1 PLC在国内外的发展现状 6
3.2 PLC控制系统的优点 7
3.3 PLC的构成 7
3.4 西门子PLC的工作原理 8
3.5 PLC控制变频器的原理 10
3.6 小结 10
第4章 PLC控制系统程序设计 11
4.1 西门子PLC的硬件设计 11
4.2 I/O点的设置 12
4.3 PLC程序设计 12
4.3.1 梯形图的画法及注意事项.....................................................................................12
4.3.2 梯形图程序实现.....................................................................................................13
第5章 总结与展望 19
5.1 本次设计的总结 19
5.2 关于PLC未来的展望 19
参考文献 20
致谢 22
第1章 绪论
1.1 变频式电缆卷筒的主要工作对象
首先,我们要对电缆卷筒的工作对象,也就是电缆卷筒上卷绕的电缆来进行分析。电缆是以卷绕的方式绕在卷筒上,在电缆出线时,电缆的卷绕半径会越来越小,电缆收线时,电缆的卷绕半径会越来越大,随着半径的变化,电缆会承受不同的张力,为了使电缆不至于被损坏,需要一个可以调节力矩的电缆转轴,使得电缆所受的张力在电缆收放线时都可以达到恒定。所以我们需要变频器来控制电机来达成这种效果。
电缆卷盘上有两种类型的机械开关,可以将信号传送到PLC的信号输入端,再通过PLC进行对电缆卷筒的控制。
凸轮限位开关:根据电缆在卷盘上的缠绕情况有几个触点(即电缆线全部用完、电缆满盘、电缆线使用过半需要减速)来进行相应的信号输出。当电缆线全部用完,卷盘空盘的触点就会反应,这时电机要迅速停止动作,以免电缆被拉断;电缆还未使用时,满盘触点则会启动,导向器产生的电缆松弛的信号将不再起作用;过半触点动作时,半盘触点将会启动,使电机进入减速状态,一直到信号消失,电机才可以继续加速。
导向器开关:用来防止电缆张力过大或者电缆缠绕过于松弛,这两个开关如果发出了信号,电机需要马上停机。
变频电缆卷筒就是通过这两种机械开关的反馈,才能使PLC进行启动停止和自动调速。

图1.1 变频电缆卷筒机械结构
1.2 变频式电缆卷筒的整体构成
变频式电缆卷筒可分为如下几个部分:
1.电缆卷盘:电缆卷盘用于存放电缆,电缆在内部多层环绕,对于各种各样的安装环境,都有其适用性。它有两种形态,一种是卷盘型,一种是卷筒型。卷盘的转动直接带动电缆的收放。在实际应用中,需要考虑到卷盘的结构强度,也需要考虑到惯量的因素。半径1.5米以上的卷盘则采用一种拼装结合的方法,这种方式的优点在于比较灵活,减轻了质量,便于运送,可以根据需要将卷盘间距进行调整,卷筒外部运用防腐工艺,相比从前的防腐技术有着质的提升。
2.集电器箱:集电器箱是现在工业上应用的比较广泛的一类供电装置,他的外部由先进的防腐材料构成,可以应对各种环境,并且它的构成清晰,在安装和拆卸时非常方便,目前受到很多用户的青睐。
3.减速箱:减速箱比较适应在转速较低,扭矩较大的环境下工作,在箱内输入部分和输出部分通过齿轮相互连接,产生影响,以这种方式达成减速的效果,大齿轮齿数和小齿轮齿数的比值为传动比。减速器在原动机和输出执行机构之间传递动力,保持他们之间的联系,目标是降低器械的转速,增加它的转矩。减速器的种类很多,型号也多种多样。在国内外的各个电气行业都有着较为广泛的应用。
4.变频器:变频器在变频电缆卷筒系统中有非常重要的作用,由于电缆的张力变化,要求电缆卷筒也需要有相应的力矩变化,使用变频器来控制电机进行转速的调节,可以使电缆所受的张力达到恒定。
5.变频电机:由变频器来控制的电机,为了节约空间,通常采用集成了光电编码器的电机,光电编码器,在电缆卷筒旋转的过程中,会向控制系统方向传输电缆的位置信息,比如电缆出线已经到达最长等信息,控制系统接收到信息后,会控制电机停转,以免电缆被拉断。
6.PLC:PLC是控制系统中的核心部分,他能够接收变频器和光电编码器传输过来的信号,再通过变频器来调节电机转速,自动保持张力的恒定,控制电缆卷筒进行自动的收放电缆工作。
变频式电缆卷筒控制的系统框图如图1.2所示:

图1.2 变频式电缆卷筒控制框图
可以看到,通过PLC进行自动控制的变频电缆卷筒的控制流程是比较简单清晰的。
1.3 小结
本章从整体上介绍了变频式电缆卷筒的工作对象和主要构成,以及如何通过电气线路自动控制卷筒的转速来适应电缆张力的需求。下一章将介绍每一个部分的原理。
第2章 变频电缆卷筒各控制单元的原理
2.1变频器的控制方法及选型
变频器是变频电缆卷筒中一个非常重要的装置,PLC的信号通过变频器传输到电机上来使得电机的转速进行改变,这样才能更好的面对张力的变化。而且,变频器还可以将电网提供的恒定电压和恒定频率改变,能使电动机更好的发挥性能。变频器的控制方法一般分为两种:
电压矢量控制:电压在进行实际的应用时,电压矢量控制可以变成跟直流电路同样的控制方法,通过调整坐标系,作用于电机来进行控制。然而,系统好坏会受到电机各指标数值的影响,从而导致矢量旋转也会相应的发生变化,使得想要进行控制变得更加困难。
直接转矩控制:是目前国内外各个厂家现在在使用的一种最为先进的交流传动技术,未来可能会取代传统的脉冲宽度调制开/闭环控制。直接转矩控制,是在电机的电磁状态反应的基础上来改变和调整转矩以及速度的一类方式,其调节方式与直流电机有相似之处。与脉冲宽度调制对与电压及频率输入的控制不同,具有应用广泛,成本较低等多种优点。
(2.1)
在电机的
和
的变化都不大的情况下,只要改变
(频率),也就是输入电源的频率,就可以实现电机的调速。
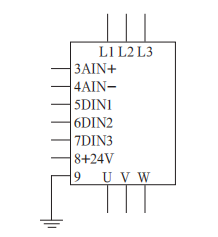
因为我们需要采用PLC来控制变频器,所以变频器的型号要使用通用型号变频器,本次设计,我们使用了西门子生产的MM420变频器.它的端子图如图2.1所示:

图2.1 MM420变频器端子图
L1、L2、L3在使用时与供电的三相电源连接,下面的三个端点与电动机连接.DIN1、DIN2、DIN3三个端口可以输入数字信号,AIN 和AIN-两个接口可以输入模拟信号。
2.2 光电编码器的作用及选型
光电编码器可以将电缆卷盘上电缆的转数通过转换器内部计算转换成一种数字量或者是一种脉冲信号,通过发光二极管等器件共同组成的测量装置用来记录电缆卷盘的实时转速,光电编码器会把实时的速度信息转化成信号通过两个数字传输接口来传输给PLC,由PLC做出指令,使得电机停机或者进行加减转速。
本次设计中,我们可以选用绝对式编码器RDE58S10型光电编码器,它的精度和工作温度都能符合要求。
2.3 制动器的作用
制动器一般与电机安装在一起,在整个因突发情况失去电力供应时,将电缆卷筒进行制动,防止电缆松弛滑落,堆叠在一起,对电缆造成损坏。
2.4 PLC的选型
变频电缆卷筒的自动控制部分主要由它来完成,通过PLC我们才可以实现电缆卷筒的自动控制。在本次设计中我们选用了西门子的S7-200CPU226产品,这个系列的产品有着良好的结构,性价比较高,得到了很广泛的应用。在下一章中,我们将会详细介绍PLC控制的原理。
2.5 电机的选型
电缆卷盘上的电缆的收放大部分的工作都是由电机来承担,电机还需要承担提供动力的部分和电缆收放的速度调整,适应这种需求的电机,应该具备特殊的电气特性和机械特性。电机速度的调整有一个较大的范围,它的机械特性应该是偏软的,拖动负载时,如果负载变化,电机会根据负载的变化相应的调整转速,也就是说,负载如果变大的话,则电机的转速下降调整,负载如果变小,则电机的转速上升。转矩的机械特性曲线上,电机可以在任意的位置上运行,保证在电缆卷盘有动力时给到相应的支持,可以达到预期的速度和拉力。
2.6 小结
本章介绍了变频电缆卷筒的组成以及各部分的作用,在本次设计中,某些元器件型号的选择,下一章将重点介绍PLC的运行原理和PLC的控制方法。
第3章 PLC控制系统的原理
3.1 PLC在国内外的发展现状
自PLC问世以来,作为在工业生产中一个非常重要的控制系统,在各行各业都在很多个方面发挥着重要的影响。随着人类文明和科技水平的不断发展,PLC正在被研究人员在适用性和可靠性等方面向外做出更大的扩展,渐渐地走进更多人的视野中。
随着科技的发展,各种行业对电力系统的越来越多的需求,需要一种可以对这些电力系统进行调节或分配的系统,PLC的出现让这种想法成为了可能。PLC的作用是将通过它的工频电源进行变换,变换到另一种我们所需要的频率,PLC具有很多优点,有很高的精确度,进行调整的效率也十分快,等等。这些优点使得PLC在世界规模内被大范围的使用,也得到了许多人的认可。
PLC从产生到现在,已经有三十多年的历史了,目前。PLC技术已经越来越完备,在细节方面有着更进一步的提升,在某些领域得到了大量的应用,在下面几种环境中应用的尤为广泛:
模拟量应用:在工程的施行过程中,会出现很多物理和数学上的数据,这些数据往往都不是一尘不变的,而是有一个连续不断地变化,这些也可以称为模拟量。如果要分析和处理这些数据。模拟量和数字力量的互相转换一定是不可或缺的。所以,很多的PLC公司在他们的产品中都会配备专门进行数模转换和模数转换的模块,使PLC在这方面能够得到应用。
物理性运动:PLC可以控制装置进行有规律的运动。在控制系统发展的初期,PLC就直接使开关量的连接位置上或者运行机构上直接使用,而目前则产生了专门进行运动的控制组件。全球各地较大的PLC公司,在他们生产的产品中,都必须具备调配运动的功能。
基本逻辑控制:这种控制是PLC应用中一项最基础的应用,在各类电路中都有逻辑控制的使用,他现在已经覆盖了以前的继电器的使用场合,将各种逻辑控制,流程控制等进行更加完备的应用。不论是单一设备的调动,还是机组的多重控制,PLC都可以很好的适用,实际的例子如各类生产机床,各类流水生产装置等等。
过程控制:这种控制是一种闭环控制,它会专门对各种模拟量进行控制。在各种领域中,可编程序控制器能够对应需要来编写出各种不同的程序,对需要用到的重要数据进行闭环控制。最初,PLC在应用当中,只有一位的系统,只能进行简单的控制,而到目前为止,PLC已经发展到由32位的微处理器对系统进行更加精确、更加复杂的控制,甚至可以做到多个处理器的并行控制。现在我们对PLC的应用更加成熟,可以进行更复杂的控制,而且成本使用的更少,控制系统的稳定性也有很大的提高,对于系统本身的问题,可以更迅速的发现并解决,现在PLC正向着更加复杂更加连续的控制过程发展,势必会成为未来自动化领域中最重要的一部分。
3.2 PLC控制系统的优点
节约能源:PLC的控制可以实时的对每一处设备进行调整,使得能源的消耗量达到最低,节能的效果通过测试后约有45%左右,节能效果显而易见,为很多企业节约了一笔不小的财富。从前有很多能耗较高的设备,如耗能较高的某些型号的电机,各类机床等,通过PLC控制系统,都能够节省下很多的能量。
便于调节电机的运行:电机的正转和反转,从前是不能非常简便的进行的,PLC出现之后,调节电机的转向变得简便许多,在以前调节电机的时候,常常会出现由于工作人员操作不当引发的事故,对电机造成损害,PLC控制则将这种可能大大降低,因为PLC在电机刚开始运行时,可以控制转速在一个较低的水平,所以电机的频率可以达到较高的水平。在对电极进行制动时,PLC可以把制动时产生的能量一部分返回前一系统,一部分送到制动电阻上消耗,在进行制动时通过附加电压的方式进行制动。
以上是毕业论文大纲或资料介绍,该课题完整毕业论文、开题报告、任务书、程序设计、图纸设计等资料请添加微信获取,微信号:bysjorg。
相关图片展示:







您可能感兴趣的文章
- 一种确定磁探针集总电路参数的标定方法外文翻译资料
- 一种人体可接触的大气压低温等离子体射流装置研究(适合电气B方向)毕业论文
- 氩氧中大气压DBD放电特性研究(适合电气B方向)毕业论文
- 大气压氩等离子体射流放电影响因素的仿真研究(适合浦电气B方向)毕业论文
- 含氧高活性均匀DBD改性聚合物薄膜研究(适合浦电气B方向)毕业论文
- 反应器结构对气液两相DBD放电特性的比较(适合浦电气B方向)毕业论文
- 南京某公司研发楼电气设计毕业论文
- 金帆北苑地块经济适用住房——02栋商住楼电气设计(适用于浦电气1004~06A方向学生)毕业论文
- 扬州人武部大楼电气设计毕业论文
- 金帆北苑地块经济适用住房——04栋商住楼电气设计(适用于浦电气1004~06A方向学生)毕业论文


