基于二次控制的分布式逆变器系统功率分配技术研究毕业论文
2020-02-18 11:06:11
摘 要
世界经济迅速发展,所需要的电能持续增加,新能源发电受到前所未有的关注。为实现新能源分布式发电,就不得不提分布式逆变器。就地取材式的供电方式称为分布式发电。这种供电方式供电更加灵活,是新能源新型供电方式之一。由于此方式为就近供电,存在电能供应不稳定,不同电能类型对系统的管理调度带来困难的问题。“微网”这种新型电网方式得以提出。微网是一个小型发配电系统,能进行自我监测,自我保护和自我管理。微网通过特定的节点接入电网,与大电网相比,可以视为单个的电源或负载,以来减小对大电网的影响,同时在微网内进行电能的调配比较方便简单。
为使微网输出高质量电能,可以装设有源、无源等装置改善电能品质。无源装置可以串联并联的补偿电容接入微网,它制作方便,经济效益高,工作稳定,但与之相连的系统会产生谐波谐振,因此有源治理装置得到更加广泛的应用。同时,增设这些电能治疗治理装置时,也会增加成本,维护管理等费用。
为解决这一问题,分布式逆变器的控制技术受到了广泛关注。各种发电方式并联运行进行发电的方式实际上是其分布式逆变器的并联运行。而这个系统能够正常运转的关键就是分布式逆变器的有功功率与无功功率能否保持平衡或其变化的大小能满足平衡要求。本文根据国内外分布式发电与分布式逆变器的发展历程,对其功率分配的问题进行研究。
首先,一般采用下垂控制技术对分布式逆变器进行调配,改变电压频率与幅值的大小实现有功功率与无功功率的控制[3]。本文给出一种传统的下垂控制技术。传统的下垂控制技术虽然能实现对有功功率的合理分配,但由于无功功率的分配受系统阻抗影响大,分配的难度大。
其次,二次电压控制相比一次电压控制,通过传递补偿信号来消除与目标值之间的偏差,恢复系统电压幅值与频率,同时消除无功功率的分配误差。
然后,根据传统下垂控制的缺点,本文提出改进的功率分配方法--“电压补偿信号积分法”。且将这种控制方法与二次电压控制相结合,在不影响系统通讯能的同时达到无功功率灵活分配且母线电压及时回复的目的。
最后,本文设计并改善了相关电路,并在Matlab仿真软件上进行模拟仿真。
关键词:下垂控制,电压补偿,无功功率分配,母线电压恢复,二次控制
Abstract
With the rapid development of the world economy and the continuous increase of electricity demand, new energy generation has attracted unprecedented attention. In order to realize new energy distributed generation, distributed inverters have to be mentioned. Distributed generation (DG) is a kind of on-site power supply. This kind of power supply mode is more flexible, and is one of the new power supply modes of new energy sources. Because of the instability of power supply in this way, the management and dispatch of different power types are difficult. Microgrid, a new type of power grid, has been proposed. Microgrid is a small power distribution system, which can carry out self-monitoring, self-protection and self-management. Microgrid can be regarded as a single power source or load when connected to the power grid through specific nodes, so as to reduce the impact on the power grid. At the same time, it is more convenient and simple to allocate electric energy in the microgrid.
In order to make the microgrid output high quality power, we can install active and passive devices to improve power quality. Passive devices can connect compensation capacitors in series and parallel to the micro-network. They are easy to make, have high economic benefits and work steadily. However, the system connected with them will produce harmonic resonance, so active control devices are more widely used. At the same time, when these power treatment and treatment devices are added, the cost, maintenance and management will also be increased.
To solve this problem, the control technology of distributed inverters has attracted wide attention. The parallel operation of various power generation modes is actually the parallel operation of their distributed inverters. The key to the normal operation of the system is whether the active power and reactive power of the distributed inverters can be balanced or their varying magnitude can meet the balancing requirements. Based on the development of distributed generation and distributed inverters at home and abroad, this paper studies the power allocation problem.
Firstly, the droop control technology is generally used to adjust the distributed inverters, and the active power and reactive power can be controlled by changing the voltage frequency and amplitude. This theies presents a traditional droop control technique. Although the traditional droop control technology can achieve a reasonable
distribution of active power, the distribution of reactive power is greatly affected by system impedance, which makes the distribution difficult.
Secondly, compared with primary voltage control, secondary voltage control eliminates the deviation from the target value by transmitting compensation signal, restores the system voltage amplitude and frequency, and eliminates the distribution error of reactive power.
Then, according to the shortcomings of traditional droop control, this thesis proposes an improved power allocation method - "voltage compensation signal integration method". This control method is combined with secondary voltage control to achieve flexible distribution of reactive power and timely recovery of bus voltage without affecting the communication performance of the system.
Finally, this thesis designs and improves the related circuits, and simulates them on the MATLAB simulation software.
Key words: sag control, voltage compensation, reactive power distribution, bus voltage recovery, secondary control
目录
摘 要 I
Abstract II
第1章 绪 论 1
1.1研究背景和意义 1
1.2 分布式逆变器的控制策略 2
1.3微网结构构成 3
1.4分布式电源的功率分配研究现状 4
1.5主要研究内容 6
第2章 传统分布式逆变器下垂控制分析 7
2.1传统下垂控制的基本原理 7
2.1.2传统下垂控制的信号模型 8
2.2传统下垂控制的劣势 10
2.3本章小结 10
第3章 基于二次控制的功率分配分析 12
3.1二次控制的基本内容 12
3.2现有二次控制的功率分配分析 13
3.3本章小结 15
第4章 基于二次控制的分布式逆变器系统功率分配 16
4.1功率分配的基本方法 16
4.1.1电压信号补偿积分法 16
4.1.2系统框图 16
4.1.3 电压电流环 17
4.2仿真模型搭建 18
4.2.1小信号模型 18
4.2.2仿真模型的建立 19
4.3本章小结 21
第5章 总结与展望 22
参考文献 23
致 谢 25
第1章 绪 论
1.1研究背景和意义
世界经济迅速发展,所需要的电能持续增加,能源危机爆发,新能源发电受到前所未有的关注[1][2]。为实现新能源分布式发电,就不得不提分布式逆变器。就地取材式的供电方式称为分布式发电。这种供电方式供电更加灵活,是新能源新型供电方式之一。由于此方式为就近供电,存在电能供应不稳定,不同电能类型对系统的管理调度带来困难的问题。同时,相比于传统电网供电方式,这种新型的供电方式存在多个电源,改变了传统电网单电源的发电方式,使得电网中出现双向潮流,增加了电网运行的控制,保护难度[3][4]。人们提出“微网”这种新型电网方式来解决这一问题。微网包括电源,储能装置,能量转换装置,负荷,控制及保护装置等元件。微网是一个小型发配电系统,能进行自我监测,自我保护和自我管理。来减小对大电网的影响,同时在微网内进行电能的调配比较方便简单[5][6]。简单来说就是将每一种发电方式看成一个系统,将这样所有的系统连接到主电网,这就是微网的作用。微网中可以增加有源和无源设备来提高微网的电能质量。对于主电网而言,微网相当于负荷,微网的运行不会直接影响主电网的运行;而对于用户而言,微网相当于电源,可以满足用户的需求。图1.1就是一个简单的运用微网构成的发电网络。

图1.1 简单微网构成
由图1.1可以看出逆变器作为一种中间载体,连接了发电能源与电网。使不同电能类型,不同的电压大小的电能能够转换为同一频率,同一相位,同一幅值的电能接入电网[7]。分布式电源之间的关系可以看出是分布式逆变器之间的关系[8]。一个微网中往往存在多种多样的分布式发电方式,储能装置和负载,能量关系复杂。微网根据电能类型,负载变化情况,电能大小等因素调整各个分布式电源的工作情况,使负荷功率在各个分布式电源之间合理分配,从而使得微网高效稳定运行,使电能质量满足要求,同时提高工作效率。实现分布式逆变器功率的灵活分配就显得十分重要了。
1.2 分布式逆变器的控制策略
在整个发电系统中,存在发电稳定的电源,如内燃机,燃气轮机等,也存在发电不稳定,间歇性发电的可再生发电方式,同时还包括各种储能装置。在整个系统中,各种发电方式共同工作,持续发电,有效发挥分布式发电的优势。但是从另外一个角度来看,不同的发电方式产生的电能性能差距大,若要将各种模式发电模式结合起来就需要设计不同的控制策略。考虑到分布式电源之间的关系可以看出是分布式逆变器之间的关系,因此只需设计分布式逆变器的控制策略即可实现对分布式电源的控制。同时逆变器的响应速度快,控制能力与操控能力都比传统的同步发电机强,但是逆变器的惯性比传统发电机小,由逆变器控制的微网更容易受到由负荷突变和故障引起的电流冲击,此时需要采用一定的控制策略减小逆变器对微网的影响。根据不同微网中的不同控制策略,有三种不同的控制方式,分别是V/f型控制,PQ型控制和droop型控制[9]。
V/f型控制就是恒压恒频控制。当分布式电源输出功率在一定范围内波动时,控制其电压幅值与频率保持不变。这种控制方式一般采用电流电压环双闭环控制。内环是电流环,形成电流随动系统,增加系统的抗扰动能力,提升系统的动态性能。外环是电压环,主要改善系统的输出波形,保证系统的输出精度。有些V/f型控制还能在微网发生故障时给予负载可靠的能量输出。
PQ型控制就是恒功率控制。当分布式电源的电压幅值和频率在一定范围内波动时,控制其输出有功功率和无功功率与参考值保持一致。该控制方式一般用于发电不稳定的分布式电源,如风能,潮汐能,太阳能等,保证能源的利用率较高。这种控制方式一般采用电流内环加上功率外环双环控制。但这种控制方式无法使系统的电压幅值与频率保持稳定,需要其他器件加以控制。
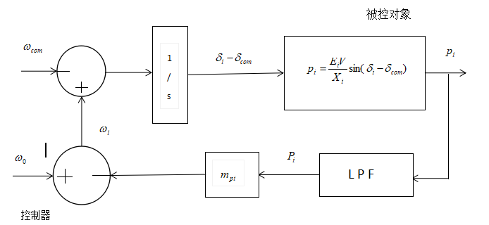
droop型控制就是下垂控制。通过传输合适的有功功率和无功功率进行对系统的电压幅值和频率进行调节,使其保持稳定。下垂控制中也存在电压电流环,用来提升系统的抗扰动能力,提升系统性能,使系统运行的更加稳定。下垂控制方法采用了自动发电机的调节特性,能对多台逆变器进行调节。这种控制方式结合了以上两种方式来实现控制,使逆变器的工作范围更加广泛,同时也更加稳定灵活。
1.3微网结构构成

图1.2 简单微网结构
整个微网系统一般覆盖比较大的地域范围,其中数据交换量巨大,只用普通的控制方式难以实现系统工作的要求[10]。因此引入微网的分层控制方式,这种控制方式将系统的控制分成多个阶梯,不同阶梯具有独立的功能。微网中的能源调配,系统稳定运行等多种需求在不同阶梯上得到满足,使得整个微网系统稳定持续运行。一般将微网的结构分成三层,分别为一次控制,二次控制和三次控制[11]。不同的控制层有不同的功能,这样实现功能的分配,减少时间,空间对微网系统的影响。
一次控制在本地逆变器中进行,主要控制本地电压幅值,频率和电流,响应速度较快。一次控制中存在电压电流环,将一次控制中的功率作为电压电流环的输入,一般采用外环为电压环,内环为电流环的结构,对逆变器的输出电流和电压进行调节。一次控制有以下功能:保持电压,频率稳定;对无功功率和有功功率进行简单分配;满足分布式电源即插即用;分布式电源间环流抑制。一次控制中功率控制环控制方程为:
(1.1)
在一次控制中有时还会加入虚拟输出阻抗环,这样可以调节系统中的电阻与电抗的关系,削弱有功功率与无功功率的耦合。
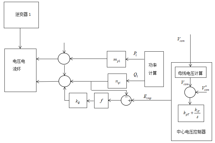
二次控制的主要目的是对一次控制提供信号补偿,二次调整系统的工作点。它的功能为:补偿初次控制引起的电压幅值的偏差;补偿初次控制引起的电压频率偏差。二次控制响应速度一般比较慢,有利于实现对一次控制的补偿。二次控制有两种方式,即集中式和分布式。在集中式控制中,控制过程在中心控制器中进行,控制完成后将补偿信号传输给各个分布式电源,实现对一次控制的补偿。在分布式控制中,不存在中心控制器,二次控制与一次控制一样,都在本地逆变器中进行。与集中式相比,分布式控制减少了数据的丢失,信息传递时间更短,降低了系统不利因素的影响,增强了系统稳定性,但是信息与数据的收集复杂。
同时对二次控制进行设计还可以使电能的质量得到提升。在一定程度上,二次控制还可以提升微网的电能质量,使母线电压的谐波减小,使母线电压的不平衡度降低。
三次控制为微网中级别最高的控制,可以与主电网进行信息交互,在协调微网与主电网之间的运行起到重要作用,同时它的响应所用时间最久[13]。它的功能为双模式下的优化运行;并网模式下的潮流控制。三次控制通过对逆变器的电压幅值和频率的调控来完成微网与大电网之间的功率流动,控制方程为:
(1.2)
以上是毕业论文大纲或资料介绍,该课题完整毕业论文、开题报告、任务书、程序设计、图纸设计等资料请添加微信获取,微信号:bysjorg。
相关图片展示:







您可能感兴趣的文章
- 一种确定磁探针集总电路参数的标定方法外文翻译资料
- 一种人体可接触的大气压低温等离子体射流装置研究(适合电气B方向)毕业论文
- 氩氧中大气压DBD放电特性研究(适合电气B方向)毕业论文
- 大气压氩等离子体射流放电影响因素的仿真研究(适合浦电气B方向)毕业论文
- 含氧高活性均匀DBD改性聚合物薄膜研究(适合浦电气B方向)毕业论文
- 反应器结构对气液两相DBD放电特性的比较(适合浦电气B方向)毕业论文
- 南京某公司研发楼电气设计毕业论文
- 金帆北苑地块经济适用住房——02栋商住楼电气设计(适用于浦电气1004~06A方向学生)毕业论文
- 扬州人武部大楼电气设计毕业论文
- 金帆北苑地块经济适用住房——04栋商住楼电气设计(适用于浦电气1004~06A方向学生)毕业论文


