IPMSM脉振方波注入法无传感器控制策略毕业论文
2020-02-18 11:06:07
摘 要
内置式永磁同步电动机(Interior Permanent Magnet Synchronous Motor, IPMSM)具有结构间单、体积小、效率高等特点。与异步电动机相比,它不需要无功励磁电流,因此功率因数高,可以测量转子的参数、定转子气隙大、控制性能较好;与直流电机相比,它没有机械换向器和电刷。近年来,随着对内置式永磁同步电机研究的逐步深入,其被广泛应用于家用电器、电动汽车、新能源发电、航空航天等领域,其正逐渐朝着高功率、高功能化和小型化等方面发展。无传感器控制消除了传统的位置传感器带来的环境适应性,安装麻烦等问题,提高了系统可靠性并降低了系统安装成本。本文主要研究了基于高频电压信号注入法的永磁同步电机无传感器控制策略。
首先,本文建立了永磁同步电机在原始坐标系下的数学模型,分析了永磁同步电机基于电流PI控制的矢量控制原理。介绍并分析了几种传统的高频电压信号注入法原理,指出虽然传统的高频电压信号注入方法研究正在取得进展,然而还存在诸如具有多个零点和闭环调节收敛时间长等缺点。
然后,本文基于传统的高频方波电压注入法,提出了一种新的高频正交方波注入法来解决原系统中存在多个零点的问题,仿真结果表明,该方案具有更好的启动性能,快速的动态响应过程,能够精确辨识转子的初始位置。
最后,本文介绍了利用磁极极性的原理,并根据原理介绍了选择所需注入的低频电流幅值及频率的原则,仿真结果表明该方法使得系统响应速度快且能准确辨识磁极极性。
关键词:永磁同步电机;高频电压信号注入法;转子初始位置辨识;磁极极性辨识
Abstract
Interior Permanent Magnet Synchronous Motor (IPMSM) has the characteristics of single structure, small size and high efficiency. Compared with asynchronous motor, it does not need reactive excitation current, so it has high power factor, can measure the parameters of rotor, large air gap between stator and rotor, and has better control performance. Compared with DC motor, it has no mechanical commutator and brush. In recent years, with the gradual deepening of the research on built-in permanent magnet synchronous motor, it has been widely used in household appliances, electric vehicles, new energy generation, aerospace and other fields. It is gradually developing towards high power, high functionality and miniaturization. Sensorless control eliminates the environmental adaptability and installation troubles caused by traditional position sensors, improves the reliability of the system and reduces the installation cost of the system. This paper mainly studies the sensorless control strategy of permanent magnet synchronous motor based on high frequency voltage signal injection method.
Firstly, the mathematical model of PMSM in the original coordinate system is established, and the vector control principle of PMSM based on current PI control is analyzed. Several traditional high frequency voltage signal injection methods are introduced and analyzed. It is pointed out that although the traditional high frequency voltage signal injection methods are making progress, there are still some shortcomings, such as having multiple zeros and long convergence time of closed loop regulation.
Then, based on the traditional high-frequency square-wave voltage injection method, a new high-frequency quadrature square-wave injection method is proposed to solve the problem of multiple zeros in the original system. The simulation results show that the scheme has better start-up performance, fast dynamic response process and can accurately identify the initial position of the rotor.
Finally, the principle of using magnetic polarity is introduced, and the principle of choosing the amplitude and frequency of the low frequency current to be injected is introduced. The simulation results show that the method can make the system response fast and identify the magnetic polarity accurately.
Key words: permanent magnet synchronous motor; high frequency voltage signal injection method; rotor initial position identification; magnetic polarity identification
目 录
摘 要 I
Abstract II
第1章 绪论 1
1.1 研究背景和意义 1
1.2 基于IPMSM无位置传感器控制策略的发展状况 2
1.3 主要研究内容 3
第2章 永磁同步电机数学模型及矢量控制 4
2.1 永磁同步电机数学模型 4
2.2 基于电流PI控制的永磁同步电机矢量控制原理 6
2.3 本章小结 7
第3章 基于高频电压注入法无传感器控制 8
3.1 高频正弦电压注入法 8
3.1.1 高频旋转电压信号注入法 8
3.1.1 高频脉振注入法 9
3.2 高频方波电压注入法 10
3.3 本章小结 13
第4章 基于高频正交方波电压注入法无传感器控制 14
4.1 高频正交方波电压注入法原理及分析 14
4.2 转子初始位置辨识原理分析 16
4.3 本章小结 18
第5章 磁极极性辨识原的原理及分析 19
5.1磁极极性辨识原理分析 19
5.2低频正弦电流幅值和频率选则 20
5.2.1 幅值选取 20
5.2.2 频率选取 22
5.3 本章小结 24
第六章 仿真验证与仿真结果分析 25
第七章 总结 30
参考文献 31
附录 33
致谢 34
第1章 绪论
1.1 研究背景和意义
内置式永磁同步电机具有结构间单、体积小、效率高,起动/制动性能较好,高可靠性等优点,广泛运用于家用电器,电动汽车,新能源发电等领域。它正逐渐朝着高功率化、高功能化和小型化等方面发展。
现今在各种永磁同步电机交流传动控制系统中,高精确度和高响应速度越来越成为人们所关注的重点,为了实现永磁同步电机高精度、高动态响应速度和准确的位置控制,需要对永磁同步电机转速与转子位置进行闭环控制。在传统的传动控制系统中,通常会在永磁同步电机的转子轴上安装机械式的转子位置传感器(编码器、旋转变压器等),这些机械式传感器会给传动系统带来诸如系统可靠性降低,安装成本增加,安装复杂和对工作环境适应性差等问题,为了解决机械式传感器对永磁同步电机交流传动控制系统带来的各种问题,许多学者对无位置传感器控制技术进行了研究。永磁同步电机无位置传感器控制技术的产生减去了传统的机械式位置传感器引起的环境适应性差、安装及维护困难等麻烦,提高了永磁同步电机交流传动控制系统的可靠性,并降低了其成本。
在许多无位置传感器控制技术中,高频电压信号注入法已经成为一个热门的研究课题,因为它可以实现在低速甚至零速时对转子位置信息进行准确的估计。传统的高频电压信号注入法的工作机理是在基波电压的基础上注入高频正弦电压信号,形成高频响应电流信号,再处理形成的高频响应电流信号,从而来获得转子的位置估计信息,然而,为了从高频响应电流信号中提取出有转子位置估计信息,滤波器的使用必不可少。但是,滤波器的使用限制了控制系统的带宽,进而影响了系统的动态响应速度,这样限制永磁同步电机无传感器控制技术在需要高动态性能场合中的应用。针对这个问题,已经提出了一种不需要使用滤波器的高频方波电压注入法,然而,该方法存在多个零点,并且闭环调节收敛时间长,不能精确辨识磁极极性。此外,在转子初始位置未知时的情况下起动永磁同步电机,可能存在电机的起动电流过大,无法正常起动,甚至电机出现反转等问题。因此,精确地辨识转子的初始位置和转子磁极极性对于改善永磁同步电机无位置传感器控制性能是必不可少的,所以还有必要对高频方波电压注入法做进一步的研究。
1.2 基于IPMSM无位置传感器控制策略的发展状况
由于IPMSM无位置传感器控制技术具有巨大的优势,从上世纪70年代开始,国外的学者就积极参与到研究工作中了。国外学者A.Abbbbondanti等人将无位置传感器控制技术运用到了交流感应电机中,基于交流感应电机的稳态数学模型,估算交流感应电机的转差频率,但是由于估计模型的原因,交流电机整体动态响应速度慢,性能较差。1979年,M.Ishida等人采用转子谐波对电机转速进行估测的无位置传感器控制技术,但那个时候的检测技术和微处理器的运算能力发展不成熟,极大的限制了该项技术的发展,只有电机运行速度较高时才能对转速进行较精确的检测。之后矢量控制理论产生并被成功运用到了无位置传感器控制技术中,极大的促进了无位置传感器控制技术的发展。
20世纪九十年代,美国威斯康大学电力电子中心的R.D.Lorenz教授与其团队首次成功将高频信号注入法运用到永磁同步电机矢量控制系统中,实现了系统的无位置传感器控制,这种方法在低速时能够取得较好的估计结果,但也有明显的缺点。与 R.D.Lorenz教授同期对高频信号注入法运用到永磁同步电机矢量控制系统领域进行研究的还有韩国首尔国立大学的 Seung-ki Sul教授及其团队,他们也发表了大量和各种电机无传感器控制技术相关的学术论文,对电机无传感器控制技术的发展起到了极大的促进作用。
国内对于无传感器控制技术的研究相对于国外来说发展较晚一些,不过也有许多学者对电机的无传感器控制技术的相关课题作了深入研究,并取得了较大的进展。沈阳工业大学的王丽梅教授针对高频正弦电压信号注入法,研究了一些影响位置估算精度的误差源,实现多凸极性的补偿,提高了系统的观测精度。浙江大学的贺益康教授也针对永磁电机无传感器控制系统运行在零低速时的一些关键问题进行了研究。清华大学的李永东教授等人在研究期间,着重对无位置传感器的高频注入法和观测器法两方面进行研究,在国际上发表了多篇相关论文。在此期间,国内一些著名高校也对无位置传感器展开深入的研究,取得很大发展,为无传感器技术的发展奠定了重要基础。
1.3 主要研究内容
通过阅读国内外相关文献,总结了内置式永磁同步电机无传感器控制技术的研究背景及发展现状,并对现有的高频电压无位置传感器控制技术进行了深入的学习。针对永磁同步电机无传感器控制技术的研究现状及其现在存在的问题,确定了本文的研究重点:提出了一种新的高频正交方波注入法无传感器控制策略,并通过仿真验证此方法的可行性。本文的内容及结构如下:
第1章阐述论文的研究背景及研究意义,对永磁同步电机无传感器控制技术的发展历程做了简单的介绍。
第2章介绍了永磁同步电机在不同坐标系下数学模型的建立以及对永磁同步电机基于电流PI控制的矢量控制原理的分析,为无传感器控制系统提供了理论依据。
第3章介绍了三种传统的高频电压注入法的原理,对它们进行理论分析,证明了传统高频电压注入法的可行性,并指出它们还存在的问题,因此需要对无传感器控制技术进一步研究。
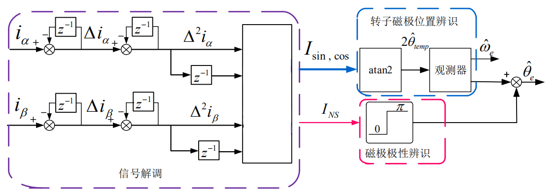
第4章针对上述方法还存在的问题进行改进,提出一种新的高频正交方波电压注入控制策略,分析并进行仿真验证该方法能快速精确的辨识转子的初始位置信息。
第5章介绍利用新型高频正交方波注入法辨别磁极极性的原理,并对该方法所需的低频正弦电流的幅值和频率进行理论分析,选取合适的低频正弦电流,并进行仿真验证能准确的辨识磁极的极性。
第6章为仿真验证的结果分析。
第7章为本文的总结与展望。
第2章 永磁同步电机数学模型及矢量控制
2.1 永磁同步电机数学模型
建立永磁同步电机数学模型为研究其自身各项参数及性能与及各种实际永磁同步电机传动系统之间的关系提供了理论依据。为了建构内置式永磁同步电机的基频数学模型,必须要做出如下三个假设:
(1)去除环境温度影响,电机运转频率变化对电机额定参数的影响。
(2)忽略定子绕组对气隙磁场分布的影响;
(3)假设三相绕组对称分布,产生的磁动势沿气隙按正弦方式分布;
必须满足以上三个假设,才能构建永磁同步电机的基频数学模型。建立永磁同步电机在自然坐标系下的三相原始动态数学模型,其电压方程为:
(2-1)
式中 、、——;
——;
——;
——三相绕组的全磁链;
定子磁链方程:
= (2-2)
其中 、、 ——
——三相绕组各绕组自感;
——三相绕组定子绕组互感;
——转子位置角;
——永磁体磁链。
电机转矩方程:
(2-3)
式中 Tⅇ——电磁转矩;
为了更方便的对永磁同步电机传动系统进行控制,通常采用坐标变换原理简化永磁同步电机自然坐标系下的的原始三相数学模型。简化永磁同步电机的自然坐标系下的数学模型的变换方法通常包括两种类型:静止坐标变换和同步旋转坐标变换。
静止坐标变换实现由三相自然坐标系下数学模型到两相静止坐标系α-β下数学模型的转换。根据等磁动势的原则,自然坐标系和静止坐标系之间的电流关系如式(2-4)所示:
(2-4)
其中,。
同步旋转坐标变换(Park变换)实现由静止坐标系α-β下数学模型到同步旋转坐标系d-q下数学模型的转换。静止坐标系和同步旋转坐标系之间的电流关系如式(2-5)所示:
(2-5)
三相自然坐标系、α-β两相静止坐标系与d-q同步旋转坐标系的空间矢量关系如图2-1所示:
图2.1 三种坐标系的位置关系图
由坐标变换原则可得出永磁同步电机在两相静止坐标系α-β下的电压动态数学模型如下:
电压方程:
(2-6)
磁链方程:
(2-7)
转矩方程:
(2-8)
将等式(2-7)代入等式(2-6)中可得电压方程为:
(2-9)
类似该方法可得永磁同步电机在同步旋转坐标系d-q下的电压数学模型:
(2-10)
式(2-6)~(2-10)中
——定子电压,定子电流d-q轴分量;
——定子电压,定子电流,磁链α-β分量;
——等效两相定子绕组电感;
——电感d-q轴分量;
电机角速度。
2.2 基于电流PI控制的永磁同步电机矢量控制原理
本文主要研究永磁同步电机零速或低速运行时的无传感控制技术,只和永磁同步电机的励磁电流相关,所以采用基于励磁电流的PI环控略,当永磁同步电机励磁电流时,永磁同步电机矢量控制系统有动态响应速度快、良好的抗负载扰动性能、较好的调速特性等优点,。图2.2为基于电流PI控制的永磁同步电机矢量控制框图。

图2.2 基于PI控制永磁同步电机矢量结构图
以上是毕业论文大纲或资料介绍,该课题完整毕业论文、开题报告、任务书、程序设计、图纸设计等资料请添加微信获取,微信号:bysjorg。
相关图片展示:







您可能感兴趣的文章
- 一种确定磁探针集总电路参数的标定方法外文翻译资料
- 一种人体可接触的大气压低温等离子体射流装置研究(适合电气B方向)毕业论文
- 氩氧中大气压DBD放电特性研究(适合电气B方向)毕业论文
- 大气压氩等离子体射流放电影响因素的仿真研究(适合浦电气B方向)毕业论文
- 含氧高活性均匀DBD改性聚合物薄膜研究(适合浦电气B方向)毕业论文
- 反应器结构对气液两相DBD放电特性的比较(适合浦电气B方向)毕业论文
- 南京某公司研发楼电气设计毕业论文
- 金帆北苑地块经济适用住房——02栋商住楼电气设计(适用于浦电气1004~06A方向学生)毕业论文
- 扬州人武部大楼电气设计毕业论文
- 金帆北苑地块经济适用住房——04栋商住楼电气设计(适用于浦电气1004~06A方向学生)毕业论文


