车用热电发电新型电源系统的关键技术研究(最大功率跟踪与拓扑结构优化)毕业论文
2020-02-18 11:05:33
摘 要
汽车燃料燃烧生成的70%左右的化学能都可以通过热电发电技术进行回收,近年来,利用热电器件吸收汽车废气余热进行温差发电,实现汽车的节能与减排具有十分重要的理论意义和应用价值。但是对热电发电输出的最大功率进行跟踪还存在速度慢、精度低等问题。
本文提出了一种基于非等分多分法的热电发电最大功率点跟踪方法。通过多点采样的搜索方法,快速准确的找出最大功率点的近似区域。根据已知条件可以推测出,当热电模块的开路电压在外界条件发生变化时,热电模块的最高功率和开路电压近近似为正比的关系。为了验证该方法,首先建立了一个汽车尾气余热发电热能采集试验台。采用DC/DC转换器,在五种不同的负载条件下,测量热电发电模块的输出电压与输出功率的实际值,然后采用多项式函数的方法对测得的数据进行拟合,得到输出电压与输出功率的函数曲线;选定函数初始区间并确定求解精度,然后使用多点取样法将较大的取值区间分割为较小的求解区间,通过比较找出最大值所在的区间,再重复上述步骤,直到达到要求的求解精度,从而找到热电发电模块输出功率最大值。实验结果表明,当发动机工作在3300rpm@71NM工况,不等分多分法能在40毫秒内跟踪最大功率,误差为0.1毫伏。相比传统的最大功率跟踪方法,本文所提出的方法在跟踪速度和精度上都有比较大的提升。
关键词:汽车尾气热电发生器;最大功率点跟踪;跟踪速度;跟踪精度;不等分多点采样法。
ABSTRACT
About 70% of the chemical energy generated by automotive fuel combustion can be recovered by thermoelectric power generation technology. In recent years, it is of great theoretical significance and application value to use thermoelectric devices to absorb the waste heat of automotive exhaust gas for thermoelectric power generation to achieve energy saving and emission reduction of automobiles. However, there are still some problems in tracking the maximum power output of thermoelectric power generation, such as slow speed and low precision.
This paper presents a maximum power point tracking method for thermoelectric power generation based on non-equal multi-component method. Through the search method of multi-point sampling, the approximate region of maximum power point can be found quickly and accurately. According to the known conditions, it can be inferred that when the open-circuit voltage of the thermoelectric module changes in the external conditions, the maximum power of the thermoelectric module is approximately proportional to the open-circuit voltage. In order to verify this method, a thermal energy acquisition test-bed for automobile exhaust heat generation is established. Using DC/DC converter, the actual output voltage and power of thermoelectric power generation module are measured under five different load conditions, and then the measured data are fitted by polynomial function method to obtain the function curve of output voltage and power; the initial range of function is selected and the solution accuracy is determined, and then the larger sampling range is determined by multi-point sampling method. Divide it into smaller solution intervals, find out the maximum value by comparing, and repeat the above steps until the required solution accuracy is reached, so as to find the maximum output power of thermoelectric power generation module. The experimental results show that when the engine operates at 3300 rpm@71NM, the unequal multi-component method can track the maximum power in 40 milliseconds with an error of 0.1 mV. Compared with the traditional maximum power tracking method, the proposed method improves the tracking speed and accuracy greatly.
Key words: automobile exhaust thermoelectric generator; maximum power point tracking; tracking speed; tracking accuracy; unequal multi-point sampling method.
目录
第1章 绪论 1
1.1 目的及意义 1
1.2 研究现状 1
1.3 研究方向 2
第2章 热电发电器系统介绍 3
2.1 热电模块 4
2.2 热电发电器参数 4
2.3 DC/DC转换器 6
2.4 热电发电器系统电压监测及温度监测单元 7
第3章 基于不等分多分法的最大功率跟踪方法 8
3.1 概念 8
3.2 不等分多分法的具体步骤 8
3.2.1 具体步骤 8
3.2.2 具体步骤解析 8
3.3 功率电压拟合函数 11
3.3 取样点数及位置的设计 13
3.3.1 取样点数的设计 14
3.3.2 采样点位置的设计 14
第4章 实验结果与分析 16
4.1 实验台架设计 16
4.2 实验数据测量 16
4.3 实验结果 18
第5章 结论与展望 23
5.1 结论 23
5.2 展望 23
参考文献 24
致 谢 25
绪论
目的及意义
近些年来,随着工业化进程的逐渐加深,环境污染、能源短缺和气候气候变暖是全球面临的巨大挑战,如何清洁、高效的利用能源是能源行业急待解决的问题。截止2018年,中国汽车保有总量为3.19亿量,随着我国汽车数量的不断增多,我国的石油消耗量也越来越大,这意味着将会有越来越多的汽车尾气废热排放到外界环境中,造成大量的能源浪费的同时也造成了严重的环境污染。
传统燃油汽车的动力源是发动机,由于受到卡洛循环工质温差的限制发动机的燃料能量转换效率很低。如图1.1所示燃料汽车内燃机中燃料燃烧产生的能量约有40%随汽车尾气排入大气,约有30%的能量被冷却液带走,真正用于汽车行驶的能量只占30%左右[1]。汽车尾气废热发电技术作为当前世界具有前瞻性的节能减排研究领域之一,被美国能源部确定为当前汽车节能最为前沿的重大技术,并在 2009 年与中 国国家能源局一起签订了与其相关的清洁能源战略合作协议[2]。热电转换技术(又称温差发电技术)是利用半导体热电材料的赛贝克 (Seebeck)效应和珀尔帖(Peltier)效应直接将热能和电能进行转换的技术[3],如果能够通过热电转换技术对汽车尾气废热进行回收,那么不仅能够提高汽车燃燃料的有效利用率,同时也会减少环境污染。而快速准确的找到汽车废气余热发电的最大功率点,可以控制使热电发电输出永远工作在最大功率点,从而增加汽车燃料的能量利用率。因此找到一种能够快速确定热电发电最大功率跟踪的方法是十分重要的。
研究现状
汽车尾气热电发电器系统在汽车上的应用前景十分广阔[4-5]。热电发电系统可以回收汽车尾气的废热,并将其转化为电力,用于蓄电池充电。汽车安装有热电发电器系统可以提高大概10%的燃料利用率。
最大功率点跟踪方法主要用于太阳能光伏发电[6-10],为了确保光伏发电系统工作在最 大功率点上,常常利用数字控制器控制能量调节器中开关管的开关频率,使系统实时跟踪最大输出功率。人们早期对最大功率点跟踪方法的研究主要是通过改变多个光伏电池串并联组合的方式,在特定的外界条件下获得较大的输出功率。目前,国内外学者对最大功率点算法主要集中在数学模型优化和最大功率跟踪算法集成,湖南大学根刘军对最大功率点跟踪的DC/DC变换电路拓结构扑进行分析,对Boost变换电路相关参数进行设计,上海电力学院陈剑提出一种基于扰动观察法的模糊控制来实现最大功率点跟踪,并在Boost电路上实现了其功能。某学者提出变步长方法来追踪最大功率点[6] 。据已发表的文献结果表明,已经存在的最大功率点跟踪方法主要有扰动观察法[7]、增量电导法[8]、二分法[6]和梯度法[9]等单一优化算法,还有一些智能算法,如模糊逻辑[10]和神经网络[11]算法,都被用于寻找最大功率点。
热电发电器系统在不同条件下的输出功率会先随输出电压的增大而增大,在达到最大功率点之后,会随输出电压的增大而减小,即在正常实验条件下只存在一个最大功率点[12-13]。因此,最大功率点跟踪控制适用于对热电发电器系统的最大功率点进行跟踪。热电发电器系统的功率电压曲线会随发动机状况的变化而迅速变化。因此,在热电发电器系统中,除了要求跟踪精度高外,还需要较高的跟踪速度,以便快速准确的找到最大功率点,这些因素是跟踪热电发电器系统的最大功率的最重要的指标,这无疑的促使了对新的跟踪算法的研究,以实现跟踪速度与精度兼优的热电发电系统最大功率实时跟踪技术[14,15]。
1.3 研究方向
本文提出了一种用不等分多点采样法对最大功率进行跟踪的迭代方法。首先,测量热电发电器的输出电压和电流值;然后根据测量的电压和电流值计算输出功率。最后,对输出功率和输出电压进行拟合求出拟合函数。采用不等分多点采样方法对最大功率进行快速跟踪,即使用多点取样法将较大的取值区间不等分分割为较小的求解区间,通过比较找出最大值所在的区间。是一种比较优秀的最大功率点跟踪方法。
热电发电器系统介绍
热电发电器系统由一个热交换器、两个热电模块和两个冷却装置部分组成。热电发生器的实物图和示意图分别如图2.1和图2.2所示。其中,冷却系统包括一个水泵、一个水箱、一个风扇和两个阀门。热电模块每层的热侧连接到热交换器,而冷侧连接到冷却单元1和冷却单元2。

图2.1 热电发电器实物图

图2.2 热电发电器示意图
2.1热电模块
每个热电模块分别包含有30个单热电模块,分别排列成五排六列位于换热器两侧,如图2.3和图2.4所示。冷却装置1和2形成一个单柱冷源结构,即一层中每列五个热电模块的冷侧固定在一个普通的小型冷却容器上,而每层的六个冷却容器构成完整的冷却装置。热电模块、热交换器和冷却单元之间的接触压力可自由调节。

图2.3 热电模块1示意图

图2.4 热电模块2示意图
2.2 热电发电器参数
设计的热电发电器试验台使用的发动机由法国雪铁龙公司制造。热交换器由黄铜制成,所有热电模块均由碲化铋材料制成,属于低慢热电材料,其最佳运作温度小于300℃,是一种被广泛使用于热电致冷领域的热电材料。有关热电发电器系统的相关参数见表2.1。
表 2.1 热电发电器系统相关参数 | |
名称 发动机 测功器 泵 风扇 热交换器 冷却容器 热交换模块 | 参数 发动机容量: 1997 cc 最大功率: 108 kW (6000 r/min) 最大扭矩: 200 NM (4000 r/min) 最大承受功率: 160 kW 最大转速: 6000 r/min 最大承受扭矩: 600 NM 电源: 220 VAC 最大功率: 750 W 总排水量: 13200 kg/h 电源: 12 VDC 额定功率: 750 W 内部厚度: 3 mm 导热面积: 542 mm 9280 mm 尺寸: 280 mm 960 mm 926 mm 最高工作温度: 350 尺寸: 56 mm 956 mm 96 mm |
2.3 DC/DC转换器
本文设计了一种采用MPPT算法的DC/DC转换器,作为热电发电器系统与车辆蓄电池的接口。当发动机在各种工况下运行时,此DC/DC转换器需要连续跟踪热电发电器系统输出的最高功率。
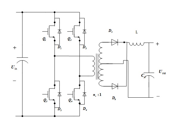
考虑到热电模块输出电压范围宽,采用了一种隔离全桥直流转换器,该转换器的拓扑结构如图2.5所示。在电压模式下工作时。该转换器采用隔离变压器来隔离输入、输出和调节电压波动,因而具有较宽的电压调节范围。隔离变压器的前副边匝数比为nr:1,通过改变nr可以有效地改变输入电压的数值。

图2.5 DC/DC转换器的拓扑结构
如图2.5所示,电源变压器T1连接在晶体管Q1和Q2的节点和晶体管Q3和Q4的节点之间。在每个工作周期中时,晶体管Q1和Q4以及晶体管Q2和Q3交替导电。传导时间是可以调节的。一次变压器的电压是方波,具有一定的振幅。
整个电路的工作原理如下。假设如果每个开关晶体管的传导电压降为1 V,整流二极管的传导电压降为0.5 V,那么转换器的输出电压为:
(2.1)
(2.2)
式中,代表输出电压,代表输入电压,Ns、Np分别代表变压器原边和副边的匝数,为传导时间、T为周期;为原副边匝数比。
由电路图可知,当输入电压Uin上升或下降时,根据变压器原边电压和副边电压的比为原边和副边比的倒数,脉宽调制器将会使脉宽以相同比例减小或增加,以确保其保持不变,从而使输出电压大小保持恒定。
在单个控制周期中,可以计算由模数转换模块(ADC)捕获的给定值(VSET)和实际电压值(Vdc)之间的误差,然后通过比例积分(PI)调节器计算得到控制信号值。控制信号值(VCTRL)作为脉宽调制(PWM)模块的输入,通过与VCTRL输入的比较寄存器和相应的时基计数器可以获得PWM控制波形。最后,信号通过驱动模块打开或关闭绝缘栅双极晶体管(IGBT)。
2.4 热电发电器系统电压监测及温度监测单元
设计热电发电器系统的电压监测以及温度监测单元的作用是为了监测热电发电器系统的60个单热电模块的工作电压以及温度。在热电发电器实验台中设计并建造了一个温度监测单元和一个电压监测单元。电压监控单元包括四个从监控板,每个板可实时检测15个单热电模块的电压。
而为了获取热电发电器的电压和功率大小,在DC/DC转换器中嵌入了一个霍尔电压电流传感器,它可以测量任意波形的电流和电压,如直流、交流、脉冲、三角波形等,甚至对瞬态峰值电流、电压信号也能实时的进行监测。通过霍尔电压电流传感器可以十分准确的监测热电模块的电压和电流,如此便可以计算出热电模块的实时功率大小。
基于不等分多分法的最大功率跟踪方法
3.1 概念
不等分多分法的提出,是为了更加快速准确的找到热电发电系统的最大功率点,并对其进行追踪,以便在汽车尾气废热发电时一直处于最大功率点;提高热电发电的效率。从而减少能源的浪费,提高汽车燃料的使用率,进而降低环境污染。
以上是毕业论文大纲或资料介绍,该课题完整毕业论文、开题报告、任务书、程序设计、图纸设计等资料请添加微信获取,微信号:bysjorg。
相关图片展示:







您可能感兴趣的文章
- 一种确定磁探针集总电路参数的标定方法外文翻译资料
- 一种人体可接触的大气压低温等离子体射流装置研究(适合电气B方向)毕业论文
- 氩氧中大气压DBD放电特性研究(适合电气B方向)毕业论文
- 大气压氩等离子体射流放电影响因素的仿真研究(适合浦电气B方向)毕业论文
- 含氧高活性均匀DBD改性聚合物薄膜研究(适合浦电气B方向)毕业论文
- 反应器结构对气液两相DBD放电特性的比较(适合浦电气B方向)毕业论文
- 南京某公司研发楼电气设计毕业论文
- 金帆北苑地块经济适用住房——02栋商住楼电气设计(适用于浦电气1004~06A方向学生)毕业论文
- 扬州人武部大楼电气设计毕业论文
- 金帆北苑地块经济适用住房——04栋商住楼电气设计(适用于浦电气1004~06A方向学生)毕业论文


