电动汽车充电桩系统设计毕业论文
2020-02-18 11:05:19
摘 要
在全球能源危机的大环境下,对新能源的需求也日益强烈,电动汽车技术于是应运而生,并得到飞速发展,日趋成熟。同时,电动汽车的能量存储和再利用这一热门研究方向,伴随着近年来基于V2G技术的电动汽车充放电技术的不断发展,受到全世界的广泛研究。除了电动汽车本身技术的支持,要实现其全球化的普及,相关基础设的施建设也同样刻不容缓,绿色环保高效率的电动汽车充电桩也在全世界迅速地建设起来。
本论文首先对电动汽车充放电技术的发展现状做了介绍,并详细分析了现阶段国内外热门的V2G技术。根据电动汽车充放电的需求,确定了充放电系统的主电路拓扑结构,即主体结构为前级三相电压型PWM整流器和后级双向半桥DC-DC变换器的主电路拓扑。同时对PWM整流器的控制策略进行选定,通过对比确定了控制性能更为优越的电压空间矢量控制。为消除电池的极化效应,提高电池的使用寿命,双向半桥DC-DC 变换器采取了先恒流再恒压充电与恒流放电的控制策略。
最后,将设计总体电路图应用于MATLAB/Simulink软件中,通过建模仿真验证了前级PWM整流器和后级DC-DC变流器的控制策略的正确性。可实现先恒流再恒压式充电和恒流式放电,验证了该充放电系统的电能双向流动的可行性。
关键词:PWM整流器;电压空间矢量;DC-DC变流器;双闭环PI控制
Abstract
In the context of global energy crisis, the demand for new energy is increasingly strong. The electric vehicle technology thus arises at the historic moment, and obtains the rapid development, day by day mature. At the same time, the hot research direction of energy storage and reuse of electric vehicles, along with the continuous development of charging and discharging technology of electric vehicles based on V2G technology in recent years, has been widely studied all over the world. In addition to the technical support of electric vehicles themselves, to achieve the popularization of their globalization, the construction of related infrastructure is also urgently needed. Green, environmentally-friendly and efficient charging piles for electric vehicles are also rapidly built all over the world.
In this paper, the development status of electric vehicle charging and discharging technology is introduced at first, and the popular V2G technology at home and abroad is analyzed in detail. According to the charging and discharging requirements of electric vehicles, the topological structure of the main circuit of the charging and discharging system is determined, that is, the main structure is the main circuit topology of the front-stage three-phase voltage type PWM rectifier and the back-stage bi-directional half-bridge dc-dc converter. At the same time, the control strategy of PWM rectifier is selected. In order to eliminate the polarization effect of the battery and improve the service life of the battery, the bidirectional half-bridge dc-dc converter adopts the control strategy of constant current first, then constant voltage charging and constant current discharge.
Finally, the design of the overall circuit diagram is applied to MATLAB/Simulink software, through modeling and simulation to verify the front PWM rectifier and the rear dc-dc converter control strategy is correct. Constant current then constant voltage charging and constant current discharge can be realized, which verifies the feasibility of bidirectional flow of electric energy in this charging and discharging system.
Keywords:PWM rectifier; Voltage space vector; DC-DC converter; Double closed-loop PI control
目录
第1章 绪论 1
1.1 研究背景及意义 1
1.2 国内外研究现状 1
1.3 论文结构安排 2
1.4 论文主要研究内容 3
第2章 锂电池充放电特性与模型分析 4
2.1 锂电池工作原理 4
2.2 锂电池充电技术 4
2.2.1 充电方式 4
2.2.2 电池极化现象 5
2.3 锂电池模型 5
2.3.1 Rint模型 5
2.3.2 Thevenin模型 5
2.3.3 PNGV模型 6
2.3.4 改进型PNGV模型 6
2.4 本章小结 7
第3章 前级三相电压型PWM整流器的拓扑结构与控制策略 8
3.1 三相电压型PWM整流器的拓扑及工作原理 8
3.2 三相电压型PWM整流器的数模分析 9
3.2.1 一般数学模型 9
3.2.2 两相静止坐标系下的数学模型 10
3.2.3 dq旋转坐标系下的数学模型 11
3.3 三相电压型PWM整流器的控制策略 13
3.3.1 间接电流控制 13
3.3.2 直接电流控制 14
3.3.3 空间矢量控制 14
3.4 本章小结 15
第4章 后级双向DC-DC变换器的拓扑结构与控制策略 16
4.1 双向DC-DC变换器的拓扑结构及工作原理 16
4.1.1 双向Buck-Boost变换器 16
4.1.2 双向半桥变换器 16
4.1.3 双向Cuk变换器 17
4.1.4 双向Sepic变换器 17
4.2双向DC-DC变换器的控制策略 18
4.3 本章小结 20
第5章 充电桩系统的整体设计与建模仿真 21
5.1 充电桩系统的主体设计与控制策略 21
5.1.1 主电路及控制策略 21
5.1.2 充放电控制策略 22
5.2 双闭环PI控制设计 23
5.2.1 电流内环设计 24
5.2.2 电压外环设计 25
5.3 系统主电路的器件选型与参数整定 27
5.3.1 IGBT选型 27
5.3.2 交流侧电感的参数整定 27
5.3.3 直流测电容的参数整定 27
5.3.4 储能电感的参数整定 28
5.4 系统硬件电路设计 28
5.4.1 驱动电路 28
5.4.2 采样电路 29
5.4.3 辅助电源电路 30
5.5 充电桩系统的建模仿真 30
5.5.1 充电状态下的仿真分析 31
5.5.2 放电状态下的仿真分析 32
5.6 本章小结 33
第6章 总结与展望 35
6.1 总结 35
6.2 展望 35
参考文献 36
致谢 37
第1章 绪论
- 研究背景及意义
当今时代,在保持社会经济快稳发展的大环境下,人民大众消费能力的增强使得汽车从一项交通工具逐渐转变为城市家庭的标配生活工具。但是由于化石能源的有限性和不可再生性,人类不得不面临着能源危机的问题。同时,由此引发的交通堵塞、鸣笛噪音等的问题也日益显现,给经济社会绿色健康发展带来了不小的压力。例如,化石能源的大量消耗引发了严重的环境污染问题,近年来我国各地雾霾天气的集体爆发。究其根本,正是源于燃油汽车的快速普及所带来的尾气的大量排放的问题。目前汽车燃油的消耗量占比石油总消耗量的30%以上,而根据预估,到2020年这一占比更是会提高到55%[1]。在能源危机的今天,各国政府和各大汽车公司都深刻地意识到新能源汽车发展的必要性,是缓解能源危机,改善环境质量,实现新时代绿色环保可持续发展的关键性举措。
现阶段,世界各国都在新能源汽车领域展开了积极的探索和研究,由此带来的是近些年新能源汽车特别是电动汽车与其相关基础设施建设的快速发展。美国于2008年提出了“混合动力汽车”的概念,并出资141亿美元作为该项目的资金支持,预计在2020年后将实现约100万辆混合动力电动汽车投入运营;欧洲方面早在2000年就为应对化石能源危机,开始着手发展新能源政策,《交通道路电动化线路图》正是于此提出。我国在2012年发布了《节能与新能源汽车产业发展规划(2012-2020年)》,这一规划为以纯电动汽车为代表的新能源汽车的发展指明了方向[2]。同时近几年来可以看到,政府新出台的一系列对企业和消费者的优惠政策极大地推动了电动汽车及其配套充电设施建设的发展,表明了国家对于发展电动汽车的鼎力支持。
虽然近年来我国电动汽车产业发展迅速,但在其配套基础设施建设上仍稍显滞后。截至2018年底,2.4:1的车桩比距离国家能源局所要求的1:1还差的比较远。这一差距表明电动汽车充电桩的匮乏是制约其全面普及的重要因素。同时,充放电运行的安全合理规划、高效率充电、减少充放电过程中带来的污染这些技术上的问题都是电动汽车全面普及与规模化发展所要解决的重要课题。基于以上一系列技术问题,本文以此为契机,对该课题进行了深入的设计研究。
- 国内外研究现状
在电动汽车的领域,国外很早就开始了探索,针对电动汽车的产业发展进行了多重化的分析和研究,其发展模式较于国内更为先进。国外多年来的科研发展成果也对国内的发展起到了启蒙和导向作用,并提供了一系列的技术支持。
美国:以混合动力汽车为发展的主要方向,“公共充电”与“居家充电”两种充电方式的互补结合保证了混动汽车的续航力。2012年加州北部政府在居民区、商圈等人口车辆密集区域安装了大量的快速充电桩,为当地的电动汽车用户解决了快速充电的问题。与此同时电动汽车电池更换站的推广建设,也基本解决了用户们面临的续航不足的问题。
日本:采用公共设施充电与用户个人充电相结合、快充与慢充互补的充电方式,且电动汽车的充电基础设施由车企与政府相关部门协同建设,通过政企合作推动电动汽车的发展。截止2016年,日本快速充电站的保有量约为2000座,且数量仍在不断增长,这为电动汽车的全面普及打下了坚实基础。
德国:采用电动汽车充电站与电池更换站相结合的运营方式,以试点从小区域到大城市的方式展开研究。此方式现处于初步研发的阶段,但其表现已卓有成效,带动了汽车生产商、设备制造商及能源公司的广泛参与,对于初期发展电动汽车的国家具有借鉴意义[3]。
而在电动汽车技术领域的最前沿,不得不提的就是V2G技术[4]。V2G技术作为电动汽车与智能电网之间电能双向流动的关键性技术,从诞生的一刻便受到了全世界的广泛关注。基于该技术的电动汽车充电桩,其主体结构由前级PWM整流器和后级双向DC-DC变换器组成,这一结构可连接电动汽车与电网间的能量,实现两者间的能量互动。
美国正是这一项新技术研究的先驱,2007年福特公司与Excel Energy公司合作引入新能源汽车V2G技术,完成了“电网-电动汽车”的能量互动实验;美国的Kempton教授主导的科研团队成功地实现了电动汽车并网,为两者的连接开创了新的空间。2010年上海世博园期间,V2G技术的内涵和应用得到了详细的诠释和大力的宣传。电动汽车电池组存储电网传输的电能,当能源输出功率不足时,功率变换器将电能回馈电网以补偿功率[5]。虽然基于V2G技术的电动汽车与电网的能量互动具有极大的发展空间,但我国在这方面的研究仍处于初级探索的阶段,与此相关的充电桩、充电站与电网的能量、信息的交互也处于初级发展的时期,还需不断的摸索前行。
- 论文结构安排
论文在现有的参考文献基础上研究一种基于V2G技术的高效稳定的电动汽车充放电系统,全篇论文将分为六个部分来进行阐述。
第1章为绪论。本章主要介绍电动汽车充电桩特别是基于V2G技术的充放电系统的研究背景及意义和国内外研究现状。
第2章为电动汽车电池的特性与模型分析。本章主要分两部分进行介绍,第一部分选取锂电池为电动汽车电池模型,介绍了锂电池的充电方式与其极化现象;第二部分详细介绍了锂电池的各种等效电池模型,选取适当等效模型。
第3章为前级三相电压型PWM整流器的拓扑结构与控制策略。本章首先介绍了其基本工作原理,再者对其进行数模分析和控制策略的对比设计,最后选取合适的前级设计方案。
第4章为后级双向DC-DC变换器的拓扑结构与控制策略。本章首先介绍了其基本工作原理,再者对比不同的拓扑结构及其工作状态,考量控制策略,最后选取合适的后级设计方案。
第5章为充电桩系统的整体设计与建模仿真。本章主要分析充放电的控制策略,完成主电路的器件选型和双闭环PI的参数整定,最后对充放电状态进行建模仿真并分析验证系统的功能性。
第6章为总结和展望。总结全篇论文所做研究设计,进行深入分析,发现自己的不足之处,为后续课题的研究提出一些行之有效的方法和意见。
- 论文主要研究内容
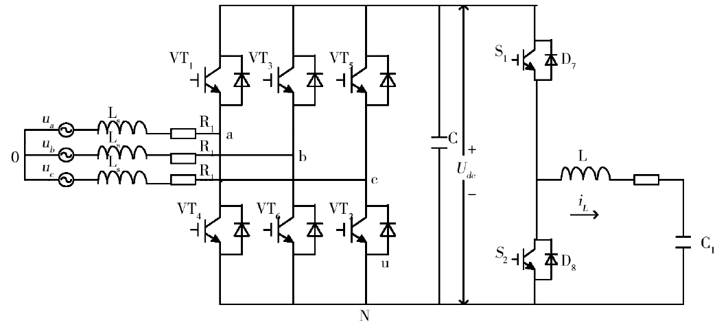
本论文研究一种基于V2G技术的电动汽车充放电系统[6],其主体电路图如下图1-1所示,主要结构包括电网侧、PWM整流环节、DC-DC升降压环节和电池组,电网侧的交流电经过PWM整流器变换为直流电,再通过DC-DC变换器降压对电池组进行充电;或电池组放电经过双向DC-DC变换器升压,其直流电通过PWM逆变器变换为交流电并入电网。实现电能可逆流动,改善网侧功率因数,提高能量利用率。

图1-1 电动汽车充放电系统主体电路图
第2章 锂电池充放电特性与模型分析
2.1 锂电池工作原理
电池性能是决定电动汽车能否最大化发展的关键因素,对动力电池而言,高比能、高比功率、使用寿命长、稳定性好、安全性高都是其真正投入生产使用所必备的重要条件。而在满足这些众多复杂的条件下,锂离子电池逐渐成为研究者们首选的动力电池。
锂电池一般负极为石墨(碳C)材料,正极为锂金属氧化物。锂电池充放电过程中,锂离子和与其等当量的电子都处于正负极间往返运动的状态。充电状态下,正极的锂离子经过电解液到达负极。而负极碳层附着的微孔正好容纳这些锂离子,充电容量随着进入负极的锂离子的增多而增大。放电状态与此过程相反,锂离子从负极碳层的微孔中脱离,返回正极,放电容量随着返回正极的锂离子的增多而增大[7]。
锂电池充放电的化学反应方程式:
正极反应:
负极反应:
电池充电总反应:
2.2 锂电池充电技术
2.2.1 充电方式
(1)恒定电流充电法
充电过程中保持充电电流始终不变,以电池允许的最大充电电流进行充电,充电电流越大,充电时间就越短。仅从时间上考虑,这种方法最好。但恒流充电由于温升过高,在充电后期会导致极板上活性物质大量脱落,电池性能迅速下降,且由于难判断停充条件,存在易过充的问题。
(2)恒定电压充电法
充电过程中保持充电电压始终不变,充电电流随时间逐渐呈指数形式减小最后约为零。恒压充电法不存在充电后期因电流过大而产生的极板活性物质脱落的问题,但其充电初期过大的充电电流同样又会影响极板活性物质性能,而后期过小的充电电流,又会延长充电时间。
(3)恒流恒压充电法
恒流恒压充电法前阶段的恒流充电使得电池进行快速充电,当充电电压达到满充电压值时开始后阶段的恒压充电,此过程中充电电流减小直到最后为零,电池完成整个充电过程。恒流恒压充电兼具恒流充电和恒压充电的优点,充电效率高,不存在过流影响电池性能,这也是目前锂电池应用最广泛、最成熟的充电方法[8]。
2.2.2 电池极化现象
以上是毕业论文大纲或资料介绍,该课题完整毕业论文、开题报告、任务书、程序设计、图纸设计等资料请添加微信获取,微信号:bysjorg。
相关图片展示:







您可能感兴趣的文章
- 一种确定磁探针集总电路参数的标定方法外文翻译资料
- 一种人体可接触的大气压低温等离子体射流装置研究(适合电气B方向)毕业论文
- 氩氧中大气压DBD放电特性研究(适合电气B方向)毕业论文
- 大气压氩等离子体射流放电影响因素的仿真研究(适合浦电气B方向)毕业论文
- 含氧高活性均匀DBD改性聚合物薄膜研究(适合浦电气B方向)毕业论文
- 反应器结构对气液两相DBD放电特性的比较(适合浦电气B方向)毕业论文
- 南京某公司研发楼电气设计毕业论文
- 金帆北苑地块经济适用住房——02栋商住楼电气设计(适用于浦电气1004~06A方向学生)毕业论文
- 扬州人武部大楼电气设计毕业论文
- 金帆北苑地块经济适用住房——04栋商住楼电气设计(适用于浦电气1004~06A方向学生)毕业论文


