某大型企业110kV电力系统继电保护设计毕业论文
2020-02-18 11:05:22
摘 要
电力系统继电保护是指 ,对电力系统运行时的相关数据进行监控,判断系统是否为故障状态,从而发出相应的信号,将故障部分切除的一种措施。本文以某110KV电力系统为例,通过确定系统的运行方式,绘制系统各相序阻抗图,进行短路计算,从而为该系统配置了继电保护系统。
为了保证系统的稳定运行,一般对各种设备配置主保护和后备保护。主保护要求故障发生时尽可能快的切除故障,保证系统的其他部分正常运行。后备保护要求主保护动作时后备保护不动作,当主保护出错没有动作时,后备保护动作并发出相应信号来保证系统的安全稳定。
关键词:110KV电力系统;继电保护;主保护;后备保护
Abstract
Power system relay protection is to prevent accidents, installed in each electrical equipment, used to reflect their failure and abnormal operation, so as to act in the breaker trip or send a signal of an effective automatic device. This paper takes the 110KV power system as an example to determine the operation mode of the system, draw the phase sequence impedance diagram of the system, calculate the short circuit, and configure the relay protection system for the system.
In order to ensure the stable operation of the system, the main protection and backup protection are generally configured for various devices. Primary protection requires fault removal as soon as possible to ensure the normal operation of other parts of the system. Back-up protection requires that the back-up protection does not work when the main protection is in operation. When the main protection fails to work, the back-up protection ACTS and sends out corresponding signals to ensure the safety and stability of the system.
Keywords: 110KV power system; Relay protection; The main protection; Backup protection
目 录
第一章 绪论 1
1.1研究背景及目的 1
1.2电力系统继电保护技术的现状和发展趋势分析 1
1.3 论文结构安排 3
第二章 短路计算 4
2.1系统线路图及相关参数 4
2.2各元件参数及标幺值的计算 4
2.3系统运行方式确定 7
2.4短路的原因、类型、后果以及短路计算的目的及原理 7
2.5各点短路计算 8
第三章 输电线路保护 21
3.1距离保护的概念 21
3.2距离保护的整定原则 22
3.3零序电流保护的概念 23
3.4零序电流保护整定原则 23
3.5距离保护的整定计算 24
3.6零序电流保护的整定计算 31
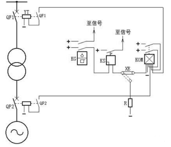
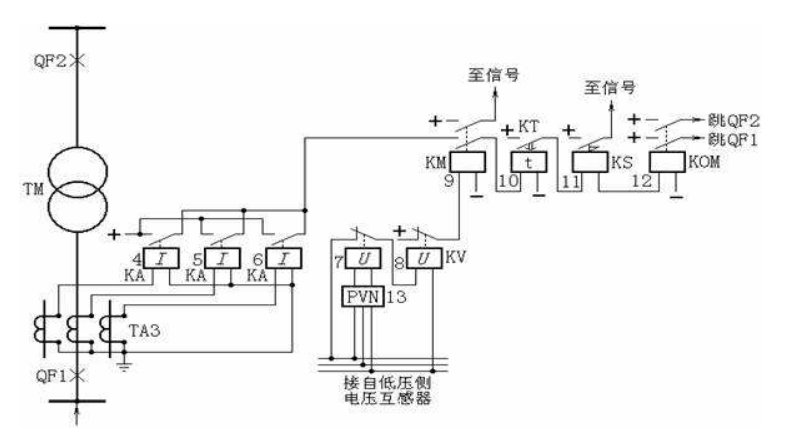
第四章 变压器、发电机和母线保护 38
4.1变压器的故障和变压器保护 38
4.2变压器复合电压启动的过电流保护 39
4.3变压器保护整定 39
4.4母线故障和完全电流母线差动保护 43
4.5全电流母线差动保护整定 43
4.6发电机的故障及不正常运行状态和发电机保护 45
4.7发电机保护整定 47
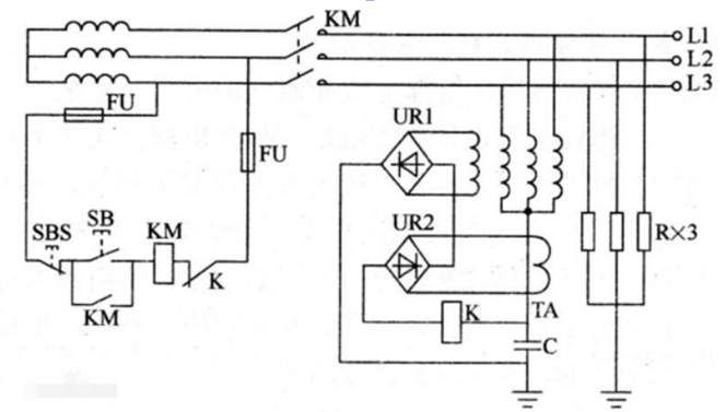
第五章 保护设备选型 48
5.1线路保护设备选型 48
5.2变压器保护设备选型 49
5.3母线保护设备选型 51
5.4发电机保护设备选型 52
第六章 总结与展望 54
参考文献 55
致谢 56
第一章 绪论
1.1研究背景及目的
1.1.1研究背景
电力系统由电气设备按组成的对电能进行开发生产与利用的一个系统。各电气设备一般处于正常运行状态,但也会因为短路、过负荷等原因出现故障或者不正常工作状态[1]。
电力系统中的所有设备在运行的时候,会受到各种各样的因素影响从而发生故障。短路故障是电力系统故障中最普遍、危害最大的。当系统发生短路的时候,会产生很大的短路电流,从而导致系统电压的降低。短路电会损坏运行中的电气设备。系统电压下降会影响用户的使用。短路甚至会破坏系统的稳定性从而导致大面积停电事故。在很多的生产企业中,大多数的生产设备都是电力设备,如果发生故障时不能够快速地解决,不仅会损坏相关的设备,还可能会造成比较大的经济损失。本文就是在这样的背景下,对某110KV企业电力系统的继电保护进行了研究。
1.1.2研究目的
电力系统继电保护是指 ,对电力系统运行时的相关数据进行监控,判断系统是否为故障状态,从而发出相应的信号,将故障部分切除的一种措施。电力系统继电保护有以下两个基本任务:
1)快速、有选择性地将故障从系统中移除,防止设备受到损坏,并保证其他正常状态部分运行。
2)检测设备的不正常运行状态,并根据相关条件进行判断,而动作于发出保护信号。
1.2电力系统继电保护技术的现状和发展趋势分析
1.2.1继电保护技术对电力系统运行发展的重要性
继电保护技术在电力行业中的作用,体现在以下几个几点:
第一,判别故障的能力。继电保护技术能够有效的识别和判断系统中的一些故障,从而找到故障的位置和原因。
第二,保证系统的安全运行。继电保护技术可以对系统运行时的数据进行检测。如果电力系统出现不正常运行的情况, 装置则能够根据事先整定好的规则发出相应的信号,从而保障系统的安全。
第三,监测电力系统运行时的状态。继电保护技术可以对电力系统运行的状态进行监测,当系统出现故障时,能够迅速的给出相应的信号,在最短时间内切除故障从而保证系统的稳定运行。
1.2.2继电保护技术在我国电力系统中应用现状
我国从20世纪80年代初开始从国外引进继电保护技术,并开始用于电力行业。到21世纪初,我国开始自行研究继电保护技术。如今,我国市场上大部分的继电保护设备都是我国自主研发的。
目前,微机技术已经运用到实际的继电保护技术中去。微机继电保护技术是指通过计算机编程来对系统进行智能的保护。我国在1984年从国外引进了第一台微机继电保护装置,开始对微机继电保护技术进行研究。目前,我国掌握的微机继电保护技术不仅拥有智能化的能力,而且具备自我检测能力。这些设备被应用到各个行业中去,从而促进我国的继电保护技术发展[2]。
1.2.3继电保护技术未来的发展趋势和方向
1)计算机化
现阶段,随着智能计算机的发展,继电保护技术的发展也有了更大的发展空间。这也对我国继电保护技术提出了更高的要求,具体来讲主要包括以下几点:第一,需具备大容量的存储能力。第二,高效率的通讯能力。第三,实现资源共享。
2)网络化
互联网技术的发展,促进了继电保护技术的发展。网络化继电技术不仅简单、经济,而且网络化的继电保护技术有着更好的性能,使得电力系统的安全保护得到了很大的提升。
3)一体化
传统的继电保护技术在系统的某一级出现故障时不能及时的给出反应。这使得电力系统的保护效率降低。一体化的继电保护技术,能够对电力系统中每一级的各个设备进行实时的监测,如果出现故障系统会自动的识别并与其他保护相配合,从而确保电力系统能够平稳高效的运行。
4)智能化
近年来, 随着我国继电保护技术的不断发展, 智能化继电保护技术成为了新的研究方向, 并被逐步运用到各个实际的系统保护中去[2]。
1.3 论文结构安排
论文在已有基础上研究110KV电力系统的继电保护配置,论文将分为六个部分来进行阐述。
第一章为绪论。本章主要介绍了电力系统继电保护的研究背景、目的,还有电力系统继电保护技术的发展现状和趋势。
第二章为短路计算。首先确定110KV系统的接线以及对相关元件的参数进行计算,然后确定系统的运行方式,绘制系统的等效电路,计算出各相序输入电抗,然后求得各点短路电流[3]。
第三章为输电线路保护。本章主要是介绍距离保护和零序电流保护的原理,并完成保护的整定值、保护动作时限等相应的计算。
第四章为变压器、发电机和母线保护。本章主要是介绍变压器、发电机和母线保护的原理,并完成相应的整定计算。
第五章为保护设备选型。本章主要对各个保护进行了设备选型,确定了各个保护所用的装置具体型号。
第六章为总结和展望。总结全篇论文,阐述一些设计时遇到的困难,为后续的研究提出一些自己的想法。
第二章 短路计算
2.1系统线路图及相关参数
110KV系统接线图如图2.1所示。发电机G1、G2的额定功率为PN=25MW,功率因数φ=0.8,次暂态电抗Xd=0.132。发电机G3额定功率PN=50MW,功率因数φ=0.8,次暂态电抗Xd=0.129。线路正序阻抗X1=0.4Ω/km,线路负序阻抗X2=0.4Ω/km,线路零序阻抗X0=0.4Ω/km。各线路最大负荷电流为300A。变压器统一为Y,D11,110±2.5.5KV,Uk=10.5%。,且仅有变压器T1、T2、T3中性点接地[4]。

图2.1 110KV系统接线图
该系统的发电容量为50-100MW。最小发电容量时发电机G1、G2投入运行,最大发电容量时发电机G1、G2、G3一起投入运行。系统采用环网结构,开网运行。母线C可由母线A和母线B供电,母线B可由母线A和母线C供电,当一端母线发生故障时,可由另一端的母线,这样的结构保证了供电可靠性,当二级线路,即母线D、E、F投入运行时,上级线路母线B、C形成环网运行,即母线B和母线C同时由两条上级线路供电[5]。
2.2各元件参数及标幺值的计算
2.2.1各元件标幺值计算原理
发电机电抗标幺值计算:
(2.1)
式中,为发电机次暂态电抗。
输电线路正负序阻抗标幺值计算:
(2.2)
式中,为线路单位长度正序阻抗,为线路长度。
输电线路零序阻抗标幺值计算:
(2.3)
式中,为线路单位长度零序阻抗,为线路长度。
变压器阻抗标幺值计算:
(2.4)
式中,为变压器短路电压。
2.2.2等值电抗计算
系统基准值:
取系统的基准功率
取系统的基准电压为
1)发电机等值电抗计算
①计算发电机G1、G2电抗标幺值
(2.5)
(2.6)
②计算发电机G3电抗标幺值
(2.7)
(2.8)
2)输电线路等值电抗
①线路正序、负序阻抗
(2.9)
(2.10)
(2.11)
(2.12)
②线路零序阻抗
(2.13)
(2.14)
(2.15)
(2.16)
3)变压器等值电抗
①变压器T1、T2等值电抗
(2.17)
则变压器电抗的有名值为
(2.18)
②变压器T3等值电抗
(2.19)
则变压器电抗的有名值为
(2.20)
③变压器T4、T5、T6、T7等值电抗
(2.21)
则变压器电抗的有名值为
(2.22)
④变压器T8等值电抗
(2.23)
则变压器电抗的有名值为
(2.24)
各设备的三序等值电抗如下表2.1所示:
设备 | 正负序电抗(标幺值) | 零序电抗(标幺值) |
发电机G1、G2 | 0.4224 | |
发电机G3 | 0.2064 | |
变压器T1、T2 | 0.333 | 0.333 |
变压器T3 | 0.175 | 0.175 |
变压器T4、T5、T6、T7 | 0.525 | |
变压器T8 | 0.7 | |
线路L1 | 0.2722 | 0.8166 |
线路L2 | 0.1512 | 0.4537 |
线路L3 | 0.121 | 0.3629 |
线路L4 | 0.0756 | 0.2268 |
表2.1 各设备三序电抗
2.3系统运行方式确定
系统的等效图如下图2.2所示

图2.2 系统等效图
最大运行方式为:系统中三台发电机全部投入,系统为开网运行时,各线路未端短路。最小运行方为三台发电机中25MW的两台发电机投入,系统为环网运行时,各线路未端短路。当下级线路投入运行时,为确保供电可靠性,上级线路为环网运行。
2.4短路的原因、类型、后果以及短路计算的目的及原理
短路指系统在不正常运行状态或者故障时,相与相之间或相与地之间的连接。
短路的原因主要有以下几个方面:1)元件的损坏、自然老化,设备的安装、维护缺陷等;2)天气原因,如雷击造成的闪络放点等;3)运行人员违规操作;4)其他,如施工损坏电缆、鸟害、鼠害等。
短路的类型主要有:单相接地短路、两相接地短路、两相短路和三相短路。在各种类型的短路中,单相接地短路最多(超过90%),两相短路较少(5%左右),三相短路最少(1%以下)。其中三相短路为对称短路,即系统虽然处于故障状态但是各相对称。其他的都是不对称短路。不对称短路在运用对称分量法后都可以等效成对称短路计算。
短路的后果一般有以下几个方面:1)产生大电流与大热量,对设备造成损伤。2)造成系统电压大幅下降,影响用户的电能使用。3)破坏系统稳定,造成大面积停电事故。
短路计算的目的是为了减小故障发生时对系统的危害以及为了后续的保护配置提供相应的参数基础。
以下操作时要进行短路计算:
1)选择电气设备时,要进行短路计算并根据计算结果对设备进行选型。
2)配置继电保护装置时,必须对系统发生的各种短路进行计算和分析,使之能正确的切除短路故障。
3)在设计电力系统的主接线时,,都要进行必要的短路计算来确保系统的安全稳定运行。
短路计算一般按以下几个步骤进行:
1)绘制系统的等值图。
2)对系统的等值电路进行简化。
3)求出各相序输入阻抗
4)运用对称分量法进行不对称短路计算
一般来说,当系统在最大运行方式下发生三相短路时,流过短路点的短路电流最大。当系统在最小运行方式下发生两相短路时,流过短路点的短路电流最小。具体情况要根据系统的结构来判断[6]。
2.5各点短路计算
2.5.1母线A处短路
1)最大运行方式下母线A发生三相短路
系统的正负序等值电路如下图2.3所示

图2.3正负序等值电路
(2.25)
(2.26)
(2.27)
(2.28)
(2.29)
2)最小运行方式下母线A发生两相短路
系统的正负序等值电路如下图2.4所示

图2.4正负序等值电路
(2.30)
(2.31)
(2.32)
3)最大运行方式下母线A发生短路
零序等值电路如下图2.5所示

以上是毕业论文大纲或资料介绍,该课题完整毕业论文、开题报告、任务书、程序设计、图纸设计等资料请添加微信获取,微信号:bysjorg。
相关图片展示:







您可能感兴趣的文章
- 一种确定磁探针集总电路参数的标定方法外文翻译资料
- 一种人体可接触的大气压低温等离子体射流装置研究(适合电气B方向)毕业论文
- 氩氧中大气压DBD放电特性研究(适合电气B方向)毕业论文
- 大气压氩等离子体射流放电影响因素的仿真研究(适合浦电气B方向)毕业论文
- 含氧高活性均匀DBD改性聚合物薄膜研究(适合浦电气B方向)毕业论文
- 反应器结构对气液两相DBD放电特性的比较(适合浦电气B方向)毕业论文
- 南京某公司研发楼电气设计毕业论文
- 金帆北苑地块经济适用住房——02栋商住楼电气设计(适用于浦电气1004~06A方向学生)毕业论文
- 扬州人武部大楼电气设计毕业论文
- 金帆北苑地块经济适用住房——04栋商住楼电气设计(适用于浦电气1004~06A方向学生)毕业论文


