退役电池多载具通用BMS主控板开发毕业论文
2020-02-18 11:04:32
摘 要
随着人类对环境污染问题的重视,零排放的电动汽车已成为一种趋势。随着大量电动汽车动力电池的退役,如何处理这些退役动力电池已成为一大难题。由于电动汽车对动力电池要求高,退役动力电池实际上仍有回收利用的价值。基于此,本文以退役动力电池为对象开发一种可在多种载具上使用的电池管理系统(BMS)。
论文首先介绍了电池管理系统国内外研究现状及BMS的功能及其硬件组成。并随后介绍了锂离子电池的几种常见模型和电池电流、电压检测的方法,包括单体电池电压检测、电池组总电压检测、充放电电流数据检测。考虑到戴维南等效电路模型兼顾参数少易于计算与结果较为精确的特点,论文根据该模型设计了退役动力电池(锂离子电池)的BMS系统及相应软硬件。论文基于STM32F407芯片设计了电池BMS系统的主电路,并基于ISL94212芯片设计了单体电压检测、温度检测、被动均衡的硬件电路及软件程序。为适应多载具需求,论文设计了能适用不同需求的宽输入的电池电压电流检测电路。基于检测的电压及电路,设计了多种保护的软硬件电路。最后,论文提出了退役电池在多种载具中的使用方案及硬件电路。
根据所设计的软硬件电路,做了部分的验证,主要包括单体电池电压检测,温度检测,被动均衡功能,及多种载具应用的验证。结果证明该设计达到了设计目标。
关键词:电池管理系统;ISL94212;单体电压检测;多载具
.Abstract
With the emphasis on environmental pollution, zero-emission electric vehicles have become a trend. With the retirement of a large number of electric vehicle power batteries, how to deal with these decommissioned power batteries has become a major problem. Since electric vehicles have high requirements for power batteries, decommissioned power batteries actually have the value of recycling. Based on this, this paper develops a battery management system (BMS) that can be used on a variety of vehicles for decommissioning power batteries.
The paper first introduces the research status of battery management system at home and abroad, the function of BMS and its hardware composition. Then introduced several common models of lithium-ion batteries and battery current and voltage detection methods, including single cell voltage detection, battery total voltage detection, charge and discharge current data detection. Considering that the Thevenin equivalent circuit model takes into account the fact that the parameters are less easy to calculate and the results are more accurate, the paper designs the BMS system and corresponding hardware and software of the decommissioned power battery (lithium ion battery) according to the model. Based on the STM32F407 chip, the main circuit of the battery BMS system is designed. Based on the ISL94212 chip, the hardware circuit and software program of single voltage detection, temperature detection and passive equalization are designed. In order to meet the needs of multi-carriers, the paper designed a wide-voltage battery voltage and current detection circuit that can be applied to different needs. Based on the detected voltage and circuit, a variety of protected hardware and software circuits are designed. Finally, the paper proposes the use scheme and hardware circuit of the decommissioned battery in various vehicles.
According to the designed hardware and software circuits, some verifications were made, including single cell voltage detection, temperature detection, passive equalization, and verification of various vehicle applications. The result proves that the design has reached the design goal.
Key Words:Battery management system; ISL94212; single voltage detection; multi-carrier
目 录
第1章 绪论 1
1.1 背景及意义 1
1.2 电池管理系统功能及硬件组成 1
1.2.1 电池管理系统功能 1
1.2.2 电池管理系统硬件组成 3
1.3 国内外研究现状分析 4
1.4 论文主要章节内容介绍 5
第2章 锂离子电池模型 6
2.1 锂离子电池工作原理及常用参数 6
2.2.1 锂离子电池工作原理 6
2.2.2 锂离子电池常用参数 7
2.2电池模型简介 7
2.2.1 非电路模型 8
2.2.2 等效电路模型 8
2.3 本章小结 10
第3章 BMS的数据采集及保护功能和均衡功能 11
3.1 电压电流采集结构 11
3.2 电压采集方法 11
3.2.1 单体电压采集原理 11
3.2.2 单体电压采集实验 12
3.2.3 总电压采集原理 14
3.3 充放电电流采集 15
3.4 温度采集 16
3.5 电压电流保护原理 18
3.4.1 电池管理系统保护介绍 18
3.4.2 电池保护原理及程序 18
3.6 被动均衡功能 19
3.7 本章小结 20
第4章 电池SOC估算方法 21
4.1 SOC估算方法 21
4.1.1 常用SOC估算方法 21
4.1.2 SOC估算方法比较 22
4.2 安时—开路电压法 23
4.2.1 安时—开路电压法原理 23
4.2.2 安时—开路电压法程序 23
4.3 本章小结 24
第5章 电池管理系统的多载具应用 26
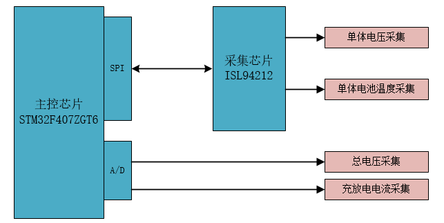
5.1 采集板结构原理 26
5.2 采集板的多载具应用实现 27
5.3 本章小结 28
第6章 总结与展望 29
6.1 总结 29
6.2 展望 29
参考文献 31
附录 32
致谢 43
第1章 绪论
1.1 背景及意义
如今能源危机与环境污染已经成为世界性的难题。能源供不应求,其中占较大部分的化石能源在人类的不断开采下,更是有着枯竭的可能。传统的燃油汽车不仅需要消耗巨量能源,更是会给环境带来严重污染。相较于燃油汽车,电动汽车没有污染物的排放,运行过程中几乎没有噪声,而且能源利用率较高。电动汽车是利用电池中储存的电能运行,而电池中的电能可以由风能、太阳能等可再生能源得到[1]。为了减小环境的污染以及缓解能源危机,电动汽车被广泛推广,世界上重要的汽车生产企业所在国家政府相继出台相关政策促进电动汽车的生产,鼓励人们购买电动汽车。
随着电动汽车的大量生产,导致大量的退役电池无处可用。基于此,本文将研制一种通用电池管理系统,将退役电池应用于多种载具之中,从而降低电池梯次利用成本。
目前电动汽车中使用的都是锂离子电池。传统的蓄电池循环寿命短,能量密度低,续航里程短,显然不能应用于电动汽车的生产中。而锂离子电池相较于传统蓄电池,有着电压高、比能量大、循环寿命长、安全性能好、自放电小、充电快速、无污染等优点[2],但它也有着不可忽视的缺点,就是非线性特征明显,单体电压具有不一致性。而电池管理系统的作用就在于此,通过对电池实时管理,从而保障电动汽车安全运行,延长电池寿命,降低生产及维护成本。
电池管理系统(BMS)是电动汽车的重要组成部分,对电动汽车的性能有着决定性的作用。锂离子电池作为动力电池有一些难以解决的问题,而电池管理系统则通过对动力电池的管理,解决其中的大部分问题,实现电池能量的高效利用,延长电池寿命,有效增加汽车续航里程等。除此之外,BMS还有着诸多的重要作用,实时监测电池组的单体电池电压、温度,电池包的总电压,充放电电流,与其他车载控制器通讯,计算电池的电荷状态,实现电池均衡功能,并在电池系统出现故障时及时发现并采取措施等。
1.2 电池管理系统功能及硬件组成
本课题是以STM32F407ZGT6芯片作为主控芯片去研制一种通用电池管理系统,通过STM32开发板先进的内核、强大的外设功能以及高性能低功耗的特点,去实现电池管理系统的诸多功能,故而在本节中,将分别介绍电池管理系统的功能与STM32开发板。
1.2.1 电池管理系统功能
电动汽车的高速发展,导致汽车生产企业对电池管理系统的要求逐渐提高。对于不同的动力电池,所需要的电池管理系统也各不相同。通常的电池管理系统拥有以下几种功能:
⑴ 数据采样。电池管理系统通常的采样包括单体电池电压采样、单体电池温度采样、电池组总电压采样以及充放电电流采样,并对这些参数进行实时监测。监测电池的状态是BMS最基本的任务,除了可以了解电池工作中的基本情况,更重要的是在得到这些数据的基础上,再进行BMS的其他诸多功能。
⑵ 电池状态估计。电动汽车电池状态主要包括电池荷电状态和电池健康状态。荷电状态(SOC)估计,及计算电池的剩余电量,是BMS中最重要的功能之一,只有确定了SOC值,才能对能源管理系统及车载控制器进行功率配置等控制策略,其估计的准确度与电池的效率息息相关。健康状态(SOH)估计,及对电池的老化程度进行估计,在电动汽车的不断使用中,其动力电池的性能会随着循环充放电次数的增加而衰减[3]。
⑶ 安全管理。电池管理系统的安全管理是基于其数据采样的结果来进行的,根据采样的类型,也分为单体电池过电压保护、过电压保护、过充过放保护、过流保护、过温保护等等,电池管理系统发现异常后,会采取如切断电路、及时报警等措施。
⑷ 能量控制管理。能量控制管理包括电池充放电管理以及电池均衡管理。在电池的充放电过程中,需要根据电池状态与环境影响的各项参数,确定最为合适的电池充放电曲线。均衡功能是电池管理系统的主要功能之一,根据单体电池电压的采集值,进行单体之间的均衡充电,使各电池电荷状态达到一致。
⑸ 信息管理。信息管理分为信息存储与信息交互。信息存储是存储电池状态的历史信息,尤其是故障状态信息。信息交互功能则是将电池数据进行处理后,根据需要传送到不同的通信端口,从而与外界进行信息交互。

图1.1 电池管理系统功能
1.2.2 电池管理系统硬件组成
本文根据电池管理系统的功能来决定研制的主控板所需要完成的任务。图1.2是主控板的结构图,可以看出主控板由主控模块、人机交互模块、数据采集模块、通信模块、和电源模块构成[4]。通过各个模块的相互协助工作,从而达到实时管理电池的目的。

图1.2 主控板结构图
主控模块包含主控芯片以及它的IO口;人机交互模块目的是实现主控板内部情况以及采集到的数据能够被用户直观的看到或听到,同时用户也可以通过按键控制主控板的部分功能;数据采集模块包括电池的电压电流及温度的采集,同时它还包含了均衡功能,实现电池电压的一致性;通信模块则是将主控板与外部设备相连;电源模块意义在于实时为主控板进行供电。
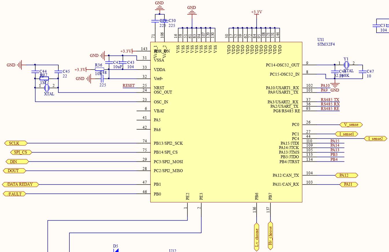
主控板的主控部分,即主控芯片以及其接口情况如图1.3所示,本文研制的BMS所涉及到的主控芯片IO口全部都在图中,通过合理的接口设计,不同的IO口各司其职,使得主控板的各种功能能够有条不紊的进行。

图1.3 主控芯片及其接口情况
本课题采用的是STM32F4开发板,包括中央处理器、数据总线、外部资源接口、输入输出设备、存储器等一系列硬件组件,使得BMS的研制更为方便。相对于其它开发板,它拥有着接口充足、配置灵活、资源充足和设计人性化的优点。
1.3 国内外研究现状分析
随着电动汽车的高速发展,电池管理技术成为一个需要不断突破、达到更高要求的难题。电池管理系统作为电动汽车相当重要的部分,它需要对电池进行实时监测与管理,充分利用电池存储的能量,使得电池得到最大化的使用,同时保护电池,保障电动汽车安全运行,延长电池的使用寿命。
在电池管理技术发展之初,它只提供检测电池电流、电压以及温度的功能。但随着电动汽车的大力发展,单一功能的电池管理系统显然需要得到发展与进步。为了更合理有效的使用电池,各国电动汽车研发人员开始将注意力放在电池管理系统上面。
国外例如日本、美国以及部分欧洲国家对电池管理系统的研究比我国快了近20年的时间,所以理论基础要比我国研究的更深入,实验设备也更多、更加先进。在国外的研究机构中,SOC与SOH的计算是BMS中相当重要的一部分,相较于BMS的其他功能而言,有着更深入的研究。国外有名的研究机构有日本青森工业研究中心,长期致力于BMS的实际运用,还有美国的Villanova大学与US Nanocorp公司联合成立的研究所,用于开发适用各种电池类型的SOC模糊逻辑预测。近年来一些国外大型汽车企业成功商业化生产了一系列BMS,针对各种电池建立了适用性很强的通用电池模型,量产了满足电动汽车性能要求的动力电池。国外具有代表性的BMS有德国开发的BADICHEQ系统和BATTMAN系统,美国著名电动汽车生产商特斯拉纯电动汽车上所使用的的BMS,日本丰田汽车生产的Pruis混合动力汽车上所使用的BMS等[6]。
国内对电动汽车的开发与电池管理技术的研究虽然起步较晚,但投身研究的企业和高校很多,发展较快,目前已经研究出多个系列的电池管理系统。但由于在SOC估算、Pack热管理、充电策略与电池模块均衡等技术难题上仍然存在很多瓶颈,且开发的BMS与车载动力电池匹配度不高[7],所以国内的BMS仍然有着很大的发展空间。生产BMS的企业有比亚迪、亿能电子等,主要分布在广东及长三角地区。
1.4 论文主要章节内容介绍
本文主要章节内容概述如下:
第一章为绪论,介绍电池管理系统的功能,以及国内外BMS的发展历程与现状。本课题目的是研制BMS主控板,故而对主控板的硬件组成与其开发板做了一定的介绍。
第二章是介绍锂离子电池模型,对锂离子电池的工作原理与相关参数有一定的讲解,并且列出了各种非电路模型以及等效电路模型,以及它们的特点。
第三章是讲述电池管理系统的数据采集及保护功能和均衡功能,数据采集包括电压电流采集和温度采集。电压电流检测除了包括主控板对总电压以及充放电电流的检测之外,还有采集板对电池的单体电压检测,并对采集板检测电池单体电压做了实际性的实验。保护部分则是利用采集到的电压电流数据对电池做一个多状态保护,附有程序原理。均衡功能采用的是采集芯片自带的被动均衡。
第四章介绍了几种常见的SOC估算方法,并对它们做出了比较,最后根据实际情况选用了安时开路电压法作为我们实验的SOC估算方法,编写了SOC估算程序并讲述了程序的计算原理。
第五章讲述了本文所研制的BMS的多载具应用,利用采集板可以测量多节电池的灵活性,达到对不同数量电池进行管理的目的。
第六章总结与展望,对本文研制的BMS主控板进行一个总结,列出已经完成的任务与论文之外实际BMS还需要解决的问题,做出展望。
第2章 锂离子电池模型
锂离子电池相对其他电池有着电压高、比能量大、安全性能好、循环寿命长、自放电小等优点,而电动汽车所需的锂离子电池属于动力锂离子电池,即容量在3AH以上,能够通过放电给设备、车辆等驱动的锂离子电池。锂离子电池是典型的非线性系统,所以为了对电池的工作状态以及SOC进行检测,我们需要构建合适的电池模型,本章将对锂离子电池及其模型进行介绍。
2.1 锂离子电池工作原理及常用参数
2.1.1 锂离子电池工作原理
锂离子电池是一种二次电池(充电电池),主要凭借锂离子在正负极之间来回移动来工作。通常包含正电极、负电极、电解质、隔膜这四种结构,正电极是某种在空气中化学性质较稳定的嵌锂金属氧化物,通过其他导电粘合剂覆着在相应基体,形成正极;负电极主要由石墨晶体组成;隔膜由高分子聚合物制成,用来分隔开正负电极,只允许锂离子通过,电子不能通过[8];电解质是使正负极之间具有离子导电性的介质。锂离子电池结构如图2.1所示。

以上是毕业论文大纲或资料介绍,该课题完整毕业论文、开题报告、任务书、程序设计、图纸设计等资料请添加微信获取,微信号:bysjorg。
相关图片展示:







您可能感兴趣的文章
- 一种确定磁探针集总电路参数的标定方法外文翻译资料
- 一种人体可接触的大气压低温等离子体射流装置研究(适合电气B方向)毕业论文
- 氩氧中大气压DBD放电特性研究(适合电气B方向)毕业论文
- 大气压氩等离子体射流放电影响因素的仿真研究(适合浦电气B方向)毕业论文
- 含氧高活性均匀DBD改性聚合物薄膜研究(适合浦电气B方向)毕业论文
- 反应器结构对气液两相DBD放电特性的比较(适合浦电气B方向)毕业论文
- 南京某公司研发楼电气设计毕业论文
- 金帆北苑地块经济适用住房——02栋商住楼电气设计(适用于浦电气1004~06A方向学生)毕业论文
- 扬州人武部大楼电气设计毕业论文
- 金帆北苑地块经济适用住房——04栋商住楼电气设计(适用于浦电气1004~06A方向学生)毕业论文


