基于卡尔曼滤波的锂离子电池的SOC状态评估毕业论文
2020-02-18 11:04:30
摘 要
随着电动汽车的发展以及新能源的大规模接入电网,作为储能单元的锂离子电池的应用也越来越加广泛,并且锂离子电池的市场规模也在不断的增长,电池在为汽车运行过程中提供动力时,需要汽车可以时刻显示电池剩余电量,并且能够保证电池时刻保持安全可靠的运行。锂电池在使用过程中,对于其荷电状态(state of charge, SOC)的准确估计非常重要,因为SOC直接关系到电池安全使用。卡尔曼滤波方法凭借其优越、可靠的动态特性获得广大学者的青睐,大量的研究结果表明卡尔曼滤波方法对于电池状态估计的优越性,基于此,本设计将开展采用卡尔曼滤波的方法进行锂离子电池的SOC状态评估研究。
本文首先介绍锂电池课题背景和研究意义以及国内外研究现状,然后根据磷酸铁锂电池的电化学特性作为出发点,分析并比较几种目前常用SOC估计方法。对电池的几种建模方法也进行选择,介绍湿度、电池容量、放电倍率等因素对电池SOC估算准确度的影响,并结合锂电池的应用环境,本文提出卡尔曼滤波算法。其次介绍锂离子电池的工作原理,并且对目前国内外比较盛行的各种锂电池模型进行对比,最终选取并搭建锂电池基于PNGV复合等效电路模型。最后介绍卡尔曼滤波的原理、卡尔曼滤波的主要方程以及流程图以及在Matlab中搭建基于卡尔曼滤波的离子电池SOC状态评估的模型,并对运行结果进行分析。
关键字:锂电池、卡尔曼滤波、电池模型、SOC评估
Abstract
With the development of electric vehicles and the large-scale access of new energy to the power grid, the application of lithium-ion batteries as energy storage units has become more widespread, and the market size of lithium-ion batteries is also constantly increasing. When power is supplied during operation, the vehicle is required to display the remaining battery power at all times and to ensure that the battery is safe and reliable at all times. Lithium batteries are very important for accurate estimation of their state of charge (SOC) during use, because SOC is directly related to the safe use of batteries. Kalman filtering method has won the favor of many scholars because of its superior and reliable dynamic characteristics. A large number of research results show the superiority of Kalman filtering method for battery state estimation. Based on this, the design will adopt the Kalman filter method. A SOC state evaluation study of a lithium ion battery was conducted.
This paper first introduces the background and research significance of lithium battery and the research status at home and abroad. Then, based on the electrochemical characteristics of lithium iron phosphate battery, several commonly used SOC estimation methods are analyzed and compared. Several modeling methods of the battery were also selected. The effects of humidity, battery capacity and discharge rate on the estimation accuracy of the battery SOC were introduced. Combined with the application environment of the lithium battery, the Kalman filter algorithm was proposed. Secondly, the working principle of lithium-ion battery is introduced, and the various lithium battery models prevailing at home and abroad are compared. Finally, the PNGV composite equivalent circuit model of lithium battery is selected and built. Finally, the principle of Kalman filter, the main equations of Kalman filter and the flow chart are introduced. The model of SOC state evaluation of ion battery based on Kalman filter is built in Matlab. The running results are analyzed.
Keywords: lithium battery, Kalman filter, battery model, SOC evaluatio
目录
第1章 绪论 1
1.1课题背景及研究意义 1
1.2 国内外研究现状及SOC估算方法 2
1.2.1 国内外研究现状 2
1.2.2 SOC估算方法 2
1.3 本文研究的目标及主要内容 4
第2章 锂离子电池模型及仿真 6
2.1 锂离子电池原理 6
2.2 锂离子电池等效电路模型 7
2.3 影响SOC估算的因素及锂离子电池模型 9
2.3.1影响SOC估算的因素 9
2.3.2 锂离子电池模型 10
第3章 卡尔曼滤波原理与流程 15
3.1卡尔曼滤波原理 15
3.2卡尔曼滤波流程 16
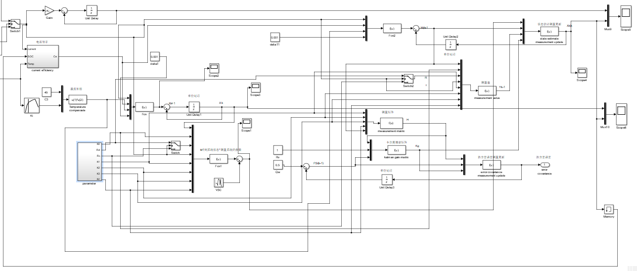
第4章 仿真模型及结果分析 18
4.1仿真模型 18
4.2运行结果分析 19
第5章 总结与展望 25
5.1 总结 25
5.2 展望 25
参考文献 26
致谢 27
第1章 绪论
1.1课题背景及研究意义
众所周知,电池由于其具有稳定的电压、电流、可以长时间持续稳定的供电并且方便携带等优势作为电能大规模存储的主要设备,电池在电动汽车及新能源的接入电网中有着极其重要的功能。大到诸如卫星、机械设备、车辆,小到电脑、手机,他们的能源系统的核心都依靠电池提供能源[1]。电池的种类形形色色,各式各样,比如就新兴的与传统的来说,新兴电池有锂离子电池,传统电池种类主要有锌银电池、镍氢电池、镍镉电池三种,锂离子电池作为新研发的电池已逐渐成为了必不可少的储能电池。镍镉一类的电池的优势有使用寿命相对来说较长,电池的比能量也较大,但镍镉电池中有镉金属对环境造成的污染巨大、记忆效应强且寿命较短、单位比容量小等缺点;镍氢一类的电池优势相对镍镉电池具有更长的使用时间、更大的比能量、更强大的电量储备能力,但是镍氢电池但更有一致性较差、放电率高等重大缺点。与传统的几种储能电池相比,锂离子电池主要有以下这几方面的优势:首先是其具有储存的电能密度大,可以输出的电能能量,电池工作电压高,并且电池放电的电压比较稳定,可以支持持续供电[2];然后是锂电池充电速度快,因为它可以支持较大的充电电流;最后是锂电池没有传统电池的记忆效应,电池可以储存的寿命更长,自放电率也相对更低。因此,锂离子电池成为了当今电池应用种类中的主流。但是,锂离子电池应用时也有其要解决的问题,延长电池的使用寿命以及对电池剩余电量进行监测正是在锂离子电池的应用中需要解决的问题。锂离子电池荷电状态(SOC)估算的要求不仅仅是能够准确的显示出电池在使用过程中的一些状态信息,比如电池的可以继续使用时间(如笔记本电脑剩余电量支持使用时间、新能源电动汽车续航里程等),剩余电荷量,剩余电池电量等,还要求能够大大提高锂离子电池安全使用性能,能够更好的增加锂离子电池供电寿命,减少电池不必要的损耗,最终让电池在使用中能够达到最佳的使用状态,能够为电池组性能可靠性的评估提供可靠的依据[3]。
科技与社会经济总是相辅相成,伴随着现在社会经济的大力增长,科学技术日新月异的进步,我们对电池的依赖程度也是越来越多,对电池性能的要求也日益苛刻。在电池的实际应用中,人们需要了解的电池信息也越来越多。比如在智能手机以及新能源电动汽车跟电动车的使用中,人们往往经常需要根据当前电池剩余电量对一步的时间或者工作做出任务规划,并需要提前预期充电时间。随着国家以电替油的新能源战略的蓬勃发展以及全世界对电动汽车行业发展的鼎力支持,越来越多的汽车生产企业逐渐开始研发并且生产电动汽车。电池荷电状态也成为当今全世界研究人员的重点研究课题。锂离子的电池荷电状态(SOC)估算研究发展至今,如何建立出一个精确可靠的锂电池模型、用哪种估算原理可以有效的估算出的电池荷电状态等方面仍然有很大的改进以及发展空间。因此,为开发出一个更加理想的研究锂离子电池荷电状态的系统,目前仍然需要投入更大的人力、物力、财力。
1.2 国内外研究现状及SOC估算方法
1.2.1 国内外研究现状
电池的荷电状态(SOC)是表示在使用过程中的电池的老化程度跟电池工作状态的量,通俗来说就是电池的剩余电量。电池的荷电状态(SOC)的定义是现在这一时刻电池剩余电量跟电池总容量的比值,荷电状态(SOC)是描述电池使用状态的一个重要参数[4]。但是,现如今的技术手段下荷电状态(SOC)不能直接测量,需要通过测量其他变量来估算。电池的剩余电量一般分为标称剩余电量和动态剩余电量,通常使用标称剩余电量来描述电池的荷电状态(SOC)值,计算公式如下式(1.1):
(1.1)
其中,QC 为电池剩余的容量,CI为电池当前总容量。
国外学者对电池荷电状态的精确估算首先是从精确测量电池外在参数开始,然后通过各种算法去估算电池的荷电状态。工作电压、工作电流、环境温度等均会对荷电状态产生影响,这些因素更是加大了荷电状态的估算难度。除此之外,伴随电池的使用,过程中电池的容量也是在不断衰减,也会造成(SOC)估算精确度的降低。环境温度过高或者过低都会影响电池的性能,电池容量越低,电池的可以持续供电寿命越短。在估算电池荷电状态方面,北京交通大学的学者取得了重大的突破,其系统辨识思想的估算结果较为准确。韩国工程研究院的学者为了可以准确的估算出锂电池荷电状态(SOC),在以前的荷电状态(SOC)的估算公式中又考虑到了电池的老化、电池自放电以及电池温度补偿的影响,韩国工程研究院的学者提出的考虑到锂电池的实际可用容量(包含对温度的影响)、老化和自放电的SOC估算的具体公式如下式(1.2)所示:
SOC(%)=[(充电量 电池额定容量 容量补偿因数 电池自放电效应跟老化效应-放电量)/额定容量]*100% (1.2)
1.2.2 SOC估算方法
电池的充电与放电过程是比较复杂的电化学程,而电池的荷电状态只能通过对系统参数的计算以估计的方式给出,并不能直接计算。
故此,SOC的估算方法也是广大学者正在研究的问题,目前,主要有以下几种研究方法:静置放电实验法、安时计量法、内阻测量法、开路电压法、负载电压法、神经网络法、卡尔曼滤波法,下面主要对这几种方法加以比较[5]。
静置放电实验法常用于实验室,是测量SOC的几种方法中效率最低的一种,实验过程是用一个保持不变的电流对电池放电,直到电池端电压达到电池放电截止电压的实验方法,剩余电池容量等于放电电流值和时间的乘积,这种方法的优点操作简单,缺陷是放电过程不可以在线测量,需要长时间静置较为费时。
开路电压方法使用电池的开路电压(OCV)与剩余电池容量之间存在的近似线性关系来测试稳定状态下的电池的SOC[6]。 开路电压法比静置法简单,测量静置电池时测量精度较高。对于不是静置的电池来说,该法在放电后期精度较高。类似于放电实验法,开路电压法的缺点与其相同。
安时计量法通过积分电池充电或放电时的电流来计算电池电量的变化,因此也称为安时积分法。 它是各种类型电池目前最常用的SOC估算方法,可以在线测量当前时刻的电池剩余电量[7]。 但是,由于安时计量法没有反馈校正剩余电量的环节,如果在测量过程中的当前采集到的数据测量时发生哪怕是很小的偏差,由于积分环节的作用而放大最终测量出的SOC值便会有较大的误差。安时计量法的计算公式如下式(1.2):
(1.2)

式中Ibaat是充放电电流、Iloss是消耗的电流、CN是电池容量
内阻测量法是根据蓄电池的内阻与SOC之间的联系来预测 SOC。在电池放电的后期,内阻测量法通常与安时计量法相互结合使用。由于内阻测量法只考虑了电池放电时的内阻与工作电流,没有考虑环境温度以及电池容量变化的影响,再者就是电池内阻成因,内阻受颇多方面的影响,所以内阻测量法测量结果可信度不是甚高,实际应用较少。
神经网络法的原理是通过模仿动物神经网络行为特征构建的数学模型,是一种新兴的、利用模拟技术的人工智能技术。主要算法是使用遗传算法可以在线估算电池工作电压和工作电流,高效便捷的解决传统网络计算繁琐冗长复杂的问题。在神经网络算法中,系统输入量包括电池充放电电流、工作电压、环境温度、电池内阻、电池电量等。系统输入量决定神经网络算法运行结果,需要对数据进行大量的训练,而且对原始数据的容错率低,对训练方法的要求极高,所测得到的SOC值误差较大。
卡尔曼滤波法是将电池看做一个非线性系统,将电池的非线性状态的空间模型线性化。对电池建立模型,利用状态方程以及观测方程对电池模型的荷电状态(SOC)进行测量,在测量的过程中,输入一般是系统的工作电流输出一般是当前时刻系统的工作电压。将测得的这一时刻的工作电压与仿真端的电压进行比较进行误差以及协方差进行修正,最终得到当前时刻精确的SOC值。卡尔曼滤波法有着其得天独厚的优势条件,在滤波过程中不断地对误差进行修正并且逐个时刻的计算荷电状态,最终估算出整个过程的SOC值,并且过程中对噪声有抑制作用,基于此,此次设计SOC估算方法选用了卡尔曼滤波。唯一美中不足的是,卡尔曼滤波需要大量的矩阵计算,对计算的速度以及时间有一定的要求。但是这点缺点相对于其精确的估算值来说仍是瑕不掩瑜。
在此列表1.1对比各种方法的优缺点:
表1.1 几种SOC估算方法对比
原理 | 优点 | 缺点 |
静置放电实验法 | 操作简单 | 不可在线测量,用时较长 |
开路电压法 | 方法简单 | 不可在线测量 |
安时计量法 | 可在线测量 | 误差过大 |
内阻测量法 | 电压与内阻联系紧密 | 影响内阻因素过多,可信度低 |
神经网络法 | 可在线测量,高效便捷 | 需要对数据进行大量训练 |
卡尔曼滤波 | 估算值精确 | 涉及大量矩阵,运算较为复杂 |
1.3 本文研究的目标及主要内容
本文将开展采用卡尔曼滤波的方法进行锂离子电池的SOC状态评估研究,并且将电池SOC的估算方法研究作为此次的重点。全文内容分为5章,逐步介绍了课题的研究背景意义以及国内外研究现状、锂离子电池的原理跟目前几种估算方法介绍了影响电池SOC估算的几种因素并且搭建了电池等效模型、卡尔曼滤波算法的原理和估算流程、搭建仿真模型以及对运行结果进行分析,具体章节内容如下:
第1章简明扼要的介绍了本课题的研究背景及意义,总结了一些目前较为常用的电池SOC估算方法并且对它们进行了分析比较。
第2章分析比较了目前比较常用的电池模型,针对锂电池的实际工作原理以及印象电池SOC估算的因素后选用了电池的复合模型对电池建模,为了有对比性和更大的说服力,同时也用RC二阶等效电路对电池进行了建模,得到仿真端的电压波形。
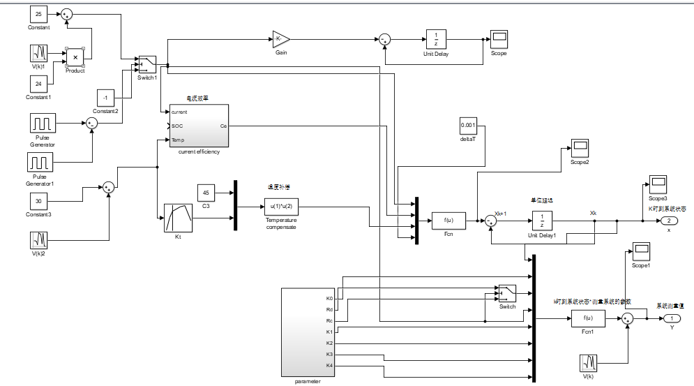
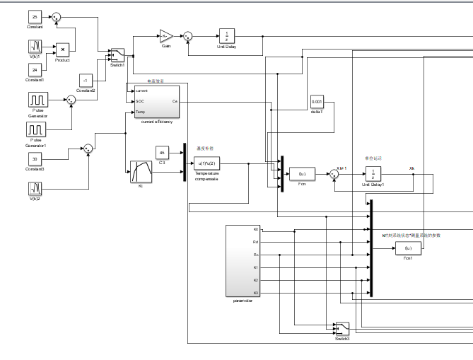
第3章首先对卡尔曼滤波的原理进行了介绍,阐述了卡尔曼滤波算法的优越性。然后根据卡尔曼滤波算法的原理描述其状态方程,根据其状态方程画出了卡尔曼滤波算法的流程图。
以上是毕业论文大纲或资料介绍,该课题完整毕业论文、开题报告、任务书、程序设计、图纸设计等资料请添加微信获取,微信号:bysjorg。
相关图片展示:







您可能感兴趣的文章
- 一种确定磁探针集总电路参数的标定方法外文翻译资料
- 一种人体可接触的大气压低温等离子体射流装置研究(适合电气B方向)毕业论文
- 氩氧中大气压DBD放电特性研究(适合电气B方向)毕业论文
- 大气压氩等离子体射流放电影响因素的仿真研究(适合浦电气B方向)毕业论文
- 含氧高活性均匀DBD改性聚合物薄膜研究(适合浦电气B方向)毕业论文
- 反应器结构对气液两相DBD放电特性的比较(适合浦电气B方向)毕业论文
- 南京某公司研发楼电气设计毕业论文
- 金帆北苑地块经济适用住房——02栋商住楼电气设计(适用于浦电气1004~06A方向学生)毕业论文
- 扬州人武部大楼电气设计毕业论文
- 金帆北苑地块经济适用住房——04栋商住楼电气设计(适用于浦电气1004~06A方向学生)毕业论文


