基于DSP的电网谐波电流检测仪设计毕业论文
2020-02-18 11:00:37
摘 要
本论文主要论述了一种以DSP芯片为主体的电力系统谐波电流检测仪的设计方案。本论文详细的介绍了谐波检测算法之一的基于快速傅里叶变换(FFT)算法的原理,如何根据DSP TMS320F28335来搭建谐波检测仪的硬件电路及在DSP中实现FFT算法。本论文重点阐述了谐波检测仪硬件的各个模块结构、功能及搭建方法,并逐步对FFT算法在DSP中的实现进行了程序编写思路分解,最终搭建除一款完整的电力系统谐波检测仪。
论文主要研究了如何通过DSP芯片借助快速傅里叶变换算法实现对谐波信号的检测并分析,对谐波分析的算法及DSP芯片F28335进行了深入的探讨。
研究结果表明:通过DIT-FTT算法能够很好的借助DSP芯片这个平台对谐波信号进行处理。
关键词:电力系统谐波;快速傅里叶变换; DSP;串口通信SCI
Abstract
This thesis mainly discusses the design scheme of a power system harmonic current detector based on DSP chip. This paper introduces in detail the principle of Fast Fourier Transform (FFT) based on one of the harmonic detection algorithms, how to build the hardware circuit of the harmonic detector according to DSP TMS320F28335 and realize the FFT algorithm in DSP. This paper focuses on the structure, function and construction method of each module of the harmonic detector hardware, and gradually decomposes the FFT algorithm in the DSP implementation, and finally builds a complete power system harmonic detector. .
The paper mainly studies how to detect and analyze harmonic signals by DSP chip by means of fast Fourier transform algorithm. The algorithm of harmonic analysis and DSP chip F28335 are discussed in depth.
The research results show that the DIT-FTT algorithm can well handle the harmonic signals with the help of the DSP chip platform.
Key words: power system harmonics; fast Fourier transform; DSP; serial communication SCI
目 录
摘 要 I
Abstract II
第1章 绪论 1
1.1 谐波检测仪研究的背景与意义 1
1.2 国内外对谐波检测研究现状及发展趋势 2
第2章 傅里叶算法检测原理 6
2.1 傅里叶算法介绍 6
2.1.1 傅里叶级数 6
2.1.2 傅里叶变换 7
2.1.3 离散傅里叶变换 8
2.2 快速傅里叶算法介绍 8
2.2.1 基-2FFT算法 9
2.2.2 混合基FFT算法 10
2.2.3 分裂基FFT算法 11
2.3 本章小结 11
第3章 谐波检测仪硬件电路设计 12
3.1 信号变换电路 12
3.2 信号调理电路 13
3.3 基于DSP的数据处理电路 13
3.3.1 CPU时钟单元 14
3.3.2 ADC采样单元 14
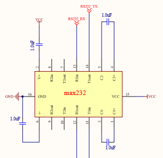
3.4 数据通信电路 16
3.4.1 SCI简介 16
3.4.2 SCI通信电路 18
3.5 DSP最小系统设计 18
3.6 系统总体方案 19
3.7 本章小结 19
第4章 FFT算法在DSP中的实现 21
4.1 倒位序操作原理 21
4.2 旋转因子计算 23
4.3 FFT算法的完整实现 24
4.4 本章小结 26
第5章 总结与展望 27
参考文献 29
附录A 31
附录B 34
致 谢 37
第1章 绪论
1.1 谐波检测仪研究的背景与意义
近年来,由于电力电子技术越来越成熟,各种电力电子装置已经进军在各行各业中,并且占据了不可撼动的一席之地,负荷设备对波形敏感的程度也是越发的高,人们对电能得质量也随之有了更为严苛的要求。电力系统谐波的存在对电能相关产业的生产利用效率产生了不可忽视的影响,所造成损失也越来越大[1]。与此同时,谐波问题对电力系统的正常运行产生了越来越严重的干扰,电气设备是否能安全稳定的运行也变成了人们所担心的一个巨大安全隐患。如何降低电力系统的电压和电流谐波变成了摆在人们面前的一个刻不容缓去解决的问题。
谐波对人们的生产生活造成巨大威胁的同时,也成功的吸引了世界各国电力工作者不遗余力去研究攻克这个难题。首先来了解一下谐波到底给人们的生活,给生态环境带来了哪些危害。谐波的危害主要表现在以下几个方面:
(1)对输配电线路产生了危害。
输配电系统中为加强系统的可靠性,保证即使在故障情况下最大限度的防止线路与设备的损坏,通常会配套安装一些保护装置,但谐波的存在可能影响这些保护装置断路器和熔丝的开断能力,导致保护装置不能按照理想的状态进行工作,当事故发生时不能及时有效的进行处理,造成输电线路损毁的发生。除此之外,若系统中存在同频率的谐波电压和电流,这时谐波也会产生有功功率和无功功率,以至于电网电压降低,附加损耗也会相应的增加,也就造成了电能的浪费。谐波电压还会使得介质应力增加,当系统使用电缆传输电能时,电缆的使用寿命则会大大减少,使得故障次数增多,造成了更多的经济负担。
(2)对电力设备产生了威胁。
任何事情都有一定的限度,电网中的谐波含量也不例外,当它的含量不能保持在电力系统网络可接受的范围时,网络中的电容器很容易就会出现过电流和过负荷的现象,导致电容器发热异常,其绝缘介质也会因此加速老化,对电容器的使用寿命来说是非常沉重的打击。严重的时候,甚至还可能造成电网的谐波加剧,导致出现谐波扩大的问题。
谐波的存在也会对变压器的正常工作造成影响,它增大了变压器的铜耗和铁耗,导致电网中的谐波含量成为了选择变压器额定容量时的一个附加因素。变压器铁心叠的磁滞和涡流损耗也会增加,以至于绝缘材料应力也会增加,铁心设计的成本大大增加。另一种损害是变压器噪声会增大,使用寿命也会不可避免的相应降低,使用时的安全隐患也急剧上升。
对电动机而言,谐波的存在则会增大附加损耗,工作效率也因此下滑,还可能造成感应电动机因速度/转矩特性出现电动机停转的问题,使得电动机工作时过热,严重损害电了动机的使用寿命。电动机的的某些零件可能出现当固有频率和谐波电流频率相近时产生机械振动,导致噪音的产生。
(3)影响通讯系统的稳定通信。
谐波对通讯系统的主要影响是会在系统内产生声频干扰,出现信号传输质量一直在波动中的现象,信号的正常稳定传输成为了一个问题,对通话的清晰度有着严重的影响。可能导致临近通信系统通信质量下降,严重时甚至丢失信息,系统瘫痪[3]。
(4)其他危害
在电力系统网络中,谐波一种常见危害是可能会发生局部谐振[4],此时极容易造成电压过高或电流过大,导致输配电网络发生事故。谐波振荡的发生还会造成测量装置灵敏度发生改变,导致测量时误差加大,无法测得正确的测量值。
之所以需要去研究电力系统谐波不仅仅在于其危害十分严重,还在于其对电力电子技术自身的进一步发展也具有着极大的限制。电力电子技术的实现是人类社会的第二次电子革命,它实现了利用弱电来控制强电的壮举,极大的促进了现代科技的发展。而电力电子装置的使用却会产生谐波污染,这一点也从很大程度上限制了电力电子技术的进一步发展。想要在这一领域取得更大的突破与成就,处理好谐波的影响便是一个重要方面。
刚才也提到了谐波污染这一词,对谐波的研究也是一种对环境污染治理,尽力维护绿色环境的一种实际举措。以电力系统网络作为大环境,谐波含有量自然就成为是否“绿色”的一个重要指标。在使用电力电子技术实现工业化生产进程时,保持电力系统网络在“绿色”状态的要求符合时代的进程,对电力系统谐波进行治理也成为了世界各国电工科学家所积极探索研究的重要方向。由谐波导致的器件损坏,重大灾害等对自然环境会带来污染。
由此可知,谐波的存在对人们的生活造成了极大的影响,带来了更多的安全隐患,加重了进行电力系统网络设计的经济成本,浪费了更多的能源,增大了环境压力。
因此,采取有效的措施对谐波进行有计划的治理,将谐波含量进行检测并控制在允许的范围内是迫在眉睫的一件事,已然成为电力工作者的奋斗目标。而对谐波含量进行控制就不得不先对电力系统网络中的谐波进行检测,对谐波检测装置进行研究的必要性可见一斑。
1.2 国内外对谐波检测研究现状及发展趋势
“谐波”最早是一个声学的问题,后来才又提出了电力系统这个概念。早在18世纪和19世纪的时候,人们已经开始了对谐波问题的研究,那时已经研究出了较为完善的数学分析方法,傅里叶便是那时的代表人物之一,他对于谐波的数学分析方法的研究有了一系列重要成果,这也为后来的科学家门分析电力系统谐波提供了强有力的理论基础。人们对电力系统谐波的研究源自于20世纪初期的德国,当时使用静止汞弧交流器产生电压和电流波形的畸变激发了人们对于这一现象的思考。J.C.Read在1945年发表的关于变流器谐波的相关著作也成为了早期关于谐波研究的重要参考资料。
20世纪中期,高压直流输电技术变得越来越成熟,人们对变流器导致电力系统产生谐波的现象研究越发深入,一系列的研究应运而生,由此也诞生了大量的相关论文。再后来,电力电子技术的迅猛发展使得越来越多的电力电子装置在各行各业中都有了自己的一席之地,谐波所带来的危害越发明显且日趋严重,世界各国都对次有了足够的重视,国际上也多次就此问题展开讨论。国际上也制定了一系列的谐波标准[5],目前被广为认可的是由国际公认的电能主管机构——国际电工委员会(IEC)制定的IEC 6100-4-7:2002。我国对于谐波问题的研究相较其他发达国家相对较晚,上世纪八十年代才开始对其展开研究,与国外相比,我国电力系统谐波分析和测量的研究仍存在较大的差距[8]。我国采用的最新的国家标准则是GB/T 17626.7-2008 《电磁兼容试验和测量技术供电系统及所连设备谐波、间谐波的测量和测量仪器导则》。
目前国际上常见的用来检测谐波的方法大致都基于以下5种方法:
(1)采用模拟滤波器的测量方法。
该方法采用滤波器来测量谐波,通过搭建模拟带通或带阻电路,利用高通滤波器滤除掉基波分量,从而得到谐波分量。它的优点十分明显,检测电路的原理和结构相对简单,耗费的器件少,更为经济。缺点是滤波器的中心频率对元器件的参数十分敏感,受外界环境的影响很大,想要获得理想的幅频和相频特性相对而言较为困难,电网频率的波动也会对检测精度有比较大的影响。正因为这样,这种方法目前已不适用于需要高精度的检测中了。
(2)基于瞬时无功功率的测量方法。
采用瞬时无功功率来测量电力系统谐波的思想最早是在20世纪八十年代由日本的科学家提出,它的提出为谐波的实时检测以及动态补偿提供了很好的理论基础[9]。理论最初是以瞬时实功率p 和瞬时虚功率 q 为基础的 p-q 法提出,并且给出了两种测量方法[10],即“d-p检测法”和“-检测法”。对称三相三线制电路中的谐波分量进行检测时,这两种检测方法都具有很高的可行性。这种方法的优点是如果电网电压是对称的并且没有畸变,它测量各电流分量的电路就十分的简单,并且具有延时小,实时性好的特点。但检测电路所需要的硬件较多,经济性较差,并且该方法要求测量电路是三相三线制电路,对单相电路的谐波测量较为困难,这也是其应用上最主要的限制。目前除了这两种方法外,科学家又提出了一种新的检测方法——“d-q检测法”。这种方法在电压不对称或者是含有谐波的时候,也能进行准确的测量,很大程度上扩大了瞬时无功功率理论的应用范围。
(3)基于神经网络的测量方法。
人工神经网络是一种信息处理系统,是由大量处理单元(神经元 Neurons)广泛互联而成的网络,是对人脑的抽象、简化和模拟,反映人脑的基本特性[11],应用在电力系统中对谐波进行检测仍处于研究阶段,还需要不断完善。其原理是利用神经网络对任意函数的请打逼近能力,通过构造特殊的多层前馈神经网络,来搭建相应的检测电路。这种检测方法的检测精度很高,并且具有很好的实时性,抗干扰能力也很强。但是目前这种检测方法还不够成熟,在实际应用中还存在着一定的不确定性。
(4)基于小波变换的测量方法。
小波变换最早由傅里叶变换演变而来,也是一种常见的数学分析方法,采用“伸缩”和“平移小波”形成的小波基分解(变换)或重构(反变换)随时间变化的信号[12]。它不存在傅立叶变换在频域完全局部化而在时域完全无局部性的缺点,能够更准确的分析波动的、非平稳的谐波信号。具有适用范围广,分辨率高的优点,但将其应用在电力系统谐波检测方面,目前仍没有完善的体系,实际中存在频谱混叠的现象。
(5)基于傅里叶分解的测量方法。
该方法通过傅里叶变换,能够直接得出检测信号各谐波的幅值与相角,本文的设计基于此种方法,在下一章将作重点分析,在此便不作展开。
1.3本文主要研究的内容
本文研究的是如何通过DSP TMS320F28335这款芯片实现FFT算法完成一个完整的能对电力系统谐波进行检测的电网谐波电流检测仪,并最终完成一篇学位论文。
我对研究谐波检测仪的设计思路如下:
(1)熟悉快速傅里叶变换的原理,通过实际去采用快速傅里叶变换进行计算去加深自己对这一算法的理解。
(2)学习DSP的内部结构及外部电路的设计,通过其用户手册了解其工作要求,便于自己的设计。
(3)根据DSP实现FFT算法对信号的要求,构思整个检测仪的完整电路框架,并完成对硬件电路的每一部分的设计。
(4)学习算法的编程实现,实际完成FFT算法在DSP中的实现。
基于这样的思路,本文的论述结构如下:
第1章 绪论。了解设计检测仪的意义何在,学习国内外对检测仪设计的研究内容及方向,确定研究的思路及论文撰写的结构。
第2章 谐波检测算法基础。从傅里叶级数开始介绍,逐步介绍FFT算的原理,了解FFT算法的基-2FFT、混合基FFT以及分裂基FFT算法各自是如何运算的。
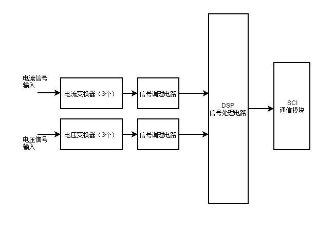
第3章 谐波检测仪硬件电路设计。详细介绍检测的硬件电路的信号变换电路、信号调理电路、数据处理电路和通信电路,介绍了各自的功能是什么以及其电路是如何搭建,搭建的依据是什么。
第4章 FFT算法在DSP中的实现。详细介绍了FFT算法的应用雷德算法进行倒位序操作及应用迭代方式计算旋转因子的详细过程。为实现FFT算法的实现的编程做了每一步的详细解释,完整的介绍了其实际的运行过程。
第5章 总结与展望。总结了自己的研究思路,点明了设计的优缺点,并且阐述了自己觉得在指数储备足够的情况下可以进行优化的几个方向。
第2章 傅里叶算法检测原理
本章主要介绍此次设计所采用的谐波分析方法——快速傅里叶变换(FFT)变换,它是谐波分析的常用算法,它能将时域信号转换到频域加以分析,能够方便的将信号的特征参数求出再加以分析。
2.1 傅里叶算法介绍
为了很好的理解快速傅里叶变换是如何运算的,我们先来了解一些傅里叶算法是如何运算的。傅里叶算法在谐波分析中十分常见,它是法国数学家傅里叶在1822年提出的一种数学分析方法,现在被广泛的应用于信号处理中。傅里叶算法指出周期为T 的任意连续函数,能够用直流分量、正弦基波分量和一系列的高次谐波之和表示。在电力系统稳态谐波检测领域内,大都采用傅里叶变换分析方法[13]。
2.1.1 傅里叶级数
周期函数x(t)的傅里叶级数表达式是:
(2.1)
其中为x(t)的平均值,和是第n次谐波的两个直角坐标分量。第n次谐波的矢量表达式为:
(2.2)
其幅值和相角分别为:
(2.3)
(2.4)
通过对式(2.1)等号左右两边在在一个周期内做积分运算,可以求出对于给定的函数x(t)其常系数
(2.5)
对式(2.1)等号左右两边同时乘一个系数,然后在一个周期内做积分运算可以得到系数
(对于任意) (2.6)
对式(2.1)等号左右两边同时乘一个系数,然后在一个周期内做积分运算可以得到系数
(对于任意) (2.7)
将式(2.5)(2.6)(2.7)用角频率表示可得
(2.8)
(对于任意) (2.9)
(对于任意) (2.10)
可以知道
(2.11)
若x(t)在积分区域内是分段连续的,则通过以上运算可以实现将任意一个连续周期函数转换成三角函数的和。
2.1.2 傅里叶变换
对于时域中连续的周期信号,通过傅里叶变换可以将其转变成一个时域下离散的频率分量序列。当积分中周期T无限大,三角函数采用指数形式时,可将时域函数x(t)表示为频域形式
(2.12)
以上是毕业论文大纲或资料介绍,该课题完整毕业论文、开题报告、任务书、程序设计、图纸设计等资料请添加微信获取,微信号:bysjorg。
相关图片展示:







您可能感兴趣的文章
- 一种确定磁探针集总电路参数的标定方法外文翻译资料
 - 一种人体可接触的大气压低温等离子体射流装置研究(适合电气B方向)毕业论文
 - 氩氧中大气压DBD放电特性研究(适合电气B方向)毕业论文
 - 大气压氩等离子体射流放电影响因素的仿真研究(适合浦电气B方向)毕业论文
 - 含氧高活性均匀DBD改性聚合物薄膜研究(适合浦电气B方向)毕业论文
 - 反应器结构对气液两相DBD放电特性的比较(适合浦电气B方向)毕业论文
 - 南京某公司研发楼电气设计毕业论文
 - 金帆北苑地块经济适用住房——02栋商住楼电气设计(适用于浦电气1004~06A方向学生)毕业论文
 - 扬州人武部大楼电气设计毕业论文
 - 金帆北苑地块经济适用住房——04栋商住楼电气设计(适用于浦电气1004~06A方向学生)毕业论文
 

        
            
