基于DSP的多电平逆变器设计毕业论文
2020-02-18 11:00:34
摘 要
三电平逆变器广泛应用于电能变换的个各个领域,其输出具有电能质量高、谐波含量低等优点。同时,也有很多问题存在于三电平逆变器领域,如三电平逆变器的电压控制算法的实现等。以整体电路设计为目的,本文深入研究了三电平逆变器的结构、原理、SVPWM控制以及程序算法的实现。
本论文在对二极管钳位型三电平逆变器的结构及原理进行深入研究的基础上,阐述了三电平逆变器发展的背景、现状等,比较了与飞跨电容型、级联型逆变器的优缺点。分析了三电平逆变器的电压空间矢量调制策略,将其分为扇区判断、区域判断、作用时间计算、作用顺序确定四步,并进行了计算。在三电平逆变器基本原理的基础上,对整体电路进行了设计,包括主电路、直流升压(Boost)电路、驱动电路、电压检测电路、滤波电路等,并对每一部分的元器件进行了计算。最后在SVPWM的基础上,采用TMS320F28335,对PWM输出及PI控制进行了阐述,对于PI控制给出了计算过程,并画出了PWM及PI控制的程序框图。
本文所设计的目标是基于DSP,设计能够实现输入AD48V,输出AC380V的三电平逆变器。本文给出了系统各部分的电路图,以及程序框图。所设计的系统能够较好的实现输入AD48V,输出AC380V的目标,实现了题目的要求。
关键词:三电平逆变器;电压空间矢量调制;DSP
Abstract
The three-level inverter is widely used in various fields of electric energy conversion, and its output has the advantages of high power quality and low harmonic content. At the same time, three-level inverters also have some important problems, such as three-level control algorithms. For the purpose of overall circuit design, this paper deeply studies the structure, principle, SVPWM control and program algorithm implementation of three-level inverter.
Based on the in-depth study of the structure and principle of the diode-clamped three-level inverter, this paper expounds the background and current status of the development of the three-level inverter, and compares it with the flying capacitor type and cascade of the advantages and disadvantages of the inverter. The voltage space vector modulation strategy of the three-level inverter is analyzed, and it is divided into four steps: sector judgment, region judgment, action time calculation and action sequence determination, and calculation is carried out. Based on the basic principle of the three-level inverter, the overall circuit is designed, including the main circuit, DC boost (Boost) circuit, drive circuit, voltage detection circuit, filter circuit, etc., and components of each part is calculated. Finally, based on SVPWM, using the TMS320F28335 explain the PWM output and PI control. The calculation process is given for PI control, and the block diagram of PWM and PI control is drawn.
The goal of this paper is to design a three-level inverter that can input AD48V and output AC380V based on DSP. This paper gives a circuit diagram of each part of the system, as well as the block diagram. The designed system can achieve the goal of inputting AD48V and outputting AC380V, which realizes the requirements of the problem.
Key words: Three-level inverter;Voltage space vector modulation;DSP
目录
第1章 绪论 1
1.1 三电平逆变器研究的目的及意义 1
1.2 三电平逆变器的发展 1
1.3 国内外发展现状 2
第2章 三电平逆变器的原理 4
2.1 二极管箝位型三电平逆变器 4
2.2 飞跨电容型三电平逆变器 5
2.3 级联型多电平逆变器 7
2.4 三种拓扑的比较及选择 8
第3章 电压空间矢量PWM控制 9
3.1 三电平逆变器空间电压矢量分析 9
3.2 SVPWM算法中扇区的判断 11
3.3 SVPWM算法中区域的判断 11
3.4 电压空间矢量作用时间的计算 12
3.5 电压空间矢量作用顺序的确定 13
第4章 三电平逆变器硬件设计 15
4.1 三电平逆变器硬件设计框图 15
4.2 主电路设计 15
4.3 直流升压电路设计 16
4.4 滤波电路设计 17
4.5 驱动电路设计 18
4.6 电压检测电路 20
第5章 DSP控制程序的实现 21
5.1 DSP的简介 21
5.2 DSP控制软件系统 21
5.3 PI调节程序 22
第6章 总结 24
参考文献 25
附 录 27
致 谢 30
第1章 绪论
- 三电平逆变器研究的目的及意义
 
缺乏能源和环境污染是当今人类社会的主要问题。据统计,世界石油储量只能使用30 - 50年,而中国剩余的煤矿和煤矿占不到世界的一半[1]。此外,许多油和煤在没有深加工的情况下燃烧,不仅消耗很少的能量,而且还造成严重的环境污染。近年来,交流调速技术已经取得了一定进展,并在开始应用于风机和水泵,大量的变频器已经投入使用,最高为380V。但是在工业应用领域,大功率机械,风机和水泵占主导地位,其驱动电机是大功率高压交流电机,额定功率为400至40000 kW,额定电压为3到10千伏。这些设备由于调速的手段的缺少,会浪费大量的电能。因此,开发高压多电平变换器并推广应用,能够在很大程度上降低我国工业能耗。
- 三电平逆变器的发展
 
在某些应用中,电压源转换器的传统两级拓扑结构可能无法满足高电压和高功率要求,而在拓扑结构中,通常情况下使用开关器件的串并联连接,这需要这些器件同时开通和关断,以及所有开关设备的自身特性必须相同。然而,由于难以很好地做到设备的适配,减少了开关设备的使用率,使得这种解决方案很难实现。另外,在电子电子器件的当前工艺水平之下,功率处理能力和开关频率是互相矛盾的,一般功率越高,与此对应的开关频率越低。因此,为了实现具有低电磁干扰和高频率的高功率转换,在不超过功率器件的现有水平的情况下改进电路拓扑和控制方法是最有效的方法。在过去的二十年中,研究人员进行了大量的研究,提出了多种高压大功率转换的解决方案,大致可分为五类:串并联功率器件技术,并联逆变技术,多重化技术,组合变换器SPWM相移技术,多电平变换器技术。
多电平转换器技术是一种新型转换器,可以通过改善转换器的拓扑结构来实现高电压和高电压输出,并且无需升降压变压器或均压电路。随着输出电压电平数量增加,输出波形的频谱质量越来越高,且每个开关器件所承受的电压都比较低。多电平变换器技术已成为电力电子领域的一个新的研究领域,其中高压和大功率的转换是研究的对象。多电平变换器成为高压和大功率变换器领域的热门部分,是因为其具有以下显著优势:每个电源仅承受1 /(n-1)总线电压(n指的是电平的数量)。因此,低压器件可用于获得高电压和高输出功率,而无需借助动态均压电路,增加电平数可以对输出电压波形质量进行提高并对输出电压波形失真度进行降低。利用更低的开关频率,可以实现与在高开关频率下的两电平转换器相同的电压形式。因此,相比之下,多电平变换器的开关损耗低并且效率高。通过增加电平的数量,相对于在相同直流总线电压下的两电平转换器,开关电压显着降低,使得在高压电机中可以很好的防止转子绕组的绝缘破坏带来的影响,改善了设备的电磁干扰特性,输出变压器在这里也可以不适用,这大大减小了系统的尺寸和损耗。
多电平逆变器是基于Nabae等人在一九八一年提出的“中点钳位PWM逆变器”发展的,并广泛用于高压和大功率逆变器。虽然Nabae和他的同事没有直接提出多电平逆变器的概念,但这个逆变器电路拓扑结构就是二极管箝位型多电平逆变器的原型。
自三十多年前提出了多电平变换器的概念,到目前形成了三种主要类型的拓扑结构和一些具有改进功能的拓扑,大致有二极管箝位型、飞跃电容型和级联型三种多电平拓扑类型,其中以二极管箝位型多电平变换器最为普遍。二极管箝位型可以很大程度上提高逆变器的耐压水平,减小开关损耗,降低输出电压中所包含的谐波分量,同时也引起了用户注意电网的大功率应用。同时,针对各种多电平转换器提出了调制方法。在拓扑方面,主要的改进是减少各类功率器件的数量,解决引起中点电压不平衡的均压电容问题等。在波形的调制这一部分,主要关注的是输出信号性能的优化,以及对于算法复杂度的降低及其通用程度。然而,由于多电平转换器电路相比于其他变换器不同的拓扑结构,以及对开关装置和控制电路的较高的要求,多电平转换器在刚开始发展时并没有人对其有过多的关注。在二十世纪八十年代后期,由于GTO,IGBT,IGCT和其他大功率器件容量的增加,以及控制芯片的价格的降低,多电平转换器的应用才得到了飞速的发展。它不仅在电路拓扑结构领域有了一定的拓展,而且在以PWM为基础的控制技术和软件开关技术中发展出了一些新的方向,从开始的DC到AC的转换(如高功率转换器),到后续的AC-DC转换(如无功功率补偿系统),再到AC-DC-AC转换,到最近的直流斩波,例如多级PFC。多电平变换器主要用于功率因数补偿、高压直流电的传输以及大型电机中控制频率的变换及转速的调节。
- 国内外发展现状
 
近几年,工业较发达的国家,尤其是德国和日本,都非常重视节能技术的研究。一方面,这些国家在高性能变换器领域处于领先地位,另外,他们积极开拓调速技术市场,扩大工业领域电动机转速控制的范围和技术。大功率逆变器已经推向市场,用于高性能系统,如电力机车,电力设备和轧钢。单位产量的能耗显著降低,产品在质量,数量和环境方面的优势在很大程度上得以实现。
与此同时,中国发动机转速控制技术的研究和应用已有一定程度的提高,但与发达国家仍存在差距。大多数国内调速装置用于冶金,化学,石油等领域。然而,主要问题在于大多数装置采用可控硅AC-AC变频调速,高制造成本,复杂装置,电网严重污染。目前在中国使用的大多数大功率转换设备都是进口产品,而在中国,对高压和大功率变换器有着巨大的市场和需求,国家计划委员会预测,未来15年,中国变频器的总投资需求将超过500亿元,其中60至70%为高压大功率逆变器。因此,全球大型电气公司在该领域展开激烈竞争,以捕捉中国的高压和大功率变频器市场。同时,中国也意识到开发国产高压和大功率逆变器的紧迫性,这使得国内部分科研院所和公司在这一领域也做了一定的研究和开发。变频装置具有功率因数高,效率高,无谐波污染等优点,已达到国际先进技术水平。
第2章 三电平逆变器的原理
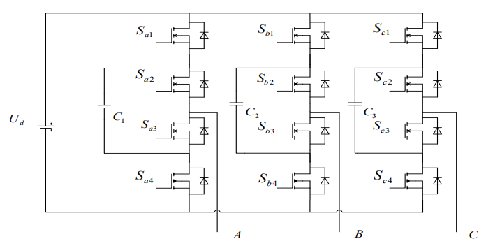
目前多电平变换器领域主流的有三种拓扑结构,分为二极管钳位型多电平变换器、飞跨电容型多电平变换器及级联型多电平变换器。同时,在这三种基本的拓扑的基础上,又出现了很多具有改进的拓扑。因此,本章会对这三种拓扑进行原理的分析,及优缺点的比较。以下是对于三种结构优缺点的比较。
2.1 二极管箝位型三电平逆变器
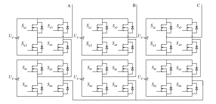
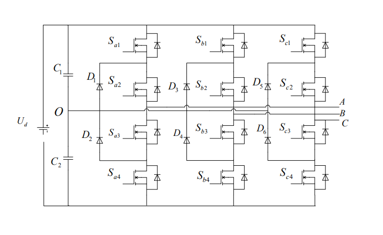
早在1977年,德国的一名名为Holtz的学者提出了一种三电平逆变电路,后来由日本学者Nabae进一步完善[32],提出了中性点加一对箝位二极管的方案,如下图所示。
图2.1 二极管箝位型三电平逆变器
如图1.1所示,A、B、C三相各需要2个箝位二极管D、四个开关器件S、四个续流二极管,当Sa1和Sa2导通时,输出端A点的电压与O点的电压相比为Ud/2;当Sa2和Sa3导通时,输出端A点的电压与O点的电压相比为0;当Sa3和Sa4同时导通时,输出端A点的电压与O点的电压相比为为-Ud/2,也就是说每个桥臂可以输出三种状态的电压。以A相桥臂为例,其运行状态解释如下:当开关管Sa1和Sa2同时开通,Sa3和Sa4同时关断时,如果电流从逆变主电路向负载方向流动,也就是从点p出发通过IGBT Sa1和IGBT Sa2从输出端A流出。忽略开关装置自身的正向压降,输出终端A的电位与p点的电压相同,即Ud / 2; 如果电流从负载向逆变主电路流动,它从A通过续流二极管到达点p,输出端A的电位总是与点p的电压相同。
当Sa2和Sa3导通,Sa1和Sa4同时关断时,如果电流从逆变主电路向负载方向流动,也就是从点O出发经过D5和开关装置Sa2从输出端A流出,忽略开关装置自身的正向压降,输出终端A的电位与o点的电压相同,即0;如果电流从负载向逆变主电路流动,它从A通过开关装置Sa3和D6到达点O,输出端A的电位总是与点o的电压相同。
当Sa3和Sa4导通,Sa1和Sa2同时关断时,如果电流从逆变主电路向负载方向流动,也就是从点n通过D4、D3从输出端A流出,忽略开关装置自身的正向压降,输出终端A的电位与n点的电压相同,即-Ud /2; 如果电流从负载向逆变主电路流动,它从A通过Sa3和Sa4到达点n,输出端A的电位总是与点p的电压相同,为-Ud/2。
2.2 飞跨电容型三电平逆变器
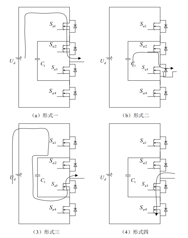
飞跨电容型三电平逆变器的拓扑结构是在一九九二年由Meynard等人在电力电子专家会议上提出来的。提出飞跨电容型三电平逆变器拓扑结构的出发点,是为了解决二极管箝位型变换器的电容中点电压不平衡和二极管的反向电压问题。
图2.2 飞跨电容型三电平逆变器
如图2.2所示,Ud为直流电源,C1、C2、C3分别是三相的飞跨电容,S为开关管,该电路拓扑有四种工作形式,分别如下:形式1,当Sa1和Sa2同时导通时,A相电压等于直流电源Ud的电压的一半,即Ud/2;形式2,当Sa2和Sa4同时导通时,此时,假设A相负载上的电流方向为正,电流经过电容C1、IGBT Sa2流出,如果负载电流方向为负,电流通过IGBT Sa2的续流二极管、电容C1、IGBT Sa4流入电源,此时A相电压也等于0,飞跨电容C1通过负载放电;形式3,当IGBT Sa1和IGBT Sa3同时开通时,A相电压等于0,此时,假设A相负载的电流方向为正,则电流经过IGBT Sa1、飞跨电容电容C1、IGBT Sa3的续流二极管对负载供电,如果负载电流为负,则电流通过IGBT Sa3流入飞跨电容C1,电路对飞跨电容充电;形式4,当Sa1和Sa4同时导通时,A相电压为-Ud/2。
图2.3 飞跨电容型三电平逆变器工作的四种形式
表1 飞跨电容型三电平逆变器的输出电压及其开关状态
输出电压  | Sa1  | Sa2  | Sa3  | Sa4  | 飞跨电容状态  | 
Ud/2  | 1  | 1  | 0  | 0  | ×  | 
0  | 1  | 0  | 1  | 0  | 充电  | 
0  | 0  | 1  | 0  | 1  | 放电  | 
-Ud/2  | 0  | 0  | 1  | 1  | ×  | 
2.3 级联型多电平逆变器
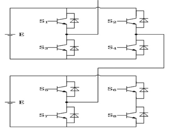
众所周知,级联型多级逆变器的拓扑结构是由Marchesoni及其工作人员在1988年的功率电子学专家会议上提出的。通过级联一组相同的电路形成电路,每个电路的直流电源独立,因此没有二极管箝位型多电平逆变器电路的中点电压问题。且当某个单元出现故障时,可以将这个单元降级使用,使逆变器的稳定性得以提高。
图2.4 级联型多电平逆变器单臂电路
以上是毕业论文大纲或资料介绍,该课题完整毕业论文、开题报告、任务书、程序设计、图纸设计等资料请添加微信获取,微信号:bysjorg。
相关图片展示:







您可能感兴趣的文章
- 一种确定磁探针集总电路参数的标定方法外文翻译资料
 - 一种人体可接触的大气压低温等离子体射流装置研究(适合电气B方向)毕业论文
 - 氩氧中大气压DBD放电特性研究(适合电气B方向)毕业论文
 - 大气压氩等离子体射流放电影响因素的仿真研究(适合浦电气B方向)毕业论文
 - 含氧高活性均匀DBD改性聚合物薄膜研究(适合浦电气B方向)毕业论文
 - 反应器结构对气液两相DBD放电特性的比较(适合浦电气B方向)毕业论文
 - 南京某公司研发楼电气设计毕业论文
 - 金帆北苑地块经济适用住房——02栋商住楼电气设计(适用于浦电气1004~06A方向学生)毕业论文
 - 扬州人武部大楼电气设计毕业论文
 - 金帆北苑地块经济适用住房——04栋商住楼电气设计(适用于浦电气1004~06A方向学生)毕业论文
 

        
            
