基于SiC器件的储能双向变换器无功调节研究毕业论文
2020-02-18 10:55:25
摘 要
随着新能源发电并网也出现了一系列难以解决的问题,为改善并网的种种弊端,人们开始将关注点转向微电网( Micro-Grid,MG) 技术的研发。储能变换器(Power Conversion System,PCS)作为储能介质与电网的接口设备,是微电网电池储能系统的关键组成部分,在并网状态下,其工作性能决定着整个储能系统甚至整个电网的稳定性。随着分布式发电技术在电网中渗透率的提高,电网对储能变换器的功能和可靠性提出了更高的要求。为顺应以上发展趋势,本课题旨在提出一种可实现能量在储能电池和电网之间双向流动的储能变换器,既可工作在整流又可工作在逆变模式的三相全桥电路经典拓扑作为本变换器拓扑结构,开关器件则选用下一代宽禁带电力电子器件SiC开关管,本储能双向变换器结构和工作原理相对简单,相信会具有较好的应用性。
本文首先调研了国内外储能变换器相关技术的研究现状,从变换器拓扑选择、滤波器参数设计、控制策略等三个方面入手,对储能变换器进行了分析,设计了一种基于两电平单极型的三相LCL滤波型双向储能变换器电路,提出了一种结合电网电压前馈和电容电流反馈的恒功率(PQ)控制策略,可做到调整有功与无功功率抑制输出功率波动和改善并网电压电流质量,而后通过在MATLAB/Simulink仿真环境中搭建本设计的储能系统模型,设置合理的并网情况模拟对其进行仿真实验,最后对实验得到的波形进行简要分析。所得结果对本文提出的一系列设计进行了正确性和可行性的验证,对于进一步研发实物装置具有一定的参考意义。
关键词: 微电网;储能变换器;三相LCL滤波;恒功率(PQ)控制;MATLAB/Simulink
Abstract
With the grid-connected of new energy generation, a series of difficult problems have arisen. In order to improve the disadvantages of grid-connected, people begin to turn their attention to the research and development of micro-grid (MG) technology. Power Conversion System (PCS), as the interface equipment between energy storage medium and power grid, is the key component of battery energy storage system in microgrid. Under the condition of grid connection, its performance determines the stability of the whole energy storage system and even the whole power grid. With the increase of the permeability of distributed generation technology in the power grid, the power grid puts forward higher requirements for the function and reliability of Power Conversion System. In order to conform to the above development trend, this topic aims to propose a kind of energy storage converter which can realize bidirectional energy flow between energy storage battery and power grid. The classical three-phase full-bridge circuit topology, which can work in both rectification and inversion modes, is used as the topology of the converter. The next generation of wide-band power electronic device, SiC switch, is used as the switch junction of the bidirectional energy storage converter. Its structure and working principle are relatively simple, and it is believed that it will have strong applicability.
Firstly, this paper investigates the research status of energy Power Conversion System at home and abroad. Starting from three aspects of converter topology selection, filter parameter design and control strategy, the Power Conversion System is analyzed. A three-phase LCL filter bi-directional Power Conversion System circuit based on two-level monopole is designed, and a combination of grid voltage feed-forward and capacitive current feedback is proposed. The constant power (PQ) control strategy can adjust the active and reactive power to restrain the output power fluctuation and improve the quality of grid-connected voltage and current. Then the energy storage system model is built in the simulation environment of MATLAB/Simulink, and the simulation experiment is carried out by setting up a reasonable grid-connected situation simulation. Finally, the waveform obtained from the experiment is briefly analyzed. The results have verified the correctness and feasibility of a series of designs proposed in this paper, which has a certain reference significance for further research and development of physical devices.
Key Words: micro-grid; Power Conversion System; Three-phase LCL Filter; PQ Control; MATLAB/Simulink
目 录
第1章 绪论 1
1.1 课题研究背景 1
1.2 研究现状 1
1.2.1 储能变换器的拓扑结构研究 2
1.2.2 储能变换器的控制策略研究 3
1.3 本文研究的主要内容 4
第2章 三相LCL滤波型单极式双向储能变换器的主电路拓扑结构及滤波器参数设计 6
2.1 三相LCL滤波型单极式双向储能变换器的主电路拓扑 6
2.2 LCL滤波器参数设计 6
2.2.1 LCL滤波器数学模型及其特性 7
2.2.2 LCL滤波器参数要求及选取 8
2.3 本章小结 10
第3章 基于恒功率(PQ)控制的储能变换器控制策略 11
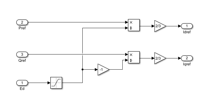
3.1 恒功率(PQ)控制 11
3.2 加入电容电流前馈的逆变器侧电流闭环控制 12
3.3 电网电压补偿控制 15
3.4 系统整体控制策略 16
3.5 本章小结 16
第4章 仿真与分析 18
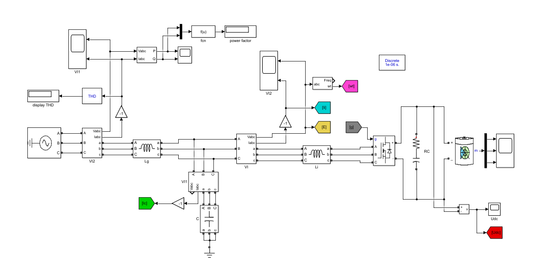
4.1 系统主电路仿真模型 18
4.2 系统控制电路仿真模型 18
4.2.1 SPLL锁相环 19
4.2.2 功率环 19
4.2.3 电流环 20
4.2.4 SVPWM模块 21
4.3 仿真结果分析 21
4.4 本章小结 26
结论 27
参考文献 28
致谢 29
第1章 绪论
1.1 课题研究背景
当前世界面临着日益严重化石能源危机和环境污染问题,人类逐渐意识到开发和利用可再生新能源的迫切性。伴随着全球范围内开发利用新能源的热潮,各国对新能源并网发电技术进行了大量的研究,而随着新能源开发利用规模越来越大,新能源发电并网也出现了一系列难以解决的问题。为改善并网的种种弊端,人们已将视角转向分布式发电(distributed generation,DG)和微电网技术。分布式发电靠其投资小、污染少及建设安装灵活等优点,近年来在电网中的渗透率不断提高,但与此同时,当庞大数量的各种分布式发电接入电网时,会对电网造成较大的冲击性而影响电网的稳定运行,在此背景下微电网的概念应时而生,相关技术不断发展也从而很好地解决了分布式发电既存的一些缺欠问题,使得分布式发电技术得以高效、灵活运用。
微电网也称微网,是指由分布式电源、负荷、储能装置、能量转换系统以及监控保护装置等构成的小型发配电系统,具有独特性、多样性、可控性、交互性和独立性等特点[1]。而其蕴含的储能系统,则是微电网安全、稳定、可靠供电的基础。微电源的输出功率由于具有一定的间歇性、波动性和不确定性,便需要储能系统发挥对其功率波动发挥调节作用。大容量电池储能系统可以应用于新能源发电领域、微电网领域和应急电源领域[2],与之相关的大容量电池储能技术也受到广泛的关注。储能技术可以做到快速调节系统的输出有功无功功率,对于微电网的安全稳定运行有着至关重要的作用,通过储能系统也可以起到削峰填谷、减轻功率波动,改善电能质量的作用[3]。储能变换器是储能系统中最为关键的部分,其关键技术的研究近来也受到了各国学者越来越多的关注。以美国为首的少数西方国家在储能技术的研究抑制比较领先,由于我国引入微电网的时间较晚,对储能变换器的研究开始得比较迟,但也还是取得了丰硕成果。
1.2 研究现状
储能变换器作为储能介质与电网的接口设备,是电池储能系统的关键组成部分,其特性的优劣会直接影响到并网状态下储能系统的工作性能甚至影响到整个电网的稳定性。依托着现阶段电力电子技术及和相关储能技术的不断发展,电网对储能变换器提出了更高的要求:变换器除了要保证储能电池正常充放电的过程,实现能量在电网和电池间双向流动的目的,还应该具有很高的可靠性、完善的保护功能、较高的效率,致力于提高电能的质量。目前,大容量储能电池系统的主要研究热点也集中在储能变换器这部分。国内外学者针对储能变换器相关技术进行了多方面的研究,对以往控制技术的不足,纷纷提出了很多的研究思路,其总体上可分为拓扑结构和控制策略两个方向的研究。
1.2.1 储能变换器的拓扑结构研究
拓扑结构上的不同直接影响着储能变换器的工作特性、系统效率和整体成本,根据有无DC/DC前级功率电路可以分为单极型和双极性两种结构。
①单极型储能变换器
单极型储能变换器用一级DC/AC双向变流器连接储能介质和电网。放电模式时,DC/AC双向变流器工作在逆变模式,输入为储能电池提供的直流电压,输出为逆变后的交流电,并回馈至电网;充电模式时,DC/AC双向变流器工作在整流模式,输入为电网电压,输出为整流后的直流电,并通过储能电池将能量存储起来。其结构示意图如图1.1所示。

图1.1 单极型储能变换器结构图
通过系统的能量调度指令,单极型储能双向变换器始终工作在整流和逆变状态,实现了能量的双向流动。其优点在于其结构简单,容易控制,损耗低且具有高可靠性。但也存在一定缺陷,例如与储能介质相连接的电容要足够大,否则无法应对网侧短路故障时直流侧产生的大冲击电流。
②双极型储能变换器
双极型结构的储能变换器结构示意如图1.2所示。

图1.2 双极型储能变换器结构图
双极型结构较单极性结构而言,其前级设置了双向DC/DC变换器,用于实现直流侧电压的调整,其弥补了单极型变换器工作电压范围受限的缺点。
当储能系统工作在充电模式时,同单极型变换器工作原理相似,电网电压通过双向AC/DC变换器整流为直流电,再通过DC/DC变流器进行降压给储能介质充电;当系统工作在充电模式时,储能介质释放出电能,先通过DC/DC变流器升压,然后经由DC/AC变换器逆变为交流电回馈电网。
就单机型和双极型两种拓扑结构都包含的DC/AC双向变换器而言,又可细分为两电平拓扑和多电平拓扑结构。
受电池串联规模的制约,两电平储能PCS直流侧电压600~800 V,均采用低压并网,多用于低压220/380 V电路中[4]。因此单机容量基本不超过500 kW。两电平储能PCS多采用LCL滤波以改善并网电流质量同时降低成本和减小体积,其控制环路阶数高,控制复杂,在弱电网下多机并联容易产生稳定性问题,影响电能质量。
为提高储能单机容量,解决两电平变换器不适用于于高压大功率条件下的问题,很多学者相继提出多电平拓扑结构,而多电平拓扑中应用较为广泛的则是简单实用的三电平电路拓扑。三电平储能变换器需要对注入直流中性点的平均直流电流进行控制以取得对上下电池组的均衡[4]。在相同的器件条件下,三电平储能变换器输出电压的容量可比两电平高出很多,可用于对大单机容量需求的情况。
本设计模型建立在380V交流电网,720V储能电池的假设基础上,由于系统稳态下前级DC/DC变换器对并网电流波形质量的影响较小,故本设计不设置前级DC/DC电路;单机容量设计为最高100KW,故两电平变换器即可满足基本应用,本文将重点研究以两电平为基础完成单极型双向变换器的设计并对其控制策略进行研究。
1.2.2 储能变换器的控制策略研究
目前较为主流的储能变换器控制策略有:恒功率控制(PQ控制)、恒压恒频控制(V/F控制)、下垂(Droop)控制和虚拟同步发电机(Virtual Synchronous Generator,VSG)控制。
在并网状态下,储能系统和电网的稳定工作很大程度上受到储能变换器控制策略的影响。世界各国学者学者和研究人员对储能变换器的并网控制策略进行了大量研究也取得了很多成果。
文献[5]根据不同微电源类型和特点,提出了可在多种工作模式下运行的混合储能系统的微电网稳定控制策略,但控制极其复杂,投资也相对较大。文献[6]提出了一种基于储能变流器的微电网控制策略,在并网模式下采用恒功率解耦控制,在离网模式下采用恒压恒频控制,但不易实现并离网模式的平滑切换。为了能使储能变换器能够与传统同步机一样具有优秀的调频调压能力,国内外学者提出了虚拟同步发电机技术。魏亚龙等对虚拟同步机并网预同步[7]的方法进行了研究,实现了VSG在不同模式下的平滑切换。吕志鹏等研究了微电网中虚拟同步机有功、无功功率的跟踪,以及并网、离网模式间无缝切换等策略问题[8]。
本设计旨在实现并网状态下储能介质和电网之间通过储能变换器的双向功率交换,在上述各文献的启发下,初步决定在恒功率(PQ)控制的基础上进行一些改进来设计控制策略,完成课题要求。Robert H. Lasseter提出了一种双极式储能双向变流器的电流波形控制策略,解决了直流侧和交流侧的电流波形质量问题[3],保证了系统的双向运行,但该控制策略算法比较复杂,动态性能较差。为了解决微电网并网运行中可能存在的三相电网电压不平衡等问题,文献[9]在传统的 PQ 控制上叠加了前馈负序电压控制,抵消了电网电压负序分量从而达到三相平衡,但忽视了直流母线的电压波动问题。文献[10]所提出的三相光伏并网发电系统选用两级式单
电感滤波电路,采用了内环为电流环、外环为电压环的双环控制策略,直流侧采用直接功率控制,电压外环采用PI 控制,电流环采用电流解耦控制,做到了并网系统的单位功率因数运行且电流对称、并网无超调,所设计的电压外环也能满足直流链电压稳定的控制目标,整个控制过程稍显繁杂而不易实现。
综合上述情况,在查阅总结相关文献资料后,本文提出了一种结合电网电压前馈和电容电流反馈的PQ 控制策略,抑制输出功率波动和改善输出电流质量,对电网三相不平衡电压做到一定补偿,改善并网电压电流波形。
1.3 本文研究的主要内容
本文从理论上探讨智能微电网中储能双向变换器,并对其拓扑结构、控制策略做一系列讨论分析,描述了本设计储能变换器的数学模型,分析讨论了储能变换器的恒功率控制方法,在MATLAB/Simulink平台搭建了储能双向变换器仿真模型,并通过实验结果成功检验了本设计控制策略的可行性。
第一章说明了微电网与储能系统的研究背景和意义,总结了储能双向变换器相关技术在国内外的研究成果和发展趋势,并在此基础上确立了本设计将要进行讨论和研究的方向。
第二章解析了三相LCL滤波型单极式双向储能变换器的数学模型及参数设计,构建了dq旋转坐标系下LCL型储能双向变换器的数学模型,对所采用LCL滤波电路分析了工作原理和对参数进行了设计。
第三章具体分析研究了本文所设计储能双向变换器采取的的控制策略。
以上是毕业论文大纲或资料介绍,该课题完整毕业论文、开题报告、任务书、程序设计、图纸设计等资料请添加微信获取,微信号:bysjorg。
相关图片展示:







您可能感兴趣的文章
- 一种确定磁探针集总电路参数的标定方法外文翻译资料
- 一种人体可接触的大气压低温等离子体射流装置研究(适合电气B方向)毕业论文
- 氩氧中大气压DBD放电特性研究(适合电气B方向)毕业论文
- 大气压氩等离子体射流放电影响因素的仿真研究(适合浦电气B方向)毕业论文
- 含氧高活性均匀DBD改性聚合物薄膜研究(适合浦电气B方向)毕业论文
- 反应器结构对气液两相DBD放电特性的比较(适合浦电气B方向)毕业论文
- 南京某公司研发楼电气设计毕业论文
- 金帆北苑地块经济适用住房——02栋商住楼电气设计(适用于浦电气1004~06A方向学生)毕业论文
- 扬州人武部大楼电气设计毕业论文
- 金帆北苑地块经济适用住房——04栋商住楼电气设计(适用于浦电气1004~06A方向学生)毕业论文


