同步发电机励磁控制系统设计与分析毕业论文
2020-04-15 21:29:21
摘 要
为满足社会经济发展的需要,在电力系统安全稳定运行中,励磁控制系统起着重要的作用,同步发电机励磁控制系统结构复杂性,对其进行设计和分析,成为我们要解决的问题。
本文主要通过有限元仿真讨论参数设计对同步发电机励磁调节特性的影响,在维持同步发电机输出电压平衡设计励磁控制系统反馈调节。在本文中,将从凸极同步发电机的结构、原理、参数设计,等效磁路数学模型的建立与分析,到在Maxwell软件建立2D模型,同时对其进行有限元模型的建立与仿真分析。还将对励磁控制系统进性分析与选择,通过比较,选择自励交流励磁机静止硅整流器励磁系统,建立控制系统数学模型,并对其模型进行分析,设置模型相关参数,在Simplorer软件中建立同步发电机与励磁控制系统耦合模型。在Simplorer软件中进行仿真,根据结果验证了本文提出励磁控制方案的可行性,为讨论同步发电机励磁调节特性提供了一定的理论依据。同时为同步发电机励磁控制系统的研究提供理论依据。
关键字: 凸极同步发电机 磁路数学模型 自励交流励磁控制系统 励磁控制系统数学模型 有限元仿真
Design and Analysis of Excitation Control System for Synchronous Generator
Abstract
In order to meet the needs of social and economic development, excitation control system plays an important role in the safe and stable operation of power system. The design and analysis of excitation control system of synchronous generator is a problem we need to solve because of its complex structure.
In this paper, the influence of parameter design on the excitation regulation characteristics of synchronous generators is discussed through finite element simulation. Feedback regulation of excitation control system is designed to maintain the output voltage balance of synchronous generators. In this paper, from the structure, principle and parameter design of salient pole synchronous generator, the establishment and analysis of equivalent magnetic circuit mathematical model, to the establishment of 2D model in Maxwell software, at the same time, the establishment and simulation analysis of finite element model of salient pole synchronous generator will be carried out. Through comparison, the static silicon rectifier excitation system of self-excitation AC exciter is selected, the mathematical model of the control system is established, the model parameters are set, and the coupling model of synchronous generator and excitation control system is established in Simpler software. The simulation in Simplorer software verifies the feasibility of the proposed excitation control scheme and provides a theoretical basis for discussing the excitation regulation characteristics of synchronous generators. At the same time, it provides a theoretical basis for the research of excitation control system of synchronous generator.
Key words: Salient pole synchronous generator; Mathematical Model of Magnetic Circuit; Self-Excitation AC Excitation Control System; Mathematical Model of Excitation Control System; Finite element simulation
目录
摘要I
Abstract II
第一章 绪论1
1.1 引言.1
1.2 同步发电机励磁控制系统.1
1.2.1 励磁系统概述1
1.2.2 直流励磁系统2
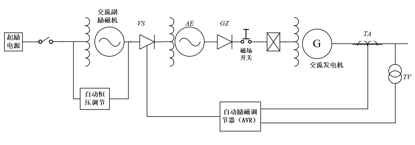
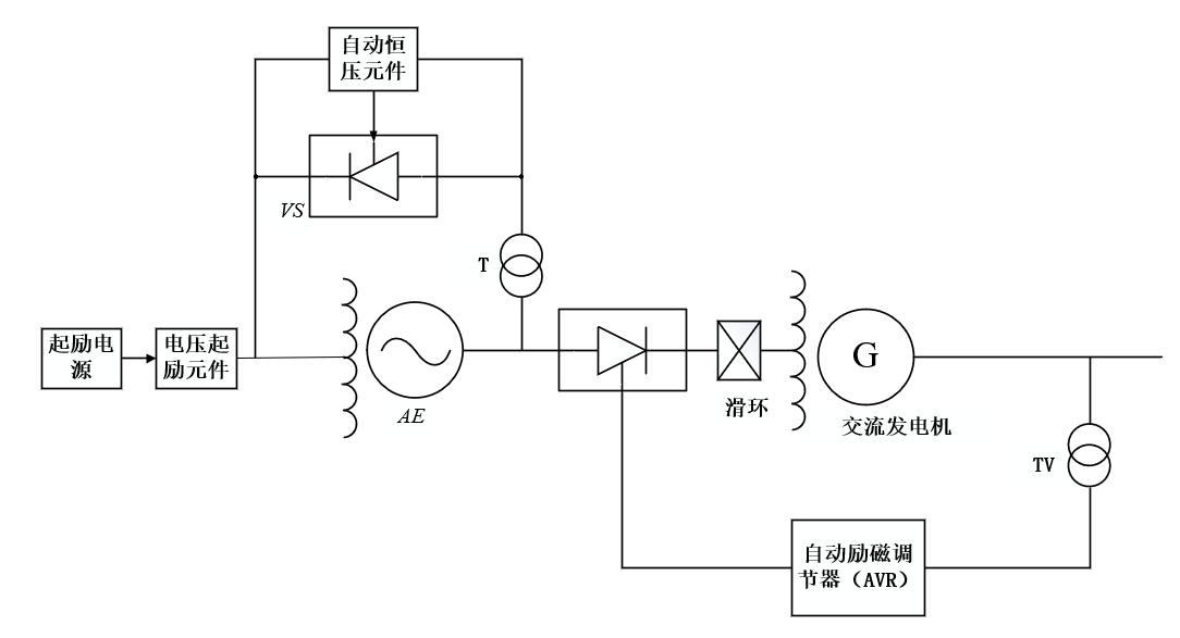
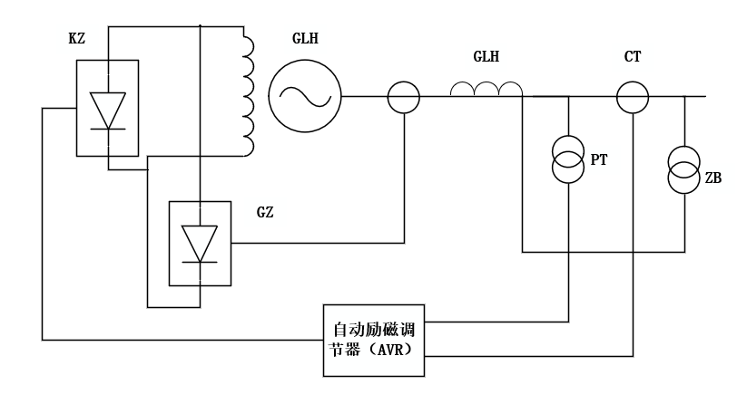
1.2.3 交流励磁系统3
1.2.4 静止励磁系统5
1.3 励磁控制系统国内外研究现状.7
1.4同步发电机及励磁系统场路耦合模型参数化方法的研究.9
1.5 本论文的主要工作.11
第二章 同步发电机等效磁路模型12
2.1 同步发电机基本结构与原理.12
2.1.1 结构12
2.1.2 原理12
2.1.3 同步发电机参数设计13
2.2 同步发电机的磁通与等效磁路模型.15
2.3 等效磁路数学模型.16
2.4 凸极同步发电机磁场分析.17
2.5 本章小结.18
第三章 同步发电机励磁系统数学模型19
3.1 励磁系统的介绍.19
3.2 励磁控制系统的选择.19
3.3 励磁控制系统设计.20
3.4 励磁控制系统数学模型.21
3.4.1 励磁机数学模型22
3.4.2 发电机数学模型23
3.4.3 电压测量比较单元23
3.4.4 综合放大单元23
3.4.5 功率放大单元23
3.4.6 励磁控制系统的传递函数24
3.5 励磁控制系统的控制环节设计.25
3.6 本章小结.26
第四章 基于Maxwell的凸极同步发电机建模与有限元分析27
4.1 引言.27
4.2 Maxwell软件介绍.27
4.3 主极发电机Rmxprt模型建立与有限元仿真.27
4.3.1 主极发电机Rmxprt模型建立27
4.3.2 有限元仿真分析30
4.4 励磁机模型的构建与有限元分析.31
4.4.1 励磁机模型建立31
4.4.2 励磁机有限元仿真分析31
4.5 本章小结.33
第五章 基于Simplorer同步发电机励磁控制系统建模与联合仿真34
5.1 引言.34
5.2 Simplorer软件介绍.34
5.3 同步发电机励磁控制系统建模.34
5.3.1 同步发电机励磁控制系统设计与模型34
5.3.2 励磁控制系统调节控制设计35
5.4 仿真结果与分析.36
5.5 本章小结.38
第六章 总结与展望39
6.1 总结.39
6.2 展望.39
参考文献40
第一章 绪论
1.1引言
为满足社会经济高速发展对电力系统安全运行的要求,保证电能质量,励磁调节系统作为其中的一部分,它可以保证系统的安全运行,维持发电机输出电压平衡,提高电力系统的静暂态稳定性,为用户提供高质量的电能。从上世纪50年代开始,励磁控制系统在不断的发生变化,随着电子技术的发展,励磁系统从直流励磁系统到交流励磁系统的变化,励磁控制理论也从线性控制理论发展到非线性控制理论。
电力系统的发展越来越复杂,励磁控制的目标是多重的,而不是单一的不变的,同发电机的励磁回路之间又是藕合的 、交互影响的,电力系统的高维 、非线性特点更增加了控制的复杂性[1]。从而使得励磁控制方式经历单变量输入与输出的比例控制方式到多变量的线性控制方式,虽然在现代电力系统中仍然大量采用的是传统的AVR PSS模式[1],并且其占很大比例 ,但同步发电机励磁控制系统理论已经从开始电压调节器发展到非线性鲁棒控制器 ,这需要进行大量的计算和论证,验证控制器在实际运用中的性能,就需要新的方法来替代现实中的发电机,而不影响最终的实验结果。
以上是毕业论文大纲或资料介绍,该课题完整毕业论文、开题报告、任务书、程序设计、图纸设计等资料请添加微信获取,微信号:bysjorg。
相关图片展示:







您可能感兴趣的文章
- 一种确定磁探针集总电路参数的标定方法外文翻译资料
- 一种人体可接触的大气压低温等离子体射流装置研究(适合电气B方向)毕业论文
- 氩氧中大气压DBD放电特性研究(适合电气B方向)毕业论文
- 大气压氩等离子体射流放电影响因素的仿真研究(适合浦电气B方向)毕业论文
- 含氧高活性均匀DBD改性聚合物薄膜研究(适合浦电气B方向)毕业论文
- 反应器结构对气液两相DBD放电特性的比较(适合浦电气B方向)毕业论文
- 南京某公司研发楼电气设计毕业论文
- 金帆北苑地块经济适用住房——02栋商住楼电气设计(适用于浦电气1004~06A方向学生)毕业论文
- 扬州人武部大楼电气设计毕业论文
- 金帆北苑地块经济适用住房——04栋商住楼电气设计(适用于浦电气1004~06A方向学生)毕业论文


