千瓦级车载锂离子动力电池充电器研究与设计毕业论文
2020-04-08 14:30:56
摘 要
随着能源与环境形势的日益严峻,新能源电动汽车的研发与应用越来越广泛。目前以锂电池组驱动的电动汽车占据主流,而电动汽车的充电技术是电动汽车大规模产业化应用的关键问题。
车载充电器是指固定安装在电动汽车上的充电器,充电器可根据电池管理系统(BMS)提供的数据动态调整充电电流或电压参数,执行相应动作,完成充电过程。
本论文依据国家电动汽车行业相关标准,在分析现有的充电器两级变换器拓扑设计和系统软硬件设计下,设计一种3.3kW电动汽车车载锂电池充电器。通过对比两级变换器拓扑结构的特点前者功率因数校正采用单周期控制Boost APFC结构,后者采用数字控制全桥LLC谐振变换拓扑结构,采用TI数字控制芯片TMS320F28035 DSP。
本论文首先分析了锂电池工作原理,其次详细分析了Boost APFC结构的工作原理和工作特性,然后分析了全桥LLC谐振变换器的工作原理.用MATLAB仿真软件验证参数的正确性,电池组的在线充电测试与实验验证。
关键词:车载充电器;锂电池;Boost APFC;全桥LLC
Abstract
With the increasingly severe energy and environment situation, the research and development and application of new energy electric vehicles are more and more extensive. At present, electric cars driven by lithium batteries are in the mainstream, and the charging technology of electric cars is the key problem for large-scale industrial application of electric cars.
Car charger is installed on the electric car chargers, battery chargers can be according to the data provided by the battery management system (BMS) dynamically adjust the charging current or voltage parameters, the corresponding action, complete charging process.
According to the national electric vehicle related standards, this paper based on the analysis of the existing charger two-stage converter topology design and system software and hardware design, the design of a 3.3 kW electric motor vehicle lithium battery charger. By comparing the two levels of the characteristics of the former power factor correction converter topology structure of one-cycle control Boost APFC, which USES digital control full bridge topology LLC resonant transform, using TI TMS320F28035 DSP digital control chip.
This paper first analyzes the working principle of lithium battery, and then analyzes the working principle and characteristics of Boost APFC structure in detail. Then, the working principle of the full-bridge LLC resonant converter is analyzed.
Keywords: Car Charger, Lithium Battery, Boost APFC, Full-Bridge LLC.
目录
摘要 I
Abstract II
第1章 绪论 1
1.1课题的研究背景与意义 1
1.2电动汽车关键技术 1
1.3车载充电器分类 2
1.4 本论文的内容和结构 3
第2章锂电池原理及特性分析 4
2.1 锂电池的工作原理分析 4
2.2 锂离子电池的优点 4
第3章 车载充电器整体电路结构 6
3.1 车载充电器设计要求 6
3.2 车载充电器整体结构设计 6
3.3 APFC 变换器拓扑与控制 7
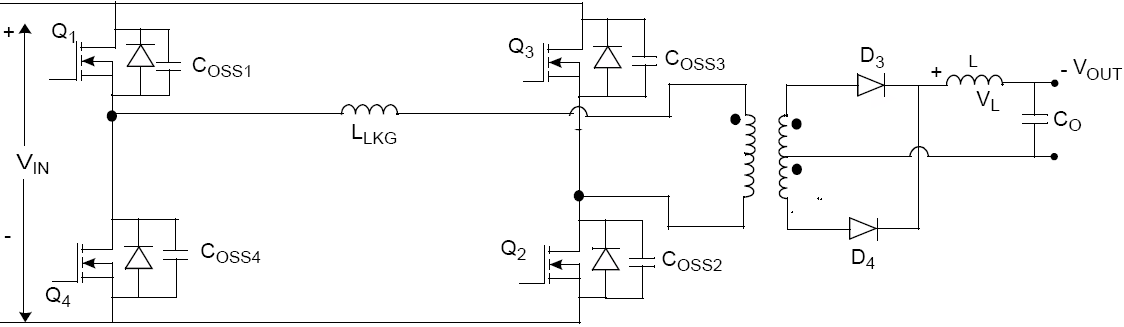
3.3.1 拓扑结构选择 7
3.3.2 控制方式选择 9
3.4 DC-DC变换器拓扑与控制 9
3.4.1 拓扑结构选择 10
3.4.2 控制方式选择 11
3.5 本章小结 12
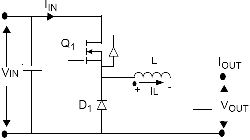
第4章 单周期控制Boost型APFC设计 13
4.1 Boost 电路工作原理分析 13
4.2 单周期控制原理分析 14
4.3 电路详细设计 15
4.3.1主电路参数设计 15
4.3.2 单周期控制器设计 17
4.4 Boost 型 APFC 变换器仿真分析 18
4.4.1 建立仿真模型 18
4.5本章小结 20
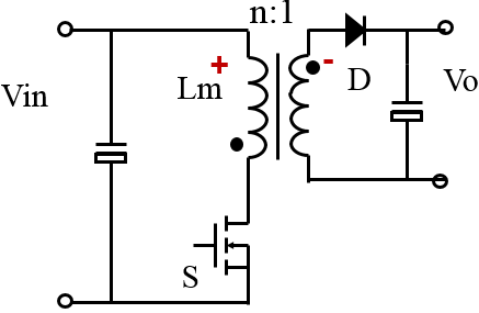
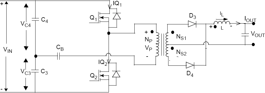
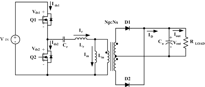
第5章 全桥 LLC 谐振变换器设计与分析 21
5.1 全桥 LLC 谐振变换器工作原理及特性分析 21
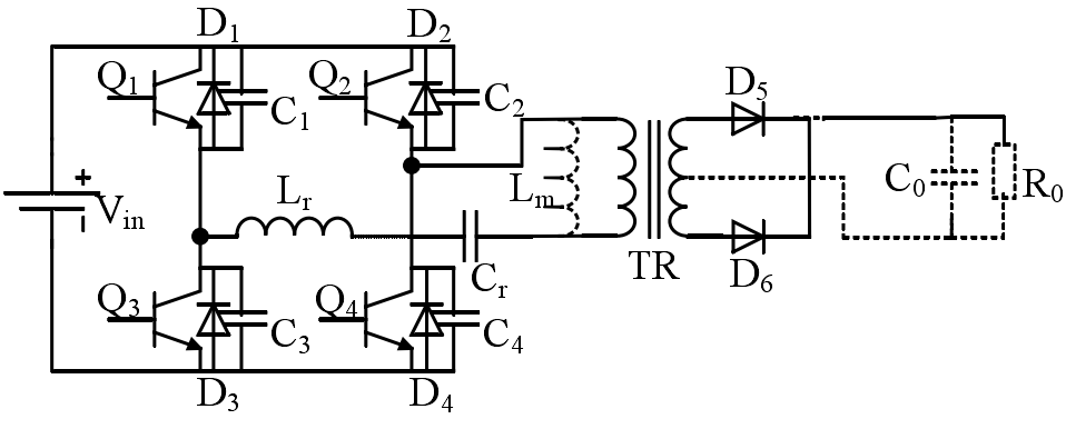
5.1.1 全桥 LLC 谐振变换器主电路结构设计 21
5.1.2 全桥 LLC 谐振变换器工作方式分析 22
5.1.3 全桥 LLC 谐振的基波等效模型设计 26
5.2全桥 LLC 谐振变换器谐振腔参数设计 27
5.2.1 全桥 LLC 谐振变换器的主电路参数设计 27
5.2.2 设计谐振元件参数 30
5.3 全桥谐振变换器仿真及分析 30
5.4 本章小结 31
第6章 总结与展望 32
6.1 结论 32
6.2展望 32
参考文献 34
致谢 36
第1章 绪论
1.1课题的研究背景与意义
能源紧缺和环境污染已经成为了国际社会亟待解决的问题。随着自然资源的逐渐消耗和环境污染的日益严重,就中国目前的能源形势而言,人均石油和天然气所占比例仅为世界水平的四分之一。另一方面,能源问题所造成的环境污染也很严重。我国北部大部分地区都受到阴霾天气的污染。在哥本哈根世界气候大会之后,全球各地的汽车公司都加快发展低碳节能汽车,市场上也涌现出各种各样全新的能源汽车。
随着当前能源危机和环境危机越来越受到汽车制造商的重视,作为汽车工业未来的重要组成部分,电动汽车正逐步登上世界汽车工业的舞台。在各国政府和汽车制造商的共同推动下,纯电动汽车(PEV)、混合动力汽车(HEV)、燃料电池电动汽车(PCEV)和外部充电混合动力汽车(PHEV)得到了迅速发展,而纯电动汽车(PEV)、混合动力汽车(HEV)、燃料电池电动汽车(PCEV)和外部充电混合动力汽车(HEV)相继出现。其中,电动汽车实现零排放已成为电动汽车的重要发展方向之一。
中国在新能源汽车领域非常活跃。这主要是由于:第一,传统能源短缺危机和环境保护的客观要求,中国对国外石油的依赖逐年增加。但此时汽车产业作为一个整体正处于调整的方向,新能源汽车是整个行业的需求。第二,中国传统汽车产业,尤其是乘用车起步缓慢,相对落后。如果我们继续从事欧洲和其他行业,那么我们可能将继续处于落后状态。第三,由于我国电池、电机和电子控制技术的早期积累,我国发展新能源汽车有一定的条件,因此我国政府跟上了最新的形势。制定了相关政策,以鼓励和支持新能源车辆的发展。
据统计,2017 年全球电动汽车交付量达到 1,223,600 辆,与 2016 年相比增长 58%。其中包括所有纯电动式和插电式混合动力式乘用车、美国/加拿大市场的轻型卡车和欧洲市场的轻型商用车。销量的 66%来自纯电动汽车 (BEV),34%来自插电式混合动力汽车 (PHEV)。由于纯电动汽车在中国市场备受青睐,其重要性日益凸显,因此纯电动汽车所占份额始终处于领先地位。
1.2电动汽车关键技术
电动汽车的关键技术主要包括动力电池技术、驱动电机技术、整车技术、电子控制技术和能源管理技术。动力电池是电动汽车的唯一能源。电池的性能对电动汽车的稳定性和经济性有着决定性的影响。目前,使用的最广泛的动力电池是锂离子电池。锂离子电池具有高密度、高工作电压、无记忆效应、存储和循环寿命长、充电安全快、允许温度范围宽等优点,不含污染环境的有害物质(镉、铅、汞等)[1]。
电机和驱动系统是电动汽车的关键部件。为了使电动汽车具有良好的性能,驱动电机应具有调速范围宽、速度快、起动转矩大、体积小、重量轻、效率高、动态制动能力强、能量反馈能力强等特点。随着电机和驱动系统的发展,控制系统向智能化、数字化方向发展。电动汽车电机控制系统将采用变结构控制、模糊控制、神经网络、自适应控制、专家控制、遗传算法等非线性智能控制技术。
电动汽车是一种高科技综合产品,除了电池、电机外,车身本身也包含了很多高科技,一些节能措施比提高电池储能能力也容易实现。电动汽车需要新的车身结构,而不仅仅是电动驱动系统来取代内燃机。由于电动传动元件对结构空间提出了新的要求,汽车的机动化要求对整车进行广泛的改进。
对于电动汽车来说,轻量化的结构设计具有重要的意义。除了电池的动力外,汽车的重量也是驾驶距离的一个限制因素。车辆越轻,允许的电池就越多,行驶的距离也就越远。除了增加行驶距离外,当车辆重量较轻时,车辆的性能明显提高。因为轻型车辆加速更快,转弯更快,制动时间也更短。例如,宝马电动汽车车身的几乎所有部分都是由碳纤维制成的,铝合金材料仅用于底部结构的冲击能量吸收和承载动力系统。碳纤维比铝轻30%,比钢减轻50%,这样的车身结构不仅强度较高,更重要的是车身自重可以减轻许多。
能量管理系统是电动汽车的智能核心,它的作用是检测单个电池或电池组的荷电状态,并根据各种传感信息,包括力、加减速命令、行驶路况、蓄电池工况、环境温度等,合理地调配和使用有限的车载能量;它还能够根据电池组的使用情况和充放电历史选择最佳充电方式,以尽可能延长电池的寿命。电池当前存有多少电能,还能行驶多少公里,是电动汽车行驶中必须知道的重要参数,也是电动汽车能量管理系统应该完成的重要功能。电动汽车实现能量管理的难点,在于如何根据所采集的每块电池的电压、温度和充放电电流的历史数据,来建立一个确定每块电池还剩余多少能量的较精确的数学模型[2]。
1.3车载充电器分类
车载充电器是一种固定在电动汽车上的充电器,具有安全、自动充电的能力。充电器根据电池管理系统(BMS)提供数据。
根据充电系统是否安装在汽车上,将充电器分为车载充电系统和车辆外充电系统。车载充电系统安装在车内,具有体积小、冷却密封性好、重量轻等优点,但一般功率小,充电时间长。它具有体积大、使用范围广、功率大等优点,但体积大、重量重、移动困难,主要适用于新能源汽车的快速充电。
1.4 本论文的内容和结构
本文在分析了国家电动汽车行业相关制造规定的技术指标下,设计了一款功率等级为3.3k W 的车载充电器。本文的核心部分为车载充电器的两级变换器拓扑设计。
本论文结构安排如下:
第1章介绍了本课题的研究背景与意义,归纳和总结了电动汽车的关键技术、车载充电器的分类。
第2章阐述了锂电池工作原理,对锂离子电池的优缺点进行了详细的分析。
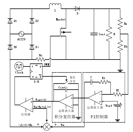
第3章设计了车载充电器的整体结构。根据车载充电器的设计要求提为了保证拓扑结构具有电隔离、输出电压调节和功率因数校正等特点,通过对现有拓扑结构的比较,建立了原Boost型APFC变换器。最后采用全桥数字控制的LLC谐振变换的设计方案。
第4章详细分析了Boost变换器电路的工作原理。对比不同控制方式选择了单周期控制方式并对单周期控制原理进行了分析。对主电路的参数进行设计,同时根据参数选择了合适的元器件。单周期控制芯片采用控制芯片IR1155S,最后用Altium designer和 Matlab2010b 中的Simulink 模块进行了联合仿真.。
第5章分析了全桥LLC谐振变换器的工作原理和特性。设计了全桥LLC谐振变换器的主电路结构及其等效模型,详细分析了变换器的几种工作模式。同时对谐振变换器的主电路参数进行了分析,据此选择了合适的谐振元件。采用 PSIM 来进行仿真并得到了优化的仿真波形。
第6章对本论文进行了总结,对以后车载充电机的优化做了一些分析。
第2章锂电池原理及特性分析
2.1 锂电池的工作原理分析
锂离子电池的正极材料通常由锂离子活性化合物组成,而负极则是具有特殊分子结构的碳。正极材料的主要成分是LiCoO2。在充电过程中,电池两极的电位迫使化合物释放锂离子,锂离子以负极分子的层状结构嵌入碳中。放电时,锂离子从层状碳中析出,并与正离子结合。锂离子的运动产生电流。
虽然化学反应原理简单,但在实际工业生产中还有许多实际问题需要考虑:正极材料需要添加剂来保持充电活性。阳极材料需要在分子结构水平上设计,以容纳更多的锂离子;电解质填充在正负极之间,除了要保持稳定性外,还需要具有良好的导电性,降低电池的电阻。
虽然锂离子电池很少有镍镉电池的记忆效应,记忆效应的原理是结晶化,在锂电池中几乎不会产生这种反应。但是,锂离子电池在多次充放后容量仍然会下降,其原因是复杂而多样的。主要是正负极材料本身的变化,从分子层面来看,正负极上容纳锂离子的空穴结构会逐渐塌陷、堵塞;从化学角度来看,是正负极材料活性钝化,出现副反应生成稳定的其他化合物。物理上还会出现正极材料逐渐剥落等情况,总之最终降低了电池中可以自由在充放电过程中移动的锂离子数目。过度充电和过度放电,将对锂离子电池的正负极造成永久的损坏,从分子层面看,可以直观的理解,过度放电将导致负极碳过度释出锂离子而使得其片层结构出现塌陷,过度充电将把太多的锂离子硬塞进负极碳结构里去,而使得其中一些锂离子再也无法释放出来。这也是锂离子电池为什么通常配有充放电的控制电路的原因。不适合的温度,将引发锂离子电池内部其他化学反应生成我们不希望看到的化合物,所以在不少的锂离子电池正负极之间设有保护性的温控隔膜或电解质添加剂。在电池升温到一定的情况下,复合膜膜孔闭合或电解质变性,电池内阻增大直到断路,电池不再升温,确保电池充电温度正常。
2.2 锂离子电池的优点
电动车电池分铅酸电池和锂离子电池,相对于电动车的铅酸电池而言,锂离子电池的有点有:
1).循环寿命长:锂离子电池的充放电速率为1C,循环寿命大于500倍,500次循环的电容大于标称铜梁的70%以上。铅酸蓄电池的循环寿命小于350倍,即使在0.5放电,0.15C2充电时,容量也小于60%。
2).低温放电性能良好:锂离子电池可在-25度正常工作,其容量可达到标称容量的70%,而铅酸蓄电池在-10度时容量为50%,在-25度时不能正常工作。
3).充电保留能力强:充电锂离子电池组储存两个月后,其电容大于80,而铅酸蓄电池保持两个月,仅为额定容量的40%~50%。
4).由于锂离子电池的重量仅为铅酸电池的30%,所以锂离子电池在相同的电压和电容下具有很强的容量。
5).比能量高:由于锂离子电池的体积仅为铅酸电池的30%,在相同的空间使用时,锂离子电池的储能大于铅酸电池。
6).工作温度范围广泛:锂离子电池可以工作在-25度到55度之间,而铅酸电池只能工作在10度到40度之间。
7).充电时间短:由于锂离子电池具有大电流充电的特点,充电时间仅4~5h,而铅酸蓄电池则需8~10h。
8).高绿色环保性能:锂离子电池是一种高环保产品,与铅酸蓄电池相比,铅酸蓄电池中含有大量有害人体和环境的重金属铅。
9).可以大电流放电:锂离子电池在1C倍率下大电流放电,其容量仅为额定电容量60%。
10).大电流放电不影响循环寿命:锂离子电池以1.5C倍率下大电流放电,对其循环寿命毫无影响。而铅酸电池在1.5C倍率下大电流放电。其循环寿命仅为标称循环寿命30%-40%。
第3章 车载充电器整体电路结构
本章根据国内电动汽车行业标准,提出了车载充电器的设计规范和总体电路结构。为了保证拓扑结构具有电隔离、输出电压调节和功率因数校正等功能,对现有的拓扑结构进行了比较。提出了采用数字控制的全桥LLC谐振变换器的最终设计方案,前者为Boost型APFC变换器,后者为数字控制级。
3.1 车载充电器设计要求
目前,电动汽车的技术越来越成熟,越来越普及。电动汽车车载充电器作为电动汽车必不可少的配套设备,对电动汽车工业的全面发展有着重要的影响。国家工业和信息化部出台了电动汽车行业标准“电动汽车导电充电器”,明确规定了车载充电器的输入电流谐波、输入功率因数、输出电流纹波和效率。
该设计必须符合电动汽车行业标准的设计要求。 本文的主要目的是设计一款3.3k W 的电动汽车用车载充电机,车载充电器的基本技术指标如下:
输出功率:3.3 KW;
输入电压范围:AC 220V±15%;
输出电压范:DC 250V-430V;
输出电流范围:1-10A;
输入频率范围:45-65 Hz;
效率:gt;94%(满载);
功率因数:gt;0.99(满载);
稳压精度:《±1%;
稳流精度:《±1%;
纹波系数:《±0.05%。
3.2 车载充电器整体结构设计
车载充电机是指固定安装在电动汽车上的充电机,充电器可根据电池管理系统(BMS)提供的数据动态调整充电电流或电压参数,执行相应动作,完成充电过程。
车载充电机结构包括主功率电路部分和弱电控制电路两部分。主功率部分包括 EMI 滤波、软启动、功率因数校正变换器、 DC-DC变换器及负载,弱电控制部分包括弱电辅助电源、功率因数控制电路、 DC-DC变换器控制电路及通信模块,其中功率因数校正控制电路由电压电流检测、驱动及保护和控制器组成, DC-DC变换器控制电路由电流电压检测电路和驱动保护电路组成[3]。

以上是毕业论文大纲或资料介绍,该课题完整毕业论文、开题报告、任务书、程序设计、图纸设计等资料请添加微信获取,微信号:bysjorg。
相关图片展示:







您可能感兴趣的文章
- 一种确定磁探针集总电路参数的标定方法外文翻译资料
 - 一种人体可接触的大气压低温等离子体射流装置研究(适合电气B方向)毕业论文
 - 氩氧中大气压DBD放电特性研究(适合电气B方向)毕业论文
 - 大气压氩等离子体射流放电影响因素的仿真研究(适合浦电气B方向)毕业论文
 - 含氧高活性均匀DBD改性聚合物薄膜研究(适合浦电气B方向)毕业论文
 - 反应器结构对气液两相DBD放电特性的比较(适合浦电气B方向)毕业论文
 - 南京某公司研发楼电气设计毕业论文
 - 金帆北苑地块经济适用住房——02栋商住楼电气设计(适用于浦电气1004~06A方向学生)毕业论文
 - 扬州人武部大楼电气设计毕业论文
 - 金帆北苑地块经济适用住房——04栋商住楼电气设计(适用于浦电气1004~06A方向学生)毕业论文
 

        
            
