基于超扭曲算法的永磁同步电机直接转矩控制研究毕业论文
2020-04-08 14:27:39
摘 要
永磁同步电机作为新时代人们所关注研究的热门对象,具有体积小、重量轻、调速范围宽、输出转矩大、响应速度快、过载能力强、等优点。这些优点已经变成了当代系统的主要研究对象。直接转矩控制技术(DTC)作为一种新型的交流电机控制技术,他具有许多优点,如:结构简单、鲁棒性强、算法易实现,动态响应迅速等,优点已经越来越多的被人们熟知和关注。两种技术的结合已经变成了21世纪电机研究的热门方向。
本文以三相交流永磁同步电机(PMSM)位研究载体,通过对对永磁同步电机的直接转矩控制的仿真研究。分别从永磁同步电机的结构、分类、永磁同步电动机控制技术等方面进行了前期的深入了解。分析了永磁同步电机在不同坐标系下及不同数学模型下的变换,对永磁同步电机直接转矩控制系统进行了研究。分析了原有方法以及算法方法的优缺点通过所学知识对如何提高永磁同步电机直接转矩控制提出了一些新的观点,并运用MATLAB/SIMULINK软件仿真了永磁同步电机直接转矩控制系统,通过仿真来验证自己对高永磁同步电机直接转矩控制的猜想是否能有效的控制。
本文在传统直接转矩控制存研究的基础之上,通过对电机的结构,数学模型,物理模型的分析,通过MATLAB/SINMULINK软件对其进行仿真,结合自身所学知识讨论如何用更快捷的算法改变永磁同步电机的稳定性。
关键词:永磁同步电机;直接转矩控制;空间电压矢量;超扭曲算法
Abstract
Permanent magnets and fewer motors have become modern high-performance servos because of their small size, light weight, wide speed range, large output torque, stable power operation, low-speed stable operation, fast response speed, high overload capacity, and high reliability. The main development direction of the system. As a new type of AC motor control technology, direct torque control technology (DTC) has been more and more widely studied because of its advantages such as simple structure, strong robustness, easy implementation of the algorithm, and rapid dynamic response. Combining these two technologies has become a hot spot in the field of modern AC drives.
In this paper, a three-phase permanent magnet synchronous motor (PMSM)is taken as the research object, and the direct torque control strategy of the permanent magnet synchronous motor is simulated. The paper discusses the structure and classification of permanent magnet synchronous motor, introduces the development status of the permanent magnet synchronous motor control technology and the research status of the algorithm. Based on the analysis of coordinate transformation and mathematical model of permanent magnet synchronous motor in different coordinate systems, the control theory and basic principle of direct torque control are studied. The method of measuring stator flux and electromagnetic torque is analyzed, and the structure diagram of direct torque control is formulated. Then on the basis of theoretical analysis, the simulation of permanent magnet synchronous motor direct torque control system is performed in MATLAB/SIMULINK software environment, which verifies that the direct torque control of permanent magnet synchronous motor has good control effect.
Aiming at the problems of torque and flux pulsation existing in traditional direct torque control, through the analysis of the structure, mathematical model and physical model of the motor, the theory of direct torque control was introduced and simulated by MATLAB/SINMULINK software. In order to better fully play its important role.
Key Words:Permanent magnet synchronous motor;Direct torque control;Space Voltage Vecto;super twisting algorithm
目 录
摘 要 I
Abstract II
第1章 绪论 1
1.1 课题的研究背景与意义 1
1.2 永磁同步电机的国内外研究现状及趋势 2
1.3 论文的主要内容 3
第2章 永磁同步电机数学模型 4
2.1 永磁同步电机分类 4
2.2 永磁同步电机的数学模型 5
2.2.1永磁同步电机在三相定子坐标系(a—b—c)中的坐标系 6
2.2.2永磁同步电机在
坐标系中的数学模型 7
2.2.3永磁同步电机在
坐标系中的数学模型 7
2.2.4永磁同步电机在M-T坐标系中的数学模型 9
2.3永磁同步电机MATLAB仿真 9
2.4 本章小结 11
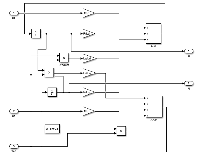
第3章 基于超扭矩控制算法的永磁同步电机直接转矩控制研究 12
3.1 传统直接转矩控制原理 12
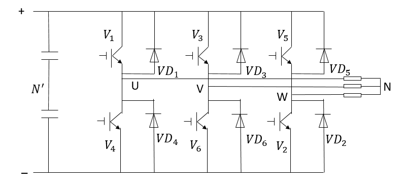
3.1.1 逆变器与开关表 13
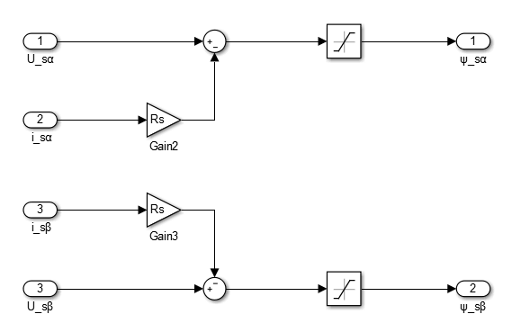
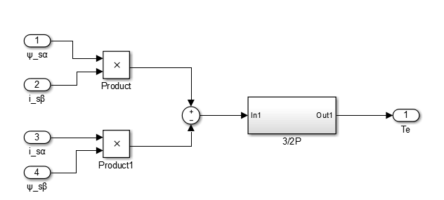
3.1.2定子磁链与电磁转矩的测定 14
3.2基于超扭矩控制算法永磁同步电机直接转矩控制的原理 15
3.2.1 基于超扭曲算法的控制器设计 15
3.2.2鲁棒性分析 18
3.2.3 定子磁链与转矩估计 19
3.2.4基于超扭曲算法的直接转矩控制系统 20
3.3 本章小结 21
第4章 仿真和实验分析 22
4. 1 仿真结果分析 22
4. 2 实验结果分析 24
4.3 本章小结 25
第5章 总结与展望 26
致谢 27
参考文献 28
第1章 绪论
1.1 课题的研究背景与意义
交流电机是由异步电机和同步电机这两个主要组成部分组成,按照励磁方式来分类可以把同步电机分电励磁同步电机和永磁同步电机,由于永磁同步电机可以不用特有的励磁绕组提供励磁电流,所以使其结构变得较为简单。永磁同步电机有许多优点,如:起动转矩高、效率高和功率因数高等。在21世纪的新新时代许多高性能新技术、高技术产业的基础就是高性能的永磁同步电机。通过和电力电了技术的结合,许多性能良好的机电产品如雨后春笋,如数控车间、产业流水线、智能机器人、新型燃料汽车以及智能家居等等。同时高效节能是永磁同步电机又一重要特点,此类电机不仅运用广泛而且很普遍如水力发电、风力发电、居家电器以及汽车、航天军事等领域大量应用,达到显著的节能效果。
永磁同步电机的发展离不开其材料的资源与发展,2000多年前,我国就利用永磁材料的磁特性发明了指南针,指南针的作用在航海、军事领域的作用我们不言而喻。19世纪20年代第一台电机是通过永磁体产生励磁磁场的永磁电机。对永磁同步机产生较大影响的是永磁体,我国有着丰富的土地资源优势,稀土资源占世界总储量的百分之七十五,要想制造永磁同步电机稀土资源就是必不可少,而且是作为主要资源。随着现代技术越来越先进,稀土永磁材料加工技术和稀土永磁材料制造技术也越来越成熟,与此同时我国永磁同步电机的研究与运用技术也越来越成熟。 “十一五”规划期间明确要求国内总产值能耗要降低20%,此项规定为各省市考核的一项重要规定,这也会使一些节能产品得到人们的关注并且将会拥有很大的市场,因此永磁同步电机必将会成为未来的主流产品,其行业发展速度也会变得更加迅猛。
要达到高性能的永磁电机调速,必须要与电机本身相结合,运用其优点这样才能保持同步电机的竞争性。1986年,德国的Depenbrock教授和日本的Takahashi教授分别提出了基于异步电机的直接转矩控制理论(Direct Torque Control-DTC) }z-4}运用转矩和磁链滞环控制器的输出信号还有定子磁链矢量信号来实现所提出的转矩控制理论,我们可以选择最为合适的逆变器开关来完成。两者的区别是,磁链滞环控制器基于六边形定了磁链,定子磁链矢量信号是基于圆形定了磁链。而上述提到的两种方法都是在两相静止坐标下的,为的就是希望避免旋转坐标的复杂性;减小电机参数的依赖性,较强的鲁棒性;采用滞环控制,结构简单。正因为有了直接转矩控制理论的提出使得交流调速领域获得了广泛的关注,而且越来越多的学者也纷纷前来研究。无独有偶,不仅学术上面如此,商业领域里面,商家们也发现了这一技术的诞生将会为他们带来越来越多的商机和机遇,所以这 又推动了器发展同时产生了越来越多的利润。最好的例子就是1994年瑞典ABB公司运用直接转矩控制技术,并将此项技术移植到到异步电机的通用变频器上,并且ABB公司声还对外宣传说这是交流电机的最优控制方案,宣称以后ABB公司只发展这个系统.
正因为在异步电机上取得了如此大的成功,科学家们和广泛研究爱好者们希望能推广到其他交流电机上,使直接转矩控制技术运用到更加广泛的领域中去。我国学者也对此惊醒了许多的研究,胡育文教授和澳大利亚新南威尔士大学的L.Zhong, M.F.Rahman等学者对基于传统开关表形式的永磁同步电机直接转矩控制进行研究,并且实现了在项研究。他们仅仅只运用了非零电压矢量来使磁链和转矩变成两级滞环调节器的方式,就使动态性能得到了良好的提升。永磁同步电机直接转矩控制理论的提出是一次跨时代的革新,不仅使得是直接转矩控制理论得到了进一步深化和推广,而且为后续研究奠定了扎实的基础。
正是在上述研究背景的前提下,本文通过对永磁同步电机直接转矩控制的分析,并研究了相关课题,希望能通过运用所学知识,引入一种新的算法或者优化方法使得永磁同步点年纪直接转矩控制得到更进一步的飞跃。
1.2 永磁同步电机的国内外研究现状及趋势
德国作为在精工机械上远近闻名的国家在较早的提出矢量控制理论:通过效仿直流电机的控制方法,想方设法把这种控制方法引用到交流电机的控制上去,再通过两者的变换从而实现对交流电机的控制,使定子电流进行分解,通过这种方法达到对转子磁链与电磁转矩的解耦控制。德国提出的这种理论可以做到零速全负载,同时还具有精度高、转矩响应快的优点。但是因为只是理论所以在实现上面是十分困难,电机本身的一些参数对最后结果有着很大的影响,而且实际中的旋转变换控制很困难,因为以上种种原因,最后得出的结果也和一开始的理论预期结构有很大的区别,这也是矢量控制的一大弊端。
直接转矩控制理论从一开始直接被提出到现在已经有30多年的发展,各国的科研工作人员和技术人员也从各种不同的角度尝试性的进行了各种尝试,有了许多更加深入的研究成果和应用。矢量控制技术之后可以说直接转矩控制是一种更新型,更高效的技术
。英国的French C和Acamley P所发表的永磁同步电机直接转矩控制的论文和胡育文教授等人提出直接转矩控制方案开始,直接转矩控制研究这一领域就得到了越来越多的学者的关注和研究。
定子控制的不同是直接转矩控制和矢量控制的最为明显的区别所在, 矢量控制是通过控制电流矢量控制来达到对转矩的控制,直接转矩控制是通过控制定子磁链来达到对直转矩的控制。但是,因为永磁同步电动机直接转矩控制是通过迟滞比较器控制转矩和定子磁链幅值的方法,但是因为其对误差的忽略所以对补偿转矩和磁链误差也没有达到预期的控制。随着这些年研究的越发深入,DTC的改进方案相出现在大家的视线之中。通过对电压空间矢量调制(Space Vector Modulation,SVM)技术,我们不难得到连续变化的空间矢量,而连续变化的空间矢量将跟家轻易的来控制磁链和转矩,与此同时能够使逆变器开关频率保持恒定不变。通过PI控制器控制来达到让转矩控制失误差转换为转矩角的增量的方法,要想就要结合定子磁链矢量,就要建立的转矩闭环直接转矩控制来重新构成定子参考电压矢量。分别以转矩和磁链误差作为输入,定子参考电压则由两个PI控制器输出来控制,并采用空间矢量控制逆变器的开关状态。要想控制好定子磁链和转矩让其保持良好的性能要用PI型调节器替代滞环型调节器,但是某一PI系数不能因此来说明鲁棒性。
滑模变结构控制是一种有效的控制方法,他的优点有鲁棒性强、结构简单,相应快速。高阶滑模控制思想是由Aire Levant最先提出来的,并且充分的说明了几种二阶滑模控制算法,常见的二阶滑模控制算法有twisting算法、prescribed convergence law算法、sub-optimal算法和super twisting算法,其中超扭曲算法已经在无人机编队飞行控制系统中成熟的运用。高阶滑模即保留了传统滑模的优点,还能对抖振进行抑制。传统滑模作用到滑模变量上是运用了一阶导数,高阶滑模则是将开关函数作用到已经被选定的滑模变量的高阶导数上去,通过对控制率进行的优化方案将得滑模变结构在短时间内快速收敛。高阶滑模算法的实现在一般情况下是通过滑模变量然后对其求导,而超扭曲算法的滑模虽然是一种高阶滑模算法,但实则是一种二阶滑模算法,他不需要对滑模变量进行求导,从而实现对控制器的结构简化。
1.3 论文的主要内容
本文通过前期的资料查找,了解了课题背景,并对国内外研究情况进行分析,了解目前最为热门的研究方向。并对电机的结构,数学模型,物理模型等进行学习与分析,通过引入二阶滑膜控制算法中的super twisting算法进行对永磁同步电机的优化,对其鲁棒性和稳定性还有时限性进行分析对比,运用MATLAB/SINMULINK软件对其进行仿真,从而更家直观的对所引用的二阶滑膜带来的优点与缺点进行分析。这种方法使得PI型控制的DTC-SVM鲁棒性差与传统滑模控制的DTC-SVM有抖振的这一现象有了明显的改善,可以达到对减磁链和转矩脉动的减小,并且能够保证逆变器开关频率近似恒定。
第2章 永磁同步电机数学模型
2.1 永磁同步电机分类
通过对永磁同步电动机(PMSM)结构的分析,建立了不同坐标系和物理模型下的数学模型,明确了永磁同步电动机的结构,并对其数学模型进行了分析。可以清楚地了解参数与参数之间的关系,为永磁同步电机物理量与永磁同步电机控制方法之间的关系奠定基础。
通过对永磁同步电动机(PMSM)结构的分析,建立了不同坐标系和物理模型下的数学模型,明确了永磁同步电动机的结构,并对其数学模型进行了分析。可以清楚地了解参数与参数之间的关系,为永磁同步电机物理量与永磁同步电机控制方法之间的关系奠定基础。
由于工作环境的变化,永磁同步电动机可分为内转子和外转子。内转子的分布位置可分为表面型、内嵌型和爪极型。表面转子结构如图1所示。它的主要作用是控制它的速度,但是如果没有启动绕组就不能启动。内置转子结构,如图2.1所示。由于这些原因,永磁同步电动机的工作环境要求很高。

(a)凸出式
(b)插入式
图1.1 表面式转子磁路结构
1-永磁体 2-转子铁芯 3-转轴

图1.2 内置径向式转子磁路结构
1-转轴 2-空气隔磁槽 3-永磁体 4-转子导条

图1.3 内置切向式转子磁路结构
1-转轴 2-永磁体 3-转子导条
2.2 永磁同步电机的数学模型
PMSM是一种比较常用的分析方法。该方法对永磁同步电机进行了明确的对比分析由于在实际生产设计中不可能达到绝对对称性,因此也可以实现绝对对称。正因为这是最后一次=得到的数据也是不对称的,所以功总是旋转的,我们必须考虑这方面因素的动态分析,在一般的自然参考系统中,我们可以近似于永磁同步电解。将机器的状态方程看作变系数微分方程。定子和转子的位置与其系数密切相关。正因为如此,方程的求解非常困难。方程的快速求解应以理论为基础进行讨论。假设参考系统和理想电机在坐标系中输入永磁同步电机的状态方程。最后,我们假设所有的障碍都是零的,这样PMSM就不会受到影响。在永磁同步电动机(PMSM)模型中讨论了上述假设。假定22的内部电容为零,三相永磁同步电动机在a-b-c坐标下的电压和磁通方程如下:
在上述的假定基础上,我们进行对永磁同步电机模型的讨论。
2.2.1永磁同步电机在三相定子坐标系(a—b—c)中的坐标系
本文所采用的是对称三相定子绕组的电机系统,其绕组轴线在磁场上互差
。如果每项绕组都有一匝磁动势线圈,我们先不管谐波成分在系统中,当三相对称电流接通定子时,线圈产生一个旋转磁场,如果定子绕组的某一物理量
(如电势、磁势、电流、电压等),三相绕组中的瞬时值分别为
,则该物理量的空间矢量可表达为式(2.1)。
以上是毕业论文大纲或资料介绍,该课题完整毕业论文、开题报告、任务书、程序设计、图纸设计等资料请添加微信获取,微信号:bysjorg。
相关图片展示:







您可能感兴趣的文章
- 一种确定磁探针集总电路参数的标定方法外文翻译资料
- 一种人体可接触的大气压低温等离子体射流装置研究(适合电气B方向)毕业论文
- 氩氧中大气压DBD放电特性研究(适合电气B方向)毕业论文
- 大气压氩等离子体射流放电影响因素的仿真研究(适合浦电气B方向)毕业论文
- 含氧高活性均匀DBD改性聚合物薄膜研究(适合浦电气B方向)毕业论文
- 反应器结构对气液两相DBD放电特性的比较(适合浦电气B方向)毕业论文
- 南京某公司研发楼电气设计毕业论文
- 金帆北苑地块经济适用住房——02栋商住楼电气设计(适用于浦电气1004~06A方向学生)毕业论文
- 扬州人武部大楼电气设计毕业论文
- 金帆北苑地块经济适用住房——04栋商住楼电气设计(适用于浦电气1004~06A方向学生)毕业论文


