基于STM32F4的双冗余以太网通信系统设计毕业论文
2020-03-14 12:17:54
摘 要
随着舰船综合测控系统的集成度越来越高,测控系统信息网络的稳定性逐渐成为作战系统发挥最大效能的制约因素。由于舰船综合测控系统工作环境及其复杂和恶劣,提高其稳定性就显得十分重要。目前最常用的方式,就是采用双路以太网进行冗余性设计。使系统中的双路以太网在一路局部故障或线路受损时可以自动冗余切换,这一设计特点大幅提高了作为网络节点的数据采集传输系统在与外部其他设备通信时数据传输的可靠性。针对双路以太网冗余工作情况,需要解决硬件冗余性设计的同时,还需要解决通信软件的冗余性程序设计,从根本上提高数据采集系统与外界其他设备进行通信时数据传输的可靠性。
本文通过对三种常用的以太网网络架构进行分析,确定了其中可靠性最高的双冗余以太网方案。同时,对硬件协议栈方案和软件协议栈方案进行了对比分析,结合工程应用的实际环境情况,选定使用硬件协议栈方案进行以太网通路的设计。此次设计的主控芯片采用意法半导体生产的STM32F4系列单片机,硬件协议栈芯片采用WIZnet公司生产的W5200芯片。在本次设计中,使用Altium Designer软件绘制了基于STM32F4的双冗余以太网通讯系统的原理图,设计了程序工作流程图,并使用Keil软件编写了相关驱动程序。
关键词:以太网;冗余;硬件协议栈;STM32F4;可靠性;
Abstract
With the increasing integration of the ship's integrated measurement and control system, the stability of the measurement and control system information network has gradually become the limiting factor for the maximum effectiveness of the combat system. Due to the complex and harsh working environment of the ship's integrated measurement and control system, it is very important to improve its stability. The most common method at present is to use dual Ethernet for redundancy design. The dual Ethernet in the system can automatically switch redundantly when a local fault or line is damaged. This design feature greatly improves the reliability of data transmission when the data acquisition and transmission system as a network node communicates with other external devices. For the dual-channel Ethernet redundancy situation, while the hardware redundancy design needs to be solved, the redundancy program design of the communication software needs to be solved, and the reliability of data transmission when the data acquisition system communicates with other external devices is fundamentally improved.
This essay analyzes three common Ethernet network architectures to determine the most reliable dual-redundant Ethernet solution. At the same time, the hardware protocol stack scheme and software protocol stack scheme are compared and analyzed. Based on the actual environment of the engineering application, the hardware protocol stack scheme is selected to design the Ethernet path. The main control chip designed this time adopts STM32F4 series one-chip computer that STMicroelectronics produces, the hardware agreement stack chip adopts W5200 chip that WIZnet Company produces. In this design, Altium Designer software was used to draw the schematic diagram of STM32F4-based dual redundant Ethernet communication system. The program work flow chart was designed, and related drivers were written using Keil.
Key Words: Ethernet; redundancy; hardware protocol stack;STM32F4; reliability;
目录
摘要 I
Abstract II
第1章 绪论 1
1.1课题研究背景 1
1.2论文主要内容及结构 2
第2章 基本设计方案分析 3
2.1三种嵌入式以太网网络结构可靠性分析 3
2.1.1单网卡结构可靠性分析 3
2.1.2双网卡结构可靠性分析 4
2.1.3双以太网结构可靠性分析 5
2.2单片机接入以太网的方案 7
2.2.1软件TCP/IP协议栈方案 7
2.2.2硬件TCP/IP协议栈方案 8
2.3本章小结 10
第3章 拟采用的设计方案 11
3.1硬件设计方案 11
3.1.1复位电路 13
3.1.2电源电路 15
3.1.3外部时钟电路 15
3.1.4仿真调试电路 16
3.1.5网卡控制器W5000及其周围电路 18
3.1.6网络状态指示灯电路 18
3.1.7网卡控制器W5200电源电路 19
3.1.8网络变压器H1102和RJ45接口电路 21
3.2软件设计方案 21
3.2.1单片机 SPI引脚初始化 22
3.2.2网卡控制器W5200的初始化 24
3.2.3双冗余以太网的切换 25
3.3本章小结 26
第4章 结果分析与展望 27
参考文献 28
附录 30
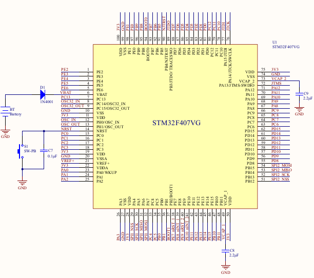
附录A STM32F407VGT6芯片主电路、复位电路和电源滤波电路 30
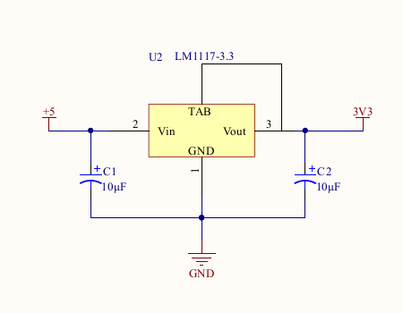
附录B 单片机外部时钟电路、电源电路和仿真调试电路 31
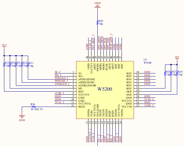
附录C 网卡控制器W5200和网络隔离变压器H1102外围电路 32
致谢 33
绪论
1.1课题研究背景
随着工业现场执行设备的智能化趋势的快速发展,工业测控系统也越来越朝着分散式的方向发展,不再是以前的集中统一控制的方式,而要实现智能化分散式控制就要对现场设备的各种运行参数进行采集,这就要求设备之间具有更强的通信能力,智能化分布式设备的控制需求促进了网络化、智能化、分布式测量控制系统的发展。最初的以太网技术主要应用于在商业办公领域,后来随着以太网技术被越来越广泛地使用以及相关网络技术的巨大进步,以太网的优势也越来明显,主要表现在相关产品价格低廉、技术先进传输速度快、网络集成更加简单快捷。所以,工业级以太网成为了网络化、智能化、分布式测控系统发展的必然趋势。工业以太网作为网络化智能测控系统的核心技术也是当前研究的热点。但是在实际应用中,工业以太网有两个迫切需要解决的大问题。首先,由于工业以太网是从以太网发展而来,并且因为最初的以太网技术是应用于办公自动化领域,故其运行环境一般比较好,也并未在信息传输的实时性上做出要求,而工业以太网工作时要面临各种恶劣的影响因素,如高温或低温,强酸或强碱,高压或低压,高湿或极端干燥,强机械震动,强电磁干扰等物理化学因素。严苛的工作环境对工业以太网提出了更高的要求,而目前研究的一个热点就是如何提高以嵌入式以太网测控系统的可靠性。
上世纪七十年代,数字计算机开始被应用于工业生产,与此同时伴随中央计算机控制系统产生了所谓“集中式”的工业控制方式,但由于使用模拟信号进行信息传送,此种控制方式易受干扰,稳定性弱,传输距离短,不够可靠,无法满足日益增长的工业生产需求。后来随着微处理器的陆续出现与应用,分散式的控制网络也越来越得到广泛应用。同时模拟信号由于其传输距离短,易受干扰的缺点也逐渐被淘汰,采用数字信号传输信息的设备被大量应用到工业生产现场,网络化智能设备成为可能,与此同时也出现了各种各样的现场总线技术,基于网络技术的现场总线技术极大地提高了通信速度,实时性能,可靠性和组网灵活性。目前,测量和控制领域中广泛使用的现场总线有:FF 、LonWorks、CAN、Hart、Profibus等。他们有各自的优点,在不同的应用场合各有优势,然而在智能化控制的需求下,互相之间不兼容就成为制约各种现场总线的技术瓶颈,由于控制网络的多层次性,系统结构会随着层次的增加变得越来越复杂,互不兼容的各种现场总线技术无法快速便捷的做到相互兼容,只有工业以太网技术的应用,使控制网络与信息网络合二为一,大大优化系统结构,使更加智能化的控制与决策成为可能。随着物联网技术的快速发展,嵌入式以太网技术得到了广泛的应用,顾名思义,嵌入式以太网就是将嵌入式设备接入以太网的技术,由微控制器控制的各种终端设备不仅可以通过以太网将工业现场的各种参数进行数据采集并传输到服务器端,必要时还可以通过Internet将运行数据上传到互联网上。同时,通过嵌入式以太网,管理员还可以对终端设备进行操作。正因为嵌入式以太网可以将大量设备连接到互联网,它的产生与应用被认为是以太网技术之后的新技术革命。随着32位嵌入式CPU性能指标的改进和价格的下降,它处于测量和控制领域的应用成为了最近的热点。
在现代的舰船作战系统中,测控功能的实现主要通过由以太网技术构建的网络来实现,以太网网络的正常运行是正常发挥舰船作战能力的必要前提。为了维护网络的正常运行,管理人员需要对网络数据进行监控和分析,并对网络运行环境与网络性能进行及时的了解和评估。随着现代信息化战争理念的不断普及,新的通信技术被越来越多的应用到作战舰船上,舰船通信系统的自动化程度和集成度不断提高,作为作战舰船测控系统架构基础的以太网,其可靠性就显得非常重要。同时,由于舰载作战设备的工作环境极为复杂恶劣,可能受到高温,高湿,强机械震动等现场因素的影响,将会导致传输通道中断,如网线断开,网络堵塞,网络接口硬件电路故障等,导致网络可靠性和实时性降低甚至停止工作。所以,提高以太网可靠性是在设计时必须要考虑的一个问题。
1.2论文主要内容及结构
本文在对STM32F4单片机技术与工业以太网技术进行详细介绍的基础之上,分析设计了基于STM32F4的双冗余以太网通信系统,过对系统的框架、硬件、部分软件部分进行了设计,实现了正常的数据通信功能和故障切换功能。本文的内容结构安排如下:
第1章:通过对FF 、LonWorks、CAN、Hart、Profibus和以太网等测控系统的优势和局限性进行介绍,对现代舰船测控系统对可靠性的极高要求进行了说明
第2章:对以三种以太网冗余结构进行了对比分析, 确定了双冗余以太网通信系统设计方案,对硬件协议栈和软件协议栈两种方案进行了对比分析,确定了硬件协议栈设计方案。
第3章:主要进行了双冗余以太网通信系统的硬件原理图设计,包括STM32F4单片机最小系统电路和两路基于以太网控制器W5200的以太网通路。系统软件设计部分包括:SPI引脚的初始化、W5200的初始化和双冗余以太网在故障时的切换。
第4章:主要是对整体进行总结,并且结合毕业设计的经验对本次毕设相关功能扩展进行展望。
第2章 基本设计方案分析
2.1三种嵌入式以太网网络结构可靠性分析
2.1.1单网卡结构可靠性分析
由于以太网结构中的元件均为电子元件,在进行可靠性分析时,可将其简化为指数分布模型。
在单网卡控制结构中,整个系统主要由由网卡、集线器和其他传输介质构成,各传输介质为串联关系,所以当其中任何一个元件发生故障,整个系统将无法正常工作。其可靠性框图如下图所示:

图2.1 单网卡系统可靠性模型框图
其可靠度定量分析如下:设网卡的平均无故障间隔时间MTBF(Mean Time Between Failure)为。
则网卡的故障率为:
(2.1) |
网卡的可靠度:
(2.2) |
网络节点的MTBF为,则n个节点故障率为:
(2.3) |
集线器的MTBF为,则其故障率为:
(2.4) |
其可靠度为:
(2.5) |
系统的可靠度和MTBF为:
(2.6) | ||||
(2.7) | ||||
在单网卡结构中,只要一个网络组件发生故障,即:,那么整个系统将彻底瘫痪。
2.1.2双网卡结构可靠性分析
在双网卡 控制结构中,系统通过软件驱动设置相关参数将两块网卡当作一块网卡来使用,如果有一块网卡发生故障无法工作,系统后会自动切换到另一块备份网卡,同时,系统中其他传输介质也都互相进行双备份,最后由集线器统一接入主机。这样的冗余设计工作在同一个网关。其可靠性框图如图所示:

图2.2 双网卡系统可靠性模型框图
图中,第一个并联结构表示双网卡的可靠性模型,中间n个并联结构代表n个网络结点的可靠性模型,最后一个R代表集线器的可靠性。其可靠性分析如下:
设网卡的MTBF为,则网卡失效率为:
(2.8) |
网卡的可靠度:
(2.9) |
双网卡的可靠度为:
(2.10) |
双网卡的故障率为:
(2.11) |
单个网络节点的MTBF为,则其故障率为:
(2.12) |
单个结点的可靠度为:
(2.13) |
双并联节点的可靠度为:
(2.14) |
双并联节点的故障率为:
(2.15) |
集线器的MTBF为,则其故障率为:
(2.16) |
其可靠度为:
(2.17) |
系统的可靠度和MTBF为:
(2.18) | ||
(2.19) |
在双网卡架构的系统中,网卡以及其他传输介质都进行了双备份,但最后的集线器则与信息通道的其他节点进行串联,这样一旦集线器发生故障,整个系统将会瘫痪无法正常工作。
2.1.3双以太网结构可靠性分析
双以太网结构则是构建两个各自完整并且相互独立的以太网信息传输线路,两条线路没有主副之分,互相备份,如果有一路网络出现故障,系统会马上检测到故障并自动切换到备份线路,保证正常的数据传送不受影响,同时上传故障信息,通知维护人员进行故障排除。其可靠性模型如图3所示:

以上是毕业论文大纲或资料介绍,该课题完整毕业论文、开题报告、任务书、程序设计、图纸设计等资料请添加微信获取,微信号:bysjorg。
相关图片展示:







您可能感兴趣的文章
- 一种确定磁探针集总电路参数的标定方法外文翻译资料
- 一种人体可接触的大气压低温等离子体射流装置研究(适合电气B方向)毕业论文
- 氩氧中大气压DBD放电特性研究(适合电气B方向)毕业论文
- 大气压氩等离子体射流放电影响因素的仿真研究(适合浦电气B方向)毕业论文
- 含氧高活性均匀DBD改性聚合物薄膜研究(适合浦电气B方向)毕业论文
- 反应器结构对气液两相DBD放电特性的比较(适合浦电气B方向)毕业论文
- 南京某公司研发楼电气设计毕业论文
- 金帆北苑地块经济适用住房——02栋商住楼电气设计(适用于浦电气1004~06A方向学生)毕业论文
- 扬州人武部大楼电气设计毕业论文
- 金帆北苑地块经济适用住房——04栋商住楼电气设计(适用于浦电气1004~06A方向学生)毕业论文


