风力发电系统网侧变流器的设计与仿真毕业论文
2021-11-26 23:30:48
论文总字数:25970字
摘 要
随着现代电力电子器件以及风力发电系统的高速发展,多电平逆变器正在一步一步取代以前的双电平逆变器而出现在现在的风力发电系统中,三电平逆变器更能适应市场的需求,因为其价格相对于更多电平的逆变器来说更加廉价,性价比高,同时相对传统的双电平逆变器又有输出电压稳定,谐波少等优点。为了适应多电平逆变器的快速发展,SVPWM调制算法在中高端领域内逐步替代传统的PWM调制和SPWM调制,因为其输出电压质量好、能够实现无差调节等特点。
本文从风力发电的重要性出发,引出多电平逆变器担任网侧变流器这一重任。举例介绍了国内外主要的变流器产品。利用推广的思想,先分析双电平逆变器的工作原理,记录下基础理论依据。再通过数学模型相似性进行公式的推广,从而的到三电平逆变器的原理以及其数学模型的基本公式;
通过分析三电平逆变器的数学模型,采取参考电压矢量区域划分的方法,逐步将参考电压矢量通过多重步骤进行模拟合成,再根据伏秒积守恒定律计算出开关矢量作用时间及顺序,从而得到桥臂的开关控制信号。
计算完成后,使用Simulink进行模型搭建和仿真,采用整体模块化设计,将各个功能独立搭建模块,最后相互连接起来进行仿真,最后引入风力发电模拟电网来进行并网实验,观察并网后的电压电流波形进行分析。
关键词:风力发电系统;三电平逆变器;空间电压矢量控制;Simulink仿真
Abstract
With modern power electronic devices and the rapid development of wind power system, the multilevel inverter is step by step instead of double level inverter and appear in the current wind power system, three level inverter is more able to adapt to the demand of the market, because its price relative to the level inverter is cheaper, more cost-effective, at the same time, relative to the traditional double level inverter and has stable output voltage, less harmonic, etc. In order to adapt to the rapid development of multilevel inverter, SVPWM modulation algorithm has gradually replaced the traditional PWM modulation and SPWM modulation in the middle and high-end fields, because its output voltage is of good quality and it can realize no difference regulation and other characteristics.
Based on the importance of wind power generation, this paper introduces the important task of multi-level inverter as grid side converter. The main converter products at home and abroad are introduced with examples. Using the idea of generalization, the working principle of the dual-level inverter is analyzed first, and the basic theoretical basis is recorded. Then, the formula is generalized through the similarity of the mathematical model, which leads to the principle of the three-level inverter and the basic formula of its mathematical model.
By analyzing the mathematical model of the three-level inverter, the method of dividing the reference voltage vector region is adopted to simulate and synthesize the reference voltage vector step by step through multiple steps, and then the time and sequence of the switch vector are calculated according to the conservation law of volt-second product, so as to obtain the switch control signal of the bridge arm.
After the calculation is completed, Simulink is used for model building and simulation. The overall modular design is adopted to independently build modules for each function. Finally, they are connected to each other for simulation.
Key words: wind power system; Three-level inverter; Space voltage vector control; Simulink simulation
目 录
第1章 绪论 1
1.1 研究背景 1
1.2 国内外研究现状 1
第2章 风力发电系统网侧变流器理论基础 3
2.1 两电平逆变器工作原理 3
2.2 两电平SVPWM调制原理 4
2.3 两电平SVPWM调制算法 6
2.4 小结 7
第3章 风力发电系统网侧三电平变流器设计方案 8
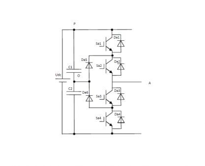
3.1 二极管箝位型三电平逆变器的原理 8
3.2三电平逆变器开关状态分析 10
3.3三电平逆变器SVPWM控制算法研究 10
3.3.1参考矢量大扇区确定 11
3.3.2参考矢量小三角形区域确定 13
3.3.3输出矢量的确定 15
3.3.4开关矢量的优化 16
3.3.5电压矢量作用时间分配 18
3.4本章小结 22
第4章 Matlab/simulink仿真 23
4.1引言 23
4.2三电平逆变器仿真系统结构 23
4.3系统主电路仿真模型 23
4.4 SVPWM模块 24
4.5电压矢量分解 25
4.6扇区判断 26
4.7小三角形区域判断 26
4.8时间计算 27
4.9矢量状态 31
4.10桥臂开关状态 34
第5章 仿真结果分析 35
第6章 总结与展望 44
6.1 总结 44
6.2 展望 44
参考文献 45
- 绪论
1.1 研究背景
随着石油天然气等不可再生资源的逐渐枯竭,能源匮乏问题和环境污染状况已经日益严重,现在各国也逐渐重视了能源和环境的多元结合问题,在这样的世界主旋律下,开发新型的清洁能源的已是迫在眉睫,在新兴的可再生清洁能源中,风能占有相当重要的地位,因为其具有资源丰富,分布广泛的特点。但是在国内,由于起步较晚,合理高效的利用风能还是十分困难的,不仅仅需要结合天气、地势、气候等多因素的影响,还要考虑到国内电力电子技术的有限性,即使在国家大力发展大力支持风力发电的背景下,风力发电设施的普及以及进一步的优化仍然是现在面临的一大困难。
现在国内的风力发电系统主要都是风车是风力发电塔,由扇叶、电机、整流器、变流器等部分组成。其中作为能量转换器件的变流器是不能忽视的重要环节,为了让风力发电更稳定的并入电网,一个优质的变流器是必不可少的,它必须将整流器输出的直流电转换为电压、频率都与电网吻合且稳定的交流电压才能进行并网,所以对逆变变流器的研究是十分有意义且十分必要的。
1.2 国内外研究现状
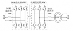
当代的主流变流器主要与双馈变流器为主,双馈变流器通常应用变速恒频双馈风力发电系统,如图1.1所示:
图1.1 双馈变流器的应用
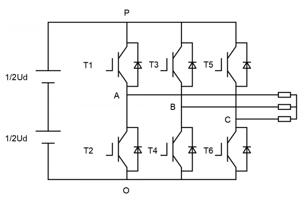
有多种逆变变流器适用于双馈异步风力发电系统,例如双电平PWM变流器器、箝位谐振逆变器以及箝位型多电平逆变器等。其中以双电平双向PWM变流器应用最广泛,如图1.2所示。由图可以发现,两电平双向PWM变流器的结构简单,所有电子元器件也十分易得,因此拥有价格低廉、可靠性高、易于控制的特点。

图2 双电平双向PWM变流器拓扑结构
如今国外的风力变流器发展比国内要快很多,此处以ABB公司的产品为例。
在风电变流器行业,瑞士的ABB公司所生产的相关产品几乎能代表该行业的最高技术水平。为了控制其产品的可靠性,所有的产品都采用了模块化设计的技术指标,不仅大大缩小了产品的体积,还使得各模块间可以独立拆卸、独立控制,大大提高了可靠性,也减小了检查和维护的工作量。除此以外,其产品的控制算法也是世界领先,输出波形适用性广泛,产品可应用于各大领域。
相对于国外产品常年技术领先的地位,虽然近几年国家大力发展电力电子行业,也取得了很大的技术性突破,但仍然与世界一流水平有一定的差距,所以国内的风力发电变流器主要以中低压为主,此处以南车株洲电力机车研究所有限公司的主要产品为例。
南车株洲电力机车研究所有限公司成立于1959年,拥有悠久的企业历史,经过60多年的发展,已经涉猎了多个行业领域,其中以电力电子器件以及新能源装备为主。21世纪初期,为了响应国家鼓励开发清洁能源的号召,在2006年开始自主研发生产风力发电变流器,其目前的主要产品均为满足现有国家中低容量的平原型风力发电机组,大多为2MW以下的双电平双向PWM变流器。 据不完全统计,全国风力发电系统中,有61%的风力发电设施中应用了其产品,而且此数字正在逐年增加,而且近几年也逐渐加大了研发规模,通过引进消化吸收和自主创新结合、已经构建了极为庞大的自主创新研发平台。
- 风力发电系统网侧变流器理论基础
从电路原理上来说,两电平逆变器与三电平逆变器基本一致,均是由SVPWM控制信号控制IGBT的导通与关断来使电路输出交流电压,但由于少了一个电平,则在调控过程中,会有较少的扇区判断、较少的开关状态以及较小的调制系数。所以可以将两电平逆变器的SVPWM调制作为三电平的理论基础,遵从从易到难的原则,先分析两电平逆变器的SVPWM调试算法,研究其数学模型规律,从而以此为依据,推广到三电平逆变器的调制。
2.1 两电平逆变器工作原理

图2.1 两电平逆变器主电路
请支付后下载全文,论文总字数:25970字
相关图片展示:





您可能感兴趣的文章
- 一种确定磁探针集总电路参数的标定方法外文翻译资料
- 一种人体可接触的大气压低温等离子体射流装置研究(适合电气B方向)毕业论文
- 氩氧中大气压DBD放电特性研究(适合电气B方向)毕业论文
- 大气压氩等离子体射流放电影响因素的仿真研究(适合浦电气B方向)毕业论文
- 含氧高活性均匀DBD改性聚合物薄膜研究(适合浦电气B方向)毕业论文
- 反应器结构对气液两相DBD放电特性的比较(适合浦电气B方向)毕业论文
- 南京某公司研发楼电气设计毕业论文
- 金帆北苑地块经济适用住房——02栋商住楼电气设计(适用于浦电气1004~06A方向学生)毕业论文
- 扬州人武部大楼电气设计毕业论文
- 金帆北苑地块经济适用住房——04栋商住楼电气设计(适用于浦电气1004~06A方向学生)毕业论文


