DSTATCOM的仿真设计毕业论文
2021-11-26 23:30:32
论文总字数:22142字
摘 要
随着电力电子装置的快速发展,电网中出现了越来越多无功和谐波,使得电网受到频繁的冲击,电能质量严重降低。据调查,电网系统中的绝大多数电能质量问题都来自于配电网系统。因此,研究如何在配电网侧快速地进行就地无功补偿对提高系统功率因数,提高电网稳定性具有重要的现实意义。
配电网静止同步补偿器(Distribution static synchronous compensator——DSTATCOM)是一种并联型无功补偿柔性交流输电系统装置,它能够发出或吸收无功功率,减少谐波,并且其输出可以通过特定参数的调节而改变。
本文的主要内容即设计了一个220V/10kVA的DSTATCOM装置。首先,本文利用向量图及数学模型介绍了DSTATCOM的组成及结构,并分析了工作原理。然后,本文在分析了传统p-q、d-q法的基础上决定采用了一种更新的无PLL锁相环的电流检测方法解决补偿电流计算的关键问题。在电流控制方面,通过对比直接控制与间接控制两种方式的优劣势,选择了基于PWM跟踪技术的滞环直接电流控制方式。
最后,利用Matlab软件在Simulink环境下建立仿真模块,搭建起仿真模型电路。设计模拟多种试验条件,多次更改仿真参数进行DSTATCOM的性能检测。根据仿真结果显示,验证了本文所设计方案的可行性。
关键词:配电网;DSTATCOM;无功与谐波补偿; Matlab仿真
Abstract
With the rapid development of power electronic devices, more and more reactive power and harmonics appear in the power grid, resulting in frequent impact on the power grid and serious reduction of power quality. According to the investigation, the vast majority of power quality problems in the power grid system come from the power distribution system. Therefore, it is of practical significance to study how to quickly carry out local reactive power compensation on the distribution network side to improve the power factor of the system and improve the stability of the network.
The Distribution static synchronous compensator (DSTATCOM) is a flexible ac transmission system device with reactive power compensation in parallel. It can emit or absorb reactive power, reduce harmonics, and its output can be changed by adjusting specific parameters.
The main content of this paper is to design a 220V/10kVA DSTATCOM device. Firstly, this paper introduces the composition and structure of DSTATCOM by using vector diagram and mathematical model, and analyzes the working principle. Then, based on the analysis of the traditional P-Q and D-Q methods, this paper decided to adopt an updated PLL-free phase-locked loop current detection method to solve the key problem of compensation current calculation. In the aspect of current control, by comparing the advantages and disadvantages of direct control and indirect control, the hysteresis direct current control based on PWM tracking technology is selected.
Finally, MATLAB software was used to build the simulation module in the SIMULINK environment, and the simulation model circuit was built. A variety of test conditions were simulated, and the simulation parameters were changed many times to test the performance of DSTATCOM. According to the simulation results, the feasibility of the proposed scheme is verified.
Key Words:Distribution network, DSTATCOM, reactive power and harmonic compensation, MATLAB simulation
目 录
摘 要 I
Abstract II
第1章 绪论 1
1.1 课题研究的背景、目的和意义 1
1.2 国内外研究现状 2
1.3 课题的研究内容、预期目标综述 3
1.3.1研究内容 3
1.3.2预期目标 4
1.4 论文安排 4
第2章 DSTATCOM基本理论 6
2.1 DSTATCOM系统组成 6
2.2 DSTATCOM工作原理 7
2.3 DSTATCOM数学模型 8
2.3.1 DSTATCOM主电路结构 8
2.3.1 单相等效电路数学模型 9
2.3.2 坐标变换的思想 12
2.4 本章小结 14
第3章 DSTATCOM设计方案 15
3.1 主电路设计 15
3.1.1 结构设计 15
3.1.2 参数设计 16
3.2 指令补偿电流检测环节设计 17
3.2.1 电流检测方法研究现状 17
3.2.2 无锁相环电流检测方法 18
3.3 电流跟踪控制环节设计 20
3.3.1 间接控制 20
3.3.2 直接控制 21
3.4 本章小结 23
第4章 DSTATCOM仿真试验说明 24
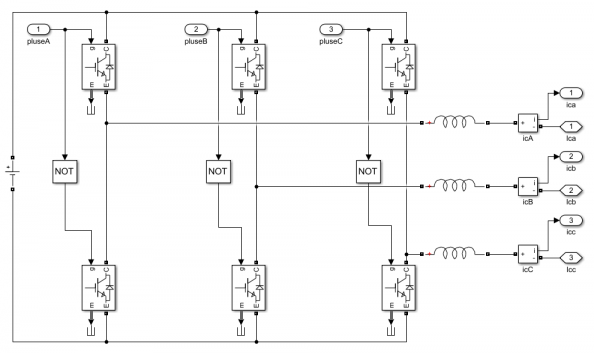
4.1 仿真模块的建立 24
4.1.1 总仿真模型 24
4.1.2 主电路模块 25
4.1.3 指令电流计算模块 25
4.1.4 电流跟踪环节模块 26
4.2仿真试验及结果分析 26
4.2.1 阻感性负载 26
4.2.2 阻容性负载 27
4.2.3 非线性负载 28
4.2.4 多重负载 28
4.2.5 动态试验 29
4.3 本章小结 30
第5章 总结和展望 31
参考文献 33
致谢 35
第1章 绪论
1.1 课题研究的背景、目的和意义
电能,作为人类目前从事生产生活活动所依赖的主要能源而被广泛使用。随着电力系统发展与用电技术水平的提高与进步,大量新型用电负荷如电力机车、电弧炉、整流器、开关电源、变频调速装置等具有非线性、冲击性和不平衡电流的负载数量急剧增加。
这些负载消耗大量无功功率并产生一定的谐波,不仅使低压配电网络电压频繁波动,扭曲配电网络中的电流波形,还会降低功率因数,产生三相不平衡的问题等,而且在严重情况下还会导致电网电压崩溃,影响其他设备的正常工作。电能的质量问题始终严重影响着配电网络的安全性,稳定性和经济性。根据调查,电网系统中的绝大多数电能质量问题都来自于配电网系统。因此,研究如何利用现代电力电子技术和控制技术对电网系统,特别是配电网系统中的无功功率进行必要的补偿,减少功率损耗,提高电能质量,具有重要的意义。
在电力电子技术发展了近100年来,电力行业的劳动工作者们研制了一系列设备解决上述问题,如并联大电容(SC),使用同步调相器等。然而,在实际投运的过程中,这些机械装置的动态性能所起到的效果并不理想,并且效率不高且经济性差。
直到在30年前人们探索到了使用电力电子转换器进行无功补偿的方法,但是它受到当时电力电子设备的耐压和功率水平的限制,并且可能不能在传输和分配网络中用实际设备制造。直到近年来,大功率、耐热、耐高压冲击的电力电子开关制造技术有了长足的进步,使得电能变化领域发生的巨大的变革,静态无功功率补偿器(SVC)的发明应用就是这项技术的成功范例。
此外,伴随着计算机信息技术的突破性发展以及自动控制理论的成熟与智能化,使得诸如闸极可控硅(GTO)和绝缘栅双极型晶体管(IGBT)之类的大功率晶闸管的功率电子器件的控制信号处理技术发生了翻天覆地的变化,极大地促进了静态同步补偿器(STATCOM)的发展。随之而来,柔性交流输电系统(FACTS)应运而生,代替了传统机械式投切补偿。
STATCOM是一种第二代可发射或吸收无功功率的并联无功补偿装置柔性交流输电系统,其输出可根据控制系统的具体参数而变化。一般来说,它是一种固态开关变换器,当其输入端连接到电源或储能设备时,其输出端可独立发射或吸收可控有功功率和无功功率。它可以在动态电压控制、功率振荡阻尼、暂态稳定、电压闪变控制等方面改善电力系统的功能。与传统的无功补偿装置相比,STATCOM具有连续调节、谐波小、损耗低、运行范围宽、可靠性高、调节速度快等优点。自问世以来,STATCOM得到了广泛的关注和快速的发展。
DSTATCOM是配电网的静态同步补偿器,是STATCOM在配电网系统中的应用。作为目前最先进的无功补偿装置,它不再使用大容量电容或电感产生所需的无功功率,而是使用电力电子设备的高频开关实现无功补偿的技术质的飞跃,特别适用于中高压电力系统的动态无功补偿[13]。DSTATCOM作为一种新型的无功补偿装置,以其准确、快速、全面的补偿性能而受到国内外科研工作者的关注和重视。、
1.2 国内外研究现状
STATCOM的概念最早由日本学者于1972年提出。1976年,美国学者L.Gyugiy首次提出了采用基于半导体元件的逆变器进行无功功率补偿[13]。上世纪八十年底起STATCOM开始得到越来越多人的关注,在九十年代左右取得了飞速进展。至今,STATCOM在工程应用方面不断突破,取得了十足的进步。
在配电网中,DSTATCOM常采用开关频率高的IGBT来加快响应速度。与此同时,不断地有新的电力电子器件被开发并应用于DSTATCOM,如日本东芝的IEGT、ABB公司的IGCT等,此类产品通过提高开关频率提升动态性能,改善补偿精度。同时,配合控制方法与控制器的改进,从本质上提升性能。上述技术尤其是控制技术应用于DSTATCOM正逐步成为现实,并且也是目前国内外研究的热点方向。
国际上, 1980年1月,日本关西电力株式会社与三菱公司联合开发了世界上第一台晶闸管无功容量为±20Mvar的STATCOM。在美国,西屋电气公司和国家电力研究所于1986年成功完成了他们研制的STATCOM装置,这是世界上第一个具有GTO而且容量为±1Mvar的STATCOM装置。1966年10月,同样是美国国家电力研究所与TA、西屋电气公司共同建造了容量为±100Mvar的STATCOM设备,并在TVA的Sullivan变电站投入运行。另外,单机容量为±8Mvar的STATCOM设备由德国西门子公司于1997年研发[9]。同时,高压大容量的STATCOM设备由法国阿尔斯通(ALSTOM)公司研发。2002年,日本东芝公司又研发出基于新型大功率电力电子开关器件IEGT的STATCOM装置,安装于日韩钢铁公司并处在持续投运状态。目前为止,世界上仅有美、日、德、法、英、中等少数国家掌握STATCOM的开发技术。近年来,美国、日本、德国等国家的研究人员或公司利用现代控制方法、先进的大功率、高性能高频切割设备,并依托微处理器,开发出智能型的STATCOM设备系统,并开始投入市场[9]。
请支付后下载全文,论文总字数:22142字
相关图片展示:





您可能感兴趣的文章
- 一种确定磁探针集总电路参数的标定方法外文翻译资料
- 一种人体可接触的大气压低温等离子体射流装置研究(适合电气B方向)毕业论文
- 氩氧中大气压DBD放电特性研究(适合电气B方向)毕业论文
- 大气压氩等离子体射流放电影响因素的仿真研究(适合浦电气B方向)毕业论文
- 含氧高活性均匀DBD改性聚合物薄膜研究(适合浦电气B方向)毕业论文
- 反应器结构对气液两相DBD放电特性的比较(适合浦电气B方向)毕业论文
- 南京某公司研发楼电气设计毕业论文
- 金帆北苑地块经济适用住房——02栋商住楼电气设计(适用于浦电气1004~06A方向学生)毕业论文
- 扬州人武部大楼电气设计毕业论文
- 金帆北苑地块经济适用住房——04栋商住楼电气设计(适用于浦电气1004~06A方向学生)毕业论文


