船舶舵机电气控制系统设计毕业论文
2020-08-13 20:46:14
摘 要
舵机是控制船舶航向的重要设备,其控制系统的性能好坏对船舶航行的重要性不言而喻。本文通过分析研究船舶舵机的工作原理结合目前常用转舵机构,决定采用往复式舵机转舵机构,对其进行电气控制系统设计。根据船舶对舵机要求及转舵机构实际需要,对其进行深入分析比较后,设计了舵机电气控制方案。分别对设计中所用到的设备进行了选型研究,确定型号。考虑到舵机是船舶上的重要设备,还设计了一套逆变装置,保证不断电。
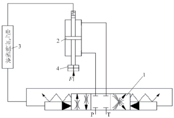
舵机的电气控制系统通过PLC控制来实现,能控制电机的启动,断电,液压系统的工作状态从而实现船舶转向。另外,为了实时得到转舵的位置信息,在转舵机构上增加了舵角传感器,将舵角即时显示到PLC显示屏上,实时控制。
关键词:船舶舵机;PLC控制;液压系统
ABSTRACT
The steering gear, as a control device for the ship's course, has an important effect on the safety of the ship's sailing. In this paper, through the analysis of the principle of the role of the ship steering gear and the current steering mechanism, decided to use reciprocating steering gear steering mechanism, the electrical control system design. According to the requirements of the ship and the actual needs of the steering gear, after the indepth analysis and comparison, the design of the steering gear electrical control program. Respectively, the design of the equipment used in the selection of selected models to determine the model. Taking into account the steering gear is an important equipment on the ship, but also designed a set of inverter devices to ensure uninterrupted power.
The electrical control system of the steering gear is realized by plc control, which can control the working state of the motor, the power system and the hydraulic system to realize the ship steering. In addition, in order to get the steering position information in real time, the steering angle sensor is added to the steering mechanism, and the rudder angle is displayed on the plc display screen in real time.
Key word:Ship steering gear;plc control; hydraulic system
目录
1.绪论 1
1.1课题的来源、研究目的及研究意义 1
1.1.1课题的来源 1
1.1.2研究目的 1
1.1.3研究意义 1
1.2国内外研究现状 2
1.3主要研究内容 4
2.舵机概述 5
2.1舵的作用原理 5
2.2转舵机构 5
2.2.1往复式转舵机构 5
2.2.2回转式转舵机构 7
2.3液压装置 8
2.5本章小结 11
3.电气控制系统方案设计 12
3.1电气接线图与控制原理图 12
3.2相关设备型号选择 15
3.3本章小结 18
4.控制系统的确定 19
4.1可编程控制器 19
4.2PLC控制系统的基本特点 20
4.3PLC型号选择 21
4.4PLC输入/输出接口分析 22
4.5控制流程图 26
4.6PLC与现场设备的连接 27
4.7本章小结 27
5.结论 28
参考文献 29
致谢 30
1.绪论
1.1课题的来源、研究目的及研究意义
1.1.1课题的来源
改革开放以来,我们与国外的贸易量逐年增加,尤其是在加入世界贸易组织以后发展更加快速,随着世界贸易的迅速发展,海运事业也随之水涨船高,船舶行业发展到了黄金时期。但是在海运事业发展的的同时,与船舶相匹配的配套设备并没有随着船舶制造业的发展而进步。舵机作为船舶航向的控制设备,在船舶航行时其性能的好坏决定着船舶的安全系数。
使舵机工作的驱动设备、转舵机构和向转舵机构施加转矩的部分称为操舵装置,这里的所有装置在一起称为舵机。船舶在航行时,舵机是控制船舶航向的首要装置,若舵机系统装置失灵不受控制,船也会立刻失去控制,发生危险,甚至发生后果非常严重的责任事故。我国《钢质海船入级与建造规范》(2008)根据《国际海上人命安全公约》的规定,要求舵机必须具有足够的转舵扭矩和转舵速度,在一定的时间内能偏转一定的角度,并且在舵机一部分装置出现问题不能正常工作时,要有可以迅速解决的紧急措施,来保证船舶的操舵能力。通过收集的资料得知,因为舵机的失灵而造成的船舶事故时有发生。因此对船舶舵机的控制系统尤其是电气控制系统进行有效、合理的设计是非常必要的。
1.1.2研究目的
本课题研究的目的是:
1) 设计出一套控制舵机工作的电气控制方案,保证舵机的可靠性与安全性。
2 )利用plc可编程控制器控制舵机的工作。
3 )在舵机的实际运行过程中要保证即时电能供应,不断电。
1.1.3研究意义
舵机由舵和电力拖动装置组成。舵机是一种启动与制动相当频繁的电力拖动装置,特别是在当船舶港口或者穿行在一些特殊地段时,电机每小时接通与断开次数最高可以达600次,在河流上航行时可高达1200 次。而且舵机的载转矩在转舵过程中变化量也很大,有时候会出现过载,甚至出现电机堵转的情况,因此要求舵机在工作时转舵的速度快,效率要高并且要转舵平稳,在实际情况中舵机与船舶上的其他设备的电力拖动实际情况不同,必须要保证舵机实时的工作可靠。
舵机作为控制船舶航向的重要设备之一,在船舶的航行过程中,舵机控制系统的性能,对船舶的安全起着重要作用。但是目前,国内对于船舶舵机的研究大多数都集中在船舶航向和航向控制方面,如自动操舵,随动操舵等方面,但是对舵机自身的电气控制系统的研究比较少。因此,研究设计舵机电气控制系统对于我国船舶行业能力的加强、竞争力的提高具有重要意义。
相关图片展示:







您可能感兴趣的文章
- 一种确定磁探针集总电路参数的标定方法外文翻译资料
 - 一种人体可接触的大气压低温等离子体射流装置研究(适合电气B方向)毕业论文
 - 氩氧中大气压DBD放电特性研究(适合电气B方向)毕业论文
 - 大气压氩等离子体射流放电影响因素的仿真研究(适合浦电气B方向)毕业论文
 - 含氧高活性均匀DBD改性聚合物薄膜研究(适合浦电气B方向)毕业论文
 - 反应器结构对气液两相DBD放电特性的比较(适合浦电气B方向)毕业论文
 - 南京某公司研发楼电气设计毕业论文
 - 金帆北苑地块经济适用住房——02栋商住楼电气设计(适用于浦电气1004~06A方向学生)毕业论文
 - 扬州人武部大楼电气设计毕业论文
 - 金帆北苑地块经济适用住房——04栋商住楼电气设计(适用于浦电气1004~06A方向学生)毕业论文
 

        
            
