电动游览车用直流无刷电机控制系统的设计毕业论文
2020-08-13 20:46:09
摘 要
随着人类环保意识的增强,低碳环保的电动游览车正在慢慢取代燃油车,加之近来旅游市场的火爆,电动游览车逐渐成为人们出行的首选。无刷直流电机作为电动游览车的主要驱动力,在车用电池技术没有突破性进展时,无刷直流电机控制技术的发展将成为电动游览车扩大市场份额的一大助推器。
本文首先通过无刷直流电机构成和工作原理进行详细的描述,针对电动游览车在应用方面具有的特点,以此为设计依据进行电动游览车指标设计。确定设计指标后,采用以STC89C52单片机为主控芯片,构思总体设计方案设计。然后采用根据要实现的指标功能分模块进行系统硬件方案的设计,根据硬件方案对其进行软件设计流程构建,并按照流程进行软件编程。最后采用可实时仿真的protues软件,对设计的硬件和软件方案进行验证其正确性,并根据结果进行调试使其控制效果更好,通过软硬联调的方法为实际操作提供参考依据,减少错误的发生。
关键词:电动游览车;无刷直流电机;STC89C52主控芯片;模块化设计
Abstract
With the enhancement of human environmental awareness, low-carbon environmentally friendly electric tour bus is slowly replacing the fuel tank, coupled with the recent hot tourist market, electric tour bus has gradually become the first choice for people travel. Brushless DC motor as the main driving force of electric tour buses, automotive battery technology in the absence of breakthrough progress, the development of brushless DC motor control technology will become the electric tour buses to expand the market share of a booster.
This article first through the brushless DC motor structure and working principle of a detailed description of the electric tour buses in the application of the characteristics, as the basis for the design of the electric tour bus design. To determine the design indicators, the use of STC89C52 microcontroller as the master chip, the overall design of the design concept. And then use the function module according to the realization of the function of the module hardware program design, according to the hardware program for its software design process, and in accordance with the process of software programming. Finally, the real-time simulation of the protues software, the design of the hardware and software solutions to verify its correctness, and according to the results of debugging to make it better control, through the soft and hard joint method for the actual operation to provide a reference basis to reduce errors happened.
Keywords: electric tour bus; brushless DC motor; STC89C52 master chip; modular design
目 录
第1章 绪论 1
1.1 研究背景与意义 1
1.2 国内外电动车发展现状 2
1.2.1 国外电动车发展现状 2
1.2.2 国内电动车发展现状 2
1.3 电动汽车永磁无刷直流电机控制技术的发展状况 3
1.4 论文主要安排 3
第2章 电动游览车无刷直流电机结构和工作原理 5
2.1 无刷直流电机结构 5
2.2 无刷直流电机换相原理 5
2.3 无刷直流电机换相控制 6
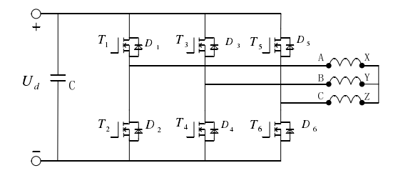
2.3.1 换相工作电路原理 6
2.3.2 无刷直流电机换相控制逻辑 7
2.4 无刷直流电机PWM换相调压 9
2.5 本章小结 10
第3章 无刷直流电机控制系统方案设计 11
3.1 电动游览车的特点 11
3.2 电动游览车设计指标 11
3.2 电动游览车的控制系统选型 11
3.2.1 无刷直流电机和蓄电池选型 12
3.2.2 无刷直流电机驱动方式 12
3.2.3 电机控制器 12
3.3 电动游览车用无刷直流电机系统整体控制方案 13
3.4 本章小结 14
第4章 无刷直流电机系统的硬件设计 15
4.1 硬件总体框图 15
4.2主控芯片电路设计 15
4.2.1 时钟电路 15
4.2.2 复位电路 16
4.3 电源转换电路 17
4.5 IR2110驱动电路 19
4.6 速度显示电路 20
4.7 检测与保护电路 21
4.7.1 电流检测电路 22
4.7.2 电压检测 22
4.7.3 过流保护 23
4.8 A/D转换器 24
4.9 本章小结 24
第5章 无刷直流电机控制系统软件设计 26
5.1 软件实现功能与设计方案 26
5.1.1 软件实现的功能 26
5.1.2 软件设计方法 27
5.2 STC89C52资源配置 27
5.2.1 STC89C52外设资源 27
5.2.2 软件开发环境 28
5.3 模块化程序设计 29
5.3.1 主程序设计 29
5.3.2 正反转控制模块子程序 30
5.3.3 速度显示子程序 30
5.3.4 加减速程序设计 31
5.3.5 急停程序设计 32
5.3.6 检测与保护程序设计 32
5.4 本章小结 33
第6章 仿真测试 34
6.1 带霍尔信号的PWM波产生模块 34
6.2 速度显示电路仿真 35
6.3 主电路仿真 36
6.4 本章小结 37
第7章 总结 38
参考文献 39
附录A 主电路仿真电路图 41
附录B 主电路程序清单 42
致 谢 51
第1章 绪论
1.1 研究背景与意义
    19世纪中后期,随着世界上首辆内燃机汽车的应运而生,揭开了汽车发展的序幕。1896年,亨利.福特成功制造出汽车,1903年成立福特公司,成功实现了汽车的大批量生产,使汽车得以走向千家万户。此后汽车的发展进入黄金期,人们的生活出行几乎离不开汽车。据世界汽车行业杂志统计,20世纪70年代以后,全球汽车数量每13年增加一倍,据专家预测到2014年世界汽车总量将超过12亿辆
。全球汽车总量会在未来很长一段时间内都会持续快速增长。汽车行业的快速发展给人们带来生活便利的同时也给人们带来极大的挑战—能源短缺和环境污染。
据相关部门统计,汽车消耗了全球大部分的石油资源
,而且石油属于不能再生的资源,目前据能源专家预测石油资源将会在30年后枯竭。一旦石油资源开发殆尽,将会极大影响人们的日常生活,影响社会稳定。大气污染汽车的尾气排放带来的污染占全球约一半的大气污染,城镇化的快速发展,大多数人直接暴露在汽车尾气环绕的环境中,尾气中含有的一氧化碳,碳氢化合物、氮氧化物、铅及硫化物和固体悬浮微粒等燃烧不完全的雾化混合气,损害人们的身体健康,首当其冲是呼吸道。而汽车尾气中的二氧化碳引起了温室效应,硫化物加速了酸雨形成,尾气的其他污染物引起了臭氧层的破坏,是人类生存的环境日益恶化的助推器。
相关图片展示:







您可能感兴趣的文章
- 一种确定磁探针集总电路参数的标定方法外文翻译资料
 - 一种人体可接触的大气压低温等离子体射流装置研究(适合电气B方向)毕业论文
 - 氩氧中大气压DBD放电特性研究(适合电气B方向)毕业论文
 - 大气压氩等离子体射流放电影响因素的仿真研究(适合浦电气B方向)毕业论文
 - 含氧高活性均匀DBD改性聚合物薄膜研究(适合浦电气B方向)毕业论文
 - 反应器结构对气液两相DBD放电特性的比较(适合浦电气B方向)毕业论文
 - 南京某公司研发楼电气设计毕业论文
 - 金帆北苑地块经济适用住房——02栋商住楼电气设计(适用于浦电气1004~06A方向学生)毕业论文
 - 扬州人武部大楼电气设计毕业论文
 - 金帆北苑地块经济适用住房——04栋商住楼电气设计(适用于浦电气1004~06A方向学生)毕业论文
 

        
            
