船舶锚机电气控制系统设计毕业论文
2020-08-13 20:45:59
摘 要
我国从改革开放开始,在与国外的贸易上,数量质量一直不断增加,尤其是在世纪初加入了世界贸易组织后,随着世界贸易的增长,我国的海运事业也一直快速发展。跟随时代浪潮,我国的船舶行业因此而进入了发展的黄金时期。但是从实际情况可以看出,相对应的国内发展状况是船舶配套设备的制造能力大大滞后于船舶主体的制造能力,毫无疑问,这就已经成为了我国船舶行业迅速发展的瓶颈。其中锚机作为控制船舶的重要配套设备,其性能的好坏对于船舶控制有着十分关键的作用。目前来看,我国在锚机的设计上有了一定的自主创新能力,也有了一些较为成熟的产品,但是很大程度上还是需要依赖中外合资合作或者直接从国外引进和吸收先进方法和技术。本设计通过对现有船舶锚机电气控制系统的分析和改进,合理运用可编程控制器,代替原有的继电逻辑控制,实现对锚机电气控制系统的安全性、可靠性、工作效率等方面的性能提升。
关键词:船舶锚机;电气控制系统;继电逻辑控制;可编程控制器;
Abstract
China's post-reform and opening up trade with foreign countries continue to increase. Especially after joining the World Trade Organization, China's maritime industry has also developed rapidly with the growth of world trade. The ship industry has thus entered the golden age of development. But with the corresponding domestic development situation is the ship supporting equipment manufacturing capacity is lagging behind the ship's main manufacturing capacity, which has already become the bottleneck of the rapid development of the ship industry. The windlass is an important supporting equipment to control the ship, its performance is very good for the ship control plays a very important role. At present, China has a certain ability of independent innovation in the design of windlass, and also has a series of more mature products.But we still need to rely heavily on sino-foreign joint ventures or import and assimilate advanced technology directly from abroad. Through the analysis and improvement of the existing electrical control system of the ship's anchor machinery, we can use the programmable controller instead of the original relay logic control to realize the safety, reliability and work of the electrical control system of the windlass efficiency and other aspects of performance improvement.
Key words: ship windlass; electrical control system; relay logic control; programmable controller;
目录
1绪论 1
1.1目的及意义 1
1.2国内外发展状况 2
1.3课题研究的内容 4
2船舶锚机电气控制系统组成及原理 5
2.1锚机系统组成 5
2.1.1锚机类型 5
2.1.2系统构成 5
2.2锚机负荷分析及对电力拖动的要求 6
2.2.1工况分析 6
2.2.2负荷分析 7
2.2.3电力拖动要求 8
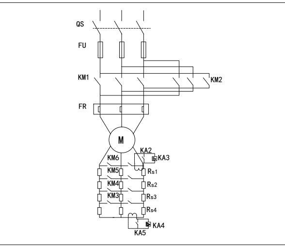
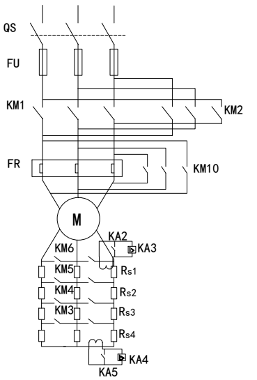
2.3锚机电力拖动控制线路 8
2.3.1控制线路原理 9
2.3.2保护及制动装置 11
2.4本章小结 12
3锚机电气控制系统设计 14
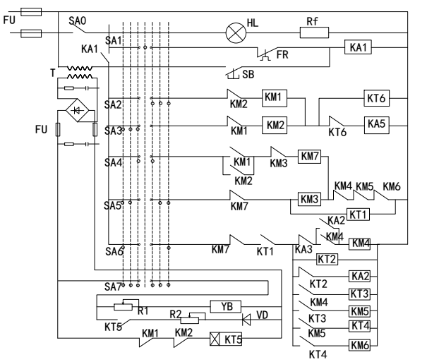
3.1系统组成 14
3.1.1PLC控制单元 14
3.1.2检测及报警单元 14
3.1.3状态显示单元 15
3.2锚机系统设计 15
3.2.1电动机选择及设计 15
3.2.2以PLC为核心的电气控制电路的设计 19
3.2.3开关电器及其他电器的选择 24
3.3本章小结 25
4结论 26
4.1工作总结 26
4.2结语 26
致谢 29
1绪论
1.1目的及意义
在所有的船舶配套设备中船舶锚机是重要的辅助设备,主要用于船舶的起锚/收缆、抛锚/放缆、停泊、离靠码头、系带浮筒等工作,船舶能否安全运营十分依赖锚机是否可靠、安全以及稳定。在上世纪七十年代改革开放后,中国与国外贸易量逐年增大,在加入世贸组织后更是进入了高速发展阶段。在船舶行业迎来的发展黄金时期里,海运事业也随着世界贸易的增长而开始了快速发展,整个船舶行业大发展一片欣欣向荣。但是这些繁荣的背后有一些问题的存在十分突出,尤其是我国船舶配套设备制造能力的落后现状,现已成为船舶行业快速发展的最突出问题。从改革开放之后,我国就在不断从国外引进和吸收先进技术,不断和国际上船舶行业高度发达的国家交流合作,同时自身也在不断的进行技术创新,虽然因此取得了一定的自主创新成果,但很大程度上还是要依赖中外合资合作和从国外引进和吸收先进技术。
目前,很多国内厂家的船舶锚机电气系统设计还停留在传统的交流双速和三速驱动方式上,这样的一套电气控制系统主要由接触器、断路器、电流继电器、中间继电器、热继电器、时间继电器、凸轮开关、和其它辅助器件构成,这样就构成了一套继电逻辑控制电路,但是因为这些电气设备的性能和结构问题,使得传统的交流双速和三速锚机很难以满足如今逐渐提高的船舶锚机的使用要求,在使用过程中设备发生故障的概率也明显上升,实际操作中达不到设备运行要求,而且其设备维护、维修工作也较为繁重,综合来看已经不适合如今的发展趋势。
与此同时,可编程控制器经过四十多年的发展,在工业控制领域展现出了十分强大的生命力和竞争力,可以为自动控制设备提供十分可靠的控制方案。如果将船舶锚机电气控制系统中的继电逻辑控制系统换成以可编程逻辑控制器为核心的控制系统,那么整个锚机系统将会更加安全、高效、可靠,这样就可以去除继电器接触器控制系统的不足。
其原因在于可编程逻辑控制器运用了计算机技术,其控制逻辑是通过计算机程序来执行的,可以很便捷地改变或增加系统功能。除此之外,因为可编程控制器是通过程序按一定顺序循环执行,各个软继电器的接通与否都是通过控制器的周期性循环扫描来进行判断的,程序扫描的顺序决定了各个继电器的动作次序,。并且,如果用可编程控制器来作为控制核心,可以大大减少线路的复杂程度,可以缩小控制系统的体积,此外其整个系统中的功耗也比较小,而且可编程逻辑控制器中的软继电器可以具有相当的灵活性和可扩展性,因为这些继电器的触点理论上是可以无限扩展的。可编程逻辑控制器在控制速度上也是优势十分明显,指令的执行速度非常快,因为其通过程序指令控制半导体电路来实现控制。传统的继电逻辑控制中,触点的断开或者闭合会因为各种原因出现抖动,而PLC中具有有严格的同步控制,可以防止这样的情况发生。最后,可编程逻辑控制器采用半导体技术,大大提高了其可靠性和可维护性,原因在于无触点的半导体电路可以用来代替开关动作,所以使用寿命长且可靠性高。
如今,海洋工程以及国际船舶的甲板机械的总体发展目标是要追求高效率、高度自动化、集成化、模块化、数字化和智能化,此外还要同时兼顾到最大程度的安全可靠、容量大、体积小、寿命长、无污染等要求。就当前发展阶段来说,传统的船舶锚机电气控制系统的设计已经无法满足发展趋势,新的电气系统设计应该紧跟船舶辅机的发展需求,贴合实际操作需要,所以锚机电气控制系统的设计方案急需将可编程控制器当作系统的控制核心,以此来提升控制系统的各方面性能,不仅要满足实际的应用需要,还要能有自主创新能力,在一定程度上改变我国船舶配套设备制造能力落后的现状。
1.2国内外发展状况
根据部分统计资料可以知道,在国际上的很多海运事业发达的国家,其本国自主生产的船用设备的装船率都是十分高的,在亚洲来说,日本和韩国这两个邻居的装船率就高达百分之八十五以上。由此可见,国外的船用设备的发展状况是先进可靠的,其船舶配套生产能力与船舶制造能力是大致处于同一发展水平的,其主要原因在于国外的船舶制造和技术研发是紧紧跟随实际发展需求且有完整的优秀技术支撑的。此外,国外的船舶配套产业在产业结构、生产规模、投资结构、产品结构、科技水平以及产品质量等许多方面都是较为合理的,并且更关键的问题在于国外船舶制造业较强的自主创新能力,是其不断健康发展的不竭动力。
而相较之下,我国仅有的不到百分之五十的自主生产设备装船率,尤其是我国在高新技术船型的船用设备的装船率更是没法达到本就不高的平均水准。另一个事实显示,船舶总成本的主要组成部分就是船用设备的成本,这部分成本可以占船价的百分之五十左右,所以其对于船舶的重要性不言而喻。我国的船舶配套生产能力远远不及造船能力这是不争的事实,同时也是严重阻碍着我国船舶工业的发展的直接原因。除此之外,还有国内船舶行业的管理问题、产业结构问题都是影响其发展的原因。
为了实现可持续发展,并且摆脱各种先进技术受制于人的不利局面,我国的船舶工业就一定要尽快的提高船舶配套能力,这就需要更多地去关注和解决船舶配套产业目前所存在的各方面的问题,在出现问题的地方积极地去调整状态和改变现状。首先通过不断的引进和吸收国外的先进技术来寻找和发现自己在技术创新上的不足,其次是通过这样的经验和技术积累,为自身的创新和发展打下坚实的基础,最后在不断的创新中实现可持续发展。因为过分依靠别人的技术和想法是只能是缓兵之计,并不一定完全适用于我国的发展现状,所以只能暂时解决问题,并不能从根本上解决自身存在的问题,而如果我国造船业要想在立身于世界造船强国之林,就得拿出让世人肯定的先进技术和展现出不竭的创新力。
锚机在船舶的起锚/收缆、抛锚/放缆、离靠码头、停泊等工作过程中举足轻重,其是否安全可靠对船舶安全运行有至关重要的影响。我国改革开放后开始慢慢新进和吸收国外的先进技术,同时在不断的进行创新。经过了近四十年的发展,具备了一定的自主设计及创新能力。但是随着船舶吨位的增加,配套设备的发展也有朝着大型化发展的趋势,与之相对应的是设计方法的保守、线路复杂、效率低下等缺陷。此外,在产品设计的各个方面都和国外先进造船国家有着巨大的差距。
目前,可编程控制器的应用随着大规模和超大规模集成电路等电子技术的发展,已经十分成熟。现在它在展现出其强大的控制功能的同时,也不断减小功耗和缩小体积。因为工业技术的不断提升使得它的成本也在大幅下降,却并不影响其可靠性和灵活性,反而这些性能都有了大幅提升。在向连续生产过程控制方向发展的过程中,可编程控制器成为了实现工业生产自动化的重要支柱。全世界范围内,PLC生产厂家有两百多家,但是主要是以美国、欧洲、和日本三个国家和地区的厂商为主,这三个流派的产品占了四百多个品种的PLC产品中的大部分,其具体的市场份额可能高达百分之八十以上。国内的PLC出现和发展都和国外有一定的差距,但是经过多年的发展,国内的生产厂家约有三十家。根据统计,这些厂家的产品也是国外的市场为主,其原因在于我国的工业企业自动化程度较低,对于PLC产品的需求度并不高,所以国内市场并不大。但是也可以看出在PLC的应用上,各个行业都还有十分巨大的潜力,船舶制造业在这方面也还有十分大的潜力可以发掘。因为“用信息化带动工业化”的发展计划在“十五”规划中已被正式提出,所以为了实现“十五”规划,我国将开始对传统自动化领域进行革新,也将会带来大量PLC需求并且带动我国的PLC技术发展。船舶制造行业也应该紧跟时代,在国家带动的这次技术革新浪潮中敢于争先,这样才能使得整个行业的技术水平实现大幅的发展和提升,尽快缩小和国际先进水平的差距。
1.3课题研究的内容
目前我国的锚机以交流三速锚机为主,这些锚机的电气控制是由热继电器、电流继电器、中间继电器、接触器、时间继电器等电气元件组成的继电逻辑控制电路,然后以主令控制器来控制交流三相异步电动机的启动、调速和制动。这样的继电逻辑控制的机械故障率相对较高,所以其安全可靠性能不太令人满意,这对在紧急情况下的锚机使用是极为不利的,所以传统的交流双速和三速驱动已经很难适应逐渐提高的实际工作要求。应运而生的PLC技术在自动化控制领域的成熟运用为提高产品的安全可靠性,降低维修维护工作难度,使操作更加人性化提供了很好的选择,本次研究的内容就是通过运用PLC技术实现对现有的继电逻辑控制电路的升级,其他的电路不作太大的设计改变,电机调速还保留传统的双速或三速。同时这样也能够降低电动机的故障率,并且提升工作的效率,使得设备的完好率也得到提高,以此要求设计出一套符合实际操作要求的船舶锚机电气控制系统。
设计中需要完成的工作首先对其控制电路进行研究和分析,根据其控制原理得出整个系统工作的流程图,然后可以知道电路中各个继电器、接触器在不同的工作状况下对应的通断状态,同时确定系统的输入和输出节点数。其中输入的开关量主要是主令控制器控制,它控制电动机的起停、正反转以及速度调节的操纵;输出的开关量大多是执行指令,用来控制和改变继电器接触器的接通与否,进而改变电动机的运行状态。最后就是绘制出可编程控制器的梯形图程序,其程序需要根据控制的具体要求以及已经确定的输入输出节点之间的逻辑关系来编制。
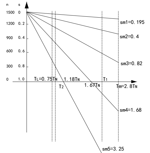
此外,因为采用的是绕线式异步电机作为锚机的驱动,其转子回路串电阻的调速方法需要我们根据对应低中高三速和相应的计算公式来计算出需要合适的电阻阻值。还有需要注意的是,在系统控制程序中还需要设置保护环节用来保证其可靠性和安全性,主要包括失压保护、过载保护、短路保护,其工况分析和参数选择需要贴合实际计算需要。
2船舶锚机电气控制系统组成及原理
2.1锚机系统组成
2.1.1锚机类型
锚机是重要的船舶辅助机械设备,它能否安全正常运行与否直接决定着船舶的运行安全。在船舶作业过程中,通常需要将通过抛锚来将船舶停泊在锚地或者放缆将船系泊码头,锚机和绞车的组合锚绞机就是作为船舶固定船位之用的。
锚机的分类型式有很多,通常按链轮轴或卷筒轴轴线布置方式可以分为卧式和立式,以及按驱动方式划分发电动锚机和液压锚机,其中电动锚机的发展更为迅速,原因在于电动锚机的体积小,在船舶上可以节约大量的空间,而且电能无污染效率高,符合当今节能减排的发展趋势,并且电动锚机的结构趋向简单化,这样就十分便于维修使用,无疑电动锚机是未来锚机发展的重要方向。电动锚机分为直流电动和交流电动,直流的调速特性好,使用效率高,但是成本较高,且需要经常维护;而交流电动锚机的调速性能较差,通常只能做到有级调速,但是成本较低,也能完成大多数的调速要求,因为电动锚机都是短时工作制,负载的变化会比较大,在特性的硬度、静差率、动态特性上都没有很高的要求,所以交流三相异步电动机是作为本设计中的电动锚机的驱动。
2.1.2系统构成
不同类型的锚机,形状会有一些差别,但是其基本功能都是一样的,所以它们的系统组成差别也基本一致。通常可以分为动力系统、控制系统、传动系统、执行系统。
相关图片展示:







您可能感兴趣的文章
- 一种确定磁探针集总电路参数的标定方法外文翻译资料
 - 一种人体可接触的大气压低温等离子体射流装置研究(适合电气B方向)毕业论文
 - 氩氧中大气压DBD放电特性研究(适合电气B方向)毕业论文
 - 大气压氩等离子体射流放电影响因素的仿真研究(适合浦电气B方向)毕业论文
 - 含氧高活性均匀DBD改性聚合物薄膜研究(适合浦电气B方向)毕业论文
 - 反应器结构对气液两相DBD放电特性的比较(适合浦电气B方向)毕业论文
 - 南京某公司研发楼电气设计毕业论文
 - 金帆北苑地块经济适用住房——02栋商住楼电气设计(适用于浦电气1004~06A方向学生)毕业论文
 - 扬州人武部大楼电气设计毕业论文
 - 金帆北苑地块经济适用住房——04栋商住楼电气设计(适用于浦电气1004~06A方向学生)毕业论文
 

        
            
