应用于风力发电机组的飞轮储能系统建模与仿真毕业论文
2020-07-09 20:26:52
摘 要
Abstract II
第一章 绪论 3
1.1 风力发电发展现状 3
1.2 储能技术分析比较 3
1.2.1 储能技术介绍 3
1.2.2 飞轮储能优势 4
1.2.3 飞轮储能的发展前景 4
1.3 论文主要工作 5
第二章 风力发电机组的建模和仿真 6
2.1 风力发电机组数学模型 6
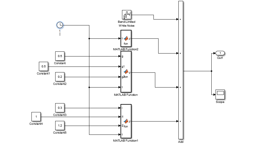
2.1.1 风速的数学模型 6
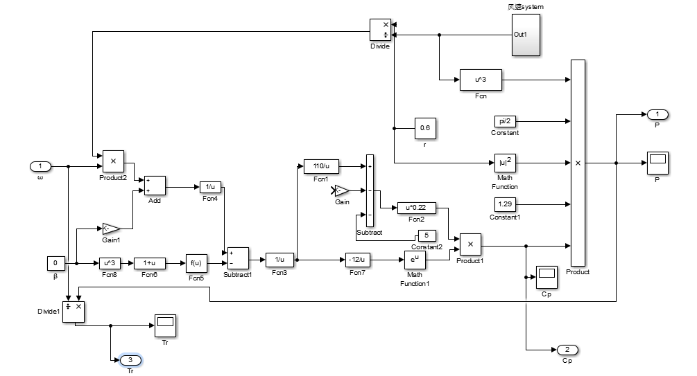
2.1.2 风力机的数学模型 7
2.1.3 永磁同步发电机数学模型 8
2.1.4 电能转换的数学模型 8
2.2 风力发电机组仿真模型 10
2.2.1 风速的仿真模型 10
2.2.2 风力机的仿真模型 11
2.2.3 永磁同步发电机仿真模型 11
2.2.4 风电系统仿真模型 13
第三章 飞轮储能系统建模和仿真 16
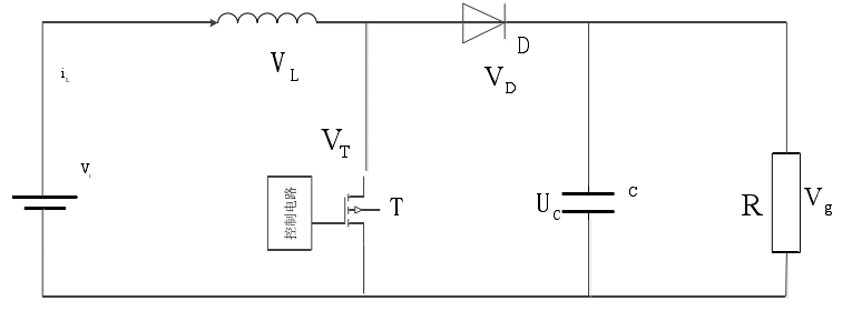
3.1 飞轮储能系统构成 16
3.2 飞轮储能系统工作原理 16
3.3 电机选型 17
3.3.1 电机主体 18
3.3.2 转子位置传感器 18
3.3.3 功率转换器 19
3.4 电机数学模型 20
3.5 充电仿真模型 20
3.6 放电仿真模型 21
第四章 储能系统风电应用仿真 23
4.1 独立型风电系统 23
4.1.1 整体工作结构 23
4.1.2 充放电回路控制策略 23
4.1.3 充电过程仿真 23
4.1.4 放电过程仿真 25
4.2 并网型风电系统 26
4.2.1 整体工作结构 26
4.2.2 控制器模型建立 27
4.2.3 并网型风电系统仿真分析 30
第五章 结语 34
参考文献 35
致谢 37
摘要
本文主要研究用飞轮储能来解决由风力发电并入电网带来的电压波动影响。以Matlab/Simulink为基础,首先以永磁直驱电机作为风力发电机组进行建模和仿真,主要的建模工作部分包括风速模型、永磁同步电机模型、风轮模型以及整流器逆变器模块等;然后在永磁无刷直流电机基础上,对飞轮储能系统进行Simulink仿真模型搭建,通过对飞轮主体、转子位置检测传感器、功率转换器等模块的搭建,完成系统充放电仿真模型;然后将飞轮储能系统分别应用于独立型风电机组和并网型风电机组中,分别建立仿真模型,设计充放电回路的控制策略,进行深入仿真研究,其中飞轮储能在独立型风力发电机组中,改善直流母线电压波动,提高供给负载端的电能质量的作用,在并网型风力发电机组中,实现提高低电压穿越能力、平抑风电并网有功功率的作用。验证控制策略在飞轮储能系统应用于风力发电机组的模型中可行有效。
关键词:风力发电 飞轮储能 永磁电机
Abstract
This paper mainly studies the use of flywheel energy storage to solve the voltage fluctuations brought by wind power into the grid. Based on Matlab/Simulink, the permanent magnet direct drive motor is first used as a wind turbine generator for modeling and simulation. The main modeling work includes wind speed model, permanent magnet synchronous motor model, wind turbine model and rectifier inverter module, etc. Then, based on the permanent magnet brushless DC motor, the Simulink simulation model of the flywheel energy storage system is built. By setting up the flywheel main body, rotor position detection sensor, power converter and other modules, the system charge and discharge simulation model is completed; Flywheel energy storage systems are applied to stand-alone wind turbines and grid-connected wind turbines, respectively, to establish simulation models, design charge and discharge loop control strategies, in-depth simulation studies, including flywheel energy storage in independent wind turbines, improved The DC bus voltage fluctuates to increase the power quality at the load end. In a grid-connected wind turbine, it achieves the effect of increasing the low-voltage ride-through capability and squeezing the grid-connected active power. The verification control strategy is feasible in the flywheel energy storage system applied to the wind turbine model.
Key Words:wind power; Flywheel energy storage; Permanent magnet motor
- 绪论
 
风力发电发展现状
能源短缺、生态污染的问题已经成为全球发展前进道路上的重要阻碍。不可再生能源的大量滥用已经对地球的生态环境造成了极其严重的污染,其中就包括煤、石油等。在这种时代背景下,清洁,绿色且高效的可再生能源的开发应用引发了世界范围内的研究热潮。例如太阳能、潮汐能、风能和水力发电等等,其中的风电开发尤为突出。众所周知,风资源在全球范围内分布广泛,资源丰富,可开发性极强,建造成本低廉,在利用风资源进行风能到电能的能量转换过程中,只有气流速度下降,不产生任何大气污染。大力发展风力发电可以间接减少温室气体排放,对于生态环境的保护和促进能源结构改善意义深远。因此风力发电在全世界电力系统的比重正稳步上升。
GWEC近日公布,去年全球范围内风电装机容量增加约52万千瓦,总计装机容量已超过500万千瓦,相较2016年上涨了11%。其中海上风电相较去年的装机容量增幅甚至达到了87%,风力发电在全球范围势头正猛,建造和维护成本的下降已经能够初步弥补风力发电在化石能源和核能在电力市场的竞争劣势。目前,许多国家的风电价格已降至0.03美元/千瓦时,这个价格还有进一步下降的趋势,已有降低至0.02美元/千瓦时的招标风电价格在墨西哥出现。在2016年,第一个海上无补贴风电项目在柏林中标产生,装机容量达到1吉瓦,且单位价格不高于电力市场的批发价。在东南亚的越南,菲律宾,在欧洲的英国、克罗地亚、比利时、法国、德国、爱尔兰和芬兰等国,在北美洲和南美洲,美国,加拿大,墨西哥和巴西,世界范围内的国家和地区风电规模都在越来越大,在各国电力系统中,风电起到了越来越重要的作用,占到了更大的话语权。
相关图片展示:







您可能感兴趣的文章
- 一种确定磁探针集总电路参数的标定方法外文翻译资料
 - 一种人体可接触的大气压低温等离子体射流装置研究(适合电气B方向)毕业论文
 - 氩氧中大气压DBD放电特性研究(适合电气B方向)毕业论文
 - 大气压氩等离子体射流放电影响因素的仿真研究(适合浦电气B方向)毕业论文
 - 含氧高活性均匀DBD改性聚合物薄膜研究(适合浦电气B方向)毕业论文
 - 反应器结构对气液两相DBD放电特性的比较(适合浦电气B方向)毕业论文
 - 南京某公司研发楼电气设计毕业论文
 - 金帆北苑地块经济适用住房——02栋商住楼电气设计(适用于浦电气1004~06A方向学生)毕业论文
 - 扬州人武部大楼电气设计毕业论文
 - 金帆北苑地块经济适用住房——04栋商住楼电气设计(适用于浦电气1004~06A方向学生)毕业论文
 

        
            
