餐饮油烟静电吸附高压电源的研究与设计毕业论文
2020-06-16 07:06:59
摘 要
目前,我国经济发展迅速,我国的服务业发展前景好,伴之出现的是目前的饮食油烟的泛滥,然而不及时,不正确的处理方式,让餐饮油烟成为了城市的一大危害,严重影响人们的健康,本次设计采用静电吸附法来对餐饮油烟进行处理是目前的主流的方式。
本文为一种用于餐饮油烟处理的高压电源。系统工作流程:
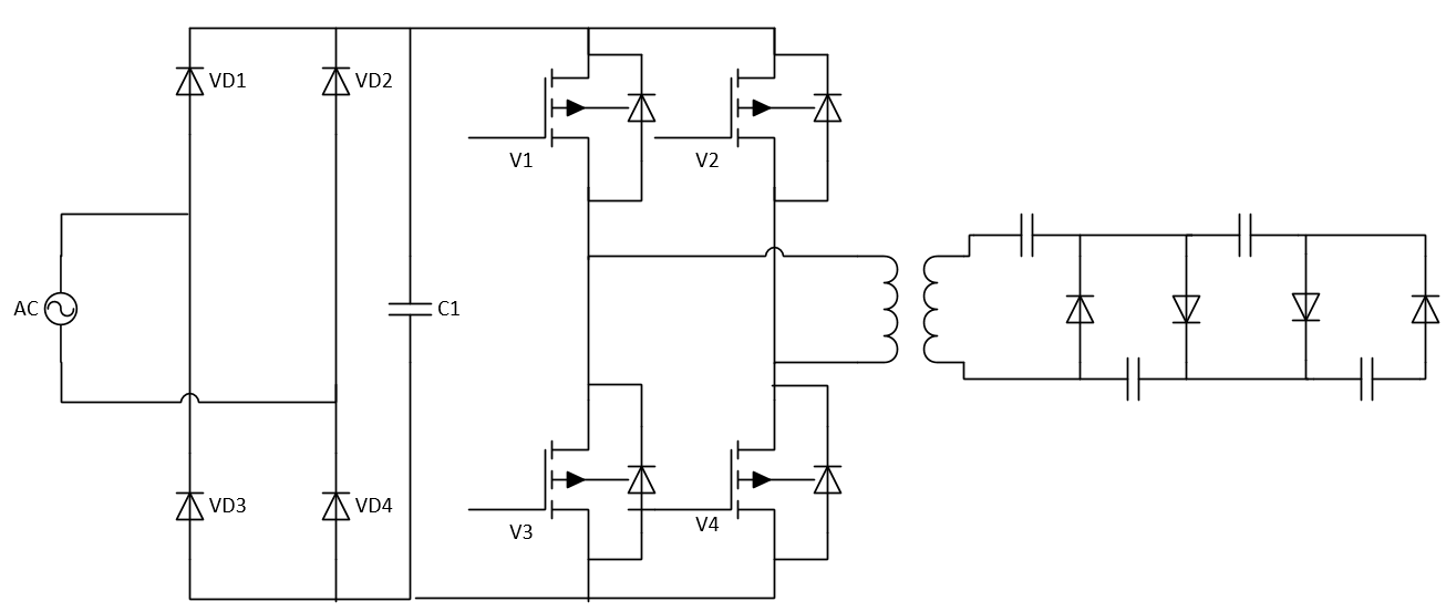
220V电源经过
,再经过储能
,得到310V左右的
,经过4个MOSFET构成的单相全桥逆变获得20KHz的高频方波,继而采用一个变比为1:20的高频变压器升压到6KV的高频高压交流电,最后利用一个4倍压整流电路将电压最终升到20KV从而达到预期用途。 
本文首先交代了研究背景以及餐饮油烟处理现状,并且指出了静电吸附处理餐饮油烟的优势以及目前存在的技术难题。然后介绍了电源主电路,以及控制电路和保护电路,再对高频变压器进行了设计,最终对电源进行了仿真结束了本次设计。
关键词: 静电吸附 高频高压电源 MOSFET
Research and design of high-voltage power supply
for electrostatic adsorption of dining fumes
Abstract
Nowadays, China’s economy and its service industry are growing rapidly accompanied with the wide spread of dining fumes.however,the not timely and not correct ways to deal with it contribute to a grat problem in our daily city life,and do harm to our citizen.In order to solve this problem,this design is intended to design a power supply using electrostatic adsroption to deal with fume. And electrostatic adsroption is the main way to deal with dining fume.
This paper describe a high-voltage power supply to deal with dining fumes,the system process is power input is 220V ac mains,and go through th single-phase bridge rectification and through the energy storage filter capactior,we will get a 310V dc voltage.Through a high-frequency single phase full bridge inverter built by 4 MOSFET,we gain 20KHz high frequency square wave.it passes through a 1:20 high-frequency transformer,finally we use a 4 times the voltage rectifer circuit to get 20KV voltage to sastisfy our needs.
At first this paper introduce the background of the research,and the present state of the dining fume’s treating,and announcing the edge of the electrostatic adsorption,
along with the present technical challenge.Introducing the main circuit of power supply,and its controlling circuit so do its protceting circuit.The design of high-frequency transformer.At the end using a simulation of the power supply.
Keywords: Electrostatic adsorption; High-frequency high-voltage power supply;MOSFET
目录
摘 要 I
Abstract II
第一章 绪论 1
1.1 课题背景 1
1.2餐饮油烟处理技术现状 2
1.2.1机械式净化法: 2
1.2.2过滤分离法: 3
1.2.3液体洗涤法: 3
1.2.4等离子体法: 3
1.2.5复合法: 3
1.2.6生物法: 4
1.2.7催化剂净化法 4
1.3静电吸附法 4
1.3.1 静电感应 4
1.4 本文的主要研究工作 6
第二章 系统功率电路原理及拓扑结构设计 7
2.1 系统拓扑结构分析 7
2.2整流电路的设计 7
2.2.1整流电路 7
2.2.2滤波电路 10
2.3高频逆变电路的设计 12
2.3.1单相半桥逆变电路 12
2.3.2单相全桥逆变电路 13
2.3.3开关器件的选型 13
2.4倍压整流电路的设计 15
2.4.1倍压整流电路原理 15
2.4.2倍压整流电路元器件选择 16
第三章 控制及保护电路的设计 18
3.1 控制核心UC3526AN 18
3.1.1 UC3526AN各引脚功能 18
3.1.2 PWM波产生原理 20
3.2全桥驱动电路的设计 20
3.2.1 IR2112各引脚介绍 21
3.2.2 IR2112电路及原理 22
3.3保护电路的设计 23
3.3.1过流保护介绍 23
3.3.2电流采样方式 23
第四章 高频变压器的设计 25
4.1高频变压器原理及模型 25
4.1.1 变压器原理 25
4.1.2高频变压器等效电路 27
4.2高频变压器磁芯选择 28
4.2.1磁芯材料选择 28
4.2.2高频变压器磁芯结构的确定 30
4.3高频变压器的绝缘的设计 31
第五章 仿真及实验平台 33
5.1 仿真验证 33
5.1.1 仿真主电路的搭建 33
5.1.2 仿真结果 33
5.2 实验平台 36
5.2.1 实验平台介绍 36
总结与展望 38
参考文献 39
致 谢 41
第一章 绪论
1.1 课题背景
中国有着悠久的饮食文化,这为我们带来许多传统的饮食手段,不同于外国,我国有很多的煎炒炸的菜式。不可避免的就会产生多一些的油烟。尤其在我国第三产业发展势头迅猛的今天,我国餐饮业发展尤为迅速,饮食油烟已经成为了日益严重的问题,并且获得社会的广泛关注。
目前许多餐饮机构通过油烟机直接将油烟外排。未经处理的油烟的成分复杂,食用油在正常烹制后,产生油烟的成分有将近200种,其中主要含有酮、烃、酯、芳香族化合物等[1]。这些物质具有致癌性、免疫毒性等有害特性。外排的油烟进入到空气中去,污染了周边,对周边群众的身体和环境卫生造成了严重影响。由于排放方式为换气式排放,油烟容易聚集,并且城市内部有热岛循环,使得油烟在大气中循环,人体容易摄入,对人身体有害[2]。
相关图片展示:







您可能感兴趣的文章
- 一种确定磁探针集总电路参数的标定方法外文翻译资料
 - 一种人体可接触的大气压低温等离子体射流装置研究(适合电气B方向)毕业论文
 - 氩氧中大气压DBD放电特性研究(适合电气B方向)毕业论文
 - 大气压氩等离子体射流放电影响因素的仿真研究(适合浦电气B方向)毕业论文
 - 含氧高活性均匀DBD改性聚合物薄膜研究(适合浦电气B方向)毕业论文
 - 反应器结构对气液两相DBD放电特性的比较(适合浦电气B方向)毕业论文
 - 南京某公司研发楼电气设计毕业论文
 - 金帆北苑地块经济适用住房——02栋商住楼电气设计(适用于浦电气1004~06A方向学生)毕业论文
 - 扬州人武部大楼电气设计毕业论文
 - 金帆北苑地块经济适用住房——04栋商住楼电气设计(适用于浦电气1004~06A方向学生)毕业论文
 

        
            
