智能漏水高温潜水泵保护器设计毕业论文
2020-06-16 07:06:52
摘 要
潜水泵是一种用途十分广泛的水处理工具。随着冷热加工工艺水平、密封技术、材料科学、控制和保护技术的发展及提高,潜水泵得到了飞速发展。现如今,无论是在农业的生产中还是在工业的加工中都能看到潜水电泵。由于潜水泵运转抽空或者内部部件摩擦等原因会导致潜水泵蜗壳发热,减少水泵运作寿命,这使得潜水泵的高温监测与保护很重要。潜水泵是在水中工作的,一旦发生进水故障就可能会导致潜水泵电机的损坏,因此,潜水泵的密封以及漏水的检测与保护也显得更为重要。
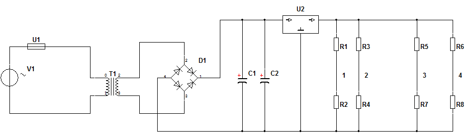
本文研究一种潜水泵的漏水高温保护器,一旦密封损坏,发生漏水或者水泵蜗壳过热,就能及时报警和切断电源。首先,因为潜水泵油腔一旦漏水,油腔的阻抗就会从很高的值慢慢下降,在水泵蜗壳上装上一个负系数热敏电阻,当泵壳过热时,热敏电阻随着温度升高阻值也逐渐减小。根据这两点可以设计出一个能检测油腔阻值变化与热敏电阻阻值变化的电路。接着,应用Multisim软件对这一电路进行仿真测试,以此来确定电路中各元件的最佳参数值。然后,再应用Altium Designer软件搭建出这一电路的原理图,再生成PCB图,根据PCB图的布线规则对各元件进行排版和布线。
关键字:漏水 高温 潜水泵 保护
Design of intelligent submersible pump protector for water leakage and high temperature
Abstract
Submersible pump is a widely used water treatment tool, it is an important equipment for deep well water extraction. With the development of hot and cold processing technology, sealing technology, material science, control and protection technology, the submersible pump has been developed rapidly. Nowadays, submersible pumps can be found both in agricultural production and in industrial processing. As the submersible pump running time or internal components friction and other reasons, will lead to submersible pump volute heating, reducing pump operation life, which makes submersible pump high temperature monitoring and protection is very important. Submersible pump is working in the water, once the water failure may cause damage to the submersible pump motor, therefore, the seal of submersible pumps and leakage detection and protection is also more important.
In this paper, a submersible pump leakage high temperature protector, once the seal damage, leakage or overheating of the water pump volute, you can timely alarm and cut off the power supply. First of all, because once the submersible pump oil chamber oil cavity impedance will Water Leakage, from a very high value slowly drops in the pump volute with a negative coefficient thermistor, when the pump shell is overheated, the thermistor resistance decreases with the increase of temperature. According to these two points, we can design a circuit that can detect the change of the resistance of the oil cavity and the change of the resistance of the thermistor. Then, the Multisim software is used to simulate the circuit, in order to determine the optimum parameter value of each component in the circuit. Then, using Altium Designer software to build the schematic diagram of the circuit, and then generate PCB diagram, according to the wiring rules of the PCB diagram, the components of the layout and wiring.
Keywords: Water leakage; High temperature; Submersible pump; Protection
目录
摘 要 I
Abstract II
第一章 绪论 1
1.1 潜水泵的简介 1
1.2 潜水泵的保护及其原理 1
1.3 漏水与高温检测的意义与研究现状 2
第二章 潜水泵的工作原理 4
2.1 潜水泵的构成及其主要特点 4
2.1.1潜水泵的构成 4
2.1.2潜水泵的主要特点 4
2.2 潜水泵的分类及其工作原理 5
第三章 漏水及高温保护电路的设计 6
3.1机械密封的失效 6
3.1.1机械密封介绍 6
3.1.2机械密封的磨损 7
3.2漏水检测的方法 7
3.2.1漏水检测的几种方法 7
3.2.2本文采用的漏水检测方法 8
3.3设计漏水高温保护电路 9
第四章 电路的仿真 12
4.1 Multisim软件简介 12
4.2 电路中涉及的重要元件介绍 12
4.2.1 LM7805介绍 12
4.2.2 LM393介绍 14
4.23热敏电阻MF52介绍 15
4.3 漏水高温保护电路的仿真 17
4.3.1元件的选用及参数设置 17
4.3.2电路仿真 17
第五章PCB图的制作 21
5.1 Altium Designer软件介绍 21
5.2 漏水高温保护电路原理图的搭建 21
5.3 漏水高温保护电路PCB图的制作 23
5.3.1 PCB介绍 23
5.3.2PCB图的制作 23
5.4电路板制作 24
总结 25
参考文献 26
致谢 29
第一章 绪论
1.1 潜水泵的简介
潜水泵是深井提水的重要设备,一种重要的水处理工具。使用时,整个泵体潜入水中运行操作。适合于不同类型流体介质的运输工作,并且噪声低、使用方便,从而在农业排灌上、城乡居民用水上、工业水循环上、建设施工排水上都得到了广泛的应用。其设计安装较为简单,流量较大,外界因素对泵的运行干扰小,具有较强的环境适应能力,一般流量能够达到(5立方米到650立方米) 。二十世纪30年代潜水泵慢慢的开始在灌溉、市政工程、给水工业中得到应用,不久便在世界各国得到了普遍的发展。近年来,潜水泵发展迅速,也向大型化发展。
1.2 潜水泵的保护及其原理
由于潜水泵在各种领域中的应用越来越广泛,在许多重要的工位中取代了普通的离心泵,再加上潜水泵的功能越来越多样化,这使得对潜水泵的保护的要求不断提升。对于大型潜水泵来说,保护变得尤为关键。因为如果潜水泵发生事故,就将会形成巨大的损失,给群众带来不便。

相关图片展示:







您可能感兴趣的文章
- 一种确定磁探针集总电路参数的标定方法外文翻译资料
 - 一种人体可接触的大气压低温等离子体射流装置研究(适合电气B方向)毕业论文
 - 氩氧中大气压DBD放电特性研究(适合电气B方向)毕业论文
 - 大气压氩等离子体射流放电影响因素的仿真研究(适合浦电气B方向)毕业论文
 - 含氧高活性均匀DBD改性聚合物薄膜研究(适合浦电气B方向)毕业论文
 - 反应器结构对气液两相DBD放电特性的比较(适合浦电气B方向)毕业论文
 - 南京某公司研发楼电气设计毕业论文
 - 金帆北苑地块经济适用住房——02栋商住楼电气设计(适用于浦电气1004~06A方向学生)毕业论文
 - 扬州人武部大楼电气设计毕业论文
 - 金帆北苑地块经济适用住房——04栋商住楼电气设计(适用于浦电气1004~06A方向学生)毕业论文
 

        
            
