基于LLC变换器的电动汽车充电机设计毕业论文
2020-06-16 06:51:17
摘 要
伴随着功率半导体元器件的发展,高频化已成为一种成长走向。高频转化可以显著收缩功率变化器的体积、重量,这样可以有效地增长转化器的功率密度。但古板的PWM变换器很难符合高频化的成长走向。并且LLC谐振变换器可以在全负载限度里完成闸刀的零电压技术。而侧整流二极管完成零电流,可以有效地减小开关损耗,增加了电源的效率。基于上述优点,LLC谐振变换器在现代电气技术中具有普遍的使用。
本文首回顾和概括了谐振变换器的基础样式和自身的长处和短处。并与传统的PWM变换器做出了比较,概括了LLC谐振变换器的重要特点。具体剖释了LLC谐振变换器的运行的基本方式,详细讨论了各频率限度内的工作波形。利用SABER仿真成效验证了理论解释的正确性。
关键词:LLC谐振变换器, ZVS, 空载特性
Design of Electric Vehicle Charger Based on LLC Converter
ABSTRACT
With the development of power semiconductor components, high frequency has become a development trend, high frequency conversion can significantly reduce the size and weight of the power converter, thus effectively improving the converter power density, but the traditional PWM converter has been difficult to adapt to the high frequency of the development trend. Compared with the PWM converter, light weight, small switching stress and little EMI noise. And the LLC resonant converter can realize the ZVS of the switch tube in the full load range, and the secondary rectifier diode can realize the ZCS, which effectively reduces the switching loss and greatly improves the power efficiency.In addition, LLC resonant converter can achieve resonant inductor and transformer magnetic integration.Based on the above advantages, LLC resonant converter in modern switching power supply has been widely used.
In this paper, the basic classification and the advantages and disadvantages of the resonant converter are summarized and summarized.The working principle of LLC resonant converter is analyzed in detail, and the working waveforms in each frequency range are discussed in detail.The correctness of the theoretical analysis is verified by SABER simulation results.
Keywords:Full bridge LLC resonant converter;ZVS;No load characteristic
目 录
摘要 I
ABSTRACT II
第一章 绪论 4
1.1课题研究的背景及意义 4
1.2 国内外研究动态和发展趋势 4
1.2.1谐振型开关变换器的研究动态 4
1.2.2 LLC谐振变换器和传统PWM变换器对比 8
1.2.3 LLC谐振变换器的发展趋势 9
1.3本文的主要研究内容 10
第二章 LLC 谐振变换器工作原理 12
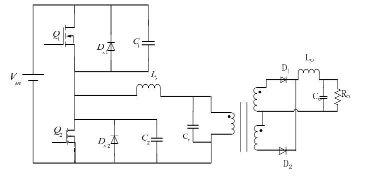
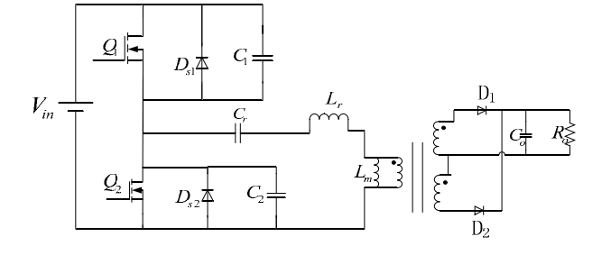
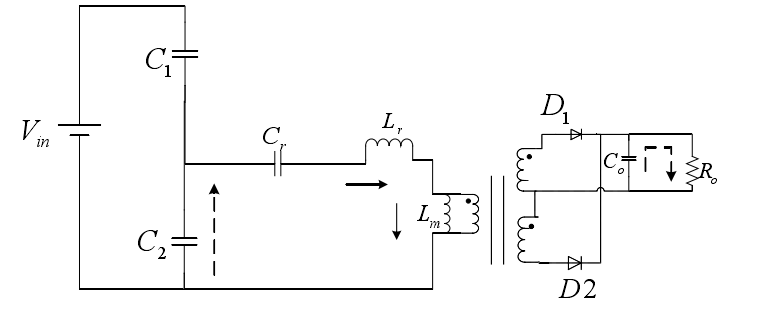
2.1 半桥LLC谐振变换器的主电路结构 12
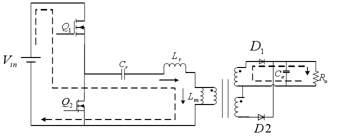
2.2 LLC谐振变换器工作模态分析 13
2.2.1 fmlt;flt;fr 时的工作流程 13
2.2.2 f = fr 时的工作过程 16
2.2.3 fgt;fr 时的工作过程 18
2.3 半桥LLC变换器的特性分析 21
2.3.1半桥谐振LLC变换器空载特性 22
2.3.2 半桥谐振LLC变换器短路特性 23
2.4本章总结 24
第三章 半桥LLC谐振变换器设计 25
3.1 主电路设计 25
3.2谐振参数设计流程 26
3.3本章总结 28
第四章 LLC谐振变换器仿真验证 29
4.1 电路设计 29
4.1.1 调频控制 30
4.1.2软启动 31
4.1.3 轻载间歇模式 31
4.2 LLC谐振变换器的仿真分析 31
4.2.1 f = fr时的仿真 31
4.2.2 fmlt;flt;fr时的仿真 32
4.2.3 fgt;fr时的仿真 33
4.2 本章总结 34
第五章 结论与展望 35
5.1 结论 35
5.2 展望 35
参考文献 37
致谢 40
第一章 绪论
1.1课题研究的背景及意义
随着全球的范围内环境保护及对能源消耗的日渐重视,对于如何高效率的利用能源,尤其是如何高效地利用电能是当今科研的研究热点之一。而因为古板的市电不可以更好的使丰富的将电能转化为其他形式的能的装置的供电需求得到保障。因为变流器可以完成各种能量形式间的转变,并且是以电力电子研究成果为核心,所以其被广泛的使丰富的将电能转化为其他形式的能的装置的供电需求得到保障。因为该转换器的转换效率、待机功耗等功能能对高效使用能源和保护环境影响十分重大,因而受到各界重视。各国的政府也为此制定相应的政策,以推行更严格的市场准入制度,去实现对节能产品的鼓励。
1960年初硬开关技术在
功率转化范畴得到了普遍的探讨和进步。我们所说的“硬开关”指的是在功率开关管开通或关断时,元件上的电流或电压不等于零,即迫使元件在电压不等于零的时候导通,或者在电流不等于零的时候关断,则称此时产生的损耗为开关损耗[1]。
相关图片展示:







您可能感兴趣的文章
- 一种确定磁探针集总电路参数的标定方法外文翻译资料
 - 一种人体可接触的大气压低温等离子体射流装置研究(适合电气B方向)毕业论文
 - 氩氧中大气压DBD放电特性研究(适合电气B方向)毕业论文
 - 大气压氩等离子体射流放电影响因素的仿真研究(适合浦电气B方向)毕业论文
 - 含氧高活性均匀DBD改性聚合物薄膜研究(适合浦电气B方向)毕业论文
 - 反应器结构对气液两相DBD放电特性的比较(适合浦电气B方向)毕业论文
 - 南京某公司研发楼电气设计毕业论文
 - 金帆北苑地块经济适用住房——02栋商住楼电气设计(适用于浦电气1004~06A方向学生)毕业论文
 - 扬州人武部大楼电气设计毕业论文
 - 金帆北苑地块经济适用住房——04栋商住楼电气设计(适用于浦电气1004~06A方向学生)毕业论文
 

        
            
