FeAl二元合金的制备及其脱合金化研究毕业论文
2020-06-30 21:11:27
摘 要
多孔金属材料具有比表面积大,双连续的孔-韧带的规则纳米结构等特征,广泛用于催化剂的基体材料和能源电池中的电极材料。利用电化学脱合金化过程来制备纳米多孔结构是近年来的研究热点。但是由于目前所研究Au、Ag等金属得价格价位昂贵,不适合普及应用,所以笔者准备用NaOH溶液腐蚀铁铝合金,通过化学脱合金和电化学脱合金的方式来尝试制备纳米多孔Fe材料。本文从熔炼Fe20Al80合金开始,观察Fe20Al80合金得金相组织,使用化学以及电化学得方式进行脱合金化,使用XRD对脱合金化前后Fe20Al80合金组织成分进行表征,对脱合金化后的Fe20Al80合金进行SEM表征观察韧带-通道结构。发现Fe20Al80合金在常温下主要为FeAl3相以及Al相,且两相在NaOH溶液中均被腐蚀,脱合金化后可以得到双连续得韧带-通道结构,且电化学脱合金化的效果要优于化学脱合金化,但是制得的纳米多孔铁易被氧化而导致孔洞结构被氧化物堵住,从而导致效果不佳。
关键字:纳米多孔铁 脱合金化 Fe20Al80合金 双连续韧带-通道
Study on Melting and Dealloying of FeAl Alloy
Abstract
Porous metal materials have characteristics such as large specific surface area, regular nanostructures of bicontinuous pore-ligand, and are widely used as catalyst base materials and electrode materials in energy batteries. The use of electrochemical dealloying process to prepare nanoporous structures is a hot topic in recent years. However, due to the expensive price of Au, Ag, and other metals currently being studied, it is not suitable for universal application. Therefore, the author intends to use NaOH solution to corrode iron-aluminum alloys and try to prepare nano-porous Fe materials through chemical de- alloying and electrochemical de-alloying. In this paper, starting from the smelting of Fe20Al80 alloy, the microstructure of Fe20Al80 alloy was observed, and the alloy was dealloyed by chemical and electrochemical methods. The microstructure of Fe20Al80 alloy before and after dealloying was characterized by XRD, and the de-alloyed Fe20Al80 alloy was tested. SEM characterization observed the ligament-channel structure. It is found that Fe20Al80 alloy is mainly composed of FeAl3 phase and Al phase at room temperature, and both phases are corroded in NaOH solution. After dealloying, a bicontinuous continuous ligament-channel structure can be obtained, and the effect of electrochemical dealloying is superior to that of Fe20Al80 alloy. Chemical dealloying occurs, but the resulting nanoporous iron is easily oxidized and the pore structure is blocked by the oxide, resulting in poor results.
Key words: Nanoporous iron; Dealloying; Fe20Al80 alloy; Bi-continuous ligament-channel
目 录
摘 要 I
Abstract II
第一章 绪论 1
1.1 纳米多孔金属 1
1.2 历史发展及研究现状 1
1.3方法及原理 2
1.3.1模板法 2
1.3.2 脱合金化法 2
1.4脱合金化研究中提出的多种形成机制 3
1.4.1溶解-再沉积机制 3
1.4.2体扩散机制 3
1.4.3表面扩散机制 4
1.4.4渗流机制 4
1.4.5相分离机制 4
1.5检测方法及影响因素 5
1.6研究内容及方法 5
第二章 实验内容 7
2.1 实验材料 7
2.2 实验仪器和型号 7
2.3 实验内容 8
2.3.1 FeAl合金的熔炼 8
2.3.2金相组织的观察 8
2.3.3不同方法进行脱合金化实验 8
2.3.4 X射线衍射物相检测分析 9
2.3.5场发射扫描电子显微镜分析 10
2.3.6化学反应速率与反应级数的测定 10
第三章 实验结果与讨论 13
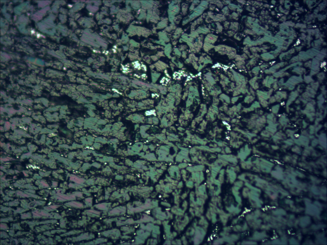
3.1 Fe20Al80合金成分组织观察 13
3.2脱合金化前后XRD分析 14
3.3极化曲线分析 16
3.4表面形貌观察分析 16
3.5化学反应速率与反应级数的测定 20
第四章 结论及展望 23
参考文献 25
致谢 27
第一章 绪论
1.1纳米多孔金属
纳米多孔材料[1]指的是孔径的尺寸位于0.1nm到100 nm之间,而且拥有非常明显的表面效应以及超高的比表面积的一种固体材料,这种材料的孔隙率一般大于且40%。近几年来,纳米多孔金属作为一种拥有三维双连续孔结构以及超高比表面积的新材料[2],吸引到国内外多个领域的目光。纳米多孔金属在外形以及状态方面跟泡沫金属有许多相似的地方,但是它相比于泡沫金属拥有着更高的比表面积[3]以及更小的孔结构。正因为它不仅拥有着纳米材料的在功能方面的特点,还有着泡沫材料的特殊的孔结构,所以纳米多孔金属除了在催化剂领域和电化学驱动方面有着极好的发展前景之外,在其他方面如传感方面、表面增强拉曼散射以及复合材料等领域都将拥有着非常远大的应用前景。纳米多孔金属作为纳米多孔材料的一种,不仅拥有着纳米多孔材料超高的孔洞占比以及超高比表面积的特点,还拥有着金属材料在某些方面的特殊性能,比如高的导电性能、高的导热性能、优异的抗腐蚀性能等等。把纳米多孔金属和没有孔结构的纳米材料进行比较,或者将其跟同一类别的块体状的金属材料作比较,都可以发现纳米多孔金属表现出了特殊的物理性能和化学性能。比如,因为孔洞和孔壁之间的通道结构的原因,将会导致其力学性能对材料的尺寸大小拥有极高的依赖度,纳米多孔Au-Pt和Au-Ag等不仅获得了超高的磁导率,而且不同条件下还可以获得控不同的光学性能[4]等。纳米多孔金属因为其具有的非常特殊的结构以及性能,使得其已经在诸多领域中崭露头角,并将拥有更加广阔的发展空间。
1.2历史发展及研究现状
50年前,Forty[6]一行人首次对Au-Ag合金在硝酸中发生选择性溶解的情况作了深入且详细的分析探究,他们使用TEM分析了Au-Ag合金脱合金化反应过程,发现在Ag原子被硝酸腐蚀而溶解的过程中,没有束缚的Au原子将会在固/液界面发生扩散以及连接的过程,反应到最后,将会形成具有连续三维孔洞结构的纳米多孔Au,孔径大小约在20 nm左右。正是由于Forty[7]一行人在脱合金化领域获得的创造性的研究进展,使得人们对于Au-Ag和Au-Cu的脱合金化过程有了更多的认识与了解。而到了1980年代,Sieradzki[8.9]与Newman[10]等人对Au-Ag合金的脱合金化过程开展了更多更系统的探索研究,他们使用当时比较先进的电化学分析方法,得出了脱合金过程与脱合金化反应的临界电位以及合金成分的临界值有关的结论,他们认为脱合金化反应发生除了需要惰性金属的成分必须低于临界成分之外,脱合金反应发生的电位也必须大于临界电位才行。从Sieradzki和Forty等人的开创性的发现之后,脱合金化方法已经逐渐被人们广泛的用于获得拥有三维双连续纳米通道的纳米多孔材料。到目前为止, Au-Ag体系和Pt-Cu体系以及Cu-Ag体系等不同体系的脱合金化反应机制的研究已经比较完善,J. Erlebacher所建立的相分离模型已经完美接近于固溶体合金的脱合金化过程,但是在金属间化合物脱合金化方面的研究还是比较少的,尤其是在多相金属间化合物方面,其孔结构的形成机理还在初始阶段。
1.3方法及原理
1.3.1 模板法
将溶液中金属离子通过物理方法或者化学法析出到模板的孔洞中,析出完成之后拆除模板,将获得与模板的表面形貌尺寸相关的纳米多孔材料[11-12]。具体操作步骤是提前制备多孔的材料当作模板,然后把这个模板放到金属的硫酸盐或者硝酸盐等盐溶液中,也可以放入胶体溶液当中,再利用一定的技术手段将金属离子从其盐溶液中析出到放置的模板上,通过溶解或者腐蚀的方法将有沉积金属的多孔模板去除掉,就可制得最终所需的纳米多孔材料。目前模板的种类也有许多,除了常见的多孔阳极Al2O3模板和胶态晶体模板之外,还有液晶模板、生物模板法以及乳液聚合物模板等等。但是模板法方法一般只能适用于结构高度有序的纳米多孔材料。此方法制备过程较为复杂,成本相对较高,且所制得的多孔材料的孔结构会受模板孔结构的限制,所以此法并不适合大规模制备。
1.3.2 脱合金化法
也被称为选择性腐蚀法[13-14],此法的原理是利用某些合金元素电极电势相差较大的特点,通过腐蚀前驱体合金中较于活泼的组元,使其溶解而进入腐蚀液中,只留下惰性组元的方法。此方法与模板法相比,主要优势在于工艺比较简单而且对金属的形貌比较容易控制,可以制备出多种纳米多孔金属材料,所以备受瞩目,从而给人们指引了纳米多孔金属材料一个全新的可探究方向。此法一般包括以下两个过程[15]:
(1)合金基体的制备:到目前为止,基体合金的制备方法有熔炼法,蒸镀法、机械轧制法、电镀沉积法等等。
相关图片展示:









