某矿井采掘工作面灾变安全疏散系统设计毕业论文
2020-04-15 21:05:05
摘 要
基于煤矿开采过程中事故背景以及现阶段国内煤矿开采的严峻形势,本课题针对矿井开展危险性评估和安全疏散系统设计。本文使用LEC评价法,确定了矿井瓦斯燃烧爆炸、煤与甲烷突出、冒顶片帮等事故危险等级。依据标准规范要求,对避难硐室和移动救生舱的位置、结构、尺寸、内部功能进行设计。依据最大逃生距离所设计的逃生路线,可以达到保障矿井灾变状况下井下员工安全,大大降低矿井灾变的伤亡率的目的。
关键词:煤矿 事故 避难硐室 移动救生舱 作业条件危险性评价法
Design of a coal mining face catastrophic safety evacuation system
Abstract
Based on the background of the accidents in the process of coal mining and the severe situation of coal mining in China at present, this paper carries out the risk assessment and the design of safety evacuation system for the coal mine. In this paper, LEC Assessment is used to determine the dangerous levels of mine gas combustion and explosion, coal and methane outburst, roof falling and so on. According to the requirements of the standard specification, the position, structure, size and internal function of the shelter chamber and the moving lifebuoy are designed. The escape route designed according to the maximum escape distance can ensure the safety of underground employees under the condition of mine disaster and greatly reduce the casualty rate of mine disaster.
Key Words: Coal mine; Accident; Refuge chamber; Mobile rescue chamber; LEC Assessment
目录
摘 要 I
Abstract II
第一章 设计背景及目的 1
1.1 煤矿安全生产现状 1
1.2 煤矿事故类型 1
1.3 煤矿事故特点 1
1.4 设计目的 2
第二章 矿井基本资料 3
2.1 矿井概述 3
2.2 矿井生产系统 3
2.3 矿井通风系统 4
第三章 LEC评价法对矿井危险性评价 5
3.1 作业条件危险性评价法简介 5
3.2 各参数意义及分值 5
3.2.1 事故发生的可能性 5
3.2.2 暴露于危险环境的频率 5
3.2.3 事故的后果 6
3.2.4 作业危险性 6
3.3 数据统计分析及评价结果 6
3.3.1 瓦斯爆炸事故统计分析 7
3.3.2 煤与瓦斯突出事故统计分析 7
3.3.3 顶板事故统计分析 8
3.3.4 水灾事故统计分析 8
3.3.5 各事故评价结果 9
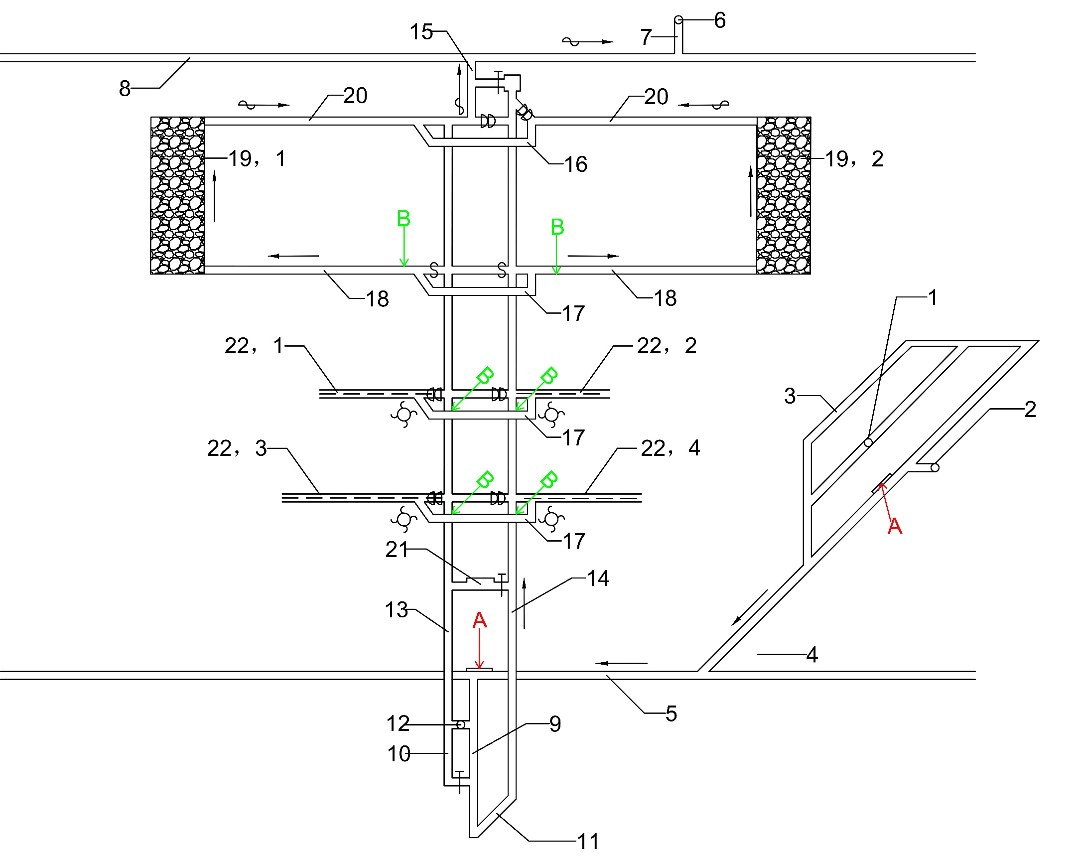
第四章 永久避难硐室设计 10
4.1 设计原则或依据 10
4.2 避难硐室位置 10
4.3 避难硐室结构 11
4.4 避难硐室尺寸设计 13
4.4.1 硐室容量 13
4.4.2 硐室尺寸 13
4.4 避难硐室功能设计及配置 13
4.4.1 安全防护隔离系统 13
4.4.2 供氧系统 14
4.4.3 空气净化系统 15
4.4.4 监控系统 15
4.4.5 其他物资 16
第五章 移动救生舱设计 18
5.1 设计原则或依据 18
5.2 移动救生舱位置与摆放 18
5.2.1 移动救生舱位置 18
5.2.2 移动救生舱摆放 19
5.3 移动救生舱基本参数 21
5.3.1 避险人数 21
5.3.2 救生舱结构 21
5.3.3 救生舱尺寸 21
5.4 移动救生舱功能设计 23
5.4.1 过渡舱功能设计 23
5.4.2 生存舱功能设计 23
5.4.3 设备舱功能设计 24
5.5 救生舱舱体框架强度核算 24
第六章 逃生避险路线设计 27
6.1 自救器选型 27
6.2 逃生避险路线选择原则 28
6.3 最大逃生距离的确定 28
6.4 逃生避险路线的确定 28
6.4.1 瓦斯爆炸时的避险路线 28
6.4.2 煤与瓦斯突出时的避险路线 29
6.4.3 顶板时的避险路线 29
6.4.4 水灾时的避险路线 29
第七章 结论与展望 31
7.1 结论 31
7.2 展望 31
参考文献 33
第一章 设计背景及目的
1.1 煤矿安全生产现状
煤炭资源作为我国主要能源,更是今后的战略性资源,煤炭消费总量约占全国能源消费总量62%[1],其在经济发展过程中有着重要地位,随着现代化进程的加速发展,煤炭的需求量也在逐年攀升。2013至2018年期间全国煤矿共发生各类生产事故死亡4104人,虽然我国已经不断加大对国内的高危煤矿的监管和治理力度,事故死亡人数已经大幅度下降,见图1-1,但目前煤炭行业的安全形势依然严峻,造成30人以上死亡或者100人以上重伤特重大型伤亡事故并未杜绝。

图1-1 2013-2018年全国煤矿事故死亡人数统计
1.2 煤矿事故类型
根据近年来煤矿事故统计,瓦斯、顶板、水灾等事故为造成人员伤亡的主要类型,其中瓦斯与顶板事故的死亡人数约占比约56.7%[2]。瓦斯事故包括瓦斯爆炸、瓦斯突出、瓦斯中毒,其中瓦斯爆炸事故起数占比约48%,死亡人数占比约67%[3]。顶板事故包括冒顶、片帮,二者常同时发生。
1.3 煤矿事故特点
瓦斯事故以瓦斯爆炸为主,在采掘过程中瓦斯不断涌出,当巷道内的通风不足时瓦斯积聚,加之操作不当导致电气设备产生电火花后,极易引起爆炸。巷道内瓦斯爆炸产生的超压除直接导致人员伤亡,生产设备损坏外,冲击波亦会扬起煤尘,形成二次爆炸,且煤尘不完全燃烧产生大量的有害气体,可能造成更大范围的人员窒息或中毒。
顶板事故在各类煤矿事故总数占比约50%[4]。矿井开挖或支护方法不当时,极易导致作业面和巷道壁面变形。大面积冒顶一次冒落的顶板面积少则几千平方米,大者可达几万平方米。大面积冒顶除了致使人员伤亡,破坏巷道,更可能引起矿震和严重的地面塌陷,造成更为严重的破坏。
以上是毕业论文大纲或资料介绍,该课题完整毕业论文、开题报告、任务书、程序设计、图纸设计等资料请添加微信获取,微信号:bysjorg。
相关图片展示:








        
            
