基于CFRP的车用电池箱轻量化结构设计与分析毕业论文
2020-02-17 20:49:47
摘 要
本论文以某款新能源纯电动汽车的为研究对象,对其进行设了结构设计与有限元分析。
了解和掌握新能源电动汽车的动力电池箱设计原则,根据电池箱体的设计原则,完成电池箱箱体的结构、连接等设计,采用绘图制软件CAD、SolidWorks绘制出电池箱箱体的二维工程图及三维模型。
通过以汽车的行驶条件以及汽车本身性质为依据,运用有限元分析软件ANSYS Workbench对其进行有限元建模以及复合材料铺层设计等,进行了静力学分析和模态分析。其中静力学分析主要是针对三种典型的汽车工况,分析了碳纤维复合材料电池箱箱体在颠簸、急转弯和急刹车时的应力和应变,检验了电池箱的强度满足设计要求;模态分析主要是得到了前20阶复合材料电池箱箱体的模态频率和阵型,验证了本次设计电池箱满足设计要求。
关键词:电池箱;碳纤维复合材料;有限元仿真;结构设计
Abstract
In this paper, a new energy pure electric vehicle is taken as the research object, and its structural design and finite element analysis are set.
Understand and master the design principle of the power battery box of the new energy electric vehicle, according to the design principle of the battery box body, complete the design of the structure and connection of the battery box body, and draw the two-dimensional shape of the battery box box by using the drawing software CAD and SolidWorks. Engineering drawings and 3D models.
Based on the driving conditions of the car and the nature of the car itself, static analysis and modal analysis were carried out using finite element analysis software ANSYS Workbench for finite element modeling and composite layup design. The statics analysis is mainly for three typical automobile working conditions. The stress and strain of the carbon fiber composite battery box case during bumping, sharp turning and sudden braking are analyzed. The strength of the battery box is verified to meet the design requirements; The analysis mainly obtained the modal frequency and formation of the first 20-stage composite battery box, which verified that the designed battery box meets the design requirements.
Key Words:Battery box; Carbon Fiber Reinforced Polymer/Plastic; Finite element simulation; Structural design
目 录
第1章 绪论 1
1.1研究目的及国内外的研究现状分析 1
1.2研究基本内容 2
第2章 碳纤维电池箱结构设计 4
2.1 引言 4
2.2碳纤维电池箱结构设计要求 4
2.3碳纤维电池箱的布置方案 5
2.4碳纤维电池箱的结构设计 6
2.5本章小结 12
第3章电池箱有限元模型的建立 13
3.1有限元基本理论 13
3.1.1有限元法概述 13
3.2电池箱有限元模型的建立 13
3.2.1几何模型的简化 14
3.3电池箱铺层与网格划分 15
3.3.1铺层设计准则与初步方式选择 15
3.3.2网格划分 17
3.4电池箱有限元分析的任务 17
3.4.1静力学分析 17
3.4.2模态分析 17
3.5本章小结 18
第4章 碳纤维电池箱静态特性分析与计算 19
4.1静力学分析基本理论 19
4.2 静力学分析工况 20
4.3 静力学分析结果 21
4.3.1 ANSYS WORKBENCH操作流程 21
4.3.2 静力学分析分析结果 22
4.4 本章小结 24
第5章 碳纤维电池箱模态特性分析与计算 25
5.1 模态分析基本理论 25
5.2 电池箱模态分析结果及计算 25
5.3 电池箱模态分析结果评价 27
5.4 本章小结 28
第6章 总结与展望 29
参考文献 30
致谢 31
第1章 绪论
1.1研究目的及国内外的研究现状分析
目前世界情况,由于能源以及环境存在的问题越发严重,当下制造业的研究重点就是新能源,然而我国的运输行业的具有战略性的重点之一就是电动汽车的研发。新能源汽车的最为主要的能量来源就是新能源汽车的电池,新能源汽车的动力电池对于整车的性能而言其重要影响不言而喻。研究电池箱具有重大的意义,因为电池箱对于动力电池组的承载体,对动力电池组起到安全和防护的作用。然而电池箱的轻量化对于整车负载减小导致的整车性能的提升更是重中之重。
电池箱的轻量化设计中最显著的变化的一步就是电池箱的材料的选择,同等体积的情况下,材料性质的不同导致的电池箱体的总重量是千差万别,所以说电池箱体的轻量化中最主要的就是所设计的新能源电池箱体的材料密度和其比体积。与钢材的性质相比,碳纤维复合材料的力学性能突出,比重不如钢材的1/4,但是其抗拉强度却为钢材的7到9倍,其抗拉弹性模量多在钢之上,多数可达2000
,然而A3钢的强度却不足100
。近年来,碳纤维材料以其优异的性质、设计可以一体化等等诸多特点,在汽车设计方面得到了飞速发展以及广泛应用。国内外诸多学者在对汽车轻量化的研究中获得了不凡的成果,现今,在汽车的各个零部件和想要结构中都应用了碳纤维等复合材料,以达到汽车的轻量化。
现今许多国内外学者对新能源汽车电池箱完成了诸多探索和研究,且取得了相当不错的成果:文献[1]中等人运用软件对箱体进行结构的优化,使得电池箱体的固有频率得到提高且箱体厚度减小了,同时电池箱体的质量减轻了20%,达到了轻量化的效果[1]。文献[2]中的等人设计了一个新能源汽车的电池管理系统,并且可以达到监视电池箱中电池模块的充放电状态,可以极大的防止了过充或者过放的发生,大大提高了电池的循环寿命[2]。文献[3]中张晓红等人使用了碳纤维复合材料进行新能源电池汽车电池箱体进行了设计,并且进行了模态分析、机械冲击分析以及结构疲劳分析进行验证,结果显示均满足各项机械性能的要求[3]。文献[4]中汽车振动与安全技术国家重点实验室的张宇等人,对新能源轿车的电池箱进行形貌优化,选区最大单元应力和最大节点位移作约束,分别采用自定义的优化方程和单元总应变作为目标函数,获得了电池箱箱体的下箱盖的形貌优化,从而布置了加强筋,优化后使得电池箱减轻了61.39%的重量,从而达到了轻量化设计[4]。文献[5]中北京理工的赵红伟等对新能源汽车的电池箱采用了拓扑优化,首先保证强度要求,其次进行优化,优化后的质量减少而且应力分布更加匀称,保证了强度达到了轻量化的结构设计[5]。文献[6]中湖南大学的吴长德采用有限元分析发,对焊点疲劳寿命进行理论预估,得到了疲劳损伤区域,之后对焊点采取优化措施,大大的提升了箱体的疲劳寿命水平[6]。文献[7]中大料交通大学的谷理想对新能源汽车电池箱箱体进行了强度校核以及疲劳寿命的预测,采用了有限元分析发以及伯劳理论[7]。文献[8]中北京理工的王文伟等人对某款电池箱的随机振动的环境下进行了疲劳响应的实验,结果得出电池箱满足试验要求[8]。文献[9]中程志刚对大巴车可换用的电池箱的锁体破坏机理进行了研究,通过仿真电池箱在实际运动情况下,对锁体采用随机载荷谱下进行疲劳寿命分析实验,得出了疲劳薄弱的位置并对此进行了优化设计,提出了优化方案,解决了锁体疲劳开裂的情况。
通过上述分析可知国内外通过研发与探索,对于新能源汽车以及其动力电池的箱体的研发和优化水平得到很大的提高,并且国内与国外汽车领军国家的水准也在不断减小,某些技术水平已近到达了前列水平。现今我国也正逐渐提高对电动车辆的研究和投入力度。
本次毕业设计,我的研究方向是“基于CFRP的车用电池箱轻量化结构设计与分析”,对于电动汽车的电池箱采用碳纤维复合材料,设计其结构及对其部分性能的分析,设计出部分性能优良的碳纤维电动汽车电池箱箱体。
1.2研究基本内容
本文以某款A0级SUV纯电动汽车开发为依托,根据课题任务主要进行一下几个方面的设计与研究:
第一章:调研收集分析有关资料,简单阐述电动汽车研究背景和意义,针对国内外电动汽车电池箱的研究现状,并做出简单理解,然后对于研究工作和采取分析方法进行概述。
第二章:分析确定本次设计的标准及所需要满足的要求,然后根据针对车型电池箱对其空间和结构进行设计,以及对碳纤维复合材料电池箱的结构形式和连接形式初步设定,并且确定基本尺寸并用Solidworks、CAD等相关建模软件对其进行三维建模。
第三章:对有限元基本理论进行简单阐述,将建立好的三维模型导入ANSYS有限元分析软件中,对导入的模型进行有限元建模,在ANSYS中进行电池箱箱体的有限元分析的前处理,简化模型、铺层设计及网格的划分,布置有限元分析的任务。
第四章:首先阐述静力学分析的基本理论,对汽车行驶的工况进行分析和确定,对碳纤维复合材料电池箱在选择好的工况中进行静强度分析,对结果进行强度校核,从而确定电池箱满足静力学强度要求。
第五章:阐述模态分析的基本理论,得到碳纤维复合材料的模态阵型,并作出相应的结果分析,提出未来设计改善和优化的地方,做出重要的参考依据。
第六章:对全文的工作进行总结,展示设计和分析研究的成果,提出不足,对未来改善和优化作出展望。
第2章 碳纤维电池箱结构设计
2.1 引言
新能源电能动力汽车的主要来源就是汽车电池箱,电池箱也是电动汽车的主要核心部件之一,其对汽车的续航能力以及动力有着巨大影响。所以说电池箱的设计质量对于整体车辆的性能有着极其重大的影响。而对碳纤维复合材料的车用电池箱的设计需要多方面考量,最重要的便是结构的安全性能。在多个性能要求下,要在有限的范围内,设计出一套合理的电池箱方案。
2.2碳纤维电池箱结构设计要求
2.2.1 碰撞安全性要求
开发碳纤维复合电池箱的目的是在满足同一钢材电池箱的强度和刚性的前提下确保最大的电池存储空间。
在碰撞发生时,电池箱箱体需要达到以下的要求:
(1) 如果动力电池的电池组固定在汽车仓外,需要考虑的是电池配件及其零部件不进入车舱内,影响乘客安全。
(2) 如果动力电池组固定在车辆内部,需要确保箱体的移动不会影响到人身安全。
(3) 如果出现撞击,需要保证电池及其各种组件的完整,电池箱或电池箱内的单元在碰撞情况下不允许破碎并且不允许从车辆中出来。
(4) 在发生碰撞的情况下,必须迅速断开电池组的过电流中断装置,以防止电源组中发生短路现象。
2.2.2 绝缘与防水性能要求
确保电池箱不仅包含保护性电池的功能,还包含操作员和乘员隔离电池组的情况。电池箱要确保气密性和防水性,并防止水进入由此产生高压短路。具体设计要求如下:
(1) 需要有限考虑的时,将电池壳体的正极和负极连接器以及连接器安装孔布置成用于整个车辆在电池壳体的1/2或更高的高度处连通。
(2) 在整个电池箱上喷涂电泳,并在电池箱中喷涂绝缘漆或在内表面上插入绝缘板。
(3) 电池箱在车身底部的布置不应干扰车身或底盘部件的运动。特别是底盘的运动部件应保持至少25毫米,并应确保车辆的最小离地间隙,以满足不同路况的要求,以避免钻孔或划伤电池箱外表。
(4) 动力电池组的正负极与电池箱的电线或连接板之间的距离必须至少为10毫米,以防止损坏或放电。
2.2.3 冷却与散热性能要求
电动汽车长时间运行时,特别是在夏季高温天气持久高负荷快速行驶时,电池组在放电的同时也会产生出大量热量;电动车在城市工况行驶时,循环的制动能量回收,也会伴随电池组的热量的释放;汽车进行快充时,会产生巨大的热能量。热量聚集在电池箱体的内部不及时散发,可能导致热失控,严重时会产生起火爆炸。因此为确保电池组的安全和使用寿命,电池箱需要具备良好的冷却和散热能力。动力电池液冷系统是电动汽车电池管理系统的一个重要组成部分,散热、加热高效均匀,结构简单简洁,价格适中且实用的电池液冷系统不仅为电动汽车电池组提供一个安全稳定的工作环境,还可以降低电动汽车的成本,对电动汽车的产业化,市场化发挥重大的作用。
(1)在不影响箱体内总布置空间的情况下,动力电池模块之间应保留一定的间隙,一方面满足电池组自身散热的要求,另一方面,给予电池组工作时热膨胀的空间,避免过度的挤压。
(2)电池箱内部要合理布置温度传感器或信息采集板,实时监控箱体内电池的温度及单体的均衡电压。
(3)电池箱体应能保证冷却液体与电池的绝缘,车身与箱体绝缘,防止存在电池与外界接触可能性而存在安全隐患。
(4)电池箱体内部合理的布置扰流板引导内部气流方向,确保电池模块的每个单体电池都能充分的散热。
(5)如果遇突发故障,必须保证电池电源切断后一段时间再断开散热风扇,保留一段延迟的过程。
2.3碳纤维电池箱的布置方案
如果动力电池组位于前舱并且行李箱便于轴载荷分配和整个车辆的通过,那么高压线的放置是麻烦的,并且在驾驶期间可能存在正面冲击的隐患。若是车头变形,那么可能会导致爆炸等事故出现。因此,本次设计不采取分布式的方案。如果将整体式方案单独放置在行李箱中,则提高了离地间隙并且存储了更多的能量,但是它会对车辆的整体负载分布产生影响。在发生后方碰撞的情况下,动力电池被摧毁,汽车乘客更加危险。所以动力电池组不应选择放入行李箱。动力电池组放置车的底部下,能够具有高碰撞安全性和高储能。这有助于正确分配前轴和后轴负载,并且增加车身的整体刚度。电动汽车通常用于城市工作条件,不影响整个车辆的通行。
由于本车是小型的SUV,整车底盘空间较大,所以离地间隙较高,如图2.1所示电池箱布置在地板下面。
图2.1 电池箱布置示意图
此次设计将电池箱箱体包装固定在了车体下部的车架之上,碰撞安全性高,不影响整车的载荷分布。前碰有前纵梁及前横梁防护,且电池箱前部离车前部有1000mm左右,侧碰有两大纵梁防护,后碰有后纵梁及横梁防护,电池箱尾部离车身尾部有1000mm左右,使车身既有足够的吸能空间又具有足够的刚度;因此中低强度碰撞不会对电池箱造成很大的损害,电池包与乘客舱隔离,保护乘客的安全。
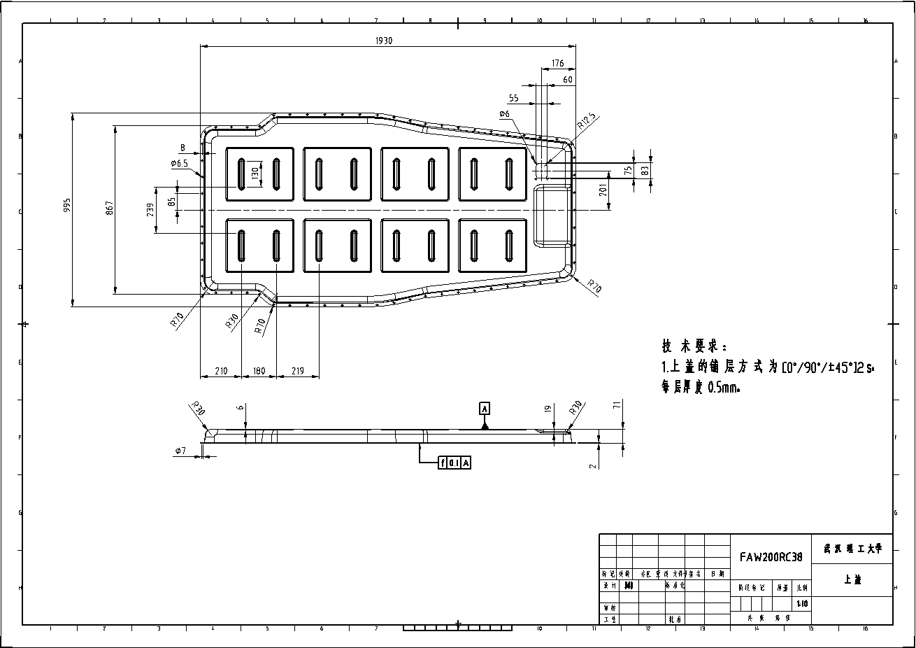
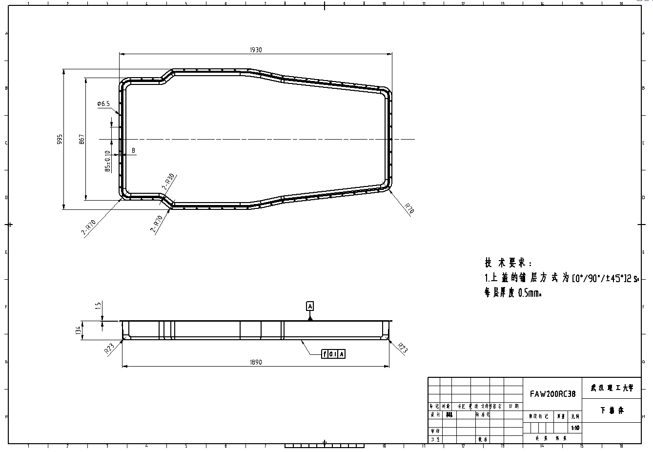
2.4碳纤维电池箱的结构设计
以上是毕业论文大纲或资料介绍,该课题完整毕业论文、开题报告、任务书、程序设计、图纸设计等资料请添加微信获取,微信号:bysjorg。
相关图片展示:









