基于PLC的水泥厂水处理控制系统的设计毕业论文
2020-02-17 19:49:40
摘 要
本设计背景是在收到工艺部门的水处理工艺流程图后,按照要求设计一种水处理控制系统。工艺流程图显示本水泥厂用水主要分为生产现场的工业用水、生活区的生活用水、厂区道路清洗用水以及消防系统用水。得到企业导师的建议后,决定在水处理控制系统中应用S7- 300系列的PLC,使深井中的生水经过一系列的水处理设备后达到使用要求。
文章首先介绍了本课题的目的和意义及国内外水处理控制系统的发展状况然后根据水处理工艺流程图阐述了系统的工作原理,并根据仪表清单画出仪表配置图。接着按照水处理要求设计PLC控制系统,先进行水处理控制系统的硬件设计,再进行水处理控制系统的软件设计,并用PLCSIM对程序进行仿真运行。最后用PCS7软件进行画面组态。
关键词:水泥厂;水处理;仪表配置;PLC
Abstract
The background of this design is to design a water treatment control system as required after receiving the water treatment process flow diagram of the process department. The process flow chart shows that the water used in the cement plant is mainly divided into industrial water at the production site, domestic water in the living area, road cleaning water in the plant area, and water for the fire protection system. After receiving the advice of the company's instructors, it was decided to apply the S7-300 series PLC in the water treatment system, so that the raw water in the deep well passed the series of water treatment equipment and reached the use requirements.
The article first introduces the purpose and significance of this topic and the development status of the water treatment control system at home and abroad. Then the working principle of the system is explained according to the water treatment process flow chart, and the instrument configuration diagram is drawn according to the instrument list. Then design the PLC control system according to the water treatment requirements, first carry out the hardware design of the water treatment system, then carry out the software design of the water treatment system, and use PLCSIM to simulate the operation of the program. Finally, the screen configuration is performed using PCS7 software.
Key Words:Cement plant;Water treatment;Instruments configuration;PLC
目 录
摘要 I
Abstract II
第1章 绪论 1
1.1 课题目的及意义 1
1.2 国内外发展状况 1
1.3 设计的主要内容 2
第2章 水处理控制系统工作原理及仪表配置 3
2.1 主要组成部分 3
2.2 工作原理 4
2.3 自动化仪表配置 5
第3章 水处理控制系统硬件设计 7
3.1 I/O表的制作 7
3.2 硬件系统的组态 7
3.3 硬件CAD图纸绘制 10
第4章 水处理控制系统软件设计 13
4.1 顺序功能图的绘制 13
4.2 梯形图的编制与程序调试 17
第5章 西门子PCS7画面组态 27
5.1 CFC图的绘制 27
5.2 画面组态与参数设置 28
第6章 水泥厂水处理控制系统设计总结及展望 30
6.1 设计总结 30
6.2 展望 30
参考文献 31
附录 32
致谢 33
绪论
课题目的及意义
本水泥厂水处理控制系统的作用是把水从深井中抽出后,经过过滤器以及化学药品的处理后,使水达到工业与生活用水及其它用水要求。
不仅在水泥生产中需要大量的工业用水,现场人员也需要大量的生活用水,而用水泵从地下抽上来的原水,由于其中含有杂质、细菌和病毒等,并不适宜直接引入现场生产设备,也不适宜直接饮用。原水在未经过处理就直接使用的情况下,会使生产设备发生化学腐蚀,造成严重的经济损失。为实现自动化,设计了基于PLC的水处理控制系统。查阅资料后得知:PLC(可编程逻辑控制器)是各种自动化系统和过程的控制中心[1] 。PLC 技术可以避免传统系统控制技术复杂多变、可靠性低、灵活性差等缺点[2]。利用基于PLC水处理自动控制系统,不仅能有效改善出水质量,还可降低工人作业强度与能耗[3]。并且PLC广泛应用在自动工业控制和机电一体化[4] 。PLC有如此多的优点,所以在水处理控制系统中选择应用PLC是一个非常好的技术方案。设计一种基于PLC的水处理控制系统,即减少人力成本提高了自动化程度,又满足了系统工作的要求。
此水处理控制系统将使各个水箱与水塔时刻有充足的水,从而使水泥厂的用水得到不间断供应。
1.2 国内外发展状况
通过对技术人员的咨询了解到我国的水处理控制系统虽然应用了PLC,但并不是完全的自动化,某些环节仍然需要人的参与,例如对水中化学元素的检测仍需要专业人员的检测。所以水处理控制系统仍有很大的发展空间。
查阅外文文献发现,国外水处理控制系统除了PLC以及自动化仪表的应用,还可以使用可视化工具,HMI(人机交互界面)和数学建模的最新技术,以改善操作员与水管理系统的交互,使得操作更加智能化。高效节能、高自动化水平、高可靠性是我国水处理方式的发展方向。PLC 控制、网络、基础自动化、系统管理的应用技术已在国外的水处理控制系统得到广泛采用[5]。而我国水处理控制系统起步较晚,计算机软件与硬件的技术发展缓慢,导致自动化水平较低,人工操作依然占一部分比例,并没有实现智能化,存在效率低的缺点[6] 。虽然目前大部分水处理厂在计算机技术的支持下已实现了自动化,但是自动化程度并不完全,以本水泥厂为例,酸碱检测部分需要人工操作,这是与国外有差距的地方。PLC在工业现场因其编程方便, 抗干扰能力强而得到了广泛的应用[7] 。基于这个特性保守估计PLC仍会继续应用很长一段时间。现在及未来对水处理控制系统的要求经过自己的总结主要有三个方面:(1)水处理控制系统管理智能化。实现远程控制,实时数据采集与监控等,安装一个手机应用软件就可以实时观测到液位等数据。(2)对环境更加友好,水处理后的产物不能随意排放,要符合国家发展战略。(3)加强自动化的程度,使业主更加满意。水处理控制系统自动化程度提高了企业克服挑战的能力并可以促进更好的商业合作[8]。
1.3 设计的主要内容
本设计的主要内容是:了解水泥厂水处理的工艺方法,根据工艺要求及相关流程,以及仪表清单,完成自动化仪表的配置。在西门子的软件Step 7上完成PLC的硬件组态后,根据组态文件在制图软件上绘制硬件连线图,然后根据工艺流程流程图编写PLC梯形图以及进行PCS7画面组态从而完成设计。
本文按照下面的6个章节写成:
- 第1章 绪论。主要概述课题的目的和意义,以及国内外的发展现状。
- 第2章 水处理控制系统工作原理及仪表配置。根据工艺部门的水处理控制系统工艺流程图说明水处理控制系统的组成部分以及工作原理。
- 第3章 水处理控制系统硬件设计。主要对PLC的I/O配置、设备选型和硬件连接图进行说明。
- 第4章 水处理控制系统软件设计。首先根据水处理工艺流程以及系统运行触发条件绘制顺序功能图,再依据绘制好的SFC图编写梯形图程序,最后对程序进行调试。
- 第5章 西门子PCS7画面组态。利用PCS7软件把工艺流程图简要的画下来并配以液位量程表。
- 第6章 水泥厂水处理控制系统设计总结。对设计的水处理控制系统进行总结以及展望。
- 水处理控制系统工作原理及仪表配置
2.1 主要组成部分
在介绍本水泥厂的工艺流程前,查阅论文发现某钢铁厂的水处理过程与本水泥厂的水处理过程很相似。它的水处理流程为:各用户→冷却塔→冷水池→供水泵→管道过滤器→各用户。[9]这为我看懂工艺流程图(工艺流程图见附录1)提供了思路。
水泥厂的水处理控制系统结构复杂,设备较多,水泥产水处理工艺流程及其基本组成部分如图2-1所示。

图2.1 水处理控制系统工艺流程图
主要设备的介绍如下:
(1)过滤器:过滤生水中的杂质,以防杂质进入后续水处理设备对设备造成损伤。
(2)处理水箱:存储过滤后的生水,经过处理水塔进入水泥生产现场作工业用水, 并提供反洗用水。
(3)锰砂过滤器、活性碳过滤器:反渗透系统的保安过滤器,防止未过滤掉的杂质对反渗透膜造成破坏。
(4)反渗透系统:反渗透系统由反渗透膜(RO)、高压泵及为保护反渗透膜而设置的保
安过滤器组成。
(5)化学药品加药罐:在生水中添加次氯酸钠(作杀菌剂)、亚硫酸氢钠(作还原剂)、Argo150(作阻垢剂),对未进入反渗透系统的生水进行化学处理,起到保护反渗透系统的设备以及杀菌的作用,使水达到使用要求。
2.2 工作原理
本水泥厂的水处理控制系统的电气控制系统总框图如图2-2所示,PLC为核心控制器,操作面板主要是为操作员使用,为手动方式而准备的,液位开关等控制器是为自动方式准备的。

图2.2 电气控制系统总框图
本设计主要研究自动方式,不做手动方式的设计。在自动方式下,系统根据检测液位开关等控制器的状态,从而对水泵以及阀门等执行器进行开启与停止的控制,其工作过程如下:当水泥厂工业与生活用水导致水箱与水塔的水低于临界值时,液位开关动作,将信号其传送到PLC,自动方式启动。(更加详细的过程将在程序调试的部分介绍)如图2.3所示。

图2.3 PLC工作原理图
2.3 自动化仪表配置
根据工艺部门提供的仪表清单,在工艺流程图纸上进行自动化仪表的配置。将一部分的仪表清单以及仪表配置图截取如下,完整的见附录2。
表 2.1 仪表清单
Tag No | Designation | Discription | Sensor Type | Signal Type | Voltage | Measuring range | Unit | ||
610SF01.FZ1 | FI | Flow rate | Flow meter | AI(4~20mA) | 230VAC | 0~100 | m3/h | ||
610SF02.FZ1 | FI | Flow rate | Flow meter | AI(4~20mA) | 230VAC | 0~100 | m3/h | ||
610SF03.FZ1 | FI | Flow rate | Flow meter | AI(4~20mA) | 230VAC | 0~100 | m3/h | ||
将仪表清单中的液位开关等仪表标注在工艺流程图中,就得到图2.4。图2.4是以处理水箱610WT01与610WT02的仪表配置为例,需要确定处理水箱610WT01内的液位状态,于是配置了液位指示仪LIAHL(610WT01.LZ1,Z代表模拟量),除此还需要配置高低液位开关LSAH(610WT01.LS1,S代表离散量)、LSAL(610WT01.LS2),其它的参考部门里之前的图纸一一配置,不再赘述,完整的图纸见附录3。

图2.4 仪表配置图
第3章 水处理控制系统硬件设计
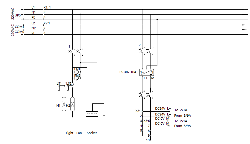
在进行PLC系统程序设计工作之前需要对相应的电气自动化水控制处理系统进行全面的研究与了解。[10]水处理控制系统的工艺流程与工作原理已在第2章中加以说明,所以在编写梯形图前需要对硬件进行组态。查阅仪表清单后,统计出本水处理控制系统共有离散输入信号(DI):187个,离散输出信号(DO):97个,模拟输入信号(AI):24个。模拟输出信号(AO)为液面的显示,所以用PLC内的软元件代替(辅助触点M0.0等),从而不必插入AO模块,这样做可以节省成本。统计出I/O点数是为选择输入输出模块的型号与数量做准备。
先在Step7软件上把统计出的I/O点以及保护信号等制成I/O表,再在Hardware Configuration(硬件组态)中对水处理控制系统的硬件系统进行组态,然后根据组态好的硬件系统在AutoCAD上绘制硬件连接图。
3.1 I/O表的制作
在Step7软件上进行I/O表的编制,同样由于信号数量的原因,图3.1只截取一部分,完整的见附录4。(Step7软件比较特别,只有在I/O表编制后,才可以进行梯形图的编制,不过如果在编程过程中发现需要的信号可以对I/O表进行补充)
以上是毕业论文大纲或资料介绍,该课题完整毕业论文、开题报告、任务书、程序设计、图纸设计等资料请添加微信获取,微信号:bysjorg。
相关图片展示:









