变速箱疲劳试验台总体设计毕业论文
2020-02-14 17:57:05
摘 要
汽车的变速箱在汽车传动系统的作用极为重要。汽车变速箱在设计研发时,必须进行疲劳试验,以确保其内部轴、轴承、齿轮等零部件及其整齐结构的安全性和可靠性。本文旨在设计一种变速箱疲劳试验台,采用机械封闭式结构,对不同汽车的变速箱进行疲劳试验。采用液压加载系统、机械封闭式实验台,详细设计了试验台的总体结构搭建和动力传输系统,其结构紧凑、功能完善、噪声小、节能环保、具备较高的自动化水平、操作简单易维护且实验精度及准确度较高,具有现实价值和广阔的应用前景。
关键词:变速箱;疲劳试验;封闭式试验台;液压加载
Abstract
The role of automobile gearbox in automobile transmission system is extremely important.Fatigue test must be carried out in the design and development of automobile gearbox to ensure the safety and reliability of its internal axle, bearing, gear and other parts and their neat structure.The purpose of this paper is to design a gearbox fatigue test-bed, which uses mechanical enclosed structure to carry out fatigue tests on gearboxes of different automobiles.Using hydraulic loading system and mechanical enclosed test-bed, the overall structure and power transmission system of the test-bed are designed in detail.It has compact structure, perfect function, low noise, energy saving and environmental protection, high automation level, easy operation and maintenance, and high experimental accuracy and accuracy. It has practical value and broad application prospects.
Key words:Transmission case ;fatigue test ;Closed test-bed ;Hydraulic loading
目 录
第1章 绪论 1
-
- 课题来源、研究目的与意义 1
1.1.1 课题来源 1
1.1.2 研究目的及意义 1
1.2 国内外研究现状 1
1.3 研究目标及内容 2
1.3.1 研究目标 2
1.3.2 研究内容 2
第2章 变速箱疲劳试验台总体设计 4
2.1 疲劳试验台设计标准 4
2.2 机械封闭式试验台的确定 4
2.3 变速箱疲劳试验台总体方案设计 5
2.3.1疲劳试验台组成部分 5
2.3.2试验台工作过程 6
第3章 试验台主要组成部分的结构设计和选择 7
3.1驱动电机的选择 7
3.2封闭传动箱的结构和参数设计 7
3.2.1传动箱齿轮的设计 8
3.2.2传动箱轴的设计 10
3.3转矩转速传感器的选择 12
3.4联轴器和轴承座的选择和设计 13
3.4.1联轴器的选择 13
3.4.2轴承座的设计 13
3.5功率返还路径设计 14
3.6试验台各部件支架的设计 14
3.6.1转矩转速传感器支架的设计 15
3.6.2变速箱支架的设计 15
第4章 液压加载系统设计 17
4.1液压加载系统组成部分 17
4.2传动箱加载部分设计 17
4.3液压加载部分原理 18
第5章 总结 20
参考文献 21
致谢 22
第1章 绪论
1.1课题来源、研究的目的与意义
1.1.1课题来源
自21世纪以来,汽车行业日渐兴旺,汽车的普及越来越广,对汽车的性能研究及效率提升也日益重要。无论对于汽油机还是柴油机,变速箱均是其不可或缺的组成部分。变速箱不仅能传递汽车的传动比,还能实现转矩的控制与改变。
变速箱性能的优劣是衡量工程机械动力性、经济性及驾驶性的关键,通过疲劳实验台来对变速箱的性能进行测试是保证变速箱安全性、可靠性、经济性的关键。可以对变速箱的性能、疲劳寿命、传动效率进行分析和优化,通过试验结果进一步对其结构、性能进行优化,提升其可靠性及经济性。
1.1.2研究目的及意义
因汽车变速箱在汽车传动系统中的核心地位,其性能优劣直接决定了汽车机械动力性、经济性及驾驶性的好坏。在驾驶过程中,一旦变速箱发生故障,会造成汽车动力系统崩溃,汽车无法驾驶,甚至可能造成交通事故,威胁人身安全。
在对汽车变速箱的性能测试中,疲劳试验占极为重要的地位,其起到了测试变速箱综合性能的作用。汽车变速箱疲劳试验可模拟真实使用环境,疲劳试验台上安装变速箱并对其进行疲劳寿命试验,通过设置试验所需的转矩和转速来进行长时间的疲劳试验,对变速箱的疲劳寿命和性能进行测试,并通过试验数据分析变速箱设计的可靠性,对其进行优化和调整。
本文旨在设计一种结构合理紧凑、功能完善、噪声小、节能环保、具备较高的自动化水平、操作简单易维护且实验精度及准确度较高的疲劳试验台,对汽车变速箱的性能进行测试。且因汽油机、柴油机的变速箱型号有所不同,不同的汽车变速箱也有不同,为了能实现在同一变速箱疲劳试验台上对不同种变速箱进行测试,本设计方案也要做出一些技术和功能性的改进。
1.2国内外研究现状
因为变速箱在汽车中的重要地位,近年来国内外始终没有停止对其的疲劳试验,同理,对变速箱疲劳试验台的研究也一直在进行。目前常见的疲劳试验台分两种,其一为变速箱生产出厂时的疲劳寿命测试,其一为变速箱设计研发时的技术参数及性能测试。
目前,国内外很多学者都针对变速箱疲劳实验台进行了一系列的研究与设计。四川诚邦科技公司生产研发了开式功率流变速箱疲劳试验台、蒋巍等人实现了电力封闭式变速器试验台自动测控系统的研制,王祖麟等人进行了电封闭式变速器加载试验台的设计研究。美国的克莱斯勒公司的电功率流封闭式变速箱实验台,奥地利的AVL公司的动力总成测试的变速箱实验台[1]。意大利的布雷西亚变速箱实验室更是针对汽车变速箱的疲劳寿命试验及加载性能测试进行了许多试验与试验台研发,大多数的汽车工程企业也在逐步探索变速箱疲劳试验台的设计与研发,例如通用、大众、丰田等国内外汽车品牌。
当前市场对变速箱疲劳试验台的结构性能优化需求日益迫切,不少高校也针对此课题展开了研究。
但目前存在的变速箱疲劳试验台设计以开式功率流和电封闭式为主流,存在浪费大量能源、消耗功率巨大、无法实现功率循环、结构组成极为复杂、测试精度低、相应速度慢、控制较难、无法实现较高的自动化且造价极高的种种弊端和缺点。故而很多中小型企业不足以对生产的变速箱进行疲劳试验,不仅严重制约了企业的发展,同时也无法确保变速箱的工作性能和可靠性。
且根据目前的研究成果,开式试验台已经进入了较为成熟的发展阶段,但开式试验台大量的功率消耗不仅造成了资源能源的浪费,不符合当代绿色环保的要求,且对驱动电机要求较高,整个试验系统产热极高,如果散热系统出了问题容易造成整个实验系统的崩溃,甚至造成危险。采用机械封闭式试验台可避免此种情况的发生。
1.3研究目标及内容
1.3.1研究目标
确定了采用机械封闭式试验台的总体设计,为了实现变速箱的疲劳寿命及性能参数测试,试验方法即使变速箱在试验台上长时间保持工作状态,试验条件满足变速箱的实际工作状态,直至其疲劳损坏,通过记录变速箱被破坏所需的时间来分析其疲劳寿命和性能参数。
设计的疲劳试验台需满足以下功能:
能测试变速箱的传功比及传功效率。
能测试变速箱的疲劳寿命。
能测试变速箱的可靠性。
能测试变速箱的经济性。
能测试变速箱的动力性。
额定转速为1100r/min,转矩为2500N·M,测试精度plusmn;1%
1.3.2研究内容
目前国内外的开式试验台研究比较成熟,闭式试验台的研发设计还是有许多不足。本文通过对国内外现有的变速箱疲劳试验台进行分析,设计研发一种通过液压加载的机械闭式封闭式变速箱疲劳试验台,既满足了企业的测试需求,又满足了变速箱研发时的参数获取,结构简单紧凑、自动化水平高、精度准确度高、运行更加稳定。
根据变速箱的结构制定变速箱疲劳试验台的具体结构方案。
根据具体结构方案进行总体的硬件系统设计(驱动电机、动力传动系统、传感器、液压加载站)。
对硬件系统进行分析和校核,保证其功能性、可行性和精确性。
第2章 变速箱疲劳试验台总体设计
2.1疲劳试验台设计标准
本文旨在设计一种结构合理紧凑、功能完善、噪声小、节能环保、具备较高的自动化水平、操作简单易维护且实验精度及准确度较高的疲劳试验台,对汽车变速箱的性能进行测试。且因汽油机、柴油机的变速箱型号有所不同,不同的汽车变速箱也有不同,为了能实现在同一变速箱疲劳试验台上对不同种变速箱进行测试,本设计方案也要做出一些技术和功能性的改进。
整个试验台系统严格根据国标设计零件,根据实际情况分析其可行性。
2.2机械封闭式试验台的确定
根据试验台的分类:开式、闭式,可对不同种的试验台进行分析选择出最优方案。
开式试验台是最早出现的一种试验台,其动力传递为:

图2.1 开式试验台动力传递图
开式试验台的工作原理及工作过程简单,施加载荷稳定、制造成本低,但其很重要的不足时无法实现功率的回收利用。对变速箱的疲劳试验通常要持续几个月的时间,如此大量的能量消耗会造成大量的能量浪费,不满足节能环保的设计大环境,仅适合用于小功率和短期试验。
闭式试验台是在开式试验台的基础上加了功率的反馈回收利用,实现了大部分的功率流重复利用,减少了能量的损耗,实现了节能环保。
其中封闭式试验台又分为电封闭式和机械封闭式试验台。
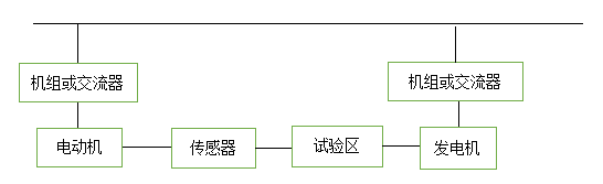
电封闭式试验台的动力传递如下图,整个系统中不仅需要电动机来起到提供动力的作用,更是需要在系统末端安置一个发电机来讲系统的转矩转化为电能重新回归电网中。整体结构显得非常复杂,同时发电机发出的电能回到系统初始的过程极为繁琐和复杂,需要大量的结构和组件才能实现功能。且并非所有企业都有条件将发电机产生的电能回归电网重新利用,不经济不适用。

图2.2 电封闭式试验台动力传递图
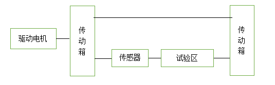
机械封闭式试验台由驱动电机、加载传动箱、传感器、反馈传动箱组成,其工作原理是通过传动箱组成封闭回路,实现功率的反馈回收。其驱动电机仅提供消耗损失的部分功率。因此机械封闭式试验台的功率损耗很低,仅消耗了机械传动的损耗部分,且结构较为简单紧凑、能耗低、成本低,节能环保。

图2.3 机械封闭式试验台动力传递图
对比电封闭式和机械封闭式,在本实验中,机械封闭式实验台的优势更为明显,且电封闭式试验台造价成本很高。经过与指导老师的交流分析,计划采用机械封闭式实验台并用液压作为系统动力。
2.3变速箱疲劳试验台总体方案设计
2.3.1疲劳试验台组成部分
试验台由铸铁平台、驱动电机、输入端传动箱、转矩转速传感器、被试变速箱安装单元、陪试变速箱安装单元、输出端传动箱组成,分成不同的部分不仅方便分部的安装维护测试和维修,还可以用来调整不同的变速箱试验所需的空间安排。基础平台使用铸铁平台的原因是为了实现固定各个组成部分,可以通过在平台上设计T型槽从而达到相关功能,且因为试验所需的转矩和转速较大,试验时间较长,结构强度大的基础平台可以减少震动和变形,减少对试验结果的影响。
2.3.2试验台工作过程
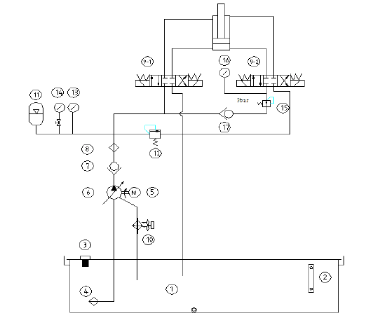
试验台的工作过程为:首先驱动电机传出,经过传动箱传动并且减速,利用转矩转速传感器来检测传递出来的转矩和转速,动力传递至主试箱,设置一个陪试箱与主试箱背靠背放置,其主要作用是为了方便测量和计算传动比。系统输出端的传动箱可以使功率流回归系统初始。在返还动力的轴上设置了两个万向节,为了满足不同种类的变速箱尺寸不同的问题。为了弥补长轴的扭矩变形,在传动箱中设计了一个活塞结构,通过液压油的压力实现活塞的前后移动,活塞与轴和齿轮之间由螺纹相连,通过移动相同的距离时转过的圈数不同可实现轴与齿轮的相对转动,皆宜弥补扭矩角,使转矩传递更加精确。轴设计为空心轴,并有油管深入,分两条油路实现活塞的前后移动,在传动箱的轴承盖上设计入油的通道,与液压加载站相连,实现液压加载。
实验台铸铁平台设计为四个独立的部分,第一部分用来安装驱动电机,第二部分用来安装传动箱和传感器,第三部分用来安装主试箱,第四部分用来安装陪试箱和传动箱。当试验变速箱为不同型号时,可通过调节第二、第三、第四部分的距离来实现不同大小变速箱的安装,并在主试箱和陪试箱之间设置了万向联轴器,为了调节之间的角度和距离。
以上是毕业论文大纲或资料介绍,该课题完整毕业论文、开题报告、任务书、程序设计、图纸设计等资料请添加微信获取,微信号:bysjorg。
相关图片展示:














