齿条铣端面及去毛刺机床设计毕业论文
2020-05-28 07:02:10
摘 要
时代在发展,许多新兴技术以及工艺涌现,机械加工精度逐渐提高。但是由于技术局限性,在不同程度下机械加工中依然会产生毛刺,尤其是齿轮齿条的加工中。毛刺不仅影响零件美观,更主要的还会影响零件的装配,使用和寿命,甚至会引起设备的故障。因此去毛刺机床在机械加工中必不可少。本文主要设计了一种齿条铣端面及去毛刺机床的水平传动和垂直传动系统。
本论文首先对机床进行了工况分析,水平方向选择滚珠丝杠传动形式,垂直方向选择液压传动形式。其次通过载荷分析以及横向比较,水平方向选用内循环浮动式垫片预紧滚珠丝杠,零背隙星形联轴器,变频电机以及滚动体为滚珠的滚动导轨为机械传动部件;垂直方向选用差动连接液压缸,变量液压泵以及相关阀类元件为传动元件,并对所选重要元部件进行校核,保障机床工作安全。
为了校核系统的动静态性能,本论文对机床底座进行有限元分析,以此对设计的整体性能进行评估。本论文以Creo 3.0软件为主要分析工具,综合运用了Creo Parametric建模功能以及 Simulate模块的静力分析和频率分析功能,对目标底座的静、动态特性进行了一定的研究,得到了底座工作时的最大变形分布图、前六阶振型及固有频率等相关静、动态参数。本设计机床的合理性得到实际的验证。
关键词:齿条 去毛刺 机床设计 有限元分析
Abstract
In the development of era, many new skills and new technologies emerge, and the machining precision is gradually improved. But due to the technical limitations, when producing, burr still come in varying degrees, especially in the process of gear and rack. Burr not only affects the beauty but also affect the assembly, use and life of parts, even can cause the failure of equipment. Therefore the deburring machine tool in machining is necessary. In this paper, we mainly design the horizontal and vertical transmission drive system of rack milling and deburring machine.
First of all, the design makes an analysis of the working condition of the machine tool, then the horizontal direction choose ball screw drive mode, vertical direction choose hydraulic transmission form. Secondly, through the load analysis and horizontal comparison, the horizontal direction choose internal-loop floating type gasket preloaded ball screw, zero gap star coupling, frequency conversion motor and roller for ball rolling guide as mechanical transmission parts; the vertical direction choose differential connection hydraulic cylinder, variable hydraulic pump and the valve class components as transmission components. Lastly, check the selected important components to ensure the safety of machine tool.
In order to check the dynamic and static performance of the system, we make a finite element analysis of machine tool to evaluate the overall performance of the design. This design choose Creo 3.0 software as the main analytical tool, integratedly use the modeling capabilities of Creo Parametric and the static analysis and frequency analysis function of Simulate module, carry out a certain research on the static and dynamic characteristics of the target. Then, we get the related static, dynamic parameters, such as the maximum deformation distribution when the machine works, the first six order vibration mode and natural frequency and so on. The rationality of the design of machine tool get the actual simulation.
Key words: Rack; Deburring; Machine tool design; The finite element analysis
目 录
摘要I
AbstractII
第一章 绪论1
1.1研究背景及意义1
1.2国内外机床设计发展现状1
1.3设计内容及路线3
第二章 机床总体设计方案4
2.1工况分析4
2.2机床驱动方式的选择5
2.3水平方向的机械驱动方案选择6
2.3.1滚珠丝杠的选择6
2.3.2导轨的选择7
2.4垂直进给系统的液压驱动方案选择7
2.4.1液压缸的选择8
2.4.2液压泵的选择8
2.5本章小结9
第三章 机床详细设计10
3.1滚珠丝杠副的选型与计算10
3.2联轴器的选型与计算15
3.3电机的选型与计算16
3.3.1选择电机类型16
3.3.2电机选型原则16
3.3.3选择电机型号17
3.4 X、Z轴导轨17
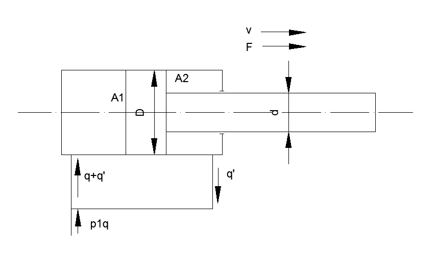
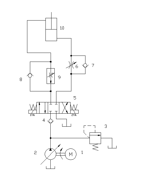
3.5液压系统的设计与计算19
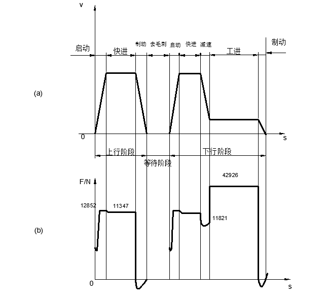
3.5.1工况分析19
3.5.2液压缸的设计与计算22
3.5.3液压泵的设计与选择25
3.5.4阀类元件及辅助元件的选择26
3.6本章小结26
第四章 有限元分析27
4.1底座的静态分析27
4.1.1位移分析27
4.1.2应力分析28
4.1.3应变分析29
4.2底座的模态分析29
4.2.1六阶振型29
4.3动态分析34
4.3.1时间分析35
4.3.2频率分析35
4.4本章小结36
第五章 总结37
5.1主要设计过程37
5.2设计展望37
参考文献38
致谢40
第一章 绪论
1.1研究背景及意义
在机械加工中,切削加工比较于其它加工方法所产生的毛刺情况更为严重,它主要出现在加工面和非加工面相交的棱边处。齿条应用广泛而齿条边缘出现的毛刺不仅影响零件外形美观,更主要的还会影响零件的装配,使用和寿命,甚至会引发机器的故障。因此齿条边缘上的毛刺必须去除,研究开发机械自动去毛刺技术,防止因为毛刺的存在而引起的工件报废、设备损坏并且保证机床无故障运行是十分重要的。
现在,世界上的许多工业发达国家已经将去毛刺技术的改善作为他们很重视的一项工作,在中国,去毛刺技术已经被原来的机械相关部门列入到提高齿轮齿条的质量的主要的攻克难关的项目之一。但是随着改革开放,我国领导人近些年越来越重视自动化以及工业化这些领域,并且越来越多齿轮齿条方面的研究被开展和重视。虽然有很多有学问的人在去毛刺这个领域做了许多的研究贡献,然而在工厂去毛刺的实践过程中,还是没有达到预想的效果。从根本上讲,我们还没有抓住去毛刺的重点,所以需要更多关于毛刺如何生成以及如何去除的试验。去毛刺在齿轮齿条加工完善后的过程中是有重要地位的,以前的手工去毛刺目前已经基本被舍弃,而转用一些专用去毛刺机床以及其他自动化去毛刺的方法。因此本文齿条去毛刺的机床设计对于机械去毛刺的大发展方向是有实际意义的。
1.2国内外去毛刺机床的发展现状
相关图片展示:









