TK13250E数控转台传动系统的三维设计及工作台的静力分析毕业论文
2020-05-28 06:58:51
摘 要
数控转台是数控机床与卧式加工中心的主要部件,其性能直接影响到整机的精度与可靠性。TK13250E系列数控转台是各类型数控机床和加工中心的核心部件之一,该转台采用蜗轮蜗杆作为传动机构的一部分,大大提高了传动的稳定性、
整机加工的精度与定位精度。
本论文以TK13250E系列数控转台为研究对象,完成了以下工作:
对TK13250E数控转台的工作原理,结构进行分析。
- 对传动机构以及伺服电机的选型。包括传动方案的确定,传动比的选择,传动机构的设计等。
- 传动结构的三维建模。包括齿轮、蜗轮蜗杆等的建模。
- 对转台的关键部件进行有限元分析。根据有限元静力学的原理,对转台进行有限元数据采集分析,包括轴承等的简化模型,优化设计。
本课题通过对TK13250E系列数控立卧回转转台的传动机构设计,蜗轮蜗杆等的三维建模,并将转台导入abaqus软件进行有限元分析,改善数控转台的精度,动静态性能的稳定性,整机的可靠性,为不同类型的主机提供优化。
关键词:数控转台 传动系统 有限元分析
Abstract
The main component of CNC milling machines and horizontal machining centers is NC rotary table,Its performance directly affects the accuracy and reliability of the machine.One of the core components of all types of CNC machine tools and machining centers is TK13250E series NC rotary table. The NC rotary table uses the worm as a part of the transmission mechanism what greatly improving the driving stability, the accuracy and positioning accuracy of machine processing.
The TK13250E series NC rotary table as the research object In this paper, completed the following work:
- The analysis of TK13250E series NC rotary table on it’s working principle and structure.
- The selection of transmission mechanism and servo motor.Including the identification of the transmission program,the gear ratio selection and the design of transmission mechanism and so on.
- Three-dimensional modeling of the transmission structure.The analysis and data acquisition of NC rotary table with the finite element,according to the principle of finite element statics.Including a simplified model of the bearing and optimal design.
This topic through the design of TK13250E series of CNC vertical and horizontal rotation of the turntable transmission mechanism.Three-dimensional model of worm,Import the NC rotary table into abaqus software for finite element analysis,
Improve the accuracy of CNC turret, the static performance of dynamic stability,the reliability of the machine,Provides optimized for different types of hosts.
Key words: the NC rotary table ,Transmission System,Finite Element Analysis
目 录
摘 要 II
Abstract III
第一章 绪论 3
1.1课题背景及意义 3
1.2国内外研究现状及分析 3
1.2.1国外研究现状及分析 3
1.2.2国内研究现状及分析 4
1.3 有限元分析研究现状 5
1.4 研究课题与技术路线 6
1.4.1 研究课题 6
1.4.2技术路线 7
第二章 传动机构的选型以及伺服电机的选择 8
2.1 数控转台的分类介绍 8
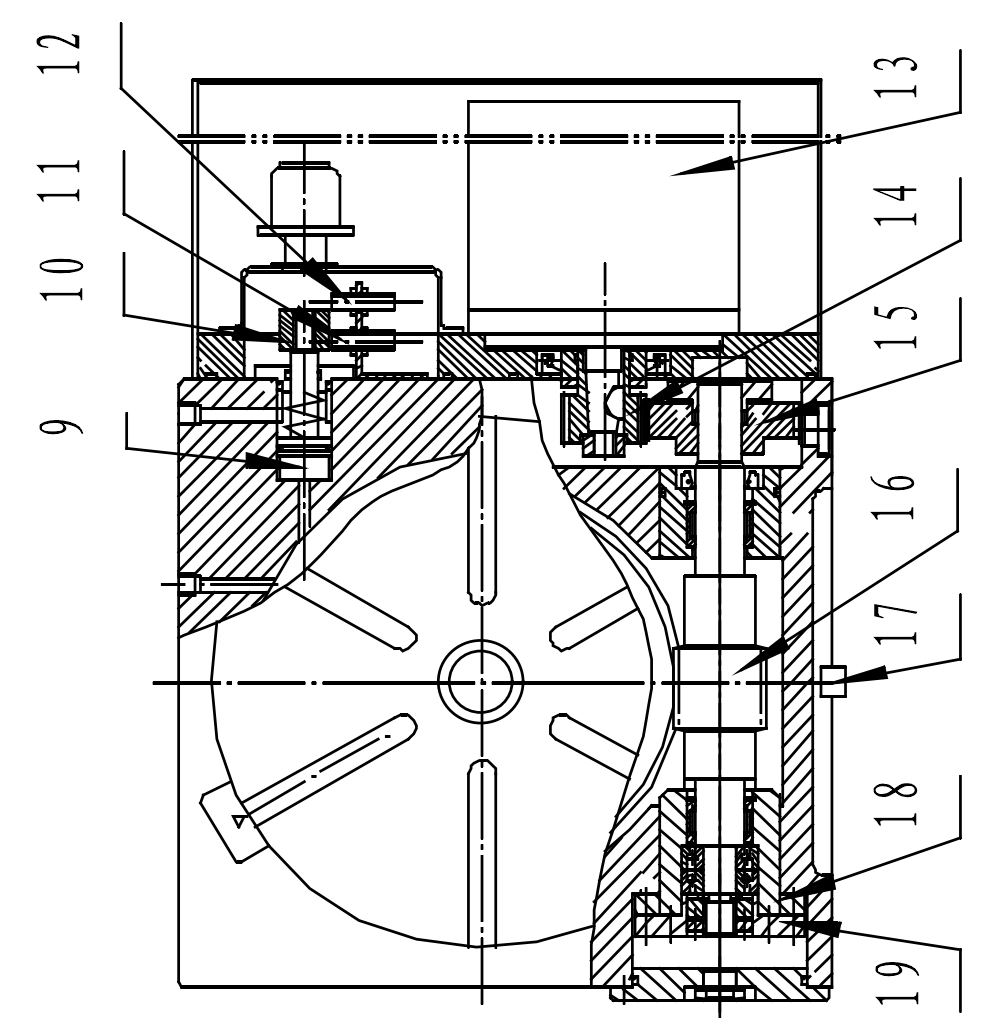
2.2 TK13250E数控转台的结构 8
2.3 TK13250E数控转台的工作原理 10
2.3.1联机前转台各部分的状态 10
2.3.2工作原理 10
2.4 传动机构的选型 12
2.4.1分析传动满足的要求 12
2.4.2传动比及传动机构的选定 12
2.5 选择伺服电机 13
2.6 本章小结 13
第三章 数控转台的三维建模 14
3.1 Pro/engineer软件简介 14
3.2 高速级齿轮的三维建模 15
3.2.1 分析齿轮的二维图形 15
3.2.2 齿轮的三维建模 16
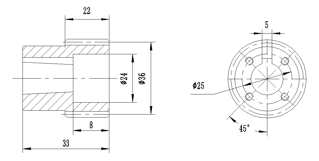
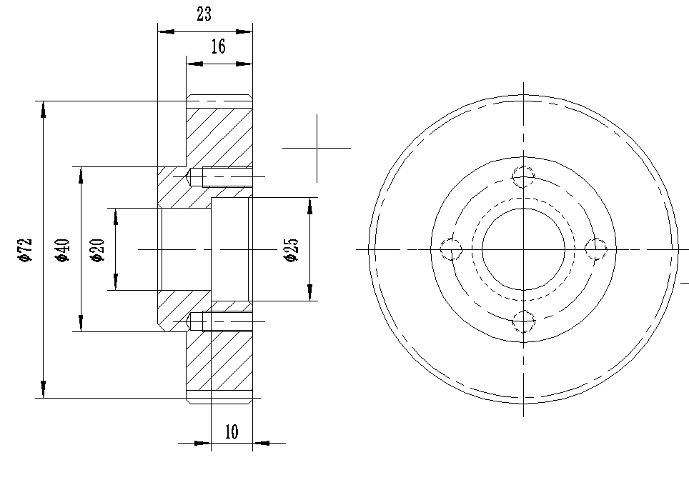
3.3 低速级蜗轮蜗杆的三维建模 18
3.3.1 蜗杆的建模过程 18
3.3.2 蜗轮的建模过程 21
3.4 本章小结 25
第四章 数控转台的静力分析 26
4.1 有限元软件ABAQUS的简介 26
4.2 有限元分析的一般过程 26
4.3 转台模型的简化 27
4.3.1 设计合理的有限元分析方案 27
4.3.2 模型的导入 27
4.3.3 ABAQUS的分析过程 27
第五章 总结与展望 32
5.1 全文总结 32
5.2 展望 32
参考文献 33
第一章 绪论
1.1课题背景及意义
随着“十二五”计划以来,国内制造业的发展取得显著的进步,各个行业对于数控机床的需求量也在持续上升。数控转台作为影响数控机床精度等的核心部件之一,其优化设计对于数控机床的改进就显得尤为重要。
随着数控转台各项关键技术的研究和创新,国产数控转台发展速度较快,但在一些关键技术和指标上还存在差距,主要包括:转台的精度保持性、动态性能稳定性、整机可靠性。为全面提升数控转台性能及产业化质量,需要开展包括精度保持性与可靠性关键技术、转台数字化设计及结构优化等关键技术的研究工作,开发立卧式转台及水平数控转台的综合性能测试平台,实现对转台完整精度测量和综合性能测试;开发的便携式测试系统对产业化的转台进行精度保持性及系统可靠性数据采样,补充和完善产品全寿命周期数据库。对产业化所起的作用:
① 可靠性实验,确保产品使用的稳定性;
② 精度保持性实验,确保产品精度的稳定性;
③ 整机的全性能检测,作为产品合格的验收平台;
④ 关键性能参数的评估,为不同类型的主机提供优化参数。
本课题通过以烟台环球机床附件厂的TK13250E系列数控转台为研究对象,TK13250E系列数控转台是各类型数控机床和加工中心的核心部件之一,该转台采用蜗轮蜗杆作为传动机构的一部分,大大提高了传动的稳定性、整机加工的精度与定位精度。本课题通过对转台的传动方案进行设计,对传动机构等的优化三维建模,以及对转台进行的有限元静力学仿真,得到合理的传动方式,对转台的关键部件进行优化设计,以提高数控转台的精度与稳定性。
1.2国内外研究现状及分析
1.2.1国外研究现状及分析
在国外数控转台技术的发展已经相当成熟,以美国、德国等众多老牌科技强国为代表,这些国家所研制的转台引领着世界转台发展的脚步,处于世界的顶尖水准,其研制的转台主要具有的优点可总结为:精度较高、稳定性好、智能化程度高、复合化等。
相关图片展示:









