八工位VDI刀盘结构设计与优化毕业论文
2020-05-28 06:58:34
摘 要
数控刀架是数控车床所有的辅助装置中的一种最常见的装置,使数控车床在装夹一次工件的情况下就完成多种加工工序,从而缩短了加工的辅助时间,减少了由于多次装夹而引起的不必要的误差,提高机床的加工效率和加工精度。数控刀架的性能直接决定了数控车床的所能加工的精度和水平等性能。刀盘是数控刀架夹持刀架和转位的基础附件之一,其结构和性能优劣是刀架整体水平的关键。国内外的数控刀架还有一些差距,因此,研究刀盘还是有一定的意义的。
本文从数控刀架的机械结构和控制结构入手,从而引出刀盘结构,然后确定需要设计的刀盘的主要参数,并通过对机床和刀座的选择确定刀盘的尺寸,对刀盘进行了简化并分析了刀盘的受力情况,最后对刀盘进行了强度刚度校核。
关键字:VDI 数控刀架 刀盘 强度
Abstract
CNC turret is CNC lathes all the auxiliary device of a most common device, NC lathe in clamping a workpiece completed a variety of machining process, so as to shorten the processing auxiliary time, reduce the unnecessary error caused due to multiple clamping, improve the machining efficiency and machining accuracy. The performance of CNC turret directly determines the accuracy and level of the CNC lathe processing. The cutter head is one of the basic accessories of the tool holder and the turning of the NC tool rest. The structure and performance of the cutter head is the key to the whole level of the tool carrier. At home and abroad, there are still some gaps between CNC turret, therefore, the study of the knife set has a certain significance.
The mechanical structure and control structure of NC turret from of which leads to the structure of the cutter disc, and then determine the need for the design of the cutter head of main parameters, and the selection of the machine tool and cutter seat, determine the size of the cutter, the cutter is simplified and the stress condition of the cutter is analyzed, the final knife disc strength and stiffness checking.
Key words: VDI numerical control cutter head strength
摘要 I
Abstract II
第一章 绪论 1
1.1 课题研究背景及意义 1
1.2 国内外数控刀架研究现状 2
1.2.1国外数控刀架研究现状 2
1.2.2 国内数控刀架研究现状 2
1.3 数控刀盘结构概述 3
1.4 本文的研究内容 4
第二章 数控刀架关键结构及刀盘设计 5
2.1 数控刀架结构分析 5
2.1.1数控刀架的机械系统 5
2.1.2数控刀架的控制系统 7
2.2 刀盘结构类型与设计 7
2.3 本章小结 7
第三章 刀盘的设计 8
3.1 确定刀盘的参数 8
3.2 确定刀盘的刀座 8
3.2.1 确定刀盘所要用到的工序 8
3.2.2 确定刀盘所要用到的刀座 9
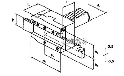
3.3 确定刀盘的直径和厚度 9
3.3.1 确定数控刀架配套的数控机床 9
3.3.2 确定刀盘的直径 10
3.4 确定装刀孔的位置和直径 10
3.5 本章小结 11
第四章 刀盘的受力分析及校核 12
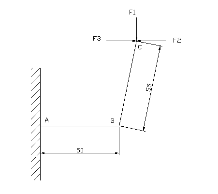
4.1 刀盘的受力分析及其模型简化 12
4.2 刀盘的强度校核 14
4.2.1确定AB段的长度 14
4.2.2确定BC段的长度 14
4.2.3刀盘的强度校核 14
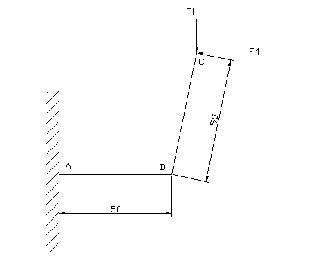
4.3 刀盘的刚度校核 18
4.4 本章小结 18
第五章 结论与展望 19
5.1 结论 19
5.2 展望 19
参考文献 20
致谢 22
第一章 绪论
1.1 课题研究背景及意义
数控技术在数控机床中的应用,成功解决了某些一致性要求高的、形状复杂的中、小批零件的自动化问题。不仅大大提高了生产效率和加工精度,还减轻了工人的劳动强度,缩短了生产准备周期[1],随着装备制造业的蓬勃发展,作为装备业母机的数控机床也在快速的发展并被大规模的应用。数控车床是金属切削机床中非常重要的一种机床,而数控车床中的关键功能部件是数控动力刀架[2],它的性能直接决定了数控车床的相关性能指标[3]。目前,在世界机床制造和机械加工领域中,复合加工技术处于关键核心地位[4]。其中,在数控车床发展过程中,研制开发出了数控车削中心目前,各主要工业发达国家正在大力发展数控车削中心,凭借其具有复合加工技术、拥有多工序加工能力,数控车削中心成为了一种极为重要的数控机床品种[5]。
目前国内从事专业刀架研发与制造的企业普遍规模偏小,这些企业对数控动力刀架的开发所投入人力和资金不够,造成这一现象的原因是数控动力刀架结构相比较其他刀架相对复杂,技术含量高,对研发人员的要求较高,加工制造难度大,此外,由于国外数控动力刀架相对发达,市场基本被国外产品长期垄断,国外的公司严格控制动力刀架设计制造技术的流出,确保动力刀架设计制造的核心技术牢牢抓在他们自己手中,这也成为了制约我国高档数控车床行业发展的瓶颈之一[6,7],同时这也造成了国内数控动力刀架的成交价格过高,产品完成交货所需要的时间较长,售后服务相对于国外滞后等一系列问题。所以研究开发具有多功能甚至全功能的数控动力刀架,在我国机床制造业的发展中起到了至关重要的作用[8]。
数控车削中心的刀架能够实现自动无级变速,这种刀架称为动力刀架。动力刀架具备主轴电机,能够通过传动机构来驱动装在刀架上的刀具主轴。动力刀架是组成数控车削中心的一种重要功能部件,在一定程度上,数控车削中心的技术水平取决于其动力刀架的性能和结构,同时数控车削中心的加工精度和生产效率等重要的参数也取决于其动力刀架的性能和结构[9],动力刀架的性能也能显示数控车削中心的设计和制造水平,因此,动力刀架的好与坏、效率高与低成为评判数控车削中心高中低档的依据之一[10]。
相关图片展示:









