300T游艇搬运车起升和转向机构液压系统设计方案毕业论文
2020-04-12 14:25:33
摘 要
随着我国经济的飞速发展,国家的大型基础设施的建设不断完善,人们的物质精神追求不断提高。在国家的港口和游艇俱乐部等场所,对于游艇搬运车的需求十分急切。而我国游艇搬运车的数量和种类不能满足港口等场所的需要,大吨位的游艇搬运车的起升机构和转向机构又是搬运车技术的关键。
本文根据市场需求,设计了一种300t游艇搬运车起升和转向机构的液压系统,阐述了起升机构和转向机构的工作原理,设计了相应的起升和转向机构液压系统,确定了液压系统的主要参数,选取了相应的元件。利用仿真软件,构建了转向液压缸仿真模型,对转向液压缸进行了受力分析。对设计的经济性和环保性进行了分析。最后,对毕业设计工作进行了总结和展望。
关键词:游艇搬运车;起升机构;转向机构;液压缸仿真;液压系统
Abstract
With the rapid development of our country’s economy, the construction of the country’s large-scale infrastructure has been continuously improved, and people’s pursuit of materialism continues to increase. In places such as the country’s ports and yacht clubs, the demand for yacht vans is very urgent. In China, the number and type of yacht vans cannot meet the needs of ports and other places. The lifting mechanism and steering mechanism of large-tonnage yacht vans are the key to van technology.
Based on the market demand, this paper designs a hydraulic system for lifting and steering mechanism of 300t yacht truck, expounds the working principle of lifting mechanism and steering mechanism, designs the corresponding hydraulic system of lifting and steering mechanism, and determines the hydraulic system. The main parameters, select the corresponding components. Using the simulation software, the simulation model of the steering hydraulic cylinder was constructed and the steering cylinder was analyzed. The economic and environmental protection of the design was analyzed. Finally, the graduation design work was summarized and prospected.
Key Words:yacht van;lifting mechanism;steering mechanism;hydraulic cylinder simulation;hydraulic system
目录
摘要 I
Abstract II
第1章 绪论 1
1.1 设计背景 1
1.2 国内外研究现状 1
1.2.1 国内研究现状 1
1.2.2国外研究现状 2
1.3 本章小结 3
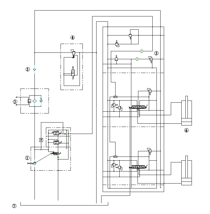
第2章 液压系统的设计和液压元件的选型 4
2.1 转向机构液压系统 4
2.1.1 转向液压系统元件选型 4
2.1.2 液压原理 14
2.2 起升机构液压系统 15
2.2.1 起升机构原理 15
2.2.2 液压马达的选取 17
2.2.3 集成块上的主要阀件 19
2.3 本章小结 22
第3章 转向液压缸受力分析 23
3.1 仿真分析的必要性 23
3.2 仿真软件的选取 23
3.3 仿真的具体步骤 23
3.4 应力云分析 24
3.4.1 对液压缸无杆腔施加力 24
3.4.2 对液压缸有杆腔施加力 27
3.5 本章小结 29
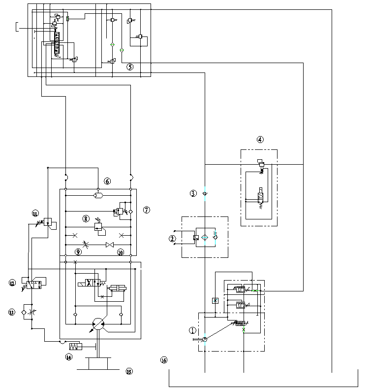
第4章 液压系统结构设计 30
4.1 集成块块体的设计 30
4.2 油箱的设计 30
4.2.1 油箱的功用 30
4.2.2 油箱的具体情况 31
4.3 管道的选择 32
4.4 液压泵站 33
4.5 液压系统性能验算 34
4.5.1 液压系统压力损失验算 34
4.5.2 系统的功率与效率 35
4.5.2 系统发热量的计算 36
4.6 本章小结 36
第5章 经济与环保性分析 37
第6章 总结与展望 38
6.1总结 38
6.2 展望 38
参考文献 39
致 谢 41
第1章 绪论
1.1 设计背景
本次毕业设计的选题是300t游艇搬运车起升和转向机构液压系统设计。作为一种游艇搬运设备的搬运车,其液压系统的设计情况,对于运输的经济性和效率具有关键性作用,是一种不可或缺的设备。由于实际需求不同,对游艇搬运车的需求也是五花八门,总体来说,在我国经济快速增长的带动下,国家基础设施建设和人们的物质精神需求也不断挺高,考虑到近些年游艇需求的增加和游艇搬运的必要性,人们对游艇搬运车的需求也越来越迫切。在港口建设、游艇生产、海上大型娱乐场所等行业中,起重和搬运系统起着十分重要的作用,作为对行业发展起辅助支撑作用的游艇搬运车行业也有了跨越式的发展。市场的爆发式发展,带动了游艇搬运车发展方向的改变,目前游艇搬运车朝着中大型、多品种、高起重力矩、高起重吨位的方向前进。
根据起吊游艇的质量不同,游艇搬运车分为三类:轻型、中型、重型。其中,轻型的起吊、搬运能力在100 t以下;中型的起吊、搬运能力在100~400 t;重型的起吊、搬运能力在400~1 000 t[1]。
从国内发展来看,国内搬运车行业生产的游艇搬运车还是中小吨位,大部分都是50t以下的,大吨位的起重系统很少,除了吨位小,性能也较差,很难满足如今市场对中大吨位游艇搬运车的爆发式需求。此外,中大吨位的游艇搬运车的机动性和作业灵活性等特点也深受业内的重视。作为游艇搬运车重要组成成分的液压系统,其液压回路的好坏对起重工作稳定性与否有着直接的影响。所以有必要对游艇搬运车液压系统进行研究。300t的游艇搬运车属于重型工程机械,其起升和转向液压系统是十分重要的液压子系统,该课题的设计正好弥补国内中大吨位游艇搬运车不足的局面,适应趋势和市场,提高国内中大吨位搬运车的市场占有率。同时,为了掌握各种液压元件和简单液压系统的基本知识,掌握液压系统设计的基本流程和方法,对300t的游艇搬运车起升机构和转向机构的设计显得十分重要。
1.2 国内外研究现状
1.2.1 国内研究现状
在国家的大力支持下,这几年我们国内的大型工程机械研究和应用取得了极大的进步,特别是搬运起升车辆。到现在来看,国内的国产大型工程机械的市场占有率不断地提高,已经走出了以前整套从国外引进的尴尬局面,各种国产大吨位的起升系统和转向系统的设计也是层出不穷。但是,认真剖析和研究,国产大型搬运车与国外相比,还有一定的差距,尤其是游艇搬运车。总体来说,国内游艇搬运车的设计理念较为落后,现有的搬运车多为支架搬运车,较大吨位的搬运车多用于煤矿行业,应用于游艇搬运的很少,应用局限性大。在起升系统的设计方面也略显不足,国内游艇搬运车多为单卷扬结构,这就导致了国内的游艇搬运车载重量偏小。作为其中关键的结构之一,液压绞车由于在绳力和绳速方面的限制,很多时候不能满足中大吨位起升的需求。因而,中大吨位的游艇搬运车,特别是100t以上的游艇搬运车设计和产品十分少,且转向机构的灵活性也较为不足,不能满足国内港口、游艇生产厂家和游艇俱乐部生产运输的需要,也不适应由于消费水平提高带来的游艇搬运车发展大型化、多样化的趋势。但是,国内近些年也有了很大的进步。
在产品方面,中冶宝钢的耿会良、曲登伟和任中立,提出并制作了一种液压悬挂与刚性悬挂相结合、机械连杆与液压动力转向相结合的大吨位搬运车设备[10]。我国生产的搬运车正逐步满足国内需求,但是发展较为缓慢。2005年,煤科总院太原研究院研制出了新型的框架式支架搬运车,为了满足国内实际情况,该搬运车在许多方面结合市场做出了创新,其性能基本可以与进口的相同机型相提并论。随后,该机构又结合现有技术,在已有机型的基础上,又研发研制出50t-100t的两种新型搬运车,弥补了国内该机型吨位上的不足,除此之外,位于连云港的天明装备有限公司,不断致力于搬运车液压管路的布局改造和搬运车的结构创新等方面,并在近几年取得了不错的研究进展,并成功研制了几种支架搬运车机型。这些都可以应用于游艇搬运车。
1.2.2国外研究现状
虽然国内近些年一直在追赶,但是国外由于工业发展较早,大型机械设备的发展历史比较长,因而在这其中发挥着重要作用的搬运车也有着很长的历史。更是由于国外消费需求更高,在游艇搬运车的研究方面,国外的设计理念从基本的框架到关键的液压系统等技术,都比国内更先进。近几年,伴随着液压传动和机电结合等理念的不断完善,以及各种优异性能的新型材料的研发兴起,游艇搬运车的液压起重系统正在不断进步和完善,总体向着高性能、高质量、大型化、多用化、节能化发展。
就欧洲来说,欧洲企业着重于技术的研发,尤其是液压搬运车的闭式系统研究,其中德国的利勃海尔集团在大吨位起重系统中处于领先地位,能够掌握许多闭式液压系统的关键技术便是十分重要的原因。它们偏重于技术方面的领先,为了使搬运车等起重设备得到极大的性能提升,为了使自己的产品处于国际一流水平,利勃海尔集团成功的将包括压力控制等技术应用到了自己搬运车的闭式液压系统中。这一系列的研究,帮助利勃海尔在国际上成为闭式系统研发的标杆。在这标杆的带领下,德国在液压系统的研发方面独树一帜,德国的许多企业也在不断创新,其中该国的特雷克斯公司另辟蹊径,将搬运车等产品中的回转机构设计成闭式系统,其余较为关键的子液压系统,譬如起升系统等等,则采用了开式液压系统,也研制成功了一系列成熟的产品。基于上述研究和技术,国外的游艇搬运车技术更完善,种类和吨位更加多样。
1.3 本章小结
本章作为本论文的开篇,阐述了本课题的设计背景和300t游艇搬运车以及其转向系统和起升系统等在国内外的研究状况。阐明了国内目前游艇搬运车的起升和转向等液压系统的设计不足,并对自己的设计课题进行了简单交代。
第2章 液压系统的设计和液压元件的选型
2.1 转向机构液压系统
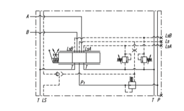
2.1.1 转向液压系统元件选型
1)转向液压缸的选型
转向机构液压回路设计参数如表2.1。
以上是毕业论文大纲或资料介绍,该课题完整毕业论文、开题报告、任务书、程序设计、图纸设计等资料请添加微信获取,微信号:bysjorg。
相关图片展示:









