基于模糊控制方法的智能型大型风电场应用技术研究毕业论文
2020-04-10 16:41:20
摘 要
本文介绍了国内外风力发电现状,并对风力发电技术和模糊控制进行了综述,在分析风力发电机组各组成部分的基础上,采用机理建模的方法建立了风力发电机组模型。在介绍模糊控制理论、模糊控制器、模糊控制系统和模糊控制算法后,针对变速变桨风力发电机组设计了模糊PID控制器,并与常规PID控制器进行仿真对比,结果表明模糊PID控制器比常规PID控制器的控制性能更好,将模糊控制方法应用于风电场系统控制,可以获得更好地控制效果,提高风电场供电品质。最后对风电场和模糊控制应用的环境影响与经济性进行了分析。
关键词:模糊控制;风电场;系统仿真;智能控制
Abstract
This paper introduces the current situation of wind power generation at home and abroad, and summarizes the wind power generation technology and fuzzy control. Based on the analysis of various components of wind turbines, a wind turbine model is established using the method of mechanism modeling. After introducing the fuzzy control theory, fuzzy controller, fuzzy control system and fuzzy control algorithm, a fuzzy PID controller was designed for the variable-speed variable-pitch wind turbine generator and compared with conventional PID controller. The result shows that fuzzy PID controller has better control performance than conventional PID controller. Applying the fuzzy control method to wind farm system can obtain better control effect and improve the power supply quality of the wind farm. Finally, the environmental impact and economy of wind farms and fuzzy control applications are analyzed.
Key Words:fuzzy control;wind farm;system simulation;intelligent control
目 录
第1章 绪论 1
1.1 课题研究背景 1
1.2 目的和意义 2
1.3 国内外风力发电现状 2
1.3.1 国外风力发电现状 2
1.3.2 国内风力发电现状 4
1.4 风力发电技术现状 5
1.5 模糊控制发展现状 6
1.6 本文主要研究内容 7
第2章 风力发电机组建模 8
2.1 风力发电机组的数学模型 8
2.1.1 风速模型 8
2.1.2 风轮模型 10
2.1.3 传动系统模型 11
2.1.4 发电机模型 12
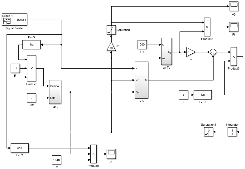
2.2 MATLAB建模 12
2.3 本章小结 15
第3章 模糊控制方法 16
3.1 模糊控制理论 16
3.2 模糊控制器 17
3.3 模糊控制系统 17
3.4 模糊控制算法 18
3.5 风力发电机组的模糊控制设计 19
3.6 仿真结果分析 25
3.7 本章小结 26
第4章 环境影响及经济性分析 27
4.1 环境影响 27
4.1.1 有利影响 27
4.1.2 不利影响 27
4.2 经济性分析 28
第5章 总结与展望 29
参考文献 30
附录A 32
致谢 34
第1章 绪论
1.1 课题研究背景
自古以来,人类社会的存在和发展一直依赖于能源。在过去的两个世纪里,基于煤、石油、天然气等化石燃料的能源体系很大程度地促进了人类社会的发展。如今,电能已是最常用的能源之一,其八成以上由化石燃料所提供[1]。随着人类物质和精神生活的不断改善,人们逐渐意识到化石燃料的大规模使用会产生严重的问题,包括:环境污染、资源枯竭,以及因能源争夺而导致的许多国家和地区之间的政治、经济争端。新能源和可再生能源的发展是人类应对环境问题、资源问题以及气候问题,实现人与自然和谐共处、和谐发展的关键。人类必须尽快寻找出一种可持续、环保、安全的能源系统。
地球表面因太阳辐射而不同程度地受热,造成大气压力分布不均匀,从而导致空气流动,这就产生了风能。风能作为目前新型清洁能源系统的重要组成部分,是一种环境友好、可持续、无污染、可再生的自然能源,具备大规模的开发和利用前景。如今,风能的使用已成为可再生能源中相对成熟的技术,风能或将在能源结构的革新中发挥出重要作用。
风力发电是一种利用风能的主要形式。风力发电时,当风速高于额定风速,考虑到风力发电机组本身有限的机械强度和电网对风电质量的要求,风力发电机组的输出功率需要在额定功率附近稳定,这也就是功率控制。功率控制方法通常可分为两种,包括定桨距控制和变桨距控制[2]。对于定桨距控制,风力发电机组的功率调节基本取决于叶片的空气动力特性,当风速高于额定风速,叶片结构设计会产生失速效应从而减小输出功率,但另一方面,由于失速点的存在,一般失速后输出功率都会低于额定功率,风力发电机组在失速后很难保持稳定的输出功率;而对于变桨距控制,当风速发生变化,桨叶节距角会逐渐调整,从而可以使风力发电机组的输出功率稳定。
一直以来,各类传统的控制方法都需要基于受控对象的精确数学模型,但是随着控制系统逐渐变得复杂、庞大,构建一个精确的数学模型将变得非常困难。在以往的工程实践中,人们注意到一个错综复杂的控制系统可通过具有多年丰富实践经验的操作员来控制,并且能够取得不错的控制效果。这表明可以通过模拟人脑的思维方式设计一个控制器用来控制复杂系统,模糊控制的概念由此产生[3]。1965年,美国自动控制理论专家Zadeh A首先提出了可以用模糊集合来描述客观世界中存在的不确定性信息。随后,模糊控制理论发展迅速并得到广泛的应用。如今,模糊控制理论不断完善,模糊控制技术也更加成熟,模糊控制作为智能控制的重要组成,在电力电子系统、机械电气控制等方面已发挥出重大作用,成功解决了很多以往棘手的控制问题。
1.2 目的和意义
如今,人们已越来越重视风电利用,并网系统中风电场的容量也在逐渐提高,同时也对供电的电力调度、供电品质提出了更高的要求。近年来,风力发电机组的单机容量不断增加,风力发电机组的风电品质要求越来越高,采用变速变桨距风力发电机组已成为一大趋势。另一方面,由于风能的间歇性和不确定性,风力发电机组产生的功率不稳定,这会影响到风电电压,造成风电场电压波动,最终会降低电网的无功能力,风力发电机组的功率控制已成为关键。
因此,为了更好地稳定风电场的电压,解决风电场无功功率不足等问题,本文提出将模糊控制技术应用于风电场。通过建立风力发电机组模型和设计模糊PID控制器、模糊PID控制系统,并与常规PID控制进行仿真对比,验证模糊控制的控制性能更好,可以更有效地实现风电场系统控制。
1.3 国内外风力发电现状
1.3.1 国外风力发电现状
风力发电中,美国、英国、丹麦、德国、荷兰和印度是几个主要的发展比较早的国家,全球风力发电装机容量的83%以上分布在德国、美国、丹麦、印度和西班牙这五个国家[4]。自上世纪30年代,以美国、丹麦、法国、英国和德国为代表的国家已着手研制技术要求较高、结构相对复杂的大中型风力发电机组。在上世纪30年代初到60年代末的这段期间,风力发电处于徘徊期,尤其是在60年代初期,由于当时风力发电的稳定性和初期投资情况与火力发电相比较差,加上石油价格下跌,风力发电研究停滞不前。随后,火力发电带来的环境问题日趋明显,化石能源日益枯竭,可再生能源逐渐得到关注,尤其是清洁、环保的风能。1973年秋天,全球石油危机爆发,在此之后,风力发电经过了数十年的研究,风电技术取得了飞速发展,风力发电也得到了广泛应用。
全球首个采用风力发电的国家是丹麦,全球第一座风力发电试验站在1891年由丹麦的P.L.Cour教授设计完成,它的供电采用的是蓄电池充放电技术,在取得成功后得到广泛应用[5]。截止1910年,丹麦国内的风力发电量已达到全国总发电量的25%,并且在这十多年间,丹麦建成了100个容量5kW-25kW的风力发电站。
全球风力发电规模最大的国家是德国,早在1990年,德国就开始使用风力发电,风能对于德国而言是除水力发电外最主要的可再生能源。德国一直关注风力发电技术的研究,风力发电水平也在逐年提高,一方面一定程度上解决了国内供电需求,另一方面保护了环境,有利于减轻温室效应。截止2004年,德国就已建立了1200多台发电风车,总装机容量超过2×106kW,位于全球第一。此后,德国拥有了全球最大的风电装机容量,极大地促进了德国风力发电的发展[6]。德国电力供应中,风力发电已占2.5%,如果近海风力发电发展顺利,预计到2020年,该比例将提高到3.5%。
据有关报告,每年的全球风能资源约有53万亿千瓦时,是2020年全球电力供应需求的两倍。如今,风力发电成本日益降低,风力发电技术不断成熟,风力发电已拥有规模性发展的条件。自上世纪末以来,全球累计风电装机容量已持续十多年增长率超过20%,平均增长率已达28.35%。预计到2020年,全球累计风电装机容量仍可保持年均20%左右的增长速度。到2020年,风电装机容量将达到12.6亿千瓦,风力发电量将达到3.1万亿千瓦时,占总发电量的12%[7]。到2040年,风电将占世界总发电量的23%。2018年全球风电行业现状年度报告上,全球风能理事会(GWEC)表示,截止去年底,全球风电装机容量达到539GW,同去年相比增长11%[8]。预计到2022年,全球累计风电装机容量将达到840GW。如图1.1所示。

图1.1 2011-2017年全球累计风电装机容量
1.3.2 国内风力发电现状
我国目前已探明的煤储量占全球总储量的11%,石油储量占2.4%,天然气储量占1.2%,但我国人口数量多,占全球总人口的五分之一,能源相对匮乏,人均能源占有量还不足世界平均水平的一半,其中石油更是只有十分之一。我国煤剩余可采储量不到一百年,人均石油和天然气剩余可采储量都位于世界第40位之后,并且开采挖掘环境越来越差,成本也在不断上升;另一方面,我国如今已成为全球第二大能源消费国,八成左右的温室气体排放是我国能源消耗所产生的二氧化碳,并且我国不断增加的能源消耗量带来的温室气体排放量增加已经受到了全球的关注,尽管我国人均温室气体排放量相对较低。目前,我国的温室气体排放量是全球第二位,低于美国,但是国际能源组织预测,2030年左右,我国或许会超过美国,成为全球温室气体排放量最大的国家。我国已签署世界环境与发展大会的《联合国气候变化框架公约》,有责任降低其温室气体排放的增长速度。为了实践可持续发展战略,我国需要高度重视温室气体排放,加强新能源的研发与利用。
我国土地广阔,陆地边界长达20000多公里,海岸线长达18000多公里。风能资源丰富,内陆可开发的风能资源达到253GW,海洋的风能资源更是接近1000GW[9,10]。其中,我国东南沿海地区、西北川藏地区、青藏高原地区、华北和东北北部等地区风能资源非常丰富,这主要是因为海陆风和大气流动的影响。据有关资料显示,我国超过1%的土地总面积年平均风速已达到6m/s,拥有的风能资源全球排名第三,仅次于美国和俄罗斯。利用风能资源,不仅仅有益于优化我国电力系统结构,减少火力发电带来的环境污染问题,减轻温室效益,而且有益于减小我国能源消耗的压力,降低对进口能源的依赖。发展可持续、清洁无污染、安全可靠的新能源系统已是大势所趋,重视发展风力发电对我国而言具有十分重大且长远的意义。
改革开放以来,我国科学技术研发得到重视,风力发电技术发展迅速,尤其是近几年来,我国大中型风力发电机组的技术研究取得了突破性进展。2009年,我国新增的风力发电项目和发电能力就已经位居世界第一,2010年至2012年,共有20个风力发电站陆续建设并投入使用,值得一提的是,这20个风力发电组站的发电量均超过100MW,这些年来我国风力发电一直维持在较高的发展水平。我国已经制定了详细的风力发电计划,预计到2020年,风力发电量将提高到1.6亿kW左右。根据有关数据,我国具有至少10亿kW的风力发电潜质[11],这也就是说,我国的风力发电不仅发展水平逐年提高,而且发展前景相当优良。
如今,我国已逐渐加大对新能源发展的支持力度,在风电产业的发展中,也尽可能地给予政策照顾和财政补助,因此目前国内风电产业的发展一片繁荣,发展速度越来越快,发展范围也越来越广泛,可以说发展前景非常好。据估计,到2020年,风力发电将成为我国电力体系的重要组成部分。另外,鉴于小型风电场建设和低风速风资源开发的重要性,海上发电已成为当前风能发电的新生力量[12],并且它还在一定程度上决定了我国未来风电产业的发展速度。根据我国沿海地区的规划,我国海上风电装机容量有望在2020年达到32800MW[13]。
1.4 风力发电技术现状
风力发电技术是指利用风力发电机将风能变为电能的技术,它的基本原理是先利用风轮将风力的动能转化为机械能,然后由风力发电机及其控制系统再将机械能转化为电能。
20世纪初期,北欧出现了第一批现代风力发电机,然而直到20世纪80年代,人们才逐渐完成对风力发电机组的电气控制。近年来,风电产业得到快速发展和提升,技术方面逐渐成熟,研发开始走向应用,许多国家陆续推出可持续发展新能源的激励政策,有效激发了风电产业的活力[14]。目前,全球风电产业发展繁荣,发展前景一片大好。其中,美国依靠其先进的科学技术水平、创新的激励政策和丰厚的资金支持,已经成为了利用风能的代表性地区。在美国,超过60%的州已经开始利用风能,总的风电装机容量可为160万户家庭供电[15]。
美国的工业巨头通用电气(GE)研发了具有最新的功率变流器结构的风力发电机,在控制系统上采用了动态无功控制(Wind-VAR),这一控制系统为电网提供无功补偿并能保持电压稳定。欧洲各国在不断加强全功率变流并网技术的研发,并已经投入使用,很大程度上扩大了风能的利用面,有效提高供电品质。西班牙国内大量使用配备了中速齿轮箱、永磁同步发电机和全功率变流器的风力发电机组,可以降低机组的运行功率,明显提升利用率;此外,部分风力发电机组还配备了多变量的控制系统,能够与叶片变桨距调节适应,减少机组负荷,延长使用寿命。
衡量风力发电技术的发展情况,可以从控制系统和运行系统这两方面分析,往往将风力发电系统分成恒速恒频和变速恒频。在风力发电发展初期,恒速恒频风力发电机使用的较多,不过它采取的是定桨距角的控制方式,这会导致风能利用率偏低的问题,已达不到现在风电产业发展的要求。而变速恒频系统采用的是脉宽调制的控制方式,既可以提升风能的利用率,又能够延长开关的使用寿命。
近年来,风力发电得到了进一步推广,在实际应用中,风力发电技术也不断完善。一方面,单机容量小的风力发电机逐渐被淘汰,单机容量在不断增大[16]。另一方面,考虑到陆地资源有限,而风力发电场往往占地面积较大,所以海上风电场开始兴起。此外,变速发电机组渐渐取代恒速发电机组,长叶片高塔筒渐渐取代小叶片低塔筒,直驱永磁式渐渐取代齿轮箱。
风能具有随机性和不确定性,所以风力发电场实际上很难满足电网对供电品质的要求。因此,在未来风力发电的规划中,应结合风能资源特点、风电场发电特性、电网供电要求,关注风电场控制系统设计,提高风电品质,使风电场发电能力与电网要求相匹配。
1.5 模糊控制发展现状
模糊控制(fuzzy control)是基于模糊集理论、模糊语言变量和模糊逻辑推理的一种智能控制方法[17]。1974年,Mamdani E H首次将模糊控制器应用于锅炉与汽轮机的运行控制,并在实验室里获得了不错的控制效果,这标志着模糊控制的诞生。1977年,模糊控制首次被应用于多变量控制系统中[18]。上世纪80年代后期,模糊控制的应用范围得到推广,在食品、医疗等行业也逐渐可以看到模糊控制的身影[19]。如今,模糊控制理论逐渐完善,模糊控制技术发展迅速,模糊控制得到了越来越多的应用,特别在电气控制、电力系统等方面,模糊控制解决了许多工程实际的难题,越来越多的工程技术人员开始学习研究模糊控制。
模糊控制主要经历了以下三个发展阶段:
(1)阶段一:基本模糊控制器。通常所说的Mamdani型模糊控制器就是基本模糊控制器,它具有许多可以调整修改的参数,主要包括量化因子、比例因子、隶属度函数和模糊控制算法,其中隶属度函数和模糊控制算法是比较难以确定的,而且通常其适用的过程具有特定性。
(2)阶段二:自组织模糊控制器。人们在实际操作中发现,基本模糊控制器的模糊控制算法需要多次的调整、试验才能确定,需要大量的时间精力,而且往往效果不是很满意,由此自组织模糊控制器被提出。自组织模糊控制器能够在运行时自动地调整、改进模糊控制算法,最终获得满意的控制效果。并且,自组织模糊控制器可以生成基本模糊控制的模糊控制规则表,用来建立和完善基本模糊控制器的模糊控制算法[20]。
(3)阶段三:智能模糊控制器。虽然自组织模糊控制器相比于基本模糊控制器,在建立模糊控制规则方面进行了优化设计,但是这两者在应用方面都没有和其他的控制算法相结合,所以都是单纯的模糊控制器。想要大幅提高模糊控制系统的性能,就需要将模糊控制与其他控制方法相结合,这就产生了智能模糊控制器[21]。智能模糊控制器经常与PID控制、自适应控制、专家控制、神经网络控制、预测与预见控制遗传算法等相结合,主要有自适应模糊控制器、自学习模糊控制器、自整定模糊控制器几种。
如今,越来越多的模糊概念需要被用到,比如“几乎等于0的数”、“极小的一个数”,更多的人开始关注学习模糊控制理论。模糊控制理论在不断地得到完善,模糊控制技术也逐渐从研究走向了应用,模糊控制的应用范围越来越广,包括工业控制、食品加工、医疗产品、航空航天、家用电器等领域。此外,还出现了模糊单片机这一类的专用芯片。因为模糊控制适用范围广、鲁棒性强、适应性强等优点,加之其不断完善的理论和快速发展的技术,模糊控制的发展前景会很广阔。
1.6 本文主要研究内容
近年来,人们对能源的需求量大幅增加,风力发电发展迅速,风电场的电力稳定性逐渐被重视。主流风力发电机组已达到兆瓦级,并且风力发电机组的单机容量还在不断增大。此外,失速型风力发电机组也将逐渐被变速变桨型风力发电机组取代。本文以变速变桨风力发电机组为研究对象,设计了模糊PID控制器,通过MATLAB仿真工具与常规PID控制器进行控制性能的比较分析。具体所做工作内容如下:
以上是毕业论文大纲或资料介绍,该课题完整毕业论文、开题报告、任务书、程序设计、图纸设计等资料请添加微信获取,微信号:bysjorg。
相关图片展示:









