基于Creo平台的MQ1630门座起重机均衡梁结构设计毕业论文
2020-02-19 19:23:04
摘 要
:现代工业伴随着国际贸易的繁荣,港口运输产业有了急速增长,对我国港口装卸机械也提出了更高的要求,极大推动了港口起重机械的发展,门座起重机作为码头的专用机械设备,因自身高效的作业能力,低成本建设费用,灵活机动性高,通用性强等优点,被广泛用于港口,码头的货物装卸,其研究和发展将经济贸易交流和现代工业发展起到尤为关键的作用。
本课题选取的对象为MQ1630门座起重机,描述该类型起重机的总体设计,对刚性四连杆进行优化找点。此外对原运行机构中的均衡梁结构进行了改进和优化,提出初步设计方案,并基于Creo平台和Ansys软件对均衡梁结构进行仿真和分析。仿真结论表明,该设计方案能满足MQ1630门座起重机的正常使用和生产要求,取得预期效果。
关键词:门座起重机,运行机构,三维建模,载荷计算。
Abstract
International trade has led to the rapid growth of port transport in China, and promoted the development of port cranes. The rapid development of modern industry and the fierce competition of international trade have put forward higher requirements for port handling machinery. Portal crane, as a special mechanical equipment for wharf, is widely used in port and wharf cargo handling because of its high efficiency, low cost, flexible, versatility and other advantages. Its research and development will play a vital role in the development of national economy and industry.
This paper takes the MQ1630 portal crane as an example, which describes the general design process of this kind of crane, and finds the optimum points for the rigid four-link crane. In addition, the structure of balanced beam in the original operating mechanism was improved and optimized, and the preliminary design scheme was proposed. The structure of balanced beam was simulated and analyzed based on Creo platform and ANSYS. The simulation The results show that the design scheme can meet the normal use and production requirements of MQ1630 portal crane and achieve the desired results.
Keyword:Portal Crane,Travelling mechanism,3D modeling,Load calculation
目录
第一章 绪论 1
1.1课题研究的目的及意义 1
1.2主要研究内容 2
第二章 总体设计方案 3
2.1主要技术参数 3
2.2确定主要工作机构的形式与金属结构 4
2.2.1各机构的主要形式 4
2.2.2金属结构选型 8
2.3总体设计原则 11
2.4确定臂架机构的主要尺寸 11
2.5货物水平位移补偿系统设计 12
2.6臂架自重平衡系统设计 15
第三章 大车运行支承机构的设计 18
3.1 概述 18
3.1.1大车运行机构的组成 18
3.1.2原均衡梁设计方案分析 19
3.1.3改进措施 20
3.3.4确定均衡梁设计方案 20
3.3.5技术路线 21
3.2均衡梁强度验算 22
3.2.1八轮均衡梁强度验算 22
3.2.2四轮均衡梁强度验算 23
3.3 Ansys有限元分析 24
3.3.1概述 24
3.3.2八轮均衡梁有限元分析 24
3.3.3四轮均衡梁有限元分析 25
3.3.4改进后的应力云图 26
3.3.5工程图导出 29
3.3.6本章小结 30
第四章 结论 31
4.1工作总结 31
4.2本次设计存在的不足与反思 32
4.3 本次设计中的体会 32
致谢 33
参考文献 34
第一章 绪论
1.1.课题研究的目的及意义
近年来,国际贸易增长量呈现不断增长的趋势,各国经济贸易交流愈加频繁,货物的种类及交易量也在逐年增加,现代工业的快速发展和国际贸易的激烈竞争对港口装卸机械提出了更高的要求,因此对港口装卸起重机的研究势在必行。
目前国内具有起重机制造资质的单位较多,具有较强的起重机制造技术,特别是小吨位起重机设计制造已具有国际一流水平,但在大型起重机设计领域还存在相当大的差距,主要有两点:一是缺乏核心部件的制造能力,二是国内制造工艺水平不能满足设计要求,加工工艺和精度不够成熟,由于只注重功能性,导致研发周期短,相应的细节设计存在较多欠缺。
如今随着科技的发展和工业水平的提高,起重机设计领域的发展趋势是,向实现大型化,高速化,专业化目标迈进,使得港口更具有功能性,经济性,可靠性和安全性,同时在上述的基础上向自动化,智能化,数字化方向发展,使港口机械的设计和性能更加提升,完善设计过程中的设计计算方法。
根据研究数据表明,在发生的300多起起重机事故中 高空货物坠落和整机倒塌最为严重,占了事故总量的45.7%,将近一半,而整机倒塌的事故占25%,四分之一之多,这两种事故类型占了总事故的四分之三。这表明在起重机设计中,细节方面如果没有做到位,很容易造成安全隐患,影响港口正常作业,造成难以估量的损失,本课题以MQ1630门座起重机为对象,对小车均衡梁结构进行细节上的改进,最大限度保证该机型小车运行机构的正常运行。
1.2.主要研究内容
本课题以港口码头装卸专用设备MQ1630门座起重机为研究对象,结合三维设计软件Creo和工程分析软件Ansys workbench等,对运均衡梁结构进行仿真设计和分析。
具体研究内容如下:
(1)进行MQ1630门座起重机的总体设计计算,根据已知主要参数确定该起重机的总体布置,完成货物水平位移补偿系统和臂架自重平衡系统的设计,关键步骤是对刚性四连杆门座起重机进行优化找点,确定合理的臂架系统和自重平衡系统的几何尺寸。
(2)对照原设计方案进行改进和优化,提出MQ1630起重机均衡梁设计方案,构建该结构的三维模型,并完成该结构的计算和可行性分析。
(3)利用Creo软件对均衡梁进行三维建模,并通过Ansys workbench进行强度,刚度,稳定性校核,分析该方案的可行性。
(4)绘制总体设计图一张(A1),利用Creo导出工程图并在Creo中标注,绘制均衡梁施工图两张(A1)
第二章 总体设计方案
2.1主要技术参数
门座起重机的主要技术参数是衡量起重机工作性能关键指标,也是设计和选用起重机的重要依据。本次课题对象MQ1630门座起重机主要技术参数如表所示。
表2.1 主要性能参数表

本次设计的MQ1630门座起重机属于臂架型门座起重机,主要由钢结构,起升机构,变幅机构,回转机构,小车运行机构,吊具装置,电气设备以及安全辅助设备组成。钢丝绳缠绕系统中,一般采用补偿滑轮钢丝绳或补偿卷筒钢丝缠绕系统。主体钢结构由臂架,人字架,回转平台以及门架组成。
2.2确定主要工作机构的形式与金属结构
2.2.1各机构的主要形式
起升机构是对货物进行起降的机构,主要由取物装置,传动装置,卷绕装置,驱动装置等组成,作为起重机功能的重要部分,承担着吊载货物的功能,该机构的工作性能将决定起重机实际工作效率。
工作原理:工作时,通过改变电动机的转向,让卷筒把钢丝绳卷入或放出,钢丝绳滑轮组启动后对吊钩上的货物进行垂直运送,运行过程停止时,通过制动器的作用,将货物以及吊钩悬停在半空的某一确定位置。
减速器与卷筒联的方式采用联轴器相连接,
电动机与卷筒并列布置,采用双联卷筒。
本课题选用的是双联钢丝绳卷绕系统:

图2.1 起升驱动机构

图2-2 滑轮组补偿钢丝绳卷绕形式
回转机构是将货物沿着水平方向进行运送,绕着回绕中心线实现水平面式转动,也是同起升机构一样,作为此类型起重机的重要工作部分。
回转支承装置和回转驱动装置两部分组成了回转机构,回转支承装置主要分为柱式和转盘式两大类,该装置的基本作用是确定起重机回转机构的运动形式,受力方面主要承受作用于机构本身的垂直方向载荷,来自水平方向的力,以及防止这部分发生倾倒而受到的力矩,使得支撑更加稳定,保障了起重机的正常生产和工作。
本次课题设计中,对回转支撑装置的形式,结合实践参数,选取了滚动轴承回转装置,为外啮合回转支承,开式齿轮。这种机构尺寸紧凑,性能完善,保证了轴承装置的正常工作。

图2.3 回转机构布置图
1-电机;2-上箱体;3-制动器;4-极限力矩联轴器;5-减速器;6-回转支承

图2.4俯视图
1-回转锁定装置;2-制动操作系统;3-回转支承;4-回转驱动装置
变幅装置是改变起重机幅度和起升高度的机构,它是臂架型起重机的主要工作机构,有工作性与非工作性状态之分。
工作原理:工作性变幅时,为了增大实际工作范围,需要对幅度进行一定程度的改变,使得所吊取的货载,绕着起重机主体部分,做垂直于作业范围沿着轴心线的方向运动。而在非工作性变幅中,首先要使得由于在起升过程产生的倾覆力矩不能超过额定要求,还可根据实际货物的起运输送路线,合理调整吊运装置的工作方位和运行路线。
臂架系统和变幅驱动系统组成变幅机构的主要装置。当吊运过程中起重机的幅度发生实时改变,会把这个过程的承受的外载传递给驱动装置。变幅驱动装置由传动装置,安全辅助装置组成,为臂架系统的运动提供动力。
本次设计采用了齿轮齿条传动。

图2.5 变幅机构示意图
1-变频电机;2-高速轴齿形联轴器;3-浮动轴;4-盘式制动器;5-高速轴带制动盘联轴器;
6-减速器;7-低速轴齿形联轴器;8-齿条支承摇架;9-齿条
运行机构是使起重机或起重小车做水平位移的机构,本次课题主要围绕大车运行机构,用于货物的水平运输和工作方位的调整。
运行机构一般由运行支承装置,运行驱动装置和运行安全装置三部分组成。本次运行机构是有轨支承形式,有轨运行支承装置主要由均衡装置,车轮,轨道等组成,均衡装置是为了使同一支承点下的所有车轮受力均匀,实际上是一个杠杆系统。均衡梁装置主要由均衡梁,平衡台车及销轴等组成,均衡梁是为了平衡轮压而设置的连接梁,平衡台车是装有车轮并通过铰接使轮压均匀的支承装置,均衡梁与平衡台车之间及均衡梁之间的连接均采用水平销轴,允许由相对摆动。运行驱动装置为小车沿轨道运行提供动力。运行机构的设计过程中,驱动轮必须达到车轮总数的二分之一。
本次设计主体MQ1630门座起重机运行机构车轮总数为16,其中八个为主驱动轮,驱动方式为分别驱动,轨道采用P50。的轨道型号为P50,采用了圆锥圆柱齿轮减速器,全惯性制动器,开式齿轮传动。其运行机构简图如下:

图2-6 运行机构
2.2.2金属结构选型
起重机的金属结构作为支撑起主体部分的基本框架,确定了主要的机械结构形式,承受了来自本身机构的重力,电力驱动装置,吊载的货物重力,以及在实际工作中受到的各种各样的载荷。起重机结构的基本构件根据其受力和外形尺寸进行分类,通常有格构式、实腹式,混合式的等几种基本结构型式。
格构式构件是一种受力较小,尺寸较大的情况下采用的杆系结构型式,主要由型钢、钢管,组合截面杆件相互连接而成;实腹式构件则相反,用于受载较大,而尺寸较小的形式。混合式构件常采用杆系结构与实腹结构相结合的形式,当结构的实际工作条件不好确定,或是受力大小与尺寸相对适中的情况下,采用这种金属形式保证整体结构的稳定。
一般金属结构通常采用焊接连接方式,此外还有铆接连接和螺栓连接两种形式,但焊接连接形式的优点在于其加工方便,也不会像其他那两种连接方式一样,给机构增加额外不必要的重量或是影响结构界面的受力状态,导致其承载能力大大下降,因此现代工业制造过程中,除了一些特定情况,如设备的安装过程以及需要经常维修拆卸的场合,最好能用焊接方式进行连接。可以说现代制造过程中,焊接工艺是非常重要的一环,焊缝加工工艺也能代表着其制造水平和工艺水平,本文后面也通过结构的载荷分析,论证了焊缝强度对结构的重要影响。
(1)臂架系统
臂架是起重机主要承受各类型外载荷以及货物载荷的主要机构,其结构上的强度,刚度,稳定性将直接影响工作性能以及起重机在各种工况下的稳定性,它的设计一般都要根据该起重机在什么样的工作情况下运行,根据多方面考量来确定设计成单臂架或是组合臂架的形式。
单臂架系统按照变幅机构驱动形式的不同可以分为刚性传动变幅的单臂架和柔性拉索变幅的单臂架。前者采用高强度管子制成三角形或矩形截面的大杆桁架结构,或者由变截面箱形梁组成臂架;臂架没有臂架平衡装置,变幅钢丝绳固定于臂架头部,依靠柔性拉索的收缩与放出实现臂架的俯仰。
本文所设计机型为组合臂架结构起重机,变幅为刚性传动变幅,即采用齿条变幅。
(2)人字架与回转平台
本文中人字架采用桁架式结构,上横梁位于两侧竖直立柱和斜立柱的交汇处。其上设置对重平衡梁支座,侧面安装补偿滑轮组定滑轮,这部分的意义在于由平衡梁承担掉对重压力。人字架中部安装有变幅装置,其意义在于承担重力与齿条力。人字架根部与立柱连接,通过立柱把上部载荷和传递导转台。
为保证转台的强度,一般用两根主梁和一些横梁组成整个焊接而成的系统,以便为人字架、臂架以及上部自重提供稳定的支承。
(3)机器房
机器房整体上采用全封闭结构,为保证安全性,在顶盖设置了通风口,防止室内温度过高时,及时通风,降低温度,顶部安装了抽风机,同时还需要留有电源检修箱,以及发生火情时所必备的消防设备,结构上主要用钢板拼接而成,由多种类型的钢材组成整体架构。
(4)司机室
司机室一般布置在转台水平面方向上,外壁用钢板焊接而成,空间较大。专业人员在司机室对起重机进行操作,具备座椅,操作台,参数仪表,空调和与外界实时联系的通讯设备等。由于是露天作业,人员须在当中进行长时间的工作,故要求司机室要良好而舒适,视野宽阔,光照充足,在遭遇雨水情况时,要有良好的密封性,设计上要以人为本,尽可能为操作人员提供较好的工作环境。
(5)圆筒门架
圆筒门架是由钢板焊接而成,基本组成部分有圆筒体,门架主梁,门架端梁。。门架部分主要是用于设置一些必要的设施,如防风拉索铰点,维修平台,爬梯,扶手,安装电缆,警铃之用。

图2.7 圆筒门架结构简图
1-防风拉索连接铰点;2-连接支座;3-主梁;4-圆筒;5-接油盘;6-门;7-端梁
2.3总体设计原则
MQ1630门座起重机作为臂架型起重机,须实现工作性变幅,也就是带载变幅。当起重机进行变幅时,臂架自重和起升载荷产生相应势能变化,从而引起不必要的变幅阻力。
这一情况将导致摆动臂架式变幅机构不适合用作频繁工作的工作性变幅机构,须采用合适的措施减少势能变化的影响,以大大减小变幅所需要的驱动功率,使臂架式变幅机构适用于工作性变幅。
针对这一情况,广泛采用的措施有:臂架自重平衡系统和货物水平位移系统。货物水平位移系统的设计,是在已知幅度参数条件下,满足总体设计要求,尽可能减小由货物产生的对臂架下铰点的未平衡力矩,使货物按接近水平线轨迹移动。
臂架自重平衡系统的设计,通常采用臂架自重平衡的方法,使臂架系统的合成重心在变幅过程重不移动或按沿水平线或接近水平线移动。

图2.8 工作原理简图
2.4确定臂架结构的主要尺寸
四连杆臂架系统作为变幅机构的主体部分,由臂架,象鼻梁,大拉杆,小拉杆组成,最终设计的四连杆尺寸须满足货物水平位移要求。本次设计参考经验,选择了图解法来对机构尺寸进行求解,其计算流程为:首先根据最小幅度和最大幅度时的臂架仰角等数据,大致确定臂架下铰点的位置, 并依据工作运行轨迹,确定臂架长度和象鼻梁尺寸,再根据以上尺寸,设计合理的象鼻梁后端长度与大拉杆长度。为了验证最终尺寸是否合理,本次设计应用了Matlab对尺寸进行校验。
臂架结构设计所得的主要参数如图所示:
表2.2 主要尺寸参数

2.5货物水平位移补偿系统设计
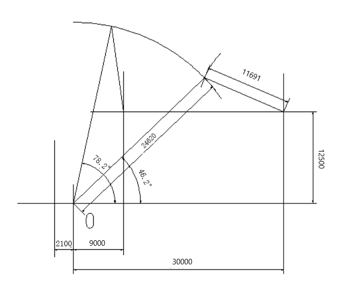
关键步骤是刚性四连杆平面找点工作,依据以上主要参数中的最大幅度与最小幅度,以及起升高度 H,总体布置要求等条件初步确定臂架下铰点O的位置。为计算和表述方便,设定臂架长度为L,象鼻梁前臂长为L1,后臂长为L2,大拉杆为L3。
四连杆找点工作的详细步骤如下:
以上是毕业论文大纲或资料介绍,该课题完整毕业论文、开题报告、任务书、程序设计、图纸设计等资料请添加微信获取,微信号:bysjorg。
相关图片展示:









