分离式烟气-空气预热器研制与设计毕业论文
2020-04-15 17:40:44
摘 要
我国钢铁行业能源消耗量大、利用率低,据统计,二次能源的利用率只有30%左右。冶金企业在钢铁制造生产过程中产生的大量可被利用的废气、废水、废渣,如果能充分利用这部分能源,将大大减少钢铁能耗。
分离式热管换热器因其换热效率高、布置灵活的特点,广泛应用于各钢铁冶金行业。本文依据热管换热原理,设计一种分离式的热管双预热器:蒸发段用于降温从热风炉排出的烟气,冷凝段一部分用于预热空气,另一部分预热煤气。此设备提高了进入热风炉的气体温度,使得燃烧效率大大提高。
通过在热管内部工质中添加纳米粒子的方法进行热管强化换热试验。将工质分别为水和石墨烯-水纳米流体的重力热管进行对比,得出石墨烯-水纳米流体重力热管在输出功率与总传热系数两方面性能都高于水重力热管,说明其强化了换热。
根据给定的设计参数,确定了换热器的结构形式。设计计算包括计算各换热器的换热量、排管数、排管形式、压力降和首排热管的管内蒸汽压。最后在热管强度、集箱开孔强度和封头强度都校核通过后,对此设备进行经济核算,得出设备总投资139万,每年可回收标准煤5208.2t,CO2减排14062.2t、SO2减排44.3t、SO3减排5.2t。
关键词:分离式 热管换热器 纳米流体
Development and design of separate flue gas-air preheater
Abstract
China's steel industry has large energy consumption and low utilization rate. According to statistics, the utilization rate of secondary energy is only about 30%. The large amount of waste gas, waste water and waste generated by metallurgical enterprises in the steel manufacturing process will greatly reduce steel energy consumption if they can make full use of this part of energy.
Separate heat pipe heat exchangers are widely used in various steel and metallurgical industries due to their high heat exchange efficiency and flexible layout. According to the heat pipe heat exchange principle, a separate heat pipe double preheater is designed: the evaporation section is used to cool the flue gas discharged from the hot blast stove, a part of the condensing section is used for preheating the air, and another part is preheating the gas. This device increases the temperature of the gas entering the hot blast stove, which greatly increases the combustion efficiency.
The heat pipe enhanced heat transfer test was carried out by adding nanoparticles to the working medium inside the heat pipe. Comparing the gravity heat pipes of water and graphene-water nanofluids respectively, it is concluded that the graphene-water nanofluid gravity heat pipe has higher performance in both output power and total heat transfer coefficient than water gravity heat pipe, indicating its strengthening.
The structural form of the heat exchanger is determined according to the given design parameters. The design calculation includes calculating the heat exchange amount of each heat exchanger, the number of pipes, the form of the pipe, the pressure drop, and the vapor pressure inside the pipe of the first row of heat pipes. Finally, after the heat pipe strength, the box opening strength and the head strength are checked, the equipment is economically calculated, and the total investment of the equipment is 1.39 million. The annual standard coal can be recovered 5208.2t, and the CO2 emission reduction is 14062.2t, the SO2 emission reduction is 44.3t and the SO3 emission reduction is 5.2t.
Key Words: Separate; Heat pipe exchanger; Nanofluid;
目 录
摘 要 Ⅰ
Abstract Ⅱ
第一章 文献综述 1
1.1 课题背景 1
1.2 国内外发展现状 1
1.2.1 国外发展现状 1
1.2.2 国内发展现状 2
1.3 钢铁行业余热利用方向 2
1.3.1 钢铁工艺制造流程 2
1.3.2 余热资源分类 3
1.3.3 各工序的余热利用方向 4
1.4 热管与分离式热管换热器 6
1.4.1 热管 6
1.4.2 热管换热器的结构形式 6
1.4.3 分离式热管换热器 7
1.5 热管强化换热 8
1.5.1 改变热管结构 8
1.5.2 热管加入抑泡装置 8
1.5.3 工质加入纳米级颗粒 9
1.6 本文研制的主要内容 10
1.6.1 主要内容 10
1.6.2 技术路线 10
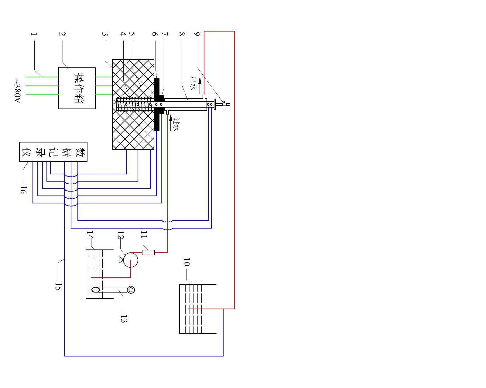
第二章 石墨烯-水纳米流体重力热管传热试验 11
2.1 试验方法 11
2.2 试验数据处理 12
2.2.1 传热系数 12
2.2.2 热管管壁温度 12
2.2.3 热管输出功率 13
2.2.4 热管总传热系数 14
2.3 结论 14
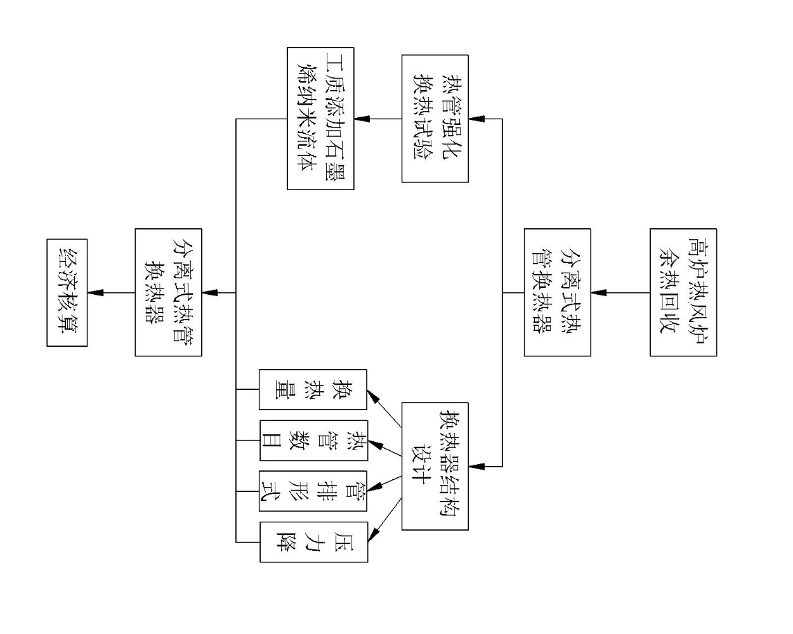
第三章 设备系统布置 15
3.1 本设备余热回收系统 15
3.1.1 分离式双预热器余热回收系统工艺流程 15
第四章 热力计算 17
4.1 计算传热量 17
4.1.1 设计参数 17
4.1.2 定性温度计算 17
4.1.3 放热量计算 18
4.1.4温差计算 18
4.2 迎风参数计算 18
4.3 换热器总传热系数计算 20
4.4 计算所需热管数目 24
4.5 换热器排数布置 25
4.6 压力降 26
4.7 工况下的迎风面风速 28
4.8 首排热管的管内蒸汽温度及蒸汽压 29
4.9 强度校核 30
4.9.1 烟气换热器热管强度校核 30
4.9.2 集箱强度校核 31
4.9.3 平板承压校核 33
第五章 经济核算 35
5.1 设备总投资J 35
5.1.1 烟气换热器 35
5.1.2 空气换热器 37
5.1.3 煤气换热器 38
5.1.4 设备材料总投资J材 40
5.2 年节约费用 41
5.2.1 标准煤重量 41
5.2.2 年节约费用 41
5.3 减排量 42
5.4 小结 42
参考文献 43
致 谢 47
第一章 文献综述
1.1 课题背景
作为我国基础工业最重要的组成部分,钢铁工业正处于一个较快发展的阶段。随着钢铁工业的发展,钢铁产量不断增大,但其能耗也不断增多:钢铁冶金企业的能耗占全国能耗的10%左右,能源消耗费用占企业生产总成本的20%~30%[1]。随着我国经济的不断发展,能源消耗增多,而能源供给不足,如何尽可能提高能源利用率,实现节能减排是现阶段我国在钢铁行业的主要目标。
造成钢铁行业高能耗的原因有多个,最基本的是制造工艺较为传统、产业结构协调不足,除此之外,工业余热资源没有得到充分综合利用也是造成高能耗的重要原因。冶金企业在钢铁制造的生产过程中产生的大量可被利用的废气、废水、废渣,约占总能耗的30%[1],如果能充分利用这部分能源,将大大减少钢铁能耗。
近年来,我国加大了对钢铁行业余热利用的研究力度,其中高温气体余热已经有了很好的方法加以回收利用,但是低温余热利用一直没有特别的改善,与发达国家相比还有一定的差距。因此,在现有基础上加大对低温余热回收利用技术的研究,并将成果实践于钢铁企业,对促进钢铁行业节能效果、降低钢铁行业成本、减少环境污染等方面具有重要意义[2]。
1.2 国内外发展现状
以上是毕业论文大纲或资料介绍,该课题完整毕业论文、开题报告、任务书、程序设计、图纸设计等资料请添加微信获取,微信号:bysjorg。
相关图片展示:









