再生蒸汽加热器应力分析设计毕业论文
2020-05-28 07:02:25
摘 要
蒸汽加热器是指以蒸汽为热媒将冷媒加热,然后将热流体的部分热量传递给冷流体的设备。蒸汽加热器结合了钢管的耐压性和铝的高导热性,传热性能优异,同时避免了钢管与空气直接接触,防腐性也得到了有效的改善。蒸汽加热器结合了钢管的耐压性,在对蒸汽加热器进行强度计算时,蒸汽加热器的筒体、法兰及相关的接 管均根据 《压力容器》 (GB 150.1~ 150.4— 2011)、《管壳式换热器》 (GB 151—1999)、《固 定式压力容器安全技术监察规程》 (TSG R0004— 2009)标准要求进行整体强度计算。除此之外, 还应进行局部应力分析、接管外载荷及扭矩的校 核、地脚螺栓校核及各接管扭矩的计算。
Abstract
A steam heater is a device that uses steam as a heat medium to heat the refrigerant, and then the heat of the heat fluid is transferred to the cold fluid. Combined with the pressure resistance of the steel pipe and the high thermal conductivity of aluminum, the heat transfer performance is excellent, and the direct contact between the steel pipe and the air is avoided, and the corrosion resistance is improved effectively.Steam heater combines the pipe pressure, in the strength calculation of the steam heater, steam heater tube body, a flange and the pipe joint are based on "pressure vessels" (GB 150.1 ~ 15.04, 2011), the tube shell type heat exchanger "(GB 151 - 1999), the solid formulary pressure vessel safety technology Supervision Regulation (TSG R0004 - 2009) standard requirements overall strength calculation. In addition, the local stress analysis, over load and torque school nucleus, check the anchor bolts and the takeover of the torque calculation
目录
摘要 I
Abstract II
第一章 论述 1
1.1 蒸汽加热器概述 1
1.2蒸汽加热器的工作原理 1
1.3蒸汽加热器的发展动向 4
1.3 近年来国内蒸汽加热器的研究现状 5
2.1选材: 8
2.2要求 12
2.4计算所需空气量及平均温差
16
2.5确定迎风面积Aex及迎风面管数B 取标准迎风面风速ωN=2.5m/s 17
2.6求总传热系数UH 17
第三章 结构设计 23
3.1管程结构 23
3.1.1 换热管 23
3.1.2管板 23
3.1.3 管箱 23
3.1.4 管束分程 23
3.1.5 换热管和管板的连接 24
3.2壳程结构 24
3.2.1壳体 24
3.2.2折流板 25
3.2.3折流杆 26
3.2.4 防短路结构 26
3.3 管箱设计 26
3.3.1管箱短节 26
3.3.2分程隔板 26
3.3.3管箱深度 27
3.4 圆筒的设计 27
3.5 管板设计 30
3.6折流板设计 32
3.7旁路挡板设计 33
3.8容器法兰的设计 33
第四章 SW6校核 34
第五章 有限元应力分析 50
第六章 结论与展望 71
6.1 结论与收获 71
6.2 展望 71
第一章 论述
1.1 蒸汽加热器概述
蒸汽热交换器是指作为传热介质热冷媒体部分的热流体传热冷流体设备。钢铝复合翅片管作为主要的热交换器组件。由于采用先进的复合技术,管温度210度以下基本的接触热阻。蒸汽加热器结合了钢铁和铝的耐压力高的热导率,优良的传热性能,同时避免钢管,直接接触空气腐蚀有效改善。因为没有折叠鳍空气阻力低于绕组类型。蒸汽加热器产品也不容易积水,容易清洁,结构紧凑,单位传热面积大,等等。
蒸汽加热器是采用高温水蒸气来加热低温气体的一种换热器,多用于大型PTA项目中尾气膨胀机的气体加热,以达到工艺要求温度。对于大型加热器,为了结成本及结构本身需求,每个加热器可以采用俩个串联,采用不同材料,采用俩种品质的蒸汽,避免了能源浪费,同时又节约了制造成本;对于小型加热器则可以做成一体,结构简单。

图1
1.2蒸汽加热器的工作原理
工作原理是将大量的初级线圈和次级线圈的匝数少安装在相同的核心。输入和输出电压比等于线圈匝数的比值,同时能量保持不变。因此,二次线圈条件下的低电压高电流。感应加热器,轴承是次级线圈短路单匝,低电压大电流的情况下,从而产生大量的热量。加热器本身和轭在室温下将继续。由于这种加热方法可以检测当前,因此,轴承会被磁化。轴承退磁,重要的是要确保是在操作的过程中不会吸收金属磁屑。FAG感应加热器已经能自动消磁。
这个设备利用金属在交变磁场产生涡流,使自己发烧,通常是用于金属热处理,等。原则是厚金属在交变磁场中,由于电磁感应现象可以产生电流。和厚金属后其电流,电流在金属成形的流动在螺旋线,所以电流的结果由金属本身的热量被吸收,会导致金属很快加热

图2
在对蒸汽加热器进行强度计算时,蒸汽加热器的筒体和法兰及相关的接 管应该根据 《压力容器》 (GB 150.1~ 150.4— 2011)、《管壳式换热器》 (GB 151—1999)、《固 定式压力容器安全技术监察规程》 (TSG R0004— 2009)标准要求进行整体强度计算。除此之外, 还应进行局部应力分析、接管外载荷及扭矩的校 核、地脚螺栓校核及各接管扭矩的计算。
以SRZ型蒸汽加热器为例,SRZ型蒸汽加热器是冷热介质通过金属表面(钢铝翅片管)使空气被加热、冷却、减湿的设备。当空气被冷却、减湿时简称“表冷器”;当加热空气时,根据加热工质的种类,当加热工质为蒸汽时称“蒸汽加热器”,当加热工质为油(水)时,简称油(水)加热器”等。 SRZ型蒸汽加热器的翅片管都是由无缝钢管与铝轧管组成的,其翅片管及整机均通过两次30公斤/平方厘 当管外介质是干净空气时,最好选用2.0—3.Omm片距,当管外介质是烟气的时候,最好选用3.0~5.Omm的片距。
2.蒸汽加热器翅片高度的选用原则:
当管内换热系数大于2000w/m2℃的时候,就选用高翅片(10mm以上);1000~2000w/m2℃之间选用高翅或低翅(8-12mm),100~1000w/m2℃可选用低翅片(8mm以下)。
SRZ型蒸汽加热器的散热排管主要由顺空气流向的三排叉排列螺旋翅片管束组成。散热翅片管束的加工工艺是把冷轧钢带用机械绕片方法,绕在无缝钢管上,然后进行表面镀锌处理。散热翅片与散热管接触面广而紧,传热性能良好,稳定并且耐腐蚀。蒸汽或高温水流经钢管之内,热量通过紧绕在钢管上的翅片传给片面的空气,达到加热空气的作用。
SRZ类型蒸汽加热器热排气管的翅片管φ21 x3m / m无缝钢管冷轧钢板15 X 0.4 m / m绕组带、螺旋,根据热容的大小分为大(D)、(Z)、小(X)在三种类型中,块年代分:D(S = 5毫米)、Z(S = 6毫米),X(S = 8毫米)三个总38规范。
.SRZ类型蒸汽热交换器是一种适用于蒸汽系统,适用于热水系统,随着钢散热器加热空气,主要用于空气加热、空调系统空气加热和干燥设备,主要设备在热空气的设备。SRZ钢散热器在当前工矿企业,各种大型建筑采暖通风系统被广泛使用
4.SRZ型蒸汽换热器工作介质:蒸汽(lt;1.0MPa),热水(lt;130℃);
5.SRZ型蒸汽换热器型号表示说明:SRZ①×②③-④
①—换热器通风的正截面长尺寸分米化整
②—换热器通风的正截面宽尺寸分米化整
③—换热器散热的大小(大D,中Z,小X)
④—热镀锌(X)

图3
蒸汽加热器空气分离工业、石油工业、食品工业和广泛的应用在冶金行业设备,主要使用所需的蒸汽释放的热量来加热过程气体,比如使用蒸汽加热的氮污染空气分离设备,从而加热分子筛的规模。因此,蒸汽加热器的性能优劣直接影响分子筛的正常工作,整个空气分离设备的正常运行有着重要的作用。目前,常用的工业主要蒸汽加热器是光和翅片管式两种形式。其中,光管加热器的双管板和U型管式两种形式,基本上是水平结构。翅片蒸汽加热器主要是高翼板和低翼积分滚动型两种形式,基本上立式结构类型。
1.3蒸汽加热器的发展动向
蒸汽加热器空气分离工业、石油工业、食品工业和广泛的应用在冶金行业设备,主要使用所需的蒸汽释放的热量来加热过程气体,比如使用蒸汽加热的氮污染空气分离设备,从而加热分子筛的规模。因此,蒸汽加热器的性能优劣直接影响分子筛的正常工作,整个空气分离设备的正常运行有着重要的作用。目前,常用的工业主要蒸汽加热器是光和翅片管式两种形式。其中,光管加热器的双管板和U型管式两种形式,基本上是水平结构。翅片蒸汽加热器主要是高翼板和低翼积分滚动型两种形式,基本上立式结构类型。由于制造质量和使用年限的关系,蒸汽加热器会产生不同程度的泄露,如果不及时检修,会影响整个系统的运行。为了杜绝泄露现象,通过对造成泄露的原因进行逐一分析,然后提出措施加以改进。例如对集合管冲破的问题,通过增加集合管的壁厚,严格控制弯管时的减薄量;对换热管的壁厚问题,严格控制换热管的采购质量,加强检测,同时对轧翅工艺也做到严格把关;对每批管子进行抽样剖开检测,以保证轧制后达到标准壁厚要求;对焊接接头的泄露问题,通过对加强焊接质量的控制,从焊机到零件的清洁度,再到焊接时的操作等各个环节进行严格把关,同时,制作小管板试样进行剖面检查,使焊接用胀管质量得到严格控制。
在生活中,蒸汽加热器应用也非常广泛。
蒸汽加热器空气分离工业、石油工业、食品工业和广泛的工业和民用建筑采暖和热水供应。适用于宾馆、浴室、居民区、部队营房和国内水加热;
2、轻纺、化工、制药、造纸、食品加工工业蒸汽锅炉炉的多用途,生产水和供暖系统;
3、中央供暖系统。供热行业集中供热、水和各种生活在工业生产的过程中余热利用;
4、适应不同加热温度、不同加热模式。如加热、循环水加热,包括加热;
5联合生产的供热工程中热量交换,热、电加热峰值加热,热水、供暖系统和除氧器加热等。
蒸汽加热器可用于所有制备生活热水的蒸汽使用场合,如:沐浴在雨中,温泉酒店,国内热水准备,等。浴室浴蒸汽加热器可以满足需求的成千上万的人洗澡,非常适合工厂浴和酒店大浴。
1、浴室浴蒸汽加热器为法兰接口,水箱内的蒸汽管(槽),用法兰连接。安装时,底部的加热器是200毫米从槽的底部,并应确保录得超过100毫米水混合器。
2、浴室浴蒸汽加热器并联使用,适当的均匀分布,因为重量较大,应该支持和安装位置根据现场条件。附近的蒸汽管加热器应该强烈强烈的固定,使其工作,而不是。
3、水箱水温和水位,宜采用温度控制仪器与水位控制仪器的测量和控制。
4、浴室浴蒸汽加热器维护:如果是发现的过程中使用加热器加热速度慢,可能是其内部蒸汽孔阻塞,应去除杂质的加热器将被阻塞蒸汽孔清洁,从排放口和污垢,加热器最好一个月清理一次。
5、选型、管道直径应大于或等于公称尺寸的加热器、并行使用多个加热器时,蒸汽管截面积应大于或等于所有的连接管加热器横截面积的总和。
6、蒸汽管路上的加热器附近,您必须安装止回阀,防止蒸汽停止,虹吸现象发生,造成水事故。压力蒸汽压力大于0.5 MPa(表),应该安装蒸汽减压阀减压,前添加过滤器。

图4
1.3 近年来国内蒸汽加热器的研究现状
闵长江研究了蒸汽加热器在分子筛加热再生再生中的应用分析。为再生蒸汽加热器的应力分析打下了坚实的基础并为应力的分析提供了依据。
郭晓刚、管泽飞、龚伟胜研究了分子筛系统蒸汽加热器泄露在线处理,在处理蒸汽加热器泄露的问题上锦上添花,提供了可靠的方法并未处理泄漏问题提供有力的依据。
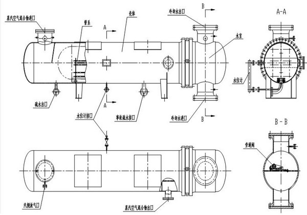
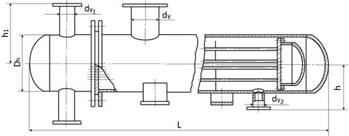
相关图片展示:









