基于Android和ZigBee技术的智能家居系统设计毕业论文
2020-02-19 19:03:14
摘 要
本文采用ZigBee协议和Android技术完成了一种智能家居系统的设计。首先对ZigBee协议标准及其组网方式进行了深入的研究,以射频收发模块CC2530为核心,通过ZigBee协议栈的接口实现了ZigBee的组网和节点加入功能,并运用串口服务器搭建了一个无线传感网络平台,并将该无线传感网络平台与Android技术结合起来设计了一种智能家居系统。系统实现了家用设备远程控制、温度数据采集显示、视频监控几项功能。最后,对系统设计的这几项功能进行了测试。
测试结果表明:本次设计出的智能家居系统,达到了预期目标,设计的功能得到实现,且系统运行稳定。节点设备的App远程控制、温度数据的接收和USB摄像头的视频数据接收功能均得到成功实现,符合预期设计要求。
本文的特色:仅采用ZigBee模块CC2530同时实现节点设备加入和数据传输两项功能,简化了设计,降低了成本。
关键词:ZigBee;CC2530;Android;智能家居
Abstract
This paper designs a home automation system using ZigBee protocol and Android technology.Firstly, the ZigBee protocol standard and its networking mode are deeply studied. The RF transceiver module CC2530 is used as the core. The ZigBee networking and node joining functions are implemented through the interface of the ZigBee protocol stack, and a wireless transmission is built by using the serial server. Sense the network platform, and combine the wireless sensor network platform with Android technology to design a home automation system.The system realizes several functions of remote control of home equipment, temperature data acquisition and display, and video surveillance. Finally, these features of the system designed were tested.
The test results show that the smart home system designed this time has achieved the expected goal, the design function is realized, and the system runs stably. The remote control of the device of the node device, the reception of temperature data and the video data receiving function of the USB camera are successfully implemented, which meets the expected design requirements.
The characteristics of this paper: only use ZigBee module CC2530 to achieve two functions of node device joining and data transmission at the same time, simplifying design and reducing cost.
Key Words:ZigBee;CC2530;Android;home automation
目录
第1章 绪论 1
1.1 研究背景及意义 1
1.2 智能家居国内外研究现状 1
1.3 研究目标 3
1.4 研究内容 3
第2章 智能家居系统整体方案设计 5
2.1 系统架构 5
2.2 各模块功能 6
2.2.1 温度检测模块 6
2.2.2 设备控制模块 6
2.2.3 协调器模块 7
2.2.4 串口服务器模块 7
2.2.5 手机客户端模块 7
2.3 硬件设计思想 7
2.4 软件设计思想 7
第3章 智能家居无线模块的设计和实现 8
3.1 系统硬件设计 8
3.1.1 节点硬件设计方案 8
3.1.2 传感器节点设计 8
3.1.3蜂鸣器节点设计 10
3.1.4 LED灯节点设计 10
3.1.5无线收发模块设计 10
3.1.6电源设计 11
3.1.7整体硬件实物图 11
3.2 ZigBee网络设计 12
3.2.1 ZigBee网络设计方案 12
3.2.2 ZigBee的组网 12
3.2.3 系统通信格式 14
第4章 Android客户端设计 15
4.1 Android平台概述 15
4.1.1 Android基本组件 15
4.1.2 Android开发环境的搭建 16
4.2 Android应用UI界面设计 17
4.3 Android应用的功能实现 19
4.3.1 Android端Socket通信 19
4.3.2 实时温度显示功能实现 21
4.3.3 设备远程控制功能实现 22
4.3.4视频监控功能实现 23
4.3.5 AndroidManifest.xml文件的设置 24
第5章 系统运行与测试 26
5.1 系统通信测试 26
5.1.1串口服务器配置 26
5.1.2手机App端访问串口服务器 27
5.2 Android客户端功能测试 28
5.2.1温度实时显示功能测试 28
5.2.2设备远程控制功能测试 29
5.2.3视频监控功能测试 29
第6章 总结与展望 30
6.1 总结 30
6.2 展望 30
参考文献 32
致 谢 34
绪论
本章主要介绍了本次设计课题即智能家居的研究背景和意义,并详细阐述了智能家居的国内外研究现状和介绍了本次的设计目标,最后对本论文的主要内容进行了简要的概括。
1.1 研究背景及意义
蒸汽机的发明带来了第一次工业革命,电机又使人类进入“电力时代”,而网络的出现使人类进入到了如今的“信息时代”。在“信息时代”下,将人们日益增长的现实生活的需求同快速发展的网络技术结合在一起,也就促使了物联网技术的诞生。物联网技术成为了继计算机、互联网后世界信息产业的第三次科技浪潮,而智能家居正是物联网技术在实际生活中的应用。近年来物联网技术的快速发展,同样也带动着智能家居产业的快速发展,就目前看来,智能家居产业的潜力是无限的。
智能家居的概念起源于20世纪70年代的美国,美国联合科技公司早在1984年就首次提出“智能建筑”的概念,这些概念随后传播到欧洲、日本等发达国家都得到了很好的发展。而到了21世纪的今天,世界已经开始进入到了“智能时代”,得利于物联网技术的迅猛发展,智能家居也已经得到了快速发展并已经有了广泛的应用,进入到了寻常百姓家中,现在在大多数人的家中,你都能或多或少地发现智能家居的踪影。
智能时代已经来临,智能家居不仅是未来人类生活的必然选择,也是未来国家经济发展的必然趋势,对于智能家居的研究和应用不仅可以改善人们的生活,促进社会经济发展,还可以推动国家城市信息化,产业智能化的建设,因此具有重要意义[3]。
1.2 智能家居国内外研究现状
早在上世纪90年代,美国设计制造出了人类历史上的第一套智能化建筑,使得很大数量的发达国家纷纷将目光投入到了有关家居系统智能化发展的研究方向。
在智能家居系统研发上,最早接触并发展智能家居的美国、日本等一些发达国家一直处于领先地位。美国的微软、IBM公司,日本的丰田、本田公司等一大批国外知名公司先后跻身智能家居领域,致力于家居智能化的开发,占据了主流的智能家居市场。国外的Vivek G V[1]、Jakovljev[2]、Gill K[3]等人都做出了许多智能家居相关的研究,如其中的Jakovljev就在其研究中分析了近年来人工智能的飞速发展对智能家居产业带来的影响,与此同时,国内的相关研究同样更是不少,相关行业的领军企业都开始凭借自身研究的优势进军智能家居市场并各占据一席之地,这其中包括小米、阿里巴巴等互联网科技公司,海尔、美的等家电企业,华为、中兴等通信技术公司。
目前国内外对智能家居的研究仍处于快速发展阶段,主要由四种技术引领着当前的无线智能家居的发展[4]。
(1)WiFi技术
WiFi是一种基于IEEE802.11b标准的短距离无线通信技术,其传输速度快,成本低,在生活中最为普及,但其自身也存在一定技术劣势。最主要的是其安全性不高,且WiFi技术的组网能力较弱,可容纳的网络节点较少,也无法很好满足实际家居环境中家电数量较多的需要。
(2)Z-Wave技术[5]
Z-Wave是一种基于射频的、低功耗的采用动态路由技术的短距离无线通信技术。其采用FSK调制方式,适合于窄宽带应用场合,具有一定的安全性和稳定性。其主要缺点是节点少,能容纳的设备的上限也很少。此外,Z-Wave技术以树网结构组网,这种结构安全性很差,一旦树枝上端掉落,其下端的所有设备都将失去通信能力。目前,该技术在我国属于非民用。
(3)蓝牙技术
蓝牙是一种基于IEEE802.15.1标准的使用UHF无线电波传输的短程宽带无线电技术。它实现语音和无线传输功能,能在小范围内建立通信系统之间的信息传输。蓝牙技术的缺陷是可扩展性较差,使得其大多为蓝牙耳机这种私人应用。这种技术并不适合庞大的家庭网络。
(4)ZigBee技术
ZigBee是一种新兴的基于IEEE802.15.4标准的近距离的双向无线通信技术,它是一种基于无线标记技术和蓝牙技术之间的技术方案。ZigBee技术具有超低系统功耗、系统成本低、数据传输安全、支持多种网络拓扑及超大网络容量的显著特点。这些特点使得ZigBee技术非常适合用于家庭网络。
基于ZigBee技术的低成本、高容错性的特点,在无线传感器作为网络节点加入无线网络的情况下发展出了ZigBee协议这种无线网络协议。ZigBee协议栈则是ZigBee协议的具体实现形式,它为用户提供一些API,使用户不需了解ZigBee协议复杂的具体实现细节,只需弄清数据的来处和去处,这样提高了开发效率。
智能家居的快速发展同时也离不开日益成熟的Android技术的推动,Android技术为人们提供了Android手机这个远程客户端,让人们可以随时随地通过手机查看自己家里温湿度等信息以及控制家里电器的使用,使智能家居系统突破了以往空间的局域性。Android操作系统最早于2007年11月5日由谷歌公司推出,谷歌同时宣布建立了一个由包括谷歌、英特尔、高通、中国移动在内的34家手机制造商、软件开发商、电信运营商以及芯片制造商组成的全球性的联盟组织。这一联盟组织内的公司都支持Android系统和应用软件,现在这一联盟已经发展到65家企业的规模,Android也得到了快速发展和广泛应用。Android系统的版本更迭速度非常快,目前最新的版本是Android9.0 Pie。十几年来Android技术的迅猛发展和大众对Android智能手机的广泛使用,大大促进了智能家居系统和Android技术的结合进而提高了智能家居系统的智能性、方便性。
近年来的快速发展,智能家居现阶段已经是比较成熟了,慢慢走入普通家庭的日常生活中,但传统家电仍占据了绝对的主导地位。目前整个智能家居行业存在着缺乏一个统一的标准,价格相对高昂等问题,这些问题也正制约着智能家居的发展。但随着整个行业的持续性发展和物联网、人工智能等相关关键技术的高速发展的助力,智能家居的发展前景必是一片光明的。
1.3 研究目标
本次研究的主要设计目标为:以ZigBee无线网络技术为基础知识,利用Android技术开发一款App作为远程控制端,进而研发出一套相对来说,功能齐全、成本较低的智能家居系统。首先将温度传感器、LED灯、USB摄像头等节点设备加入ZigBee模块组建的网络上,然后在Eclipse平台下开发手机客户端App,达到通过手机App远程获取实时温度数据、控制家居设备、进行视频监控的功能,使用户即使在外地也可以对家庭环境了如指掌。
1.4 研究内容
本文采用以单个功能实现为主,逐步进行功能集成的思路来实现所需要的功能。系统下位机由ZigBee模块和集成在ZigBee模块上的传感器、LED灯等设备所构成,Android手机作为控制终端。整个系统通信链路由传感器等节点设备、ZigBee无线传感器网络、串口服务器以及手机终端四部分构成。本次设计的技术路线也是围绕上述通信链路展开。
首先,利用文献调研法,深入研究ZigBee协议栈和网络拓扑结构,通过ZigBee协调器搭建ZigBee无线传感器网络,并将温度传感器、蜂鸣器等设备作为终端节点加入到该网络中。协调器上报从传感器得到的数据,并将所有的控制信号发送到各个终端节点。
其次,搭建串口服务器,协调器通过串口扩展模块连接到串口服务器,协调器上报从传感器得到的数据到串口服务器,并将从串口服务器获取的所有的控制信号发送到各个终端节点,ZigBee终端节点收到信号后解析命令,并对家居设备进行相应操作。
最后,Android手机客户端App通过Socket通信连接到串口服务器实现对下位机的访问,获取并处理来自下位机的数据,同时客户端App可以通过串口服务器发送控制指令。传感器数据和控制信号在整个通信链路的传输,实现了通过手机App远程获取温度数据、控制家居设备等预计功能。
智能家居系统整体方案设计
本章首先从整体上介绍了智能家居系统的架构,包括硬件的架构和网络通信的架构,然后对系统中各模块在系统通信上的作用进行了详细的分析介绍,最后分别对系统的硬件设计和软件设计提出了各自的设计思想,对后续的系统硬件和软件的具体设计具有指导意义。
2.1 系统架构
本文设计的智能家居系统架构图如图2.1所示。

图2.1 智能家居系统架构图
ZigBee传感网络系统使用星型的网络拓扑结构[6],包含1个协调器节点和温度传感器等3个终端节点。下面简要介绍图中各模块的功能。
- ZigBee协调器节点
 
组建ZigBee无线传感网络。由基于CC2530无线收发芯片的 ZigBee 无线模块组成。ZigBee协调器将所有的控制指令发送到各个终端节点,终端节点收到信号后解析命令,并对节点对应的家居设备进行相应操作,然后将操作结果反馈给ZigBee协调器。ZigBee协调器的另一个功能是实现ZigBee传感网络和串口服务器的数据通信。串口服务器将控制指令发送给ZigBee协调器,ZigBee协调器再将控制指令发送给终端节点。同时,终端节点的反馈信息也可以通过协调器返回到手机客户端。
- ZigBee终端节点
 
与ZigBee协调器节点一起组建ZigBee无线传感网络。通过将ZigBee网络中的终端节点嵌入到各个家居设备,实现对各家居设备的控制。
- 串口服务器
 
数据的处理和中转的作用。ZigBee协调器和手机客户端连接到串口服务器,实现数据的处理和中转,从而实现手机控制端和家居设备的交互。
- 路由器
 
用于配置串口服务器。
- 手机App
 
系统远程控制端。App在Eclipse环境中设计开发完成,通过在在安卓手机上安装该App,用户可以随时随地方便地对家居设备进行控制。
2.2 各模块功能
2.2.1 温度检测模块
本模块通过将温度传感器作为终端节点加入ZigBee无线传感网络,把传感器测得的实时家居温度数据通过协调器发送到串口服务器,最终在手机客户端App上得到数据显示。本次设计考虑到成本的因素,只使用了温度传感器,若在实际开发中,可以在终端节点加入更多其它类型的传感器,进而对家居信息进行更加全面地采集和显示。
2.2.2 设备控制模块
本模块通过将LED灯、蜂鸣器这两种设备作为终端节点加入ZigBee无线传感网络,模拟实际家居中的照明功能和报警功能。根据设备的I/O管脚的高低电平,判断其开关状态,并将状态信息反馈到协调器,同时,App也可以发送控制指令通过串口服务器——协调器——终端节点这条通信链路下发到对应设备,改变其I/O管脚的高低电平达到控制节点设备的目的。
2.2.3 协调器模块
本模块用来举起ZigBee无线传感网络,所有的终端节点都通过它加入网络,发送到网络的信息也都由协调器统一进行转发到相应节点,因此它在整个ZigBee网络中起到了网关的作用。
2.2.4 串口服务器模块
本模块作为整个系统通信链路的服务器,系统通信链路的两端分别是ZigBee无线传感网络和手机客户端,串口服务器接收到一端的数据信息进行处理后立即发送到另一端,起到了数据处理和中转的作用。
2.2.5 手机客户端模块
本模块主要用于智能家居系统和用户之间的交互,将家居实时温度信息显示在手机界面上,用户可以根据温度过高或过低进行相应的操作,这些操作通过手机界面的各设备控制按钮得到实现。
2.3 硬件设计思想
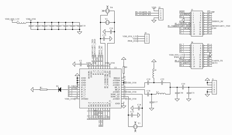
硬件的结构要求模块化、集成化且具有可扩展性。整个硬件系统要求低成本、低功耗,其中主控制器要求具有可靠性、针对性和可扩展性,本次设计中主控制器就是CC2530模块,它同时起组建通信链路和系统MCU的作用。
2.4 软件设计思想
系统的软件包括进行网络通信的软件和手机客户端软件。软件结构首先要求模块化,任何一个模块发生改变不会影响到其他模块;其次,数据通信的格式要求统一;最后,软件应具有良好的人机界面。
智能家居无线模块的设计和实现
本章为智能家居系统设计的具体介绍,包括硬件设计和ZigBee传感网络设计。硬件设计包括温度传感器和LED灯光控制电路的设计,具体为下位机各种硬件的选型,各个模块电气原理图设计。ZigBee传感网络设计包括ZigBee网络的搭建过程,上下位机通信的数据格式。
3.1 系统硬件设计
3.1.1 节点硬件设计方案
根据系统设计的要求,设计了如图3.1所示的硬件组成框架。系统节点硬件以CC2530模块为核心,进行无线数据的收发与处理以及ZigBee组网,在硬件电路上集成了温度传感器、蜂鸣器以及灯光控制等设计,并通过RS232接口串口线连接到串口服务器[7]。供电均通过电源供电。
以上是毕业论文大纲或资料介绍,该课题完整毕业论文、开题报告、任务书、程序设计、图纸设计等资料请添加微信获取,微信号:bysjorg。
相关图片展示:








        
            
