便携式血糖检测仪的设计毕业论文
2020-02-19 19:02:59
摘 要
糖尿病是对现代人最具危害的慢性疾病之一,加之难以根治,导致了全球范围内受糖尿病困扰的患者日益增加。针对糖尿病病情的检测需求,血糖仪在过去半个世纪里被开发并不断改善。随着即时检测(POCT)技术的发展和患者的自测需要,血糖仪朝着便携、低耗、微创甚至无创的方向不断改良。
传统的生化检测技术曾经被广泛地应用于家用型血糖仪,在带来持续性创伤的同时,还存在影响血糖值的不稳定因素。由此,本文依据血糖仪便携、低耗、无创的要求,分析并设计了基于单片机的光学式无创便携血糖仪。设计中应用的基本原理是朗伯-比尔定律,依据定律推导出了葡萄糖浓度与吸光度之间的关系,建立基于红外光源的检测方法。
本文从内容上可分为四个部分:第一部分介绍了便携式血糖仪的发展历史和国内外研究现状;第二部分介绍了本设计中涉及的理论知识和设计的总体方案;第三部分是设计中运用的软件和硬件说明;第四部分呈现设计运行结果并对所测数据进行统计分析。通过对理论值与测量值的比较,并分析误差原因,证实本文所提出设计的可行性,从而到达便携式血糖检测仪设计要求。
关键词:血糖仪;单片机;浓度检测;吸光度
Abstract
Diabetes is one of the most dangerous chronic diseases for modern people. In addition, it is difficult to cure, which has led to an increase in the number of patients suffering from diabetes worldwide. For the detection of diabetes, blood glucose meters have been developed and improved over the past half century. With the development of Point-of-care Testing (POCT) technology and the need for self-testing of patients, blood glucose meters are constantly improving in the direction of portability, low consumption, minimally invasive or even non-invasive.
Traditional biochemical detection techniques have been widely used in home-based blood glucose meters, and there are still unstable factors that affect blood sugar levels while causing persistent trauma. Therefore, based on the requirements of portable, low-cost and non-invasive blood glucose meter, this paper analyzes and designs an optical non-invasive portable blood glucose meter based on single-chip microcomputer. The basic principle applied in the design is Lambert-Beer's law. The relationship between glucose concentration and absorbance is derived according to the law, and a detection method based on infrared light source is established.
The article is roughly divided into four parts: the first part introduces the development history and research status of the blood glucose meter; the second part introduces the design principle and overall scheme; the third part is the software and hardware description of the application; the fourth part presents the design operation. The results are analyzed and processed. By comparing the theoretical value with the measured value and analyzing the cause of the error, the feasibility of the proposed design is confirmed, and the design requirements of the portable blood glucose meter are reached.
Key Words: blood glucose meter;microcomputer;concentration detection;absorbance
目 录
第1章 绪论 1
1.1 研究背景及意义 1
1.2国内外研究现状 4
1.3全文结构及工作安排 6
第2章 理论基础及方案设计 8
2.1理论基础简介 8
2.1.1近红外光谱分析基础 8
2.1.2郎伯—比尔定律 9
2.1.3本设计中的血糖浓度检测理论 11
2.2方案设计 13
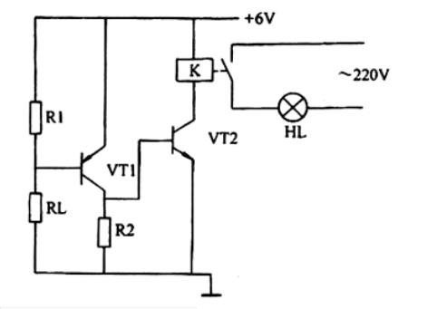
第3章 硬件介绍 14
3.1红外光源发生器 14
3.2光敏组块介绍 15
3.3控制电路设计 17
3.3.1 AT89C51介绍 17
3.3.2 ADC0808介绍 20
3.3.3 LCD显示屏介绍 23
第4章 软件介绍 24
4.1软件总体设计流程介绍 24
4.2单元模块介绍 25
4.2.1单片机初始化 25
4.2.2 A/D转换模块设计 26
4.2.3血糖浓度显示设计 26
第5章 设计实现和结果调试 27
5.1设计运行结果 27
第6章 数据处理和技术总结 32
6.1数据处理及误差分析 32
6.1.1样品测量结果统计 32
6.1.2误差分析 33
6.2技术总结 34
参考文献 35
致 谢 37
附录一 仿真电路总图
第1章 绪论
研究背景及意义
糖尿病在当今医学领域是一大不可根治的难题,已经被列为是继心血管疾病和肿瘤之后的第三大慢性疾病,正严重危害着患者的身体健康。糖尿病会在病发后引起患者一系列的代谢紊乱和生理功能下降,严重的会诱发包括心血管疾病、肾脏衰竭、眼病、神经性病变等后续症状。目前世界上有超过4亿人口患有糖尿病,我国糖尿病现况尤为严峻,糖尿病患病率呈快速上升趋势,是糖尿病人口第一大国。糖尿病是导致视力下降、冠心病、肾病、中风和瘫痪的主要原因之一。现今环境下大部分糖尿病属于二型病症,对于这些病患者来说,尽早干预、诊断、控制是降低糖尿病危害,维持身体机能正常运作的最理想手段。
对于普通糖尿病患者,严格的血糖监控是维护健康的第一要务,传统的检测血糖方法,多以频繁创伤血管末梢为采样第一步,随着科技进步,给予患者的创伤疼痛感被控制的越来越小。医院临床常用的方法是采样处理后,加入相关的化学试剂或酶配置成溶液,反应后用专业生化仪分析,其结果准确、可信度高,但过程繁琐、操作复杂,采血量多,检测时间长,仪器体积大、价格高,专业要求较高,不适于普通患者及时检测。另外,就医过程中由于外部环境变化和患者的心理变化,血糖值常有不可测的波动,因此,在就医过程中测得的血糖浓度并不能完全代表患者常态的血糖水平,结果往往缺乏参考性。便携式血糖测仪的出现,既满足了平时家庭医疗保健(HHCE:Home Health Care Engineering)需求,又弥补了常规检测对血糖值波动的评估不足。患者不必频繁赴医院就医,降低了环境及心理变化对血糖值的影响。除此之外,便携式血糖测仪还实现了微电流的检测功能,具有低功耗、低成本、造作方便、可于家用PC通讯等优点,更进一步帮助患者达到稳定并治疗疾病的目的。目前我国总体医疗模式已开始从单一的赴院就医,逐渐转向院外干预、监控、诊治、康复并普及到平常家庭的医用多元化、多样化的现代医疗体系。因此,便携式血糖测仪将成为具有可观市场需求,适应个人健康意识及维护行为的新工具。
血糖仪的历史可以追溯到公元前1500年——医生观察到B型萎缩病患者的尿液可以吸引蚂蚁,因此推断患者尿液中含糖并应用这一发现进行糖尿病的诊断。现代血糖仪首次出现于1957年,当时弗瑞将葡萄糖氧化酶(GOx)应用于干燥试纸来制成尿液测试条,并通过肉眼比色法测量尿液中的糖含量。但第一台实用型血糖仪是由汤姆· 克莱门斯于1968年发明的,并最终由拜耳公司生产。从那时起,血糖检测仪进入了不断发展的阶段。在过去的40年里,它一共经历了五个形态(图1.1)。第一代血糖仪是为人所熟知的水洗式血糖仪,它是由拜耳公司在1970年开发并发售的,它的使用方式和pH试纸类似,也是用比色卡来作色度对比。因为它需要操作员擦拭掉血液,所以对使用者来说并不是很方便。此外,当试纸颜色落在卡片上的颜色之间时,读数可能不准确并且很容易导致错误。为了解决这个问题,拜耳公司于1980年开发了第二代血糖仪,即所谓的擦拭式血糖仪,它体积小,使用方便,但仍需要擦拭过程。为了彻底解决这个问题,强生集团于1987年推出了One Touch,这是一种不需要擦拭过程的比色法血糖仪。上述三代血糖仪原则上都是光电式血糖仪。相对而言,电化学式血糖仪尺寸更小,反应更快,更易于使用。因此,雅培集团于1986年推出了第四代血糖仪,一种电化学血糖仪,并很快成为20世纪90年代的主流血糖仪。然后,为了解决血液采集量的问题,实现微量和多点血液采集,TheraSense开发了第五代血糖仪,实现了微量和多点血液采集,从而将血糖仪的技术质量提高到了新的高度。

图1.1血糖仪发展史
在便携式血糖仪的发展中,无创式血糖检测的方法对比传统的有创或微创技术,具有更令人满意的功能性和实用性。无创式血糖检测仪的研发是以多数患者更加舒适轻松的检测环境为初衷,能使成千上万的患者不再为创伤性测验而痛苦或烦恼。然而,近十年时间里在这个领域的探索与研究,并没有带来任何一项成熟的无创式血糖检测技术的问世。换而言之,到现在也没有哪怕一种无创式检测技术能在精确性和稳定性上持平有创式技术。除了直接的血糖浓度检测,无创式检测技术也在唾液、排泄、排汗和排泪等人体生理排液过程中得到应用并参与指标检测。可惜的是,通过其他体液指标进而测量血糖浓度的方式并不具有连续性效益。针对人体生理排液过程的检测仅限于舌头、口腔内腺体、泪腺和皮肤等局部方式。对于口腔内腺体和皮肤的测验中,研究人员发现了一定的血糖浓度相关性指标,但是测验中葡萄糖的特征峰值受到了设备挤压的影响,另外口腔中食物的残留也会影响测量结果的准确性。除此之外,人体鼓膜等部位通过辐射释放出来的近红外光波也给血糖检测提供了相关指标:通过鼓膜辐射的近红外线检测给出了一些结果不错的指标,但是这些指标也需要一定程度上的期限校正。事实上,通过皮肤相关指标的无创式血糖浓度检测也需要固定部位的参数校正,包括手臂、手掌、手指、耳廓、眼睑和耳膜等。
可想而知,血液组织和被测量区域之间的距离,即皮下组织的厚度,对检测成果的准确性有很大影响。还有研究表明,在有创式检测过程中,对检测区域的皮上组织进行摩擦可以有效减少误差。有的时候,检测中微小的失误或操作延迟就会致使并发症的发作,即使通过药物能使血糖浓度很快地稳定下来,对检测效果来说却是毫无意义的。在检测区域的选择上,手指恰好分布有很多的毛细血管网,且少有皮下组织和毛发,因而手指被认为是最有利于检测的区域。
综合这些因素来看,以手指为检测区的红外光谱学分析技术可以被完美地运用到血糖浓度检测中。以此为研究方向的医疗领域突破,将给患者带来更良好的医疗体验和更精准的病症监控结果。
1.2国内外研究现状
当今国际医疗器械研究领域,对便携式血糖检测仪的发展给予了相当程度的重视。血糖检测仪起始于1968年汤姆·克莱曼斯的发明,五十年间经历了不断的更新和原理上的突破。随着信息时代的到来,便携式血糖测仪也日渐趋于小巧、智能、多功能化。在国际医疗器械市场上的主流血糖仪,按采样形式可分为三类:
1.有创或微创式血糖仪(包括针刺式采血和激光采血),主要产品有美国Lifescan公司的One Touch和TtheraSense公司的Lasette血糖仪。这类产品的准确性和稳定性可观,最大缺陷在于给患者带来的疼痛和采血次数的频繁;
2.无创式血糖检测仪,主要分为葡萄糖浓度在组织液中的检测和基于光谱分析学原理的非侵入式检测,已经面世的产品有美国开纽斯公司1989年研发的皮下组织测仪和CME公司的光谱学血糖检测仪。此类血糖仪弥补了有创采血的不足,但精度和稳定性有待提高;
3.连续式血糖测仪,仅美国和德国少数公司具有较成熟的生产技术,国内市场较为罕见,性能优化较好,操作方便。
根据血糖的检测反应不同,血糖仪又可分为电化学式和光反应式两种:
1.电化学式,始于1962年,由生物学家克拉克提出。他在著作中就曾说明过:用一层薄的葡萄糖氧化酶(GOD:Glucose Oxidase)涂满氧化电极,由于葡萄糖含量和分解过程中消耗的氧含量相关,通过测量溶液中溶解氧的消耗量,就可以间接测定葡萄糖浓度。根据此原理,1968年有英国一家医院研发了第一支葡萄糖生物传感器式血糖检测仪;
2.光反应式。于上世纪80年代首次被人提出,利用近红外分光原理,使特定光波穿透人体表皮组织,依据朗伯-比尔定律,血液中葡萄糖浓度不同,吸光度不同,测得透射光强就能测定血糖值。
由以上调查发现,基于光反应式的无创血糖测仪,能免除患者的采血痛苦,避免感染风险,提高用户检测意愿和频率,从而更稳定地测得血糖值。但由于此类血糖仪尚未成熟,在日常家庭中的应用较少,仍需要投入更多的研究及开发成本,尚有相当程度的探究空间。诸多研究表明,血糖检测中应运而生的无创检测技术必定是今后检测技术发展的大势,国内外都有一定数量的科研团队和商业公司在这一领域注入了大量资金和人力,虽然一些商业化的无创血糖仪在市场中的表现尚不成熟,但前景依然一片光明。
经仔细斟酌,并参考诸多既有的研究文献,本设计决定从近红外光谱学入手,进一步探索无创血糖检测技术,呈现一款基于最小处理系统的光学式血糖检测仪。
1.3全文结构及工作安排
红外无创检测技术是血糖无创检测技术中比较有前景的一种技术,也是现在 全球无创检测血糖技术中比较受追捧的技术之一,本课题就是对于近红外血糖无 创检测技术的初步探索,根据工作内容的安排,本文共分五章,详细如下:
第一章是绪论,主要介绍了血糖仪在当今全球环境下的研究背景及意义,就血糖仪的发展和研究现况做出陈述,最后介绍全文的结构安排。
第二章是课题涉及的理论基础说明和总体方案介绍,主要对基于近红外光源检测中涉及到的理论进行了解释,包括近红外光谱学检测原理和朗伯比尔定律,其中朗伯比尔定律在定量检测中有相当重要的意义。在理论过后,对本设计建立的血糖浓度检测机制进行了简单叙述,该章第二部分也给出了设计的总体方案并列出了总体流程图。
第三章是设计中运用的硬件介绍,主要包括红外光源的选取、光学传感模组的分析说明、模数转换的说明、AT89C52芯片介绍以及LCD显示屏的介绍。
第四章是设计中使用的软件介绍,其中主要涉及部分为基于Protues的仿真电路说明及程序构架的思路介绍。
第五章是仿真及实物运行结果陈述,达到预期的设计要求并整合测量数据。
第六章前半部分是测量数据的统计整合及比对,章节后半部分进行数据处理、误差分析及设计缺陷的讨论说明,最后作出技术总结。
第2章 理论基础及方案设计
2.1理论基础简介
2.1.1近红外光谱分析基础
近红外光谱(Near infrared spectroscopy,NIRS)是指波长在750-2500nm 范围的光学图谱,本文涉及的是近红外光的吸收光谱。相较与可见光、中红外光或远红外光,近红外光对照射的检测区域辐射能量较小,且对人体皮肤和皮下组织具有更强的穿透力。在近红外光谱的波长范围内有几个特殊吸收段。在这些波段中,血红蛋白,脂肪和水分的光学吸收量足够弱,使得近红外光足以穿透组织,也让基于近红外光谱学的检测技术成为可能。另一方面,简单安全的活体检测需要受测化合物的特征吸收与测量指标的高相关性才能实现,而近红外光谱中葡萄糖的吸收恰好满足检测需求的相关性。红外光谱法通过标定葡萄糖分子相关结构的特征吸收值,在利用近红外光波照射生物组织的同时,提取葡萄糖光谱相关信息,实现血糖的定量分析,这一过程主要反映了 C-H、N-H、O-H 等含氢基团振动的合频及倍频吸收信息。随着光学材料和测量技术的发展,往日因峰值重叠被人类忽视的特征信息,也在今日能够方便显示。得益于近红外光在生物组织中的穿透性极高,数毫米甚至一厘米的皮下组织间隔完全可以被列如允许范围,人类手指区域皮下组织厚度一般不超过2毫米,所以携带光学信息近红外光完全可以到达并穿过血液组织,也在理论上能成功将血液中的成分信息送出检测区域,且由于近红外光谱信息含量丰富,可以用来同时关联血液中的不同成分信息。
基于近红外光谱学的无创血糖检测技术是红外定量分析的一种应用,有别与传统的直接生物化学测量方式,红外定量测量技术在血糖检测领域中可划为一种间接测量技术,主要还是借助一定的计量学方法来建立校正模型,这些已知的指标模型使未知量在测量中得以准确提取被测信息。
红外定量测量分析的主要步骤有:
1、测量具有代表性的校正样品集;
2、用已经存在的标准测量方法来测量待测物质的浓度数据;
3、通过化学计量学建立校准模型;
4、测量待测物质的红外光谱;
以上是毕业论文大纲或资料介绍,该课题完整毕业论文、开题报告、任务书、程序设计、图纸设计等资料请添加微信获取,微信号:bysjorg。
相关图片展示:









