基于LabVIEW的温度测控系统设计毕业论文
2020-02-19 18:59:34
摘 要
在现代人们的日常生活中,对日常常见的容器中的水温的控制需求越来越大。但是由于温度这个变量的特殊性,水温在被控制的过程中,易出现吸热、放热的状况。导致其具有极大的惯性、滞后量与非线性,这个特性决定了温度控制系统中,很难建立标准的、确定的数学模型。这对设计一个精确可行的水温控制系统带来了一定的困难。
针对这一难点本课题中采用了PID模糊控制这一技术,运用模糊控制这一技术简化整个系统的数学模型,运用PID控制技术提高系统的控制精度,使超调时间得到了减少。最后运用MATLAB这一软件对整个系统做了仿真,确保了整个模型的可靠性。此外,还设计了由STC89C52主芯片、继电器温度控制器、液晶显示屏、串口通讯和电脑等部分组成的硬件系统和高精度的RD12OP05SS温度传感器。软件部分由储存在STC89C52主芯片中的C语言程序代码组成。并通过串口通讯将数据传输到LabVIEW中,在LabVIEW中设计了温度显示和人机交互的界面,由LabVIEW实现温度的采集、查询和显示。
最后研究的结论表明,使用PID模糊控制技术,系统的精确度切实的被提高了,超调时间也相应的被缩短了很多。MATLAB的仿真实验切实有效,反应真实。RD12OP05SS温度传感器运作的很适合,系统的精度达到了0.1摄氏度的高精度。使用LabVIEW这一虚拟仪器软件确实可以增加系统的可交换性,而且人机交互界面人性化,普通人一看也能读懂温度和正常的操作。
关键词:温度控制;虚拟仪器;PID控制;模糊控制。
Abstract
In modern people's daily life, there is a growing demand for water temperature control in common containers. However, due to the particularity of temperature, water temperature is easy to be endothermic and exothermic in the process of being controlled. As a result, it has great inertia, lag and nonlinearity, which determines that it is difficult to establish standard and definite mathematical model in temperature control system. It is difficult to design an accurate and feasible water temperature control system.
In view of this difficulty, this paper adopts the technology of PID fuzzy control, which simplifies the mathematical model of the whole system and uses the technology of PID control to improve the control accuracy of the system, so as to reduce the overshoot time. Finally, the whole system is simulated with the software of MATLAB, which ensures the reliability of the whole model. In addition, a hardware system consisting of STC89C52 main chip, relay temperature controller, LCD screen, serial communication and computer and a high precision RD12OP05SS temperature sensor are designed. The software part consists of C language program code stored in STC89C52 main chip. The data is transmitted to LabVIEW through serial communication. The interface of temperature display and human-computer interaction is designed in LabVIEW. The temperature collection, query and display are realized by LabVIEW.
Finally, the conclusion of the study shows that the accuracy of the system has been improved and the overshoot time has been shortened by using the PID fuzzy control technology. The simulation experiment of MATLAB is effective and real. RD12OP05SS temperature sensor is suitable for operation, and the accuracy of the system reaches 0.1 degree Celsius. The use of LabVIEW, a virtual instrument software, can increase the interchangeability of the system, and the human-computer interface is humanized, so that ordinary people can understand the temperature and normal operation at a glance.
Key words: temperature control; virtual instrument; PID control; fuzzy control.
目录
第1章 绪论 1
1.1研究的背景、目的和意义 1
1.2国内外的研究现状 1
1.3课题研究内容与预期目标 3
第2章 方案对比与选择 4
第3章 硬件系统设计 6
3.1主芯片 6
3.1.1主芯片的选择 6
3.1.2主芯片的介绍 6
3.2温度传感器 7
3.2.1温度传感器的选择 7
3.2.2温度传感器的介绍 7
3.2.3温度传感器引脚的介绍 8
3.2.4温度传感器的内部结构和程序流程 8
3.3继电器的介绍 9
3.4温度控制器的介绍 9
3.5液晶显示 10
3.6最小系统 10
3.7指示灯电路 11
3.8按键输入电路 12
4.1程序编写思路 13
4.1.1 数据采集与模数转换程序 14
4.1.2温度比较与PID模糊控制程序 14
4.1.3温度传感器运行程序 15
4.2 PID控制与模糊控制 15
4.2.1PID控制与模糊控制的介绍 15
4.2.2仿真部分 17
4.3上位机 21
第5章 误差分析 23
第6章 总结与展望 24
附录一 26
附录二 26
第1章 绪论
1.1研究的背景、目的和意义
随着科学技术的发展和人类生产力的进步,人类的生活水平逐渐提高,在生产生活中对自动化的的要求越来越高,相应的对控制系统的需求也越来越大。那么研究对日常生活中常用的容器中的水温控制就非常有必要,对提高人类的生活水平有很大的帮助。但是,随着现在时代的飞速进步,人类的生活中对控制系统的方便程度、精确度和升降温时间的要求越来越高,传统的温度控制方式已经无法满足现在人类的生活的需求。究其原因,主要有以下几点。
(1)温度这个参数的大惯性、大滞后和非线性变化等特点。
由于水是一种液体,加热的过程中如果从一个点加热,在加热的过程中,被加热的部分和未被加热的部分相互吸热放热,导致温度会滞后很长时间。而且在加热的过程中容器本身也会和其中的水产生吸热放热,甚至容器还会和外界的空气之间产生作用,这导致整个系统在研究的过程当中更加的复杂。
(2)温度极易受外界的影响。
比如在生活中人员的走动,挡住了日常热源和容器,会瞬间导致温度的改变。日常室内的气流流动,或者居住环境的自然升降温也会带走水的热量导致温度的改变。
(3)难建立精确的数学模型。
在加热的过程中,温度的变化本身就不是成线性的。而且整个系统易受外界的影响,通常建立的数学模型会成高阶的模型,很难表达。而在测控的研究手段中,数学模型或者说将具体的事物抽象成数学模型是一个常用的手段,难以建立精确的数学模型对研究这一类问题形成了很大的困难。
(4)不具有可交换性。
由于在现代工业生产中,各种不同的对象在结构和形态不同,各种产品的生产环境不同,导致旧式的温度控制系统通常针对专门的具体的情况设计,不具有可交换性。然而,我们希望的是,在日常生活中可以针对不同的使用环境和容器,开发出一个可以通用(或者稍加改变就可以运用)的系统。
针对以上几点,研究PID模糊控制技术,运用这一技术来提高系统的精确度,减少系统的滞后时间,模拟出一个可行的数学模型,就显得特别有必要。此外,现在虚拟仪器飞速发展, LabVIEW是现在主流的虚拟仪器软件[1]。近两年LabVIEW可以让工业生产中的可交换性提高百分之八十[2]。所以研究基于LabVIEW的温度控制系统对提高系统的可交换性,具有深刻的意义。对解放现代生产的生产力、提高和改善人类的生活水平和提高人类的生活质量有极大的帮助。
1.2国内外的研究现状
国外的温度控制系统的开发和虚拟仪器均起步得比较早,“虚拟仪器”这个概念最早由上个世纪八十年代的美国NI公司提出,经过近五十多年的发展,国外的虚拟仪器技术在分布式虚拟仪器,外挂式虚拟仪器和网络化虚拟仪器等多个领域有了重大突破。国外的带有虚拟仪器的温度控制系统,现在已经可以达到以下几点。
(1)超精确控制。
日本名古屋大学的化工专业实验室应用的精密仪器,已经可以通过外挂的虚拟仪器来控制反应容器内的温度精确到0.01摄氏度。美国的哈佛大学量子实验室开发的四共轨原子激脉测试仪,运用微观技术可以将微观结构上的温度控制在小数点后四位的精度,并保持这个温度不变,还可以将这个实时的温度显示出来。
(2)远程控制及超远程控制。
德国慕尼黑工业大学的自动化专业与遥感专业联手开发的温度控制系统已经可以通过无线电通讯控制距离实验室五十公里的锅炉的温度。德国精英大学的有机化学专业投入使用的反应炉温度控制系统,做实验的时候实验人员只需在几百米开外的计算机前坐着输入一个目标的温度,就可以控制距离几百米的炉温。美国航天局在发射卫星的时候,甚至可以接收从卫星上传输回总部的信息,再通过设置在地面的上位机来控制远在数万米高空的卫星上的温度。
(3)高自动化控制。
日本早稻田大学开发的土壤温湿度自动控制系统已经实用于农业大棚,长时间在无人看管的情况下自动控制土壤的温湿度。可见得,虚拟仪器的温度控制系统,除了工业与化工航天专业得到了应用,国外,在农业上,这一技术也得到了应用。
(4)高分布式的控制系统。
同样的在日本早稻田大学开发的应用于农业的一体式温湿度控制系统。单独的一个上位机,可以同时控制多点不同作物的大棚的温度,除此之外,不仅是温度,连湿度,光强等多参数都由各分线连接在同一总线上。由同一个上位机实现多点位、多参数的控制。
除此之外,国外在虚拟仪器控制温度的领域上还有多项技术突破。然而国内由于起步晚,发展慢,温度控制的还停留在一个较低的水平,几乎都只能实现研发出针对单一任务开发的温度控制系统,总体上还处于简单化实用化的阶段,而且开发出的产品精度低,寿命短,可交换性差。比如,山东大学的吴佳豪,用最小乘二法开发的基于multi instrument开发的室温控制系统,虽然设计出了PID模糊控制器,但是控制的过程振荡时间极长,达到了五分钟。还有浙江大学测控专业开发的温度湿度光强三位一体式的控制系统,虽然和分布式挂上了一点关系,但是整个系统的精度很低,远不能达到日本早稻田大学开发的系统。在远程控制上华南理工大学开发了使用无线网卡传输数据的远程温度控制系统,但是由于长距信号衰减等原因,整个系统虽然达到了远程控制温度的目的,但是可靠性低,容易受到外界环境的干扰。虽然我国的虚拟仪器温控技术还在初级接单。但是由于我国的国民经济的持续快速发展和国家对虚拟仪器这一块高新技术的扶持,我国的虚拟仪器最近几年在也取得了急速的发展。在光电行业中中国虚拟仪器的水平已经跻身世界前列[3]。所以进一步研究这一方面的课题,对于推进我国科技的发展,让我国的虚拟仪器温控技术达到发达国家的水平,具有很大的意义。
1.3课题研究内容与预期目标
本课题致力于设计一个在家庭日常生活中方便使用的水温控制系统。控制的范围为0℃到100℃(因为只打算在在中原地区的一个大气压压强和固定的体积下使用,所以没有考虑到零摄氏度以下和一百摄氏度以上的情况。)测量的精确度精确到0.1℃。控制的范围为一个固定温度值的±1℃。硬件部分基于STC89C52芯片去设计,为了减少系统振荡的时间,还会有PID模糊控制的部分。温度的控制由专门的温度控制器来控制,实时温度会通过串口通讯传输到LabVIEW中显示。
本设计中的内容:
(1)硬件的选择与设计。
根据需要,考虑经济性、环保性和可行性,在各个模块选择合适的硬件。介绍选择这一硬件或者元件的原因,这一硬件的优点和工作原理和参数。并根据方案的需要,设计每一个部分的电路,和各个部分间的连接方式。
(2)温度控制系统中的PID模糊控制器设计。
介绍PID控制和模糊控制的作用与优点,并根据需要设计数学模型,选择控制策略,完成后再在MATLAB中仿真,介绍整个仿真的流程。
(3)温控程序的设计。
包括在主芯片中的温控模块的代码的编写逻辑思路,和LabVIEW中的显示程序,还有人机监控界面和温度显示界面的设计。
第2章 方案对比与选择
方案一:如图2.1,设计一个温度控制系统,基于S3C72B0X微处理器的和μCLinux的嵌入式开发的。如图温敏电阻元件接入测量电路,将电阻量转换为电压量,然后由于这个信号很小,再接入放大电路将这个信号放大,再接入S3C72B0X微处理器自带的模数转换模块,达到采集温度的目的。然后再通过脉宽可调功能(PWM),使可调脉宽的占空比被控制,再接入放大电路将这个信号放大后接入继电器电路,然后再通过外挂的温度控制器去控制温度。下位机与上位机的信息交换则通过无线网卡去实现,上位机软件由LabVIEW来写。温度控制的比较程序代码和PID模糊控制则在S3C72B0X微处理器中实现。此外在S3C72B0X的周边I/O口上还要外挂上按键电路,LCD液晶显示电路和报警灯等周边电路。

图2.1 方案一的系统框图
方案二:如图2.2,选用PLC作为主控制器,用热电偶作为温度检测装置,然后接入变送器,这个变送器起到的作用和方案一中的模数转换电路差不多,而且还起到了信号放大的作用。最后将这个信号传入PLC主控制器,通过串口通讯将实时温度值传入上位机中显示出来,并在上位机软件LabVIEW中和目标温度作比较,并按照PID模糊控制的算法得出结论,再控制可控硅的导通角大小,调节温度控制器来控制温度的高低。

图2.2 方案二的系统框图
方案三如图2.3,温度测量电路直接使用温度传感器,然后接入模数转换电路和放大电路接入主芯片。相应的周边的电源电路、时钟电路和复位按键电路等接入主芯片,此时直接在主芯片中写入温度对比的程序和PID模糊控制的部分,然后将采集到的实时温度的数值和目标温度的数值通过通讯卡导入上位机,这时温度对比的程序不再在上位机中完成,而上位机只完成了温度的显示和改变目标温度的功能。由主芯片控制继电器,再用继电器控制外接的温度控制器。

图2.3 方案三的系统框图
分析以上三种方案,首先淘汰方案二,因为现在市场上可用的PLC控制器的体积都偏大,而且功能复杂,价格偏高,不符合经济性原则,体积过大也不适合在日常家庭中使用。此外在程序设计上我更偏向于方案一和三,直接在主芯片中设计,因为可靠性高,传统的控制系统大多都在主芯片中直接设计程序,方便理解代码也方便检查出错的位置,不像用LabVIEW写程序那样一大堆框图,很难读懂,也很难检查出错的地方,所以舍弃方案二。又因为PID的温度控制系统相应速度快、超调量小,具有很好的响应特性和鲁棒性[5]。这样提高系统的实用性,所以方案一和三比较可行。但是嵌入式的设计成本较高,单材料的进购成本就相差了数十倍,而且嵌入式的I/O接口较多,本课题的设计用不到那么多,容易造成资源浪费,从环保性的角度来考虑,方案一远不如方案三,最终选择使用方案三。
第3章 硬件系统设计
3.1主芯片
3.1.1主芯片的选择
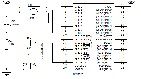
STC89C52是一种被宏晶科技公司生产的一种功耗比较低、性能比较高的CMOS的八位微型的控制器。该元件方方面面满足设计需求。这种芯片具有八千字节的系统,并且内涵可以用于编程的flash存储器,这种芯片还使用了非常经典的MCS-51的内核,相比于传统的51芯片,他具有很大51芯片不具有的功能,这些特性使得STC89C52可以提供高灵活和非常有效的解决方案。此外,选择使用STC89C52芯片作为主芯片,还因为STC89C52芯片具有以下优点:
(1)STC89C52芯片的集成度比较高、体积非常的小和可靠性高。STC89C52芯片的各种功能全部集成在其中的一块集体芯片上,由于他的集成度高,这使得他的体积非常的小。此外,各个芯片的设计必定是按照具体的工业测量的环境需求而设计的,而STC89C52芯片的内部走线非常的短而精密,所以它的抗工业噪音的能力相比与其他的微处理器也是高很多,这又会使STC89C52芯片的程序指令、常数和表格等数据固化在ROM中不易被破坏,几乎所有的信号通讯都集中在一个芯片内,可靠性高。
(2)STC89C52芯片的控制能力强,具有分支转移的能力,I/O口的逻辑操作和位处理器的能力,很适合应用于专门的控制功能。
以上是毕业论文大纲或资料介绍,该课题完整毕业论文、开题报告、任务书、程序设计、图纸设计等资料请添加微信获取,微信号:bysjorg。
相关图片展示:









