重型载货汽车驱动桥桥壳的结构设计毕业论文
2020-02-19 18:57:47
摘 要
机动车桥壳是安装汽车上传动部件的重要外壳之一,它的作用为保护,汽车上的很多重要零部件都安装在桥壳内。通常说来,它是横置在汽车后轮之间的一个空心的横梁,汽车上的大型传动部件都安装在其中中,它是上部安装在汽车的车厢上,中间通过钢板弹簧连接。它既是汽车的组成部分,同时又承担着汽车的重量,在行驶时起着关键作用。钢板弹簧是汽车悬架中应用最广泛的一种弹性元件,既有多片的,也有少片的。它的作用主要是减震器,保护车内的货物不至于因激烈振动而损坏,它和桥壳的安装是通过桥壳上板簧座,使用螺栓连接在一起,最后和车厢装配在一起。
本文主要介绍了桥壳的基本知识,针对国内外桥壳的研究现状,对不同类型的桥壳做了一个简要的分析,发现汽车行业趋向重载类型的汽车,所以有关重载桥壳的设计需求越来越多,也说明了本次设计的目的及意义。另外,详细介绍了最常见的桥壳的结构形式及其特点,确定了所设计的桥壳的结构、焊接方式、半轴套管的结构、断面形状等等,然后针对不同工况对几种最典型的情况进行分析,对所设计的桥壳进行强度计算及校核,最后选择了最合适的桥壳及其零部件的材料。最后,介绍了汽车悬架,确定钢板弹簧的结构形式,选择了板簧上的各个零部件,然后设计了板簧的厚度、长度及曲率半径,最后设定了预紧力得出了钢板弹簧的弧高,并进行了校核。
关键词:驱动桥桥壳;冲压焊接;重载货车;钢板弹簧悬架
Abstract
Vehicle axle housing is one of the important enclosures for installing transmission components on automobiles. Its function is to protect. Many important parts on automobiles are installed in the axle housing. Generally speaking, it is a hollow beam between the rear wheels of a car, in which the large transmission parts are installed. It is installed on the upper part of the car, and connected by leaf springs in the middle. It is not only an integral part of the car, but also bears the weight of the car. It plays a key role in driving. Leaf spring is one of the most widely used elastic components in automobile suspension. It has many pieces and few pieces. Its main function is shock absorber, which protects the goods in the car from being damaged by intense vibration. It is installed with the axle housing through the leaf spring seat on the axle housing, which is connected by bolts, and finally assembled with the carriage.
This paper mainly introduces the basic knowledge of axle housing, and makes a brief analysis of different types of axle housing according to the research status of axle housing at home and abroad. It is found that the automobile industry tends to be heavy-duty vehicles, so there is more and more demand for the design of heavy-duty axle housing, which also explains the purpose and significance of this design. In addition, the structure and characteristics of the most common axle housing are introduced in detail, and the structure, welding method, half-axle sleeve structure, section shape and so on of the designed axle housing are determined. Then, according to different working conditions, the most typical cases are analyzed, and the strength calculation and check of the designed axle housing are carried out. Finally, the most suitable materials of the axle housing and its components are selected. Finally, the automobile suspension is introduced, the structure of leaf spring is determined, the components of leaf spring are selected, the thickness, length and curvature radius of leaf spring are designed, and the pre-tightening force is set to get the arc height of leaf spring, and checked.
Key Words:Drive axle housing;Stamping welding;Heavy haul freight car;Leaf spring suspension
目录
摘 要 I
Abstract II
第1章 绪论 1
1.1 驱动桥桥壳简介 1
1.2 国内发展现状 1
1.3 国外发展现状 2
1.4 研究目的及意义 2
1.5 本章小结 2
第2章 驱动桥桥壳设计 3
2.1 驱动桥桥壳的结构型式 3
2.1.1 可分式桥壳 3
2.1.2 整体式桥壳 3
2.1.3 组合式桥壳 7
2.2 桥壳整体设计方案 7
2.2.1 选定桥壳结构型式 8
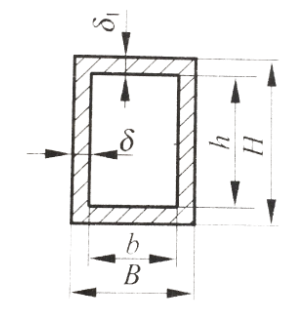
2.2.2 选择桥壳在板簧座附近危险断面形状 8
2.2.3 选定半轴套管形式 8
2.2.4 选择焊接方式 9
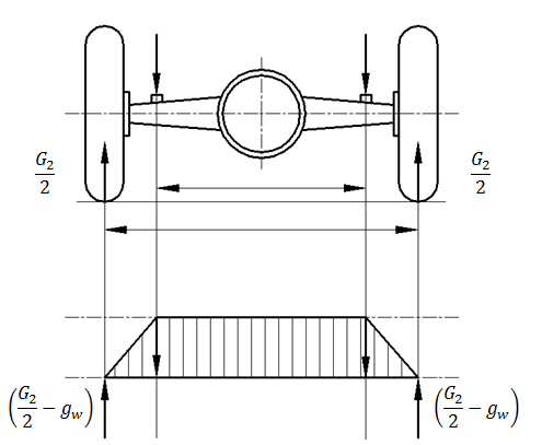
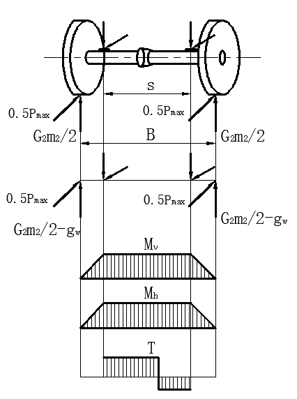
2.3 桥壳的受力分析和强度计算 10
2.3.1 桥壳的静弯曲应力计算 11
2.3.2 在不平路面冲击载荷作用下的桥壳强度计算 13
2.3.3汽车以最大牵引力行驶时的桥壳强度计算 13
2.3.4 汽车紧急制动时桥壳的强度计算 16
2.3.5 汽车受最大侧向力时的桥壳强度计算 18
2.4本章小结 23
第3章 钢板弹簧设计 24
3.1 选定板簧的结构形式 24
3.2 钢板弹簧主要零部件的选择 24
3.3 钢板弹簧悬架主要参数确定 24
3.4 钢板弹簧悬架的设计计算 26
3.4.1 主片长度 26
3.4.2 断面尺寸及片数的确定 27
3.4.3 各片长度的确定 28
3.4.4 钢板弹簧的刚度校核 29
3.5 总成在自由状态下的弧高及曲率半径计算 30
3.5.1 弹簧总成自由弧高的确定 30
3.5.2 各片副簧自由状态下曲率半径的确定 31
3.5.3 钢板弹簧总成弧高的核算 32
3.6本章小结 33
结论 34
参考文献 35
致谢 37
第1章 绪论
1.1 驱动桥桥壳简介
桥壳的结构型式有三种,即可分式桥壳,整体式桥壳和组合式桥壳[8]。
几个部件可分离得桥壳通常分为两个部分,因此易于铸造和加工,但是修理和拆卸不方便,并且轴壳的强度和刚度相对较低。过去,它主要用于轻型商用车辆,目前很少使用。组合轴壳的铸件尺寸小,因此轴壳重量更轻;但是,它没有在装入轴壳之前调节最终减速器和差速器组件的优点,但需要在安装时进行调整。组合式轴壳对加工精度要求较高,整个桥壳的刚性不如整体式。整体轴壳被广泛使用,具有高强度和高刚性,便于最终传动的装配,调整和维护。然而,其形状复杂并且应力计算相对困难。根据一定的成型方法,所有部件的一个整体的桥壳可分为通过铸造模具铸造而成的桥壳,将钢管向外扩张到一定尺寸成形的桥壳、先将钢板扩充挤压到一定尺寸,然后再经过焊接成型的桥壳。
1.2 国内发展现状
早期的中卡客车和重卡客车以通过铸造模具铸造而成的桥壳为主。通过铸造模具铸造而成的桥壳可以铸造出足够的桥壳壁的厚度和使其拥有及哦啊好的承重能力,不过它也有它的缺点即自己的重量过于大,除此之外还会在铸造过程中出现瑕疵砂眼的问题。
到2002年,我国逐渐开始在中型的卡客车和重型的卡客车中使用先将钢板扩充挤压到一定尺寸,然后再经过焊接成型的桥壳。与通过铸造模具铸造而成的桥壳相比,先将钢板扩充挤压到一定尺寸,然后再经过焊接成型的桥壳具有很多优点。先将钢板扩充挤压到一定尺寸,然后再经过焊接成型的桥壳的热成型不仅通过一定的方式不断地降低了成形过程中的应力,而且在一定程度上解决了一些重大问题,大大提高了使用先将钢板扩充挤压到一定尺寸,然后再经过焊接成型的桥壳车的质量。
到2005年,我国的铁路、高铁运输能力有了很大的提高和人民的人均消费水平也得到了十足的上升,我国国内的经济市场对中型卡客车和重型卡客车的需求越来越多,也越来越多层次,越来越向多品种化的方向发展。根据我国经济市场调研的需求预测,在将来几十年中,中型卡客车和重型卡车的需求将稳步增长,2018年底对中型卡客车和重型卡车的需求已经达到120万辆;到2019年底保守估计对中型卡客车和重型卡车的需求达到130万辆。在总需求中,对重型卡客车的需求不断增加。到2019年,它已经占总需求的70%;到2019年底,保守预测它将占总需求的80%。然而我国市场中对中型卡客车的需求量逐年往下滑,并慢慢地趋于稳定。据调研在长期以来,对中型卡客车的需求量将保持在总量的20%左右。在未来五到十年期间,中型卡客车的在市场的需求比例将急剧下降;7000kg-10000kg的车辆将一步步的替换代现在的中型卡客车,成为我国未来运输市场的主产品;超过10吨的重型车辆将随着该国的基础设施投资和高速公路而增加。运营网络逐年改善,未来几年经历了可观的增长。特别是高速公路的快速发展为大吨位和大功率卡车提供了独特的优势;中国集装箱运输业的快速发展也为大吨位和大功率卡车提供了广泛的应用。未来几年,重型汽车和大型乘用车将进入快速增长期,对车轴的需求也将急剧增加。重型汽车,一汽和第二汽车仍主要生产准重型汽车。未来,他们将增加大吨位16T和30T重型车的发展。
1.3 国外发展现状
国外的车桥与国内车桥的发展有所不同,首,VISTEON系统公司主要生产整体式独立悬架车桥,这种车桥拥有很多优点,如低噪音、耐久、可靠等,在北美市场中占有80%以上的份额。其次,AAM车桥制造公司主要生产适应履带宽度的独立式和整体式桥,在北美市场占有率高达90%以上。再次,DNAA公司主要生产中型载货单级桥,型号由S150-S、199060等,重型载货单级桥,型号21090系列、30150系列等等。最后,国外的车桥还有RT-40-160并装驱动桥、商用车车桥、载货车车桥、多用途载货车桥M80/286、大型多用途车桥M80/286、娱乐车车桥和旅宿车桥M60/248、商用箱式车桥M44/216、工业应用车桥M30/11、军用车车桥M35/194、皮卡-1车桥M30/181、专用车桥M21/149、紧凑型车桥M26/165等等。
1.4 研究目的及意义
本次关于重型载货汽车车桥桥壳结构设计的毕业设计,我会以国内外桥壳现状为参考,尽量避免以上所列举的缺陷,虽然是以传统车桥桥壳设计为目标,但通过本次设计,可以学习到很多关于车桥设计的知识、一些3d建模软件、有限元分析方法等等,为今后学习和工作打下基础。
1.5 本章小结
本章主要介绍了桥壳的基本知识,针对国内外桥壳的研究现状,对不同类型的桥壳做了一个简要的分析,发现汽车行业趋向重载类型的汽车,所以有关重载桥壳的设计需求越来越多,也说明了本次设计的目的及意义。
第2章 驱动桥桥壳设计
2.1 驱动桥桥壳的结构型式
据我所查找的文献可知,桥壳一般有三类结构,一种是几个部件组合在一起的桥壳、一种是所有的部件是一个整体的桥壳,最后一种是几个部件可分离得桥壳[8]。
2.1.1 可分式桥壳
可以分离的桥壳,按照一定的前提条件能够分为三部分可以分离的桥壳和两部分可以分离的桥壳。
可以分离的桥壳大部分是两部分可以分离的。如图 2.1 所示,此种桥壳结构相对落后,装配和制造等工艺性较差,因此逐渐被淘汰。

图 2.1 可分式桥壳
三部分可以分离的左、右两半和主减速器壳都为铸件。此种结构的中央壳体不仅作为桥壳的一部分,同时,它还起着主减速器壳的作用。由于整个桥壳被分为三段,因此每一段的制造工艺相对比较简单,但是整个桥壳拼装起来之后,其强度和刚度都相对比较低下。
2.1.2 整体式桥壳
如图 2.2-2.6 所示,整个桥壳制成一个整体是其最显著的特点,此种结构对于差速器以及主减速器的保养、调整、拆装、维修等方面均比较方便,也不用将桥壳由车上拆卸下来,这就是整体式桥壳的又一个优点。
在不同的分类方式下,比照不同的制造工艺,所有部件为一个整体的桥壳可以分为第一种将钢管向外扩张到一定尺寸成形的、第二种通过使用铸造模具铸造出来的以及第三种先将钢板扩充挤压到一定尺寸,然后再经过焊接成型的。
将钢管向外扩张到一定尺寸的桥壳的材料是卷焊钢管还有中碳无缝钢管,经过滚压机滚压而成,如图2.2 所示。虽然此种桥壳的质量较小,但是其刚度和强度却相对较好,不过它需要专用的滚压、扩张成型轧制设施。此种桥壳适用于轻、中型载货汽车以及轿车的大批量生产。
图 2.2 钢管扩张成型桥壳的扩张、滚压过程
如图 2.3 所示,还有其他一种将钢管向外扩张到一定尺寸点成型的桥壳,它的材料是电焊的钢带卷制的钢管还有中碳无缝钢管,第一步先经扩张、第二步再经过滚压机滚压成型,制成左、右半壳,之后利用闪光对焊连接为一体,最后焊上钢板弹簧和凸缘等其他零件。为了增强桥壳的刚度两半壳焊接部位的强度,一般还会在桥壳主体中间的前后端面分别焊上一加强圈。
图 2.3 先将钢管扩张成形为左、右半壳再用闪光对焊组合成桥壳总成的方案
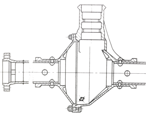
用铸造模具铸造而成的桥壳的原材料一般是铸造钢材、可锻造的铸铁还有球墨铸铁。为了解决球墨铸铁低温冲击值急速下降的问题,法国雷诺公司在其中加进了1.7%的Ni,通过不断地实验才得出了与平常气温下相同的冲击的数值。用铸造模具铸造而成的桥壳在其两边的末端塞进一根较长的无缝管钢材作为半轴套管,之后使用销钉让两部分固定在一起,这样可以进一步提高其刚度和强度。如图 2.4 所示,每侧桥壳和半轴套管的压配表现共有4处,为了得到更好的压配效果,可以由里向外逐渐加大配合表面的直径。桥壳和板簧座铸造成一体,为了提高强度,一般情况下将板簧座处的截面多制为长方形。在重载汽车上,将桥壳和后盖铸造成一体,可以进一步提高桥壳的刚度以及强度。为了进一步方便差速器以及主减速器总成的安装,某些重载汽车的铸造整体桥壳的差速器和主减速器总成的安装孔置于壳体中间的上半部分,不过这样坏降低桥壳的垂向刚度和强度。
图 2.4 铸造整体式桥壳
此外,为了避免一不小心半轴套管被拉出壳体的情况,就要把半轴套管和壳体使用销钉连接在一起[8]。
刚度和强度都相对比较好是铸造整体式桥壳的主要优点,因此对桥壳承载负荷要求较大的重型、中型汽车,比较适合使用这种桥壳结构。对于重型汽车,它的驱动桥桥壳承载很重,更是大部分采用了铸钢式的整体桥壳。
用铸造模具铸造而成的桥壳易出现残次品、废品,所以仅仅适用于重载汽车,但也有极少数用于越野汽车以及中载货车。
为了简化铸造桥壳制造工艺,减少其质量,有的中载货车使用中部较短的铸造桥壳。此种结构的桥壳铸件形状简单、尺寸较小,因此其所需要的制造设备并不复杂,还可以大大减少残次品、废品数量。不过钢管的截面形状不可以任选,且其刚度和强度也较差,尤其是钢管和桥壳连接的端面处是最薄弱的地方,需要尽量加强此部位。
钢板冲压焊接桥壳的其中一种时是带三角镶块的,其总成如图 2.5 所示[8]。
图 2.5 钢板冲压焊接整体式桥壳总成
主桥壳体的上半部分和下半部分是一模一样的部件,此种壳体主板料是长方形的,不仅仅下料很方便,而且材料利用率也非常高,但是上、下两桥壳主体相互对焊的时候,需要将4块儿三角镶块分别补焊到桥壳中间前、后两侧的缺口处。当然,也可以采用不使用三角镶块的结构。这种方案,除了可以避免上一种方案中3条焊缝的汇合点出现过大的缝隙的一个重大缺点之外,并且还易于加工。
主桥壳体的上半部分、下半部分和半轴套管间的连接方式不仅可以采用对焊之外,还可以使用另一种连接方式。即沿着半轴套管与主壳体的连接处焊接一圈外,之后再进行塞焊加固,此种方案可以增强焊缝质量,所以就不需要对桥壳进行焊接后的校形工作以及时效处理,就可以精加工两端的半轴套管,简化工艺。
以上是毕业论文大纲或资料介绍,该课题完整毕业论文、开题报告、任务书、程序设计、图纸设计等资料请添加微信获取,微信号:bysjorg。
相关图片展示:









