抗血栓药物阿加曲班注射液生产车间设计毕业论文
2020-04-10 14:43:48
摘 要
本设计为年产1亿支阿加曲班注射液的生产车间设计。阿加曲班注射液被广泛应用于治疗周围动脉闭塞性疾病,肝素诱导的血小板减少症、急性脑血栓和急性缺血性脑卒中等疾病,该药具有广泛的发展前景。本设计的目的是设计出高效环保的阿加曲班注射液的生产车间。首先确定一条与生产任务相匹配且可投入到工厂中的生产工艺流程,然后根据生产工艺流程和生产处方进行物料衡算、能量衡算,最后进行设备计算、选型以及车间设计、三废处理等。本设计最终得到说明书一份,生产工艺流程图、配液罐装配图、车间平面布置图、配液车间立面布置图、安瓿洗、灌、封联动机组装配图各一份。本设计符合GMP标准,采用现代化的设备和生产方法,在保证药品质量的情况下,降低生产成本,提高了车间的生产效率,具有一定的现实意义。
关键词:阿加曲班注射液;生产工艺;设备;车间设计
Abstract
This design is the annual production of 100 million Ajiajiaoban injection workshop design. Agatriban injection has been widely used in the treatment of peripheral arterial occlusive diseases heparin-induced thrombocytopenia acute cerebral thrombosis and acute ischemic stroke and so on. The purpose of this design is to design a high-efficiency and environmental protection Ajiajiaoban injection production workshop. First of all, determine a production process that matches the production task and can be put into the factory. Then, according to the production process and production prescription, material balance, energy balance, equipment calculation, selection and workshop design, Three wastes, etc. Finally, one copy of the specification, the flow chart of production process, the assembly drawing of liquid tank, the layout drawing of workshop plane, the facade layout drawing of liquid distribution workshop, the assembly drawing of ampoule washing, filling and sealing unit are obtained. The design accords with GMP standard, adopts modern equipment and production method, reduces the production cost and improves the production efficiency of the workshop under the condition of guaranteeing the quality of medicine, and has certain practical significance.
Key words:Ajiatreban injection;production engineering ;equipment;workshop design
目录
摘要 I
Abstract II
第1章 绪论 1
1.1 阿加曲班简介 1
1.2 国内外的研究现状分析 1
1.3 设计目的及意义 1
1.4 设计主要内容 2
第2章 注射剂设计概述 3
2.1 设计内容 3
2.2 产品设计 3
2.2.1 设计要求 3
2.2.2 生产规模 3
2.2.3 设计产品规格 3
2.3 设计原则 3
第3章 工艺流程设计 4
3.1 产品设计依据 4
3.2 注射用水制取工艺 6
3.2.1 注射用水的制备 6
第4章 物料衡算 6
4.1 原料药物料衡算 7
4.2 包装材料衡算: 8
4.3 热量衡算 9
第5章 设备计算与选型 10
5.1 主要设备选型原则 10
5.2 工艺用水设备 10
5.2.1 原水罐 10
5.2.2 纯化水罐 10
5.2.3 淡水罐 10
5.2.4 注射用水罐 10
5.2.5纯水制取装置 10
5.2.6 多效蒸馏水机 11
5.3 配制工段设备 11
5.3.1 配制罐 11
5.3.2 钛棒过滤器 12
5.3.3 输液泵 13
5.3.4 精密过滤器 13
5.4 安瓿烘洗工段设备 13
5.4.1 CLQ型链式多功能超声波清洗机 13
5.4.2 MSH-B型热风循环灭菌烘箱 14
5.5 灌封工段设备 15
5.5.1 AGF型自动安瓿灌封机 15
5.6 AFJ型安瓿注射翻检机 15
5.7 BYS型玻璃瓶色釉烧结机 16
5.8 ZGT型自动不干胶贴标签机(卧式) 16
5.9 设备一览表 17
第6章 生产用水与管道计算及布置 18
6.1 生产用水的计算 18
6.1.1 去离子水用量的计算 18
6.1.2 自来水用量的计算 18
6.2 管道设计及计算 19
6.2.1 输送蒸馏水管道的计算 19
6.2.2 自来水管道的计算 19
6.2.3 输送去离子水管道的计算 19
6.3 管道布置原则 19
第7章 车间设计 20
7.1 设计目的 20
7.2 设计依据 20
7.3 车间布置设计 20
7.3.1 车间布置原则 20
7.4 洁净区等级 20
7.5 人流、物流通道布局 21
7.6 公用系统参数 21
7.6.1 水 21
7.6.2 配电 21
7.6.3 蒸汽 21
7.6.4 压缩空气 21
7.6.5 空调 21
7.7 车间整体设计 21
第8章 三废治理 22
8.1 废渣的处理 22
8.1.1 废渣的来源 22
8.1.2 废渣的治理 22
8.2 废水的处理 22
8.2.1 废水的来源 22
8.2.2 废水的治理 22
8.3 废气的处理 22
8.3.1 废气的来源 22
8.3.2 废气的治理 22
第9章 生产制度 23
9.1 工作时间 23
9.2 人员定岗 23
第10 章 结论 25
10.1 文献查找方法 24
10.2 总结与感想 24
参考文献 25
附录 26
致谢 27
第1章 绪论
1.1 阿加曲班简介
阿加曲班是一种合成的低分子左旋精氨酸衍生物,它的作用机制是通过与凝血酶催化位点可逆性结合达到直接抑制凝血酶的作用。阿加曲班自研制以来,在临床治疗中表现出极大的优势。它是一种选择性凝血酶抑制剂,在直接作用于凝血酶的同时并不抑制其它丝氨酸蛋白酶如胰蛋白酶、血纤维蛋白溶解酶和激肽释放酶等酶发挥作用[1]。由于阿加曲班效果显著的临床治疗效果,它首先被用于治疗周围动脉闭塞性疾病,然后用于治疗急性脑血栓和心肌梗死溶栓的辅助治疗,并用于抗凝血酶(AT)缺乏患者进行血透时的抗凝处理。
世界上脑血栓的发病率逐年上升,血栓的发病年龄已经有老年向更年轻化发展的趋势,据资料显示,我国每年有150万人发病,每年因中风死亡人数超过110万,并呈上升趋势。抗血栓药物的研究迫在眉睫。阿加曲班的成功研制和其具备的明显治疗效果血栓患者带来希望。阿加曲班已成为抗血栓药物的首选药物。
1.2 国内外的研究现状分析
阿加曲班是由日本三菱化学研究所研制合成的抗血栓药物阿加曲班作为全球首个选择性抗凝血酶剂于1990年2月在日本上[2-3]2005年,由中国研制合成的“达贝-阿加曲班”作为治疗急性脑血栓的一种新药,获得国家食品药品监督管理局批准上市。此药在临床上备受青睐,但此药合成路线长并且有较多难点。目前阿加曲班注射液的研究主要在国外,国内较少。因此阿加曲班注射液的开发前景较大。
阿加曲班在临床上为动、静脉血栓栓塞性疾病的抗凝治疗提供了新的选择。它作为一种选择性抗凝血酶比肝素有明显的临床优势,并且其体外抗凝效果有优于低分子肝素的趋势,其优势主要体现在无抗原性、分子量小、临床安全和剂效关系明确等方面[4-7]。近年来,阿加曲班进行了多项不同适应症的临床试验研究,其中包含针对儿童用药的研究,相信随着各种临床试验的开展阿加曲班的应用和市场前景会更加广泛。
1.3 设计目的及意义
此次设计的主题为抗血栓药物阿加曲班注射液的生产车间设计,此次设计的目的在于通过处方分析进行物料衡算、热量衡算、设备选型和车间布置设计以及人员配置等实现从原料药到产品的生产任务。
通过本设计,不仅可以增加我们对抗血栓药物阿加曲班的认识了解,而且可以学习如何将某种药物的生产工艺放大到工厂中生产,学习在设计生产某种具体药品的工厂时需要做哪些工作以及需要哪些技能。除此之外,我们能够更好更为灵活的应用自己所学的专业知识,提升专业素养,CAD制图等相关技能。
1.4 设计主要内容
此次设计的主要内容较多,首先是生产工艺流程的设计,再者是依据生产处方进行物料衡算和设备选型:物料衡算时,我们可根据设计的要求和实际生产条件,计算出每天,每年的各种原料药的用量;我们会根据物料衡算的结果进行设备的选择。随后,我们会结合生产能力和生产效益进行车间的布置,包含设计依据、设计原则、设计流程。
本设计具备以下内容:说明书一份、图纸五张。
第2章 注射剂设计概述
2.1 设计内容
年产1亿支抗血栓药物阿加曲班注射液的生产车间设计。
2.2 产品设计
2.2.1 设计要求
(1)工艺设计要科学、严谨、周密,尽量减少环境污染。
(2)设备、仪器及仪表的选择需合理、安全、经济。
(3)文字说明逻辑清楚、图示清晰、计算准确。
2.2.2 生产规模
阿加曲班注射剂:1亿支/年
2.2.3 设计产品规格
本设计选用20 mL/支
2.3 设计原则
- 阿加曲班的厂房选址应考虑周边环境情况,如交通、水源、电力能源、燃气供给、风向、污水处理等多方面因素;
- 车间平面布置必须满足GMP标准。在此标准下,注射剂车间的洁净区要求高,应保证洁净度严格按要求设置;
(3)人流通道和物流通道合理设计,应做到人流、物流的分开,不返流。同时,布局的合理性也尤为重要。可以使更为简捷,提升工作效率。
(4)选取先进的工艺设备,设备选型时,最重要的考虑是其能否完成生产。
(5)对于安全、环保、防灾等相关规范,需要严格遵守。
第3章 工艺流程设计
3.1 产品设计依据
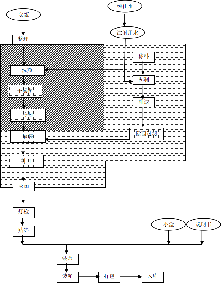
(1)配制:将配制量80%的注射用水加入浓配罐中,保证药液温度控制在60 ±5 ℃;加入处方量的山梨醇,搅拌20分钟,搅拌转速为250转/分,溶解完全,药液温度控制在60 ±5 ℃;按质量体积比加入0.10%的活性炭,在55 ±5 ℃环境下保温搅拌15分钟,然后药液静置(0转/分)15分钟,药液经1.0 μm钛滤芯循环脱炭2分钟、转移相关阀门,然后经1.0 μm钛滤芯过滤将药液转移至稀配罐中。然后加热药液使温度不低于85℃,保温10 min,接下来按处方量加入阿加曲班,搅拌溶解,加注射用水至近全量,调节pH值为6.0,取样进行中间体检测,依据检测结果,补加注射用水或物料至所需量,控制量为97%至103%(以阿加曲班计)。
(2)除菌过滤:用经0.2 μm聚四氟乙烯筒式过滤器过滤的氮气通入稀配罐,加压至1.2bar,药液经过0.2 μm聚醚砜筒式过滤器过滤后,滤液应该是清亮、澄明的液体。
(3)灌封:在A级层流保护下将配制好的药液灌注于洁净、无菌的安瓿瓶内且充填氮气。
(4)灭菌:将灌封好的样品置于灭菌柜中,121 ℃蒸汽灭菌20 min。
(5)注射用水的制取:注射用水是以纯化水作为原水,经蒸馏器蒸馏,经膜过滤制备所得的水[8]。
(6)注射剂生产工艺流程图:


图3.1 生产工艺流程图
3.2 注射用水制取工艺
3.2.1 注射用水的制备
注射用水为蒸馏水或去离子水经蒸馏所得的水,又称重蒸馏水[9-10]。
纯水和注射用水具体生产流程如下:

注射用水
图3.2 注射用水生产流程图
第4章 物料衡算
4.1 原料药物料衡算
物料平衡是指在单位时间内进入系统(体系)的全部物料质量必定等于离开该系统的全部物料质量再加上损失掉的和积累起来的物料质量。
物料衡算旨在计算原料的消耗量,中间产品、产品和副产品的产量。进行物料衡算可以为能量衡算、设备的计算与选型提供必要的数据和依据[11]。
物料衡算的通式为:

式中:∑G投入——投入系统的物料总量;
∑G产品——系统产出的产品和副产品总量;
∑G回收——系统中回收的物料总量;
∑G流失——系统中流失的物料总量。
(1)生产处方
【处方】阿加曲班0.525 g、山梨醇60 g、适量盐酸或碳酸氢钠、活性炭(供注射用)0.1 g、注射用水加至1000 ml。
(2)生产制度
设计任务:年产1000万支阿加曲班注射液(每支)
工作制度:年工作日300天,每天2班,每班工作8小时
规格:20 mL/支 20 mL:10.5 mg
班制:2班/天(工作8h/班,准备时间1h)
药液损耗2%(过滤0.4%灌装0.6%灯检1%)
年生产水针剂量:
日生产水针剂量:
班生产水针剂量:
处方中0.525 g阿加曲班制1000 mL,每班生产
理论一班需求量:
处方中60 g山梨醇制1000 mL,每班生产
理论一班需求量:
处方中0.1 g活性炭制1000 ml,每班生产
理论一班需求量:
(3)一年所需原料:
阿加曲班:
山梨醇:
活性炭:
表4.1 原料药物料平衡一览表
序号 | 原料 | 每班消耗量 | 年消耗量 |
1 | 阿加曲班 | 1.785 kg | 1071 kg |
2 | 山梨醇 | 204 kg | 122400 kg |
3 | 活性炭 | 0.34 kg | 204 kg |
4 | 盐酸或碳酸氢钠 | 适量 | 适量 |
4.2 包装材料衡算:
安瓿损耗率5%(洗烘1.5%、灌装1%、灭菌检漏1.2%、灯检贴签0.3%、包装1%)
因为安瓿损耗率为5%,所以


