海藻酸钠聚乙烯醇复合水凝胶的制备及其性能研究毕业论文
2020-02-19 11:50:51
摘 要
水凝胶是一种具有亲水性,在水中有较好溶胀能力,且不溶于水的高分子材料。本文中,以聚乙烯醇(PVA)和海藻酸钠(SA)为原料制备了一种性能良好的复合水凝胶。该混合物由冻融法设计,反复冻融制备而成的复合水凝胶,具有良好韧性。设计将混合原料进行冷冻-解冻法,反复冻融数次以制备复合水凝胶。再将复合水凝胶在饱和氯化钾溶液中浸泡,使制备的水凝胶具有良好机械性能。然后对制备的海藻酸钠/聚乙烯醇-氯化钾水凝胶进行含水量、拉伸强度、潜在抗菌性等性能的表征及研究。本实验中还对水凝胶进行了凝胶韧性和强度的一定改进,制备的用该方法制成的复合水凝胶有良好吸水性能,和良好的保湿性,以及良好的韧性等力学性能,不添加有毒化学试剂,具有潜在抗菌性,在生物工程和人工组织工程方向具有很高的应用价值和应用潜力。
关键词:聚乙烯醇;海藻酸钠;力学性能;复合水凝胶
Abstract
Hydrogels are hydrophilic and have a better expansion ability in water and are not soluble in water. In this paper, a composite hydrogel with high performance was prepared from poly (vinyl alcohol) (PVA) and sodium alginate (SA). This mixture is designed by the freeze ‐ thaw method and has excellent toughness by the composite hydrogels prepared by repeated freezing and thawing. It is designed to freeze the mixed raw material and freeze it several times. The rebound hydrogels were immersed in saturated potassium chloride solution and prepared hydrogels were made to have good mechanical properties. The characteristics of the water content, tensile strength, and potential antimicrobial properties were investigated for sodium alginate / poly (vinyl alcohol) - potassium chloride hydrogels. In the present experiment, the hydrogels have improved the toughness and the strength of the hydrogels, and the prepared composite hydrogels are excellent in water absorbency, high moisture retention, good mechanical properties such as toughness, good chemical properties such as toughness, addition of toxic chemical reagents, latent antibacterial properties, and high application value and applicability in the direction of biotechnology and it has artificial tissue engineering
Keywords:Polyvinyl alcohol; Sodium alginate; Composite hydrogel; Mechanical properties
目 录
摘要 I
Abstract II
第1章 绪论 1
1.1 水凝胶 1
1.2海藻酸钠及海藻酸钠水凝胶 1
1.3聚乙烯醇及聚乙烯醇水凝胶 2
1.4课题意义及设计思路 2
第2章 实验部分 3
2.1引言 3
2.2实验原料及仪器设备 3
2.2.1实验原料 3
2.2.2实验仪器及设备 3
2.3海藻酸钠/聚乙烯醇水凝胶的制备 3
2.3.1纯海藻酸钠/聚乙烯醇水凝胶的制备 3
2.3.2纯复合水凝胶的浸泡处理 4
2.4海藻酸钠/聚乙烯醇水凝胶性能表征 4
2.4.1电子显微镜扫描(SEM) 4
2.4.2红外光谱 4
2.4.2表观密度 4
2.4.3 PVA/SA水凝胶含水量测定 4
2.4.5 PVA/SA水凝胶溶胀性能测定 5
2.4.6拉伸性能试验 5
2.4.7潜在防腐性能 5
第3章 分析与讨论 6
3.1水凝胶浸泡在过程中的表征变化 6
3.2红外光谱分析 8
3.3 PVA/SA水凝胶失水、保水性能 9
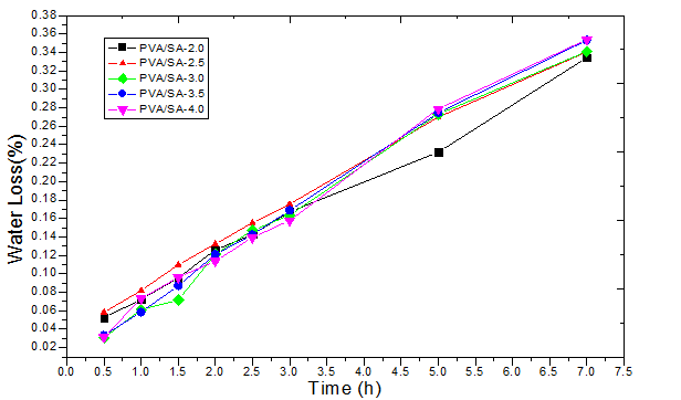
3.3.1不同质量分数下聚乙烯醇/海藻酸钠水凝胶的失水率 9
3.3.2不同冻融时间下聚乙烯醇/海藻酸钠水凝胶的失水率 11
3.3.3不同冻融次数下聚乙烯醇/海藻酸钠水凝胶的失水率 12
3.4 PVA/SA水凝胶溶胀性能 14
3.5不同冻融次数对力学性能的影响 16
3.5.1不同冻融次数对力学性能的影响 16
3.5.2不同浸泡时间对力学性能的影响 17
3.6 PVA/SA水凝胶潜在防腐性能 19
第4章实验结论与展望 20
4.1实验结论 20
4.2展望 20
参考文献 21
致谢 23
第1章 绪论
1.1水凝胶
近年来,水凝胶因其多样性,在组织工程、药物工程和生物工程等领域的应用越来越广泛,而受到人们越来越多的关注。水凝胶(Hydrogel),一般由交联亲水聚合物组成,是一种具有三维空间网状结构的交联高分子材料。水凝胶拥有较强的亲水性,其具有能够吸水溶胀而不溶解于水的特性,质地柔软。由于水凝胶是一种高分子材料,其分子中拥有大量的亲水性基团,可以捕捉结合自由水分子,并将其束缚,降低了水的流动性。因此,水凝胶既能够保持一定的固体形状,还可以拥有一些的流体性质。
水凝胶具有很好的柔性和韧性,质感类似橡胶材料,又因其良好的生物相容性,又类似于生物活性组织。水凝胶可由海藻酸钠、壳聚糖、聚乙烯醇(PVA)等多种天然高分子聚合物合成制得,也可以由天然聚合物和合成聚合物结合合成聚合而成,不同材料制得的水凝胶因其具有不同的性能,其应用方向也多种多样。合成的水凝胶聚合物具有良好的加工性能和力学性能,同时具有良好的生物相容性、生物降解性和低毒性。天然聚合物和合成聚合物作为生物人工生物合成高分子材料的良好结合,由于其经证实的力学和热性能以及生物相容性与单组分的相容性,在过去30年来在生物医学应用中获得广泛关注。
水凝胶根据高分子网络结构的不同可分为物理型凝胶和化学型凝胶两类。化学型凝胶是由共价交联形成的聚合物,通常情况下比较稳定。物理型凝胶是通过非共价作用如主客体作用、氢键以及配位作用等形成的,这种凝胶热稳定性不高,加热下可以发生凝胶-溶胶(GelSal) 的转化,这种水凝胶也可称为超分子水凝胶。
1.2海藻酸钠及海藻酸钠水凝胶
当海藻酸钠(SA)是一种天然多糖高分子材料,来自于褐藻类的海带或马尾藻中提取碘和甘露醇之后的高分子副产物,属于天然的发生聚阴离子电解质。海藻酸钠无毒,具有非常优秀的的生物相容性。海藻酸钠有非免疫原性,是来自海藻提取制备的可生物降解的线性碳水聚合物。海藻酸钠分子由β-D-甘露糖醛酸组成(M-嵌段)和α-L-古洛糖醛酸(G-嵌段)组成的高分子聚合物。由于海藻酸钠的生物相容性,生物降解性表现都非常好,还拥有良好凝胶形成性能和低成本优势,目前已经广泛使用于生物医学凝胶方向。海藻酸钠凝胶经凝胶化、冷冻干燥后形成适合于细胞生长和移植的大孔结构,可根据软骨缺损大小、形状塑造出相应的凝胶填充支架。
一般认为,海藻酸钠可以通过调整凝胶化介质或引发剂的例子浓度等来进行性能的调节,如水凝胶的结构及其力学性能等。因此在准备水凝胶制备时要考虑到配方参数对其凝胶的强度、溶胀比和孔隙率的影响,才能制备出符合目标条件的良好凝胶。但对于单纯海藻酸钠水凝胶,进行离子交联后浸泡入缓冲液中,会出现长时间浸泡后,失去机械性能和膨胀性能的现象。因为纯海藻酸钠水凝胶缺乏良好的力学性能,稳定性也存在明显缺陷,可以通过冷冻、冷冻干燥、化学交联等方法对稳定性力学性能进行改良。
1.3聚乙烯醇及聚乙烯醇水凝胶
聚乙烯醇(PVA),是线型水溶性聚合物,侧链上带大量羟基。 聚乙烯醇(PVA)作为自然界中唯一的水溶性高分子聚合物,具有良好的亲水性能、机械性能和耐热性,有利于保持细胞生长环境湿度。通过物理、化 学、辐照等方式制备的聚乙烯醇水凝胶材料,具有优良的吸水溶胀性、生物相容性,因而在生物医学领域中也具有广阔的应用前景。
,需与一种或几种其他聚合物复合制备有较强力学性能的水凝胶。此外,PVA水凝胶可以通过化学和物理两种方法形成:物理方法主要是通过反复冷冻和解冻过程产生物理交联网络,而不添加任何有毒的交联剂。
在形成水凝胶的合成聚合物中,聚乙烯醇由于其优良的物理性能,优异的耐化学性、生物降解性和生物相容性,越来越受到人们的关注。此外,PVA已被大规模商业化生产。聚乙烯醇水凝胶已被广泛应用于医疗器械、合成软骨和药物控释系统。
1.4课题意义及设计思路
将聚乙烯醇引入海藻酸钠水凝胶可以提高水凝胶的力学性能,将海藻酸钠和聚乙烯醇的性能进行互补。一般的海藻酸钠/水凝胶制备方式,是将聚乙烯醇和海藻酸钠溶液通过冻融(冷冻/解冻)操作凝结形成互穿网络。本文采用一种简单的方法制备了增韧聚乙烯醇/海藻酸钠(PVA/SA)复合水凝胶。首先将聚乙烯醇/海藻酸钠(PVA/SA)溶于蒸馏水中以形成复合溶液,通过冷冻/解冻法获得纯聚乙烯醇/海藻酸钠(PVA/SA)水凝胶。将纯聚乙烯醇/海藻酸钠(PVA/SA)水凝胶浸入饱和KCl水溶液中,以提高凝胶强度和电导率。同时研究了浸泡时间对聚乙烯醇/海藻酸钠(PVA/SA)水凝胶力学性能的影响。对所制得的PVA/SA水凝胶的溶胀性能和潜在防腐性能进行了研究。本文为制备硬质水凝胶电解质提供了一种新的方法。
第2章 实验部分
2.1引言
水凝胶是一种亲水性聚合物,由亲水聚合物链间交联,分子呈三维网络结构, 具有捕捉大量水分的能力,能较好吸收水分,有良好吸水保湿能力。近年来, 水凝胶作为医药生物领域的热点,在药物的控制释放、基因传送、组织工程等领域的应用前景诱人,引起了许多研究人员的关注。而人工骨修复材料在骨组织工程中,水凝胶具有许多潜在的用途和优势,包括骨组织修复的高分子材料、陶瓷材料、金属材料以及聚酰胺等复合材料。骨组织中关节软骨因缺乏血管、神经、淋巴,在损伤后难以自身修复,需要配合临床治疗。海藻酸凝胶制成的可注射支架具有较好的生物相容性,操作简便,微创等优点,被视为良好的可注射支架材料,成为临床治疗新思路。
2.2实验原料及仪器设备
2.2.1实验原料
表2.1 实验的主要药品及试剂
药品名称 | 规格 | 厂家 |
聚乙烯醇 海藻酸钠 氯化钾 | 化学纯 化学纯 化学纯 | 国药集团化学试剂有限公司 国药集团化学试剂有限公司 阿拉丁化学试剂 |
2.2.2实验仪器及设备
表2.2 实验仪器及设备
名称 | 型号规格 | 产地 |
数显电子天平 | FA1004 | 上海越平科学仪器有限公司 |
实验室精密p H计 | PHS-3C | 上海佑科仪器仪表有限公司 |
磁力搅拌装置 | R-20 | 德国 |
离心机 | H1850 | 湘仪离心机仪器有限公司 |
真空冷冻干燥机 | FD-1-50 | 北京博医康实验仪器有限公司 |
2.3海藻酸钠/聚乙烯醇水凝胶的制备
2.3.1纯聚乙烯醇/海藻酸钠(PVA/SA)水凝胶的制备
首先取4.0g聚乙烯醇和0.4海藻酸钠,分别溶于40mL去离子水中。聚乙烯醇加入去离子水中后,在90℃水浴条件下,将其加热搅拌溶解1h,得到均匀且透明的聚乙烯醇溶液。海藻酸钠加入去离子水中后,室温20℃下搅拌溶解1h,得到均匀透明微黄色溶液。按聚乙烯醇和海藻酸钠溶液1:1比例,混合聚乙烯醇溶液和海藻酸钠溶液,在室温25℃下,搅拌反应三小时,然后将聚乙烯醇/海藻酸钠混合溶液倒入所需尺寸的模具中,在-20℃下冷却2.5h,然后在20℃室温下解冻1.5h。以上为一次冷冻-解冻过程,重复冷冻解冻法,将样品冻融循环两次。
2.3.2纯复合水凝胶的浸泡处理
在制备了纯聚乙烯醇/海藻酸钠(PVA/SA)水凝胶的基础上制备了聚乙烯醇/海藻酸钠水凝胶(设计为PVA/SA)。为t改良聚乙烯醇/海藻酸钠水凝胶的力学性能,制备高韧性聚乙烯醇/海藻酸钠水凝胶,将聚乙烯醇/海藻酸钠水凝胶在25℃饱和氯化钾(KCl)溶液中浸泡不同时间,设计为聚乙烯醇/海藻酸钠(PVA-SA)-x(x代表浸泡时间单位为min)。
2.4海藻酸钠/聚乙烯醇水凝胶性能表征
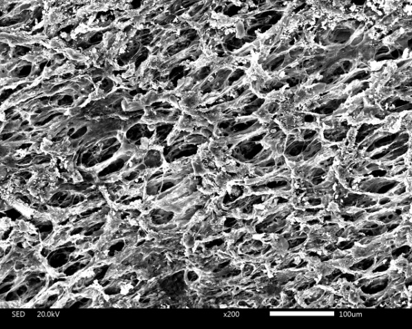
2.4.1电子显微镜扫描(SEM)
在SEM电子显微镜 上观察了PVA/SA水凝胶的截面,其加速电压为3.0kV。取直径为40mm,高0.8mm模具若干,倒入PVA/SA冻融两次制备水凝胶样品后,先用真空干燥机冻干,在液氮中脆性断裂,真空镀金。用电子显微镜观察PVA/SA凝胶截面的结构形貌
2.4.2红外光谱
对PVA/SA水凝胶进行红外光谱分析(FTIR),使用了傅里叶变换红外光谱仪。分析了凝胶分子作用。取凝胶、浸泡处理过的凝胶、PVA、SA制成粉末压片,扫描速度0.209s-1 。
2.4.3表观密度
根据已有方法计算聚乙烯醇/海藻酸钠水凝胶的表观密度ρ。通过测量水凝胶样品的高度(H)和直径(D),计算出每个水凝胶样品的体积(V)。每个样品都使用精度为0.0001g分辨率的电子天平进行称量。根据下列方程计算密度ρ:
(2.1)
其中W是称量的水凝胶的质量,D是量取水凝胶的直径,H是量取水凝胶的厚度。最后的数据取五份聚乙烯醇/海藻酸钠水凝胶计算得密度的平均值,记作样品的表观密度。
2.4.4PVA/SA水凝胶含水量测定
根据以下方程计算水含量(w):
(2.2)
其中是原始水凝胶样品的重量,是样品经过干燥箱中50℃烘干干燥24h至恒重后得到的干水凝胶样品的重量。每次称重时,对样品对每个样品进行三次测量,并采用三次测量值的平均结果,并记录为样品质量。取三份水凝胶样品计算含水量,取平均值。
2.4.5 PVA/SA水凝胶溶胀性能测定
将经过干燥箱中50℃烘干干燥24h至恒重后得到的干水凝胶样品在pH=7的过量去离子水中浸泡一段时间,并评价其溶胀行为。将一份干水凝胶样品称重(),室温25℃下浸泡入约80mL去离子水中,静置一段时间,固定时间间隔,每0.5h.1h、1.5h、2.0h、2.5h3.0h、3.5h、4.0h、5.0h、6.0h、7.0h、8.0h、9.0h、10.0h、11.0h、12.0h、13.0h、15.0h、17.0h、19.0h、21.0h、23.0h、24.0h、2D(两天48h)取出溶胀的样品,用过滤纸擦除表面水分后将样品称重,记作()。对每个样品进行三份测量。按下式计算水凝胶的溶胀率:
(2.3)
2.4.6拉伸性能试验
在25℃室温条件下,用通用拉伸试验机(中国)进行拉伸测试。在拉伸速度为10 mm min-l时,对40mm长、4mm宽、2mm厚的水凝胶片进行拉伸试验,检测其力学性能,并计算水凝胶样片的拉伸强度和断裂伸长率。对每组聚乙烯醇/海藻酸钠水凝胶进行了3~4个样本测试,计算凝胶拉伸强度和断裂伸长率的平均值。
2.4.7潜在防腐性能
本实验中,通过简单的方式,测定了浸泡处理后的聚乙烯醇/海藻酸钠水凝胶的潜在防腐性能。将PVA/SA和PVA/SA-150水凝胶用一层保鲜膜覆盖后放置在实验台。将水凝胶置于30~35%的湿度,25℃室温下12天,取出保鲜膜下的水凝胶样品,记录水凝胶的表面情况。
第3章 分析与讨论
3实验结果分析与讨论
3.1水凝胶浸泡过程中的表征变化
本文首先探究了聚乙烯醇/海藻酸钠水凝胶在饱和氯化钾水溶液中的质量变化。随着在氯化钾溶液中浸泡处理的时间变长,PVA/SA水凝胶的体积在不断收缩,PVA/SA的重量减少,由半透明软胶质变成白色硬胶质。根据理论判断,因为PVA/SA水凝胶和饱和氯化钾溶液存在离子浓度差,水从PVA/SA水凝胶中迁移到饱和氯化钾溶液中,引起了水的流动,而饱和氯化钾溶液中离子迁移到水凝胶中,两者导致了水凝胶重量的变化。
表3.1 探究了不同浸泡时间下各PVA/SA水凝胶的密度、含水量
样品 | 样品质量(mg) | 密度(g/cm) | 含水量(%) | |||
PVA/SA | 4.9837 | 0.83 | 89.71 | |||
PVA/SA-30 | 4.7944 | 0.89 | 89.07 | |||
PVA/SA-60 | 4.6430 | 0.92 | 88.80 | |||
PVA/SA-90 | 4.5091 | 1.02 | 88.44 | |||
PVA/SA-120 | 4.3460 | 1.09 | 88.14 | |||
PVA/SA-150 | 4.2191 | 1.15 | 87.82 | |||
PVA/SA-180 | 4.1367 | 1.17 | 87.52 | |||
PVA/SA-7d | 3.2587 | 1.24 | 84.20 | |||

以上是毕业论文大纲或资料介绍,该课题完整毕业论文、开题报告、任务书、程序设计、图纸设计等资料请添加微信获取,微信号:bysjorg。
相关图片展示:







您可能感兴趣的文章
- 用于甲醇制烯烃反应的SAPO-34/ZSM-5复合催化剂的原位水热结晶合成外文翻译资料
- 硫化氢在活体的化学发光探针成像外文翻译资料
- 全色发射型ESIPT荧光团对某些酸及其共轭碱负离子识别的颜色变化外文翻译资料
- 一种用于成像神经元细胞和海马组织中NMDA受体附近内源性ONOO-的双光子荧光探针外文翻译资料
- 表面功能化的Ui0-66/pebax基超薄复合中控纤维气体分离膜外文翻译资料
- 金属有机框架中的可逆调节对本二酚/醌反应:固态固定化分子开关外文翻译资料
- 二维MXene薄片的尺寸相关物理和电化学性质外文翻译资料
- 将制甲烷的Co催化剂转化为产甲醇的In@Co催化剂外文翻译资料
- MXene分子筛膜用于高效气体分离外文翻译资料
- 模板导向合成具有排列通道和增强药物有效荷载的立方环糊精聚合物外文翻译资料


